基于毫米波雷达的码头防撞主动预警系统的设计毕业论文
2020-04-11 17:42:42
摘 要
Abstract II
第1章 引言 1
1.1课题提出的背景和意义 1
1.2国内外研究现状 2
1.3本论文的研究内容 5
1.4本章小结 5
第2章 毫米波雷达工作机理 7
2.1毫米波雷达发展背景 7
2.2毫米波雷达的工作原理 8
2.2.1毫米波调频连续波雷达测距原理 9
2.2.2毫米波调频连续波雷达测速原理 10
2.2.3毫米波调频连续波雷达测角原理 12
2.2.4毫米波调频连续波雷达测向原理 14
2.3毫米波雷达的应用 16
2.3.1毫米波雷达的基本应用 16
2.3.2毫米波雷达的应用 20
2.4本章小结 22
第3章 基于毫米波雷达的码头防碰撞主动预警系统 23
3.1船舶码头靠泊 23
3.1.1船舶靠泊过程 23
3.1.2船舶靠泊方式 24
3.1.3船舶靠泊三要素 26
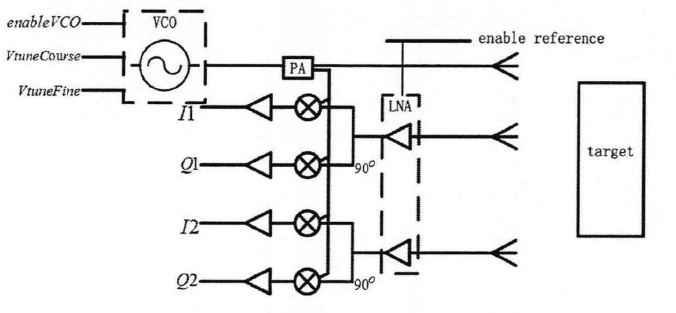
3.2基于毫米波雷达的码头防碰撞设计 27
3.3基于毫米波雷达的码头防碰撞设计运用 30
3.4 本章小结 32
第4章 结束语 33
参考文献 34
致谢 36
摘 要
本文主要对码头防碰撞技术的研究。现有的船舶码头防碰撞技术主要体现在一下的几个方面:1.基于码头附近不同风速、海浪、洋流的作用,船舶在靠近码头时会码头有着不同的撞击力,根据码头受到船舶的最大撞击力,设计出的液压式缓冲防碰撞装置;2.船舶防碰撞导航预警系统:基于已有的GPS技术、无线网络技术和嵌入式系统等技术,可以实时监控船舶的速度、位置、导向,精准判断船舶与船舶之间、船舶与码头之间的角度、距离;3.人为作用:研究航海资料,制定进出港操作预案、制定应急预案、提高船员的操作水平、加强团队配合等。本文针对已有的船舶防碰撞技术,加入毫米波雷达技术,利用毫米波雷达引头体积小、质量轻、空间分辨率率高等特点,改善船舶靠码头主动预警系统。
关键词:船舶防碰撞;码头;毫米波雷达;主动预警
Abstract
This article mainly focuses on the research on the anti-collision technology of the pier. The existing anti-collision technology for ship wharfs is mainly reflected in the following aspects: Firstly, based on the effects of different wind speeds, waves, and ocean currents near the wharf, ships will have different impact forces on the wharf when they are near the wharf. According to the maximum impact force of the ships, hydraulic buffer anti-collision device has been designed. Secondly, ship anti-collision navigation and early warning system: based on existing GPS technology, wireless network technology and embedded system technology, it can real-timely monitor the speed, position and orientation of ships and accurately determine the distance between both ships and ships and docks. Thirdly, human role which includes studying navigational data, formulating inbound and outbound operational plans, setting up contingency plans, improving crew operations, and strengthening teamwork. In this paper, aiming at the existing ship anti-collision technology, millimeter-wave radar technology is added. Because the millimeter-wave radar seekers has advantages of small size, light weight and high spatial resolution it can be used to improve the active early warning systems for ships
.Key Words:Ship anti-collision; Port; millimeter wave radar; active warning
第1章 引言
1.1课题提出的背景和意义
随着中国经济的繁荣发展,随着习总书记“一带一路”政策的提出,航海事业越来越成为一种主流的运送方式,航运事业作为现有的几种运输方式中性价比较为靠前的一种方式,是广大企业的最佳选择。为了能够提高海运容量和效率,减少运费,大型化、高速化、标准化等已经成为现代船舶建造的几个指标。因此,船舶在靠码头时对码头以及其防撞装置的撞击力也逐渐增大,船舶靠泊时的意外状况也越来越多。一旦船舶船员靠泊时操作不当,或因为港口风速、洋流等因素,或因为船舶靠泊速度与规定不符,都会对码头的靠泊设备产生破坏,造成不必要的财务与人员损伤。所以船舶在靠泊时的防碰撞装置十分重要。本文主要涉及码头防撞主动预警系统的设计。
船舶在停靠期间,因为各种原因而出现事故造成的后果都比较严重。例如在2009年7月,“安民山”大型海轮,在从扬州到上海,途经长江张家港福南水道47号浮时,东华能源码头受到失控船舶的碰撞,造成了码头的局部倒塌;2010年11月,一艘由秦皇岛港口驶向上海金山石化热电码头的煤运船舶在靠近码头时,因为当时海况以及海员的准备不足,导致碰撞事故,致使船舶和码头出现损伤;2011年2月,同样是因为操作不当以及船舶和码头原因,一艘靠泊在上海罗泾煤炭码头的散货船撞击下游码头,致使码头下游部分与一栋值班楼倒塌;2018年1月10月,CMA旗下公司正利航运(CNC)所租用的一艘集装箱船在靠泊基隆港时,发生集装箱船碰撞码头严重事故,事故造成1座价值过亿台币的桥式起重机被撞倒,同时大量集装箱货柜被挤压损毁(如图1所示);同年1月14日,CAP SAN TAINARO号集装箱船在1月14日或更早时候在智利瓦尔帕莱索港遭到起重机损坏,导致桅杆折断。
1.2国内外研究现状
关于船舶的码头碰撞,自从有航运事业开始,世界各国的船舶研究所都对其有研究。现代航运事业中,国外学者对其理论的研究较早。为了避免船舶与码头之间的碰撞而造成的船舶与码头建筑物的破坏,美国的V.U.Minorsky教授(米诺尔斯基)研究了数十起船舶碰撞事故,分析研究数据结果,总结出著名的Minorsky曲线,该曲线研究了碰撞时冲击能的吸收与刚性结构的体积的变形之间的联系,且在1975年,在基于能量转移定理和能量守恒定律发表了米诺尔斯基理论,这个理论奠定了船舶碰撞理论的基础。
米诺尔斯基碰撞理论虽然说开创了碰撞理论的先河,但是基于当时的条件限制以及现在航运事业的快速发展,该理论对于渐渐大型化、高速化的船舶而言,还是存在着些许缺陷。
针对船舶行业的发展过程中米诺尔斯基理论存在的些许缺陷,德国的著名学者Woisin教授(沃辛)和其他的多名知名教授在大量的实验基础上,以米诺尔斯基理论为基础,提出了Woisin经验公式。此公式虽然在一定程度上解决了米诺尔斯基理论的不足之处,但是由于公式来源于一些统计资料,它的适用性存在着范围,对于一些其他船舶的准确性较低。在此之后,汉斯教授和德鲁彻教授针对了新的研究方向,即船舶和建筑物之间的碰撞研究,最终得到了Heins-Derucher理论。该理论主要研究了在碰撞时碰撞区中的结构形变问题以及船舶当时的运动状态。
与此同时,各国的科学家们也开始对船舶碰撞做出了无数次的实验,例如意大利、日本、荷兰、中国等。实验中有大尺度模型实验、小尺度模型实验以及实尺度模型实验等。这些海量的实验数据为世界各国研究船舶碰撞提供了夯实的实际基础。
在现代船舶中,使用最多的研究船舶碰撞的计算方法是有限元数值模拟法。该方法与以前的计算方法相比,它更加适用于船舶碰撞方面,大大提高了其软件在模拟计算时的准确性以及一些其他的在实验中难以解决的问题。在有限元数值模拟法中,能够把结构离散成有限元模型。计算出每个节点的位移、瞬时速度、瞬时加速度等在时域中的不同情况。
对于码头防碰撞研究,在码头方面,有靠泊液压防撞系统,也有基于ABAQUS的斜桩-重力式结构码头。靠泊是液压防撞系统中,主要是对船舶在靠近码头时对码头的最大撞击力的研究。是根据船舶对码头的最大撞击力来设计的靠泊式液压系统。系统利用有限元软件ANSYS对码头结构胸墙部分做应力分析,综合分析不同速度、不同海洋状况条件以及应力分析,设计出与码头情况相符合的液压防碰撞装置。
基于ABAQUS的斜桩-重力式结构码头是一种复式结构。它采用的是重力式沉箱和桩基结构相结合,利用沉箱,钢筋混凝土,桩基组成。该结构由以下几方面设计而成:有限元模型的建立(船舶、橡胶护舷、斜桩-重力式结构等材料参数的选择;单元选择和网格划分);船舶靠泊时撞击斜桩-重力式靠泊船墩的撞击力放大效应(船舶靠泊时动、静力的计算;在靠泊的过程中复合式结构的位移响应);撞击力的放大系数受船舶有效的撞击能量的影响(复合式结构撞击力在相同的撞击能量下的放大系数;复合式结构撞击力在不同撞击能量下的放大系数)。复合式结构码头在国外已经得到了初步应用,我国在近几年也加强了对此方面的研究。
关于码头防碰撞方面,码头仅仅只是其中的一部分,船舶的主动预警系统也是必不可少的。在早期的船舶靠泊时,主要依靠的是船长和引航员的目测与经验,对自身船舶与码头之间的距离等参数做出一个大概的判断,根据经验判断来进行靠泊。这种方式不仅仅对船厂和引航员自身技术实力有很大的要求,而且容易出现许多不确定性的情况,出现较大的偏差。随着航运事业的发展,航海科技的提升,现在国内外的码头在船舶靠泊时都开始使用各种测速仪,利用测速仪来检测船舶的速度以及靠泊距离。在测速仪使用的历史中,有声波靠泊测速仪、激光靠泊测速仪、普通雷达感应测速仪、红外线测速仪以及现在比较常用基于DGPS的靠泊辅助系统等。在不同测速仪的发展使用中,各有优缺点:
1.声波靠泊测速仪在技术上主要有两个方面:(1)空气声波测速装置:空气声波技术是较早应用于船舶靠泊的技术,主要是利用空气的震动反射来了解码头基岸信息。空气声波对于环境的依赖性较大,在无外界干扰情况下,探测使用距离在100米左右,然而在暴雨天气或者大风天气等极端条件下,声波的传播途径会受到影响,使测量结果存在不确定性以及误差;(2)声呐靠泊技术:基于多普勒效应,利用多普勒测速原理研究出声呐靠泊技术与声波测速技术相比,声呐靠泊技术的探测距离更大,速度探测更为精确,我国在1984年研制出的声呐靠泊系统,其探测距离为200米,速度精度为1cm/s。声呐靠泊装置装有报警系统,可以对船舶距离码头距离,船舶与码头之间的夹角以及船舶航行的实时速度进行监控。但是声呐靠泊技术还是属于声波靠泊技术的发展,所以还是受到外界环境,如:螺旋桨涡流、水下涌流以及波浪声波等各方面的影响。
2.电磁波靠泊装置主要分为以下的几个波段:可见光,红外线,紫外线,无线电波,伽马射线等,在实际的应用过程中,主要是以下的几个(1)微波雷达靠泊技术:微波雷达技术主要是通过安装在码头的探测器发射信号经船体反射回来,来确定船舶的运行状态。微波雷达探测的优点在于探测范围广泛,能够更好地保证船舶靠泊安全,但是在使用雷达探测的过程中,雷达探测没有明确性,容易被海洋上的遮挡物以及其他的物体所干扰,且根据研究,微波雷达技术的高精度距离较短。(2)红外线测量仪的研究原理是利用远红外线进行探测,将红外线测速仪安装在码头,与码头控制中心的计算机相连接,将测得的数据经数据库进行分析后,得出监控数据并显示在主机屏幕上,船长和引航员可通过查看数据来进行安全靠泊,并且红外线测量技术还可以兼顾显示码头附近的环境条件,方便船长和引航员结合外界条件进行调控船舶状态。但是红外线辅助装置的缺点也十分明显,对气象能见度要求比较高,经常与码头附近的实际环境状况相悖。(3)激光靠泊测量,此技术是基于纳米级的不可见的短脉冲的激光技术。将激光探头固定在码头,利用激光对船首和船尾进行探测,将数据进行计算可以得到船舶入港时船舶首尾的速度和船舶实时的靠泊角度,并将结果显示在显示屏上,方便船长以及引航员进行分析。现在的许多大型码头都有利用激光探测技术,例如LNG码头和油码头。作为应用比较广泛的激光靠泊辅助系统,该技术有着探测的精度,信号动态反应速度快等优点。但是也存在着一些缺陷,激光探测的探头固定在码头上,对形态不一样的船舶探测时缺少灵敏性,对船舶状态进行检测时并不能反应全船的状态,具有局限性,且激光探测设备的成本高,易损坏。(4)基于DGPS靠泊辅助技术,此技术是一种新兴技术,主要是利用GPS对船舶的定位,采用实时动态差分法实现对船舶的监控,并且对船舶的靠泊角度,速度等参数进行计算,将计算的结果分享到引航员的终端设备中,引航员携带便携式终端实时的对船舶的靠泊航行状态进行调整。与激光测量技术相比,DGPS技术具有很好地便携性,进行的是动态的分析而不是固定在码头的激光探测仪,无论船舶形态怎样,都能够全面的检测。但是缺陷也很明显,船舶靠泊状态受到GPS精度的影响,存在着一定的风险性,需要提高GPS的精准度。
1.3本论文的研究内容
以上是毕业论文大纲或资料介绍,该课题完整毕业论文、开题报告、任务书、程序设计、图纸设计等资料请添加微信获取,微信号:bysjorg。
相关图片展示:









