船舶电网电能质量检测及谐波抑制研究毕业论文
2020-04-10 16:57:30
摘 要
随着船舶电力推进技术的快速发展,非线性电子设备在船舶中被大量的使用,谐波问题日益突出。船舶电网电能质量下降,会威胁电力系统的安全,从而对船舶带来安全隐患,致使经济效益下降。因此,研究谐波抑制技术,进而提高船舶电网电能质量,就具有比较重要的意义。
船舶电网电能质量决定着船舶的经济效益与安全航行。首先,本论文通过查阅船舶电网电能质量监测系统的相关文献,研究对船舶电网电能质量各个参数的实时监测方法,为电能质量的治理提供基础依据。
进而,分析谐波抑制技术,为治理和改善电能质量问题做研究。无源滤波器以其结构简单、投资成本低、运行安全等优点得到人们的广泛关注,是目前船舶电力系统中比较常见的谐波抑制装置。本论文通过分析无源滤波器(单调谐滤波器和高通滤波器)的基本原理、参数对性能的影响、分析设计方案和设计原则。进而引入粒子群算法,以投资成本、谐波抑制效果、无功功率补偿为优化目标,研究无源滤波器的多目标优化设计方法。接着以“丰隆01号”船舶电网参数实例进行计算,将粒子群算法多目标优化设计和传统工程方法设计(最小电容法和无功功率补偿法)分别得到的无源滤波器的滤波效果进行分析比较。
最后,在Matlab/Simulink环境下建立船舶电网仿真模型来验证粒子群算法多目标优化设计无源滤波器的可靠性。
关键词:电力推进船舶;电能质量;谐波抑制;无源滤波器;粒子群算法
Abstract
With the rapid development of marine electric propulsion technology, there are more and more harmonic pollution in power system of marine due to widespread of nonlinear electronic equipments to ship,which lower the power quality,cause the danger of power system and impact on the security and economy of operation of ship.Thus,the research of harmonic suppression and improve power quality of ship has very far-reaching significance.
The ships’ power system determines the economic efficiency and safe navigation of the ship.First, by reading and researching the literature about the real-time monitoring system of the ship power system, providing the basis for the management of power quality.
And then, analysis of harmonic suppression techniques for improving power quality issues. Passive filters have the advantages of simple structure, low investment cost, and safe operation, it has been widely applied to harmonic control in power systems. This article analyzes the basic principles of passive filters (single-tuned filters and high-pass filters), the impact of parameters on performance, design analysis and design principles. So we introduce particle swarm optimization (PSO) , studying passive filters' multi-objective optimization design method from cost of investment , harmonic suppression and reactive power compensation. Later, we calculated with examples of the power network parameters of "Hongfeng No. 01" ship. The paper analyzes parameter filter effects of the multi-objective optimization design and engineering design respectively(smallest capacitor install capacity method and reactive power compensation method).
Finally,the paper verifies the reliability of particle swarm optimization multi-objective optimization design passive filter by means of establishing ships’ power network simulation model in Matlab/Simulink environment.
Key Words:marine electrical propulsion; power quality; harmonic suppression; passive filter; particle swarm optimization
目 录
摘 要 I
Abstract II
第一章 绪论 1
1.1 研究的背景及意义 1
1.2 国内外现状分析 1
1.2.1 船舶电能质量检测的研究现状分析 1
1.2.2 谐波检测技术的研究现状分析 2
1.2.3 无源滤波器的研究现状分析 3
1.3 本文的主要任务 4
第二章 谐波抑制技术及无源滤波器的基本原理 5
2.1 谐波抑制技术 5
2.1.1谐波的基本概念 5
2.1.2 谐波的产生及危害 7
2.1.3 谐波的抑制技术 8
2.2 无源滤波器的基本原理 9
2.2.1 单调谐滤波器原理 10
2.2.2 高通滤波器原理 12
第三章 无源滤波器的工程设计方法分析 15
3.1 无源滤波器的设计准则 15
3.2 滤波系统参数设计的方案 16
3.3 滤波器设计方案分析 17
3.4.1 单调谐滤波器设计方案分析 17
3.4.2 高通滤波器设计方案分析 19
第四章 改进的粒子群算法对无源滤波器参数优化 22
4.1 粒子群算法基本原理 22
4.2 无源滤波器的多目标优化设计 25
4.2.1 无源滤波器的设计原则 25
4.2.2 无源滤波器优化设计描述 25
4.2.3 多目标函数的提取 28
4.3 综合优化程序设计 29
4.4 工程实例计算 30
第五章 系统仿真与分析 36
5.1 仿真模型建立 36
5.2 仿真验证 39
结论与展望 42
参考文献 43
致谢 44
第一章 绪论
1.1 研究的背景及意义
自电力推进技术的快速发展以来,电力推进船舶系统的组成中自然离不开电力系统。然而这些系统中大量使用的非线性电子器件会不可避免地产生大量的谐波,从而影响电能质量,且谐波问题越来越尖锐。这样就会使主机机效率降低,电气设备出现过热、振动和噪声等问题,以及对通信设备和电子设备产生严重干扰,对船舶电力系统的安全、可靠和经济运行构成潜在的威胁。所以,对谐波的抑制已成了一个重要的研究课题,也是为未来电力推进船舶发展的必然趋势。
近些年,船舶电力系统中的谐波抑制主要有无源滤波器,有源滤波器以及混合滤波器几种[1][2]。当前得到广泛应用的滤波装置是无源滤波器,因为其具有成本较低,结构简单,易于操作,运行安全等特性;并且其滤波性良好还能进行无功补偿。然而,无源滤波器也有自身的一些不足之处,例如其体积大、重量大、各电力系统参数发生变化时滤波效果就减弱。对于船舶电网大量非线性器件的使用产生的谐波次数不断变化的负载无法进行很好的滤波,有时还会与电网发生谐振,造成谐波增大,使得滤波器发生过载,严重时还会造成其烧毁影响整个船舶电网。由于有源滤波器的成本比较昂贵,容量上受到一定的限制,所以就会考虑使用由无源滤波器和有源滤波器组合而成的一种并联混合式滤波装置;其中大部分的谐波由无源滤波器来滤除,有源滤波器进行滤波的补偿。在国内外众多学者的研究方案中,并联混合型谐波补偿系统的研究得到更广泛的应用,故并联混合型滤波系统的研究已成为治理电能质量、谐波抑制的一个重要课题[1][2][3]。本文主要在对无源滤波器进行多目标的优化设计研究,将在第三、四、五章具体分析。
1.2 国内外现状分析
1.2.1 船舶电能质量检测的研究现状分析
在处理船舶电网的电能质量问题时,通常都是跟陆地上电网的电能问题相类似的处理。纵观国内外的有关改善船舶电网电能质量的研究,一开始大部分都是关于用无源滤波器抑制谐波而提高电能质量的研究,对于有源滤波器或者混合型滤波器的研究还较少,而在国内这一领域的研究明显滞后[3]。船舶电网的电能质量问题影响着整船的经济效益和安全运行,所以对船舶电网电能质量的监测从而改变电能质量是十分的重要,改善船舶电网的电能质量这一问题也备受人们关注。
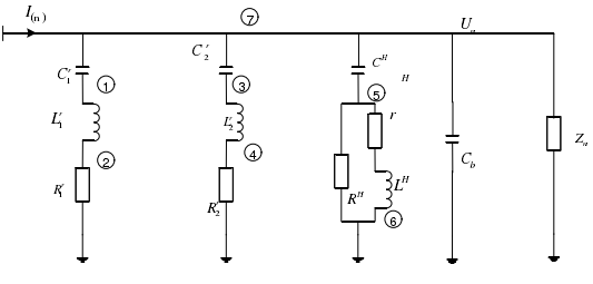
目前,国内外对于电能质量监测装置的研究种类很多,功能比较齐全。其中有美国FLUKE公司,日本日置公司和澳大利亚红相公司分别生产出来的F43手持式电能质量分析仪,3193 系列和PM30系列电能质量分析仪。这些装置可对电能质量现场定期检验和非线性设备的调试,对有功功率、无功功率、功率因数等参数进行准确的测试;国内的上海宝钢安达电能质量有限公司对电能质量监测也产出PQ116系列、PQ102系列的产品,其产品主要对谐波、电压偏差等重要的电能参数进行监测[4]。
现在有许多的学者对在线实时的分布式电能检测装置进行了研究,对船舶电网的电能进行实时监测,并能及时反馈出电网的电能质量,为船舶电网提供了安全保障。对阅读文献[3][4][5][6]总结出下列各种船舶电网电能参数监测系统:
1)基于DSP的电能检测装置
2)基于STM32的电能质量检测装置
3)基于PIC的电能检测装置
4)基于 FPGA 的船舶电网电能质量监测分析装置
5) 基于ARM加DSP的电能质量监测装置
这些电能质量监测系统都能有效地进行现场实时监测电能质量参数,为船舶电力系统电能质量的治理提供基础,为谐波抑制和船舶安全航行作出了保障。
1.2.2 谐波检测技术的研究现状分析
对谐波的研究和检测是电力系统中抑制谐波工作的一项基本又重要的任务。通过查阅国内外文献和硕士论文,总结了目前检测谐波的一些方法。
1)提取基波分量法[7][8]
这是最先采取检测谐波电流的一种常见方法,是通过检测到的信号中提取基波分量,与被检测电流之差就是待补偿的谐波电流。这种方法由于存在不易设计、误差比较明显、对电网频率的波动比较敏感等缺点,因此现在很少使用该方法。
2)基于瞬时无功功率理论的检测方法[7][9][10]
主要包括p-q法、法,以及d-q法。其中p-q法适用于正弦三相三线非畸变系统,方法适合任意三相三线系统,这三种方法能够较精准的检测出谐波电流,算法较简略,实时性好,但也存在硬件电路设计复杂这一缺点。
3)基于小波变换的谐波测量[7][11]
小波变换主要是对信号的局部频域进行分析与检测,在运用过程中最重要的是选择最优小波,其实时性、动态性较好。但小波变换信息量较大,硬件不易实现,对噪声较敏感。
4)自适应检测法[7][12]
该方法是在自适应干扰抵消的原理下进行补偿的谐波和无功分量的检测,实时性好,自适能力强。但这种方法需要大量的时间来进行样本的训练,响应较慢,限制了在实际的应用。
5)基于傅立叶变换的谐波测量方法[7][9][11]
该方法以傅立叶作为基础来进行分析, 通过FFT进行检测系统的信号,然后将检测到的一个周期谐波信号进行适当地分解,通过计算能够同时检测获得各次谐波的幅值和相位,而且功能比较全面,计算方便明了,因此是目前应用最多且最为普遍的一种方法。
1.2.3 无源滤波器的研究现状分析
对于谐波的研究早在二十世纪四五十年代国外学者就开始了,步入七十年代后,由于电网中的谐波污染日益严重,降低电网电能质量,无源滤波器根据其优势得到认可并作为广泛应用,在一定程度上提高了电能质量。八十年代,由于PWM技术的发展和瞬时无功功率理论的谐波电流检测法的问世,有源滤波器开始成为了该领域的研究重点。1990 年, Fujit 等人提出了将无源滤波器与有源滤波器相结合组成混合型滤波装置,其中无源滤波器起到重要的作用,对大部分谐波的滤除和无功的补偿,而有源滤波器只对少部分谐波的滤除,这样就得到一种更有效地滤除谐波的混合型滤波装置[1][2]。
在国内,二十世纪八十年代才开始有人研究谐波问题。吴竞昌等人在1988年出版了一本我国有关谐波问题的著作《电力系统谐波》,此书得到高度认可并产生极大的影响;夏道止教授出版《高压直流输电系统的谐波分析及谐波》以及罗安教授出版的《电网谐波治理和无功补偿技术及装备》为我国开创了谐波研究的热潮并作出重大的贡献[13];近些年来,也有很多的学者在电力系统谐波抑制和无功补偿问题发表了大量的论文,对滤波器的设计以及优化做了很多研究。
经过国内外多年的研究,无源滤波器单目标的研究已经满足不了滤除谐波的要求,于是人们开始从单目标优化变为多目标优化的设计研究。在对无源滤波器进行优化的同时,把无源滤波器的投资成本、谐波效果和无功补偿这三方面考虑进去,再用粒子群算法对无源滤波器进行优化设计,通过仿真实验来验证算法的可行性,这是本文的重点内容。
1.3 本文的主要任务
本文主要介绍了船舶电网的电能质量检测,谐波检测与抑制方法及无源滤波器,粒子群算法以及无源滤波器的多目标优化设计。主要的内容安排如下:
1) 通过大量阅读有关文献,对本课题的研究背景与意义及目的作出阐述,国内外的研究现状分析:船舶电能质量监测系统、谐波检测技术和无源滤波器的现状分析。
2) 介绍谐波的概念、产生及危害以及谐波抑制技术,详细描述了无源滤波器的基本理论(包括单调谐滤波器和高通滤波器)及其主要的参数分析。
3) 分析无源滤波器的工程设计方法,对无源滤波器(包括单调谐滤波器和高通滤波器)设计方案的分析,主要介绍最小电容法和无功功率补偿法这两种方法。
4) 介绍粒子群的基本算法,引入粒子群算法多目标优化设计的无源滤波器,多目标函数提取后可设计出综合程序,并用工程实例进行计算验证。
5) 在Matlab/Simulink环境下建立船舶电网仿真模型进行系统的验证。
第二章 谐波抑制技术及无源滤波器的基本原理
2.1 谐波抑制技术
2.1.1谐波的基本概念
电力系统中,理论上的电压和电流波形是工频下的标准正弦波,但是现实的波形总会产生不同的非正弦畸变。所以,谐波是为了研究正弦波形的畸变而提出的一个概念。目前,国际上公认的谐波定义为“谐波是一个周期电气量的正弦波分量,其频率为基波的整数倍”[14]。
其中,傅立叶级数是研究和分析谐波畸变的一种方法,它可以让我们更加清楚的去理解谐波这个概念。以正弦电压为例,标准的波形可表示为:
(2.1) |
式中:V---正弦波电压v(t)的有效值
---正弦波v(t)的初始相位角
---v(t)的角频率,f为频率,T为周期。
然而,我们都知道在电网中会使用大量的非线性元件,如二极管、三极管等。当正弦波电流流过这些元件时就会产生波形的畸变,就不会再是标准的正弦波形,这时会使电压波形也畸变为非正弦波。此时可以按照傅立叶级数来分析,一般情况下,任何周期波形都可以被展开为傅立叶级数[13][14][15]。即:
(2.2) |
式中:f(t)---一个频率为的周期函数,其角频率,周期;
---基波分量
---第h次谐波,它的幅值为,频率为,相位为。
傅里叶级数的系数由下式给出:
(2.3) |
(2.4) |
(2.5) |
| (2.6) |
| (2.7) |
一般来说,谐波含量的表示方法有两种,其中一种是各次谐波在基波中的含有率,另一种是总的谐波畸变率[1]。
1、各次谐波含有率
n次谐波电压含有率用来表示为:
| (2.8) |
式中,---第n次谐波电压有效值
以上是毕业论文大纲或资料介绍,该课题完整毕业论文、开题报告、任务书、程序设计、图纸设计等资料请添加微信获取,微信号:bysjorg。
相关图片展示:









