保利心语二期B栋建筑结构设计毕业论文
2020-04-08 12:38:35
摘 要
本设计题目为保利心语二期B栋建筑结构设计,总建筑面积4440.8平方米,建筑共7层。
本工程为普通居民住宅,设计的内容主要包括建筑的平面布置、交通联系,主要需要考虑生活空间的合理性,即活动空间、出入空间以及阳台房间的大小舒适性。设计内容还包括结构设计部分,包括各层的结构平面布置;永久荷载、可变荷载的统计和内力计算,内力组合;梁板柱楼梯等结构构件的截面设计配筋计算,采用手算电算相结合;柱下独立基础的设计计算;学习平法施工图,采用电算的计算结果用天正CAD绘图软件以平法表达完成梁板柱以及楼梯基础的结构施工图。
关键词:恒荷载;活荷载;内力组合;正截面;斜截面;截面尺寸
Abstract
The title of this design is the building design of Building B of Baoli Xinyu Phase II with a total construction area of 4440.8 square meters and a total of 7 floors.
This project is an ordinary residential building. The content of the design mainly includes the layout of buildings and transportation links. The main consideration is to consider the rationality of living space, that is, the size and comfort of the living space, access space and balcony room. The design content also includes the structural design part, including the structural plane layout of each layer; the statistics of the permanent load, variable load and internal force calculation, the internal force combination; the reinforcement calculation of the cross-section design of the structural members such as the beam-pillar-pillar staircase, and the combination of hand calculations. The design and calculation of the independent foundation under the column; The study of the construction method of the flat method, and the calculation results of the electrical calculation are used to express the structural drawing of the beam-column column and the foundation of the staircase with the Tianzheng CAD drawing software.
Key Words:Constant load; Variable load; Internal force combination; Normal section; Oblique section; Section size
目 录
第1章 绪论 1
第2章 设计资料 2
第3章 结构选型和梁板柱截面尺寸 3
3.1结构选型 3
3.2梁、柱截面尺寸估算 3
第4章 计算简图的确定 4
第5章 荷载统计 6
5.1恒载标准值 6
5.1.1 屋面恒载标准值 6
5.1.2 楼面恒载标准值 6
5.1.3 卫生间恒载标准值 6
5.1.4 阳台恒载标准值 7
5.1.5 梁自重 7
5.1.6 柱自重 7
5.1.7 女儿墙自重 7
5.1.8 计算单元内标准层内各墙的自重 8
5.1.9计算单元内底层内各墙的自重 10
5.2活荷载标准值 11
5.3雪荷载标准值 11
第6章 竖向荷载作用下的框架受荷总图 12
6.1顶层梁上均布荷载 12
6.2标准层梁上均布荷载 13
6.3底层梁上均布荷载 15
6.4顶层各轴柱的竖向集中荷载 15
6.5标准层各轴柱的竖向集中荷载 16
6.6底层各轴柱的竖向集中荷载 16
第7章 风荷载标准值计算及侧移验算 18
7.1风荷载标准值计算 18
7.2柱抗侧移刚度D的计算 19
7.3风荷载作用下的位移验算 20
第8章 水平地震作用计算 21
第9章 内力计算 23
9.1恒载内力计算 23
9.1.1分配系数计算 23
9.1.2框架梁柱弯矩计算 25
9.1.3框架梁柱剪力计算 27
9.1.4框架梁柱轴力计算 29
9.2横向风荷载作用下的框架内力计算 30
9.2.1各轴柱反弯点处的剪力值计算 30
9.2.2各柱反弯点高度的计算 31
9.2.3框架柱的杆端弯矩即梁端弯矩计算 32
9.2.4框架柱轴力与梁端剪力计算 33
9.3活荷载作用下的框架内力计算 36
9.4水平地震作用下的框架内力计算 39
第10章 重力二阶效应计算 43
第11章 内力组合 46
11.1竖向荷载作用下的梁端弯矩调幅计算 46
11.2控制截面的内力值计算 47
11.3内力组合 47
第12章 截面设计与配筋计算 52
第13章 屋面板配筋计算 57
13.1荷载计算 57
13.2配筋计算 57
第14章 楼梯设计计算 58
14.1楼梯设计 58
14.2平台板的计算 60
14.3楼梯梁计算 60
第15章 基础设计 62
15.1作用于基础顶面的荷载计算 62
15.2基础底面尺寸和埋置深度的确定 63
15.3验算持力层的地基承载力 63
15.4计算基底净反力 63
15.5柱边基础截面抗冲切验算 64
15.6变阶处抗冲切验算 64
15.7配筋计算 64
第16章 电算与手算的比较及总结 67
第17章 结束语 69
参考文献 70
致谢 71
第1章 绪论
本工程保利心语二期B栋是民用住宅楼,是我们非常常见的住宅楼,因此,平面布置的合理性将直接影响居住着的生活。在空间布置的时,我们既要有足够的活动空间,也要有安全可靠的消防逃生空间,满足使用上的舒适合理与经济的要求。
本工程采用现浇钢筋混凝土框架结构。框架结构的分隔空间灵活,材料损耗不大,而且可以提供较大的活动空间。现浇的钢筋混凝土框架结构的整体性好,而且刚度好。结构构件不包括墙,在需要的时候可以通过改变墙体来改变使用空间。但是框架结构也有不好的地方,框架结构的侧向刚度不大,在强烈地震作用下很有可能产生较大的位移,在各节点出也有可能产生应力集中的现象,甚至有可能造成严重的非结构性破坏。
本次工程保利心语二期B栋建筑结构设计,总建筑面积达到4440.8平方米,建筑层数一共为7层,建筑的抗震设防烈度为6度,基本风压0.35N/,建筑场地类别为Ⅱ类,地面粗糙度为C类,建筑的重要性类别为丙类,使用年限 50年。结构整体采用现浇钢筋混凝土框架结构和和下独立基础。
本次设计当中涉及了我们之前学习的许多专业课的只是,例如《结构力学》、《混凝土结构设计原理》、《混凝土结构设计》、《工程结构抗震》等等专业课中的内容。同时还涉及到《混凝土结构设计规范》、《建筑结构荷载规范》等等相关的规范。在设计当中还涉及到绘图软件天正CAD,帮助我们完成建筑图结构图的绘制,以及结构力学求解器帮助我们完成部分荷载和内力计算,还有盈建科结构设计软件帮助我们完成电算的建模计算。毕业设计是我们毕业前一次理论与实践相结合最完整的实践环节,是我们巩固复习大学所学习的建筑结构设计的知识,并且深化应用于实践的重要过程。在毕业设计当中,我们对自己的理论进行检验,同时拓展该领域的知识,把学习的知识应用起来,渐渐过渡到工作。毕业设计是我们大学期间唯一一次独立完整完成一项结构设计任务的机会。
第2章 设计资料
- 工程名称:保利心语二期B栋建筑结构设计。
- 建设地点:湖北省武汉市武昌区。
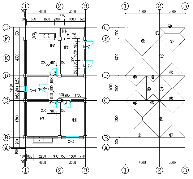
- 工程概况:保利心语二期B栋采用现浇钢筋混凝土框架结构,各层层高均为3m,室内外高差0.5m。具体平面情况如下图2.1[1]所示。
- 气象资料:基本风压=0.35KN/[2],
- 地质条件:地面粗糙度类别为C类,基础场地类别为Ⅱ类。
- 抗震设防:抗震设防烈度为6度,设计地震分组为第一组,抗震等级四级[3]。
- 材料选用:
混凝土:全楼包括框架梁、板、柱、基础、楼梯均采用C30混凝土;
钢筋:框架粱、板、柱、楼梯、基础所有受力钢筋均采用热轧HRB400级钢筋,箍筋采用HRB400级钢筋。
墙体:内外墙均采用200mm厚混凝土空心小砌块普通墙,重度γ=11.8 KN/,采用1:2.5水泥砂浆砌筑

图 2.1 建筑平面图
第3章 结构选型和梁板柱截面尺寸
3.1结构选型
进行结构设计时,首先要选择各类结构的形式,选型的合理与否关系到结构受力的可靠性和使用要求的满足与否,同时也关系到经济和施工的方便,基本原则如下
(1)满足使用要求
(2)受力性能好
(3)施工简便
(4)经济合理[4]
结构选型跟许多因素都有关系,应根据建筑的使用要求、房屋自身的重要性、设防烈度、房屋高度要求、场地类型、地基基础的条件、所使用的材料和施工技术等等因素,经过技术比较、经济条件比较等等各种综合来确定。根据上述结构选型基本原则以及各种与本工程相关的技术条件,本工程选择如下结构类型:
- 结构体系:本次保利心语二期B栋采用钢筋混凝土现浇框架结构体系。
- 屋面结构:本次保利心语二期B栋采用现浇钢筋混凝土平屋盖,刚柔性相结合和屋面,屋面板厚120mm。
- 楼面结构:本次保利心语二期B栋全部采用现浇钢筋混凝土楼盖,板厚100mm。
- 楼梯结构,本次保利心语二期B栋采用现浇钢筋混凝土板式A型楼梯。
3.2梁、柱截面尺寸估算
(1)梁的最小截面高度h=(1/8~1/14)L[5],其中L为柱与柱之间或者柱与墙之间的距离。根据结构计算简图,L除个别梁外,较大跨度为4300mm,因此选择梁的高度为400mm,矩形截面梁的高宽比一般为2.0~2.5,故取b=200mm,其余跨度大于4300mm的梁则选用b×h=200mm×500mm的截面尺寸。
(2)框架柱截面一般采用正方形,根据《抗震设计规范》轴压比的要求,本结构抗震等级为四级,轴压比要求不大于0.9[6].
中柱:A==119930
取大部分柱的尺寸为400mm×400mm,其余部分柱的分得的承载面积较大的则采用450mm×450mm和500mm×500mm。
第4章 计算简图的确定
在现浇钢筋混凝土框架结构的楼面中,楼面板的钢筋和梁的钢筋是连接在一起,浇灌时是一起浇筑的,整体性比较好。在计算框架梁的截面惯性矩时,楼面板与梁有很好的连接,这样对梁的惯性矩有很好的影响。因此,当采用现浇钢筋混凝土楼面时,中框架梁I=2[4]。其中,为梁计算的惯性矩,=/12。i=EI/L, E为所用混凝土的弹性模量,L是梁的计算跨度。
选取②-②轴线所在的一品框架作为计算单元进行设计计算。框架构件在计算简图中均用单线条代表。竖向线条代表柱的形心轴所在位置,横向线条代表梁,取屋面板或者楼面板板面标高的位置。则二至七层的高度即为层高3m,柱的嵌固部位为基础顶,底层柱考虑基础埋深及室内外高差,=3m 0.5m 0.5m=4m。则计算简图如下图4.1所示。

图4.1 计算简图
- 梁的线刚度(N·mm)
楼层 | 梁跨 | (N/) | b×h (mm) | 计算跨度L(mm) | 截面惯性矩() | =2/L |
1-7 | BC | 3× | 200×400 | 4300 | 1.067× | 1.488× |
CD | 3× | 200×400 | 2900 | 1.067× | 2.208× | |
DF | 3× | 200×400 | 4300 | 1.067× | 1.488× |
- 柱的线刚度(N·mm)
楼层 | 层高(mm) | (N/) | b×h(mm) | () | =/ |
2-7 | 3000 | 3× | 400×400 | 2.133× | 2.133× |
1 | 4000 | 3× | 400×400 | 2.133× | 1.6× |
框架梁、柱线刚度计算简图如下图4.2

图4.2 框架梁、柱线刚度(×N·mm)
第5章 荷载统计
5.1恒载标准值
5.1.1 屋面恒载标准值
防水层(刚性):30mm厚的C20细石混凝土防水 1.0 KN/
防水层(柔性):三毡四油铺小石子 0.4 KN/
结构层:120mm厚的现浇钢筋混凝土板 0.12×25=3 KN/
抹灰层:10mm厚的混合砂浆 0.01×17=0.17 KN/
找平层:15mm厚的水泥砂浆 2×0.015×20=0.6 KN/
保温层:80mm厚的矿渣水泥 0.08×14.5=1.16 KN/
找坡层:40mm厚的水泥石灰焦渣砂浆3‰找平 0.04×14=0.56 KN/
合计 6.89 KN/
5.1.2 楼面恒载标准值
大理面层,水泥砂浆擦缝,30mm厚1:3干硬性
水泥砂浆,面上撇2mm厚的素水泥,水泥砂浆结合 1.16 KN/
层一道
结构层:100mm厚的现浇钢筋混凝土板 0.1×25=2.5 KN/
抹灰层:10mm厚的混合砂浆 0.01×17=0.17 KN/
合计 3.38 KN/
5.1.3 卫生间恒载标准值
防水层(刚性):30mm厚的C20细石混凝土防水 1.0 KN/
防水层(柔性):三毡四油铺小石子 0.4 KN/
结构层:100mm厚的现浇钢筋混凝土板 0.1×25=2.5 KN/
抹灰层:10mm厚的混合砂浆 0.01×17=0.17 KN/
找平层:15mm厚的水泥砂浆 2×0.015×20=0.6 KN/
找坡层:40mm厚的水泥石灰焦渣砂浆3‰找平 0.04×14=0.56 KN/
大理面层,水泥砂浆擦缝,30mm厚1:3干硬性
水泥砂浆,面上撇2mm厚素水泥,水泥砂浆结合 1.16 KN/
层一道
100mm厚素混凝土填充 0.1×24=2.4 KN/
合计 8.79 KN/
5.1.4 阳台恒载标准值
以上是毕业论文大纲或资料介绍,该课题完整毕业论文、开题报告、任务书、程序设计、图纸设计等资料请添加微信获取,微信号:bysjorg。
相关图片展示:









