门座起重机转台金属结构变形失效修复设计及设备管理对策与分析;毕业论文
2020-03-02 08:30:40
摘 要
现代港口门座起重机越来越趋向于高速化、自动化和智能化。随着科学技术的发展,用户对起重机的要求越来越高。但是起重机恶劣的工作环境以及高强度的工况,起重机很容易出现金属结构失效的情况。因此,在起重机发生了金属失效的状况下,如何快速准确的维修是使起重机可以尽快重新恢复工作的关键。与此同时制定合理的设备管理方案也可以大大减少这种情况的发生。
以MQ4038型门座起重机为研究对象,使用ANSYS软件对门座起重机转台进行了有限元分析,得出应力云图,通过分析应力云图得出转台上容易发生金属失效的地方,然后结合实际的金属失效状况得出合理的维修方案。制定出维修方案之后,对模型加以修改,再次进行有限元分析进行校核。最终根据以上结果和理论知识提出合理的设备管理优化建议,以保证起重机能在各种情况下安全高效的完成任务。
本文以有限元分析为基础,结合实际金属失效情况以及相应理论知识制定维修计划和设备管理方案。
关键词:门座起重机;转台;ANSYS;有限元;失效维修;设备管理;
Abstract
Modern port portal cranes tend to be faster, more automated, and more intelligent. With the development of science and technology, users are increasingly demanding cranes. However, due to the harsh working environment of cranes and high-strength working conditions, cranes are prone to failure of metal structures. Therefore, under the condition of metal failure of the crane, how fast and accurate maintenance is the key to make the crane resume its work as soon as possible. At the same time, the establishment of a reasonable equipment management program can also greatly reduce the occurrence of this situation.
Taking the MQ4038 portal crane as the research object, ANSYS software was used to perform the finite element analysis on the turntable of the portal crane, and the stress cloud diagram was obtained. By analyzing the stress cloud diagram, the metal failure that is likely to occur on the turntable was obtained, and then the actual metal failure status was combined. Get a reasonable maintenance plan. After formulating the maintenance plan, the model was modified and the finite element analysis was again performed for verification. Finally, based on the above results and theoretical knowledge, a reasonable proposal for equipment management optimization is proposed to ensure that the crane can complete the task safely and efficiently under various conditions.
This article based on the finite element analysis, combined with the actual metal failure and corresponding theoretical knowledge to develop maintenance plans and equipment management programs.
Key Words:Portal Crane; Turntable; ANSYS; Finite Element; Failure Maintenance; Equipment Management;
目 录
第1章 绪论 1
1.1研究目的及意义 1
1.1.1研究目的 1
1.1.2 研究意义 1
1.2国内外研究现状分析 1
1.3有限元分析 2
1.4 课题主要工作 3
第2章 起重机概述 4
2.1门座起重机简单介绍 4
2.1.1门座起重机发展简史 4
2.1.2 门座起重机的工作机构 5
2.1.3 起重机结构 5
2.2 起重机参数简单介绍 5
2.4 本章小结 8
第3章 转台的建模和分析 9
3.1 有限元分析软件ANSYS 9
3.1.1 ANSYS软件的技术特点 9
3.1.2 ANSYS建模分析步骤 9
3.2转台模型建立 10
3.3 有限元分析 10
3.4本章小结 13
第4章 金属失效及维修 14
4.1 码头背景及失效形式 14
4.1.1 码头背景 14
4.1.2 失效形式 14
4.2损伤原因 17
4.3维修方式 17
4.3.1 焊缝修复 17
4.3.2 添加肋板 19
第5章 设备管理对策分析 20
5.1设备管理概述 20
5.1.1设备管理面临的挑战 20
5.1.2提升设备运行价值的关键措施 21
5.2从转台的失效修复到设备管理的对策 21
5.2.1设备的监测 21
5.2.2设备的维修管理 21
5.3设备管理模式的评估 22
第6章 环境影响与经济性分析 24
6.1环境影响分析 24
6.2经济性分析 24
第7章 总结与展望 25
7.1全文总结 25
7.2展望 25
参考文献 26
致 谢 28
第1章 绪论
1.1研究目的及意义
1.1.1研究目的
随着中国经济的高速发展,各主要港口的货物吞吐量不断增加,港口业务日益繁重。港口起重机作为码头最常用的装卸设备之一,由于其价格高,更新换代成本高,过期服务日趋严重。接近或超过年度或超负荷的使用门式起重,有很大的安全风险。一旦发生门机事故,将给企业和操作人员带来巨大损失和危险[16]。
本文的研究正是以起重机转台为对象,分析转台金属结构变形失效的原因,来解决转台金属结构失效带来的威胁与损失。
1.1.2 研究意义
中国自21世纪初加入世界贸易组织以来,国际贸易迅速发展。港口运输业在其推动下迅速推进。同时也推动了大型港口机械设备的发展。门座起重机被用作港口码头的常用机械设备。它们具有操作效率高,堆放和搬运操作方便,施工成本低,操作灵活性和多功能性等诸多优点。这些优势使港口门式起重机广泛应用于中国主要港口码头。近年来,随着科技与工业的高速发展和国与国之间商贸的竞争,这种情况下对门座起重机有了更多的要求,因此制造港口门座起重机正朝着高速,大规模,智能化发展的方向发展,进一步适应市场竞争的需要[16]。
需要提升港口设备的利用率,并且同时扩大经营的国规模,有效保证作业的安全有序,避免重大安全事故的发生,是各个港口的意愿。门式起重机是港口装卸作业的常用设备。它具有重复工作、周期性、冲击载荷大、起动和制动频繁等特点。它是码头关键的装卸设备,它的安全性,受到各港口的高度重视。
而转台是起重机必不可少的一部分,转台金属结构的失效会对起重机造成巨大的影响,会降低工作效率并且增加安全隐患。所以金属结构的变形失效修复设计及设备的管理尤为重要。
1.2国内外研究现状分析
在经济的发展建设当中,起重机械产业发挥着举足轻重的作用。我国起重机械行业生产的设备主要有轻型和小型起重设备、起重机、固定式起重机(架桥机、履带起重机、塔式起重机以及全地面起重机等) 、升降机 、工作平台以及各类型机械式停车设备。目前社会生产、建设对于起重机械产业有着很大的依赖,为了满足相关行业对于起重机械装备的需求量,需要进一步推动了起重机械产业的
标准化发展。目前,我国起重机械行业的年产值、起重机销量及出口额呈现出逐渐增长的态势。除国内市场外,我国的起重机械产品开始得到了欧美国家的认可,充分说明我国的起重机械行业的发展已经逐渐达到国际标准,具有良好的发展前景。但是,相较于国外的起重机设计制造行业,我国起重机行业的发展还稍显稚嫩,在各个方面还显露出很多不足之处。
近年来,国外的起重机行业发展已臻至成熟,在制造行业到达了瓶颈期,而国内企业与之相比,在标准化和专用化方面还不完善,技术方面还不够成熟,设计水平,工业技术水平和产品可靠性还存在不小的差距。其中最明显的就表现在我国还无法生产超大型起重机,这类产品,我国依旧需要靠进口。
当前,国外起重机大致有以下几个特点:
(1)设备结构简化,自重小,生产成本低;
(2)产品专用化和标准化程度高;
(4)新材料与新技术的使用。
国外起重机行业发展较早,现已到达成熟,再继续改进制造业成效已不大。在生产方面,近年来国外起重机行业更加注重新型材料的运用,以减轻自重和降低生产成本,增大经济效益。在设计方面则对数据总线管理系统和模块单元化设计倾注了大量的精力。相对来说,国内起重机行业发展还有进步的空间,自从国标出台之后,国内机械行业和生产行业迎来了小春天,接下来国内应该是攻克超大型起重机制作设计,达到吨位两级化和智能化以及专业化,赶超国外。
1.3有限元分析
有限元法的基本思想是用相对简单的问题代替复杂的问题,再进行求解。它认为该解是由多个称为有限元的小连通子域组成的,假设近每一个单元的解是一个近似解,然后推导出接触域的一般条件,从而得到问题的解。该解不是问题的精确解,而是近似解,有限元不仅具有较高的精度,而且能适应各种复杂的形状,所以成为了有效的工程师结构分析手段。,现在被广泛应用于机械制造制造、维护以及制造的过程中。有限元分析是用的软件包括ANSYS、adams等。本文中使用的事ANSYS进行有限分析[21]。
有限元法的基础是离散化。 通过根据结构的实际情况选择合适的单元形状、数量、类型、大小和排列形式,将数个有限区域的集合当做分析对象。假设这些单元通过几个离散点在边界上互相连接,基本的未知参数将由这些节点的位移组成。物体的离散化如下面的图1.1和图1.2所示。 整个待分析的管道分为数个四边形或三角形弯曲单元[23]。

图1.1管道整体                            图1.2 离散化
1.4 课题主要工作
门座起重机与港口的作业效率直接相关,不仅要着重于门座起重机的研发和改进,而且要注意起重机在工作过程中的损坏和金属故障,并充分理解它。 降低安全风险。对门式起重机结构进行深入的分析是获取易损件的途径之一,对于提高整个港口运营的安全性有很大的帮助。
本次课题是在基于有限元分析的方法上,以MQ4038起重机的转台为研究对象,根据它的实际工况,利用有限元分析软件ANSYS对其进行静应力分析。本次课题只考虑额定载荷工况下的转台结构的静应力进行了建模和分析,并通过软件对转台结构的应力进行了研究,得到了转台结构的应力云图,最终对已知的金属失效形式提出合理的维修方案,以及设备管理方法,以让起重机的正常作业更加安全高效。
本文以MQ4038起重机的转台为研究对象,以有限元方法和有限元分析软件ANSYS为理论和工具,主要工作如下:
(1)介绍门座起重机的基本参数,通过已有的转台工程图,为有限元建模做准备;
(2)对转台进行建模,导入ANSYS软件;
(3)利用软件对模型整体划分网格;
(4)在加载了约束和载荷和情况下对有限元模型进行静应力分析;
(5)得出应力结果,找出应力集中点;
(6)对相关失效形式提出合理的设备管理方案。
第2章 起重机概述
2.1门座起重机简单介绍
2.1.1门座起重机发展简史
1980年,第一次在一个狭窄的码头上安装了一个固定的、不可撤销的旋转臂起重机,成为了早期的港口半门起重机。跟随着码头的不断发展与壮大,门座起重机和半门座起重机一起发展,通常采用水平变幅和俯仰吊臂系统[24]。
在发展过程中,门座起重机还逐步推广到了工作环境与港口相似的其他工作地点,进一步发挥它强大的装卸功能。此外,随着港机的进步,它的适用范围和工作效率都得到了飞速地发展。
第二次世界大战后,港口的门式起重机迅速发展起来,以促进同一艘船上多台起重机的并行操作。 通常采用旋转柱式门式起重机,其旋转部分与柱体连接,或者旋转部分穿过大轴承。 连接到门座的滚动轴承支撑旋转装置以减小旋转部件的尾随直径,并且采用减少码头的盖面的门座结构。
工作机构、电气系统(包括电气控制、电器、电源)和金属结构是门座起重机整机的三个部分[25]。其总体结构如图2.1所示。
图2.1 门座起重机的整体结构
1-行走机构;2-圆筒门架;3-转台;4-起升机构;5-人字架;6-配重系统;7-大拉杆铰支座;8-大拉杆;9-小拉杆;10-臂架铰支座;11-变幅齿条;12-主臂架;13-象鼻梁;14-吊重
2.1.2 门座起重机的工作机构
旋转机构、变幅机构、运行机构、起升机构等是门座起重机的主要工作机。
起重机在水平范围内的旋转是由旋转机构完成的,这样可以满足不同方向工况的需要。旋转驱动装置和旋转支撑装备两部分组成了旋转机构。
变幅机构是门座起重机的另一种基本结构。它使起重机的工作范围更大、更灵活。它可以将货物的中心沿水平线移动或靠近水平线[26]。
运行机构可以让起重机沿轨道来回运动,运行支撑装置主要由车轮、均衡器、轨道等组成,驱动装置主要由电机和减速器组成[27]。
起升机构是起重机最基本的结构。它主要由驱动装置、卷绕系统、制动装置、传动装置和取物装置等部分组成[28]。
2.1.3 起重机结构
臂架系统,人字架,转台系统和门架系统是门座起重机的几个结构。
臂架系统通常分为两种类型:单臂系统和组合臂架系统。主要根据用户对门式起重机的实际要求使用哪种类型[29]。四连杆组合式门座起重机最大的优点是悬臂下方的净空高,所以在一定的高度要求下,起重机总高度可以较低,但结构较为复杂,重量较大,而单臂门座起重机则恰恰相反。目前,大多数以前的类型都在中国使用。
人字形机架设置在转台上,与臂架底座、绳索系统、变幅机构底座、组合臂支柱和与平衡梁匹配的平衡杆支撑密切相关。 除了转弯部分的金属结构部件之外,它还配备了起升和回转机构,这是起重机的主要部件之一[22]。
门架系统主要支持起重机非旋转部分的力和力矩。足够的强度和刚度是门架的重要属性之一。门架结构形式为:交叉门框、八支撑门框、圆柱门框。前两种是用于柱吊,而后者是用于大型轴承转盘起重机[30]。
本文中以MQ4038型门座起重机的转台为研究对象,对其进行静应力分析。
2.2 起重机参数简单介绍
MQ4038型门座起重机采用转盘式回转支撑系统和圆筒门架结构,它的最大幅度是40米,额定载荷为38吨。
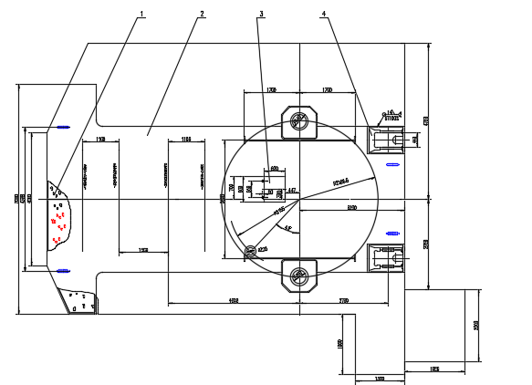
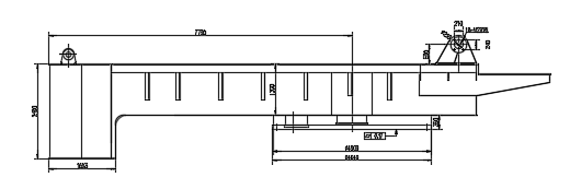
MQ4038门座起重机工程图如图2.2所示。
图2.2 MQ4038门座起重机工程图
2.3 转台结构
MQ4038门机转台由圆筒门座系统支撑,与人字形结构和臂架系统连接。它是整个MQ4038旋转机构的支撑,其受力情况也更为复杂。
其主体部分主要由不同厚度的Q235钢板焊接而成,转台中间的旋转机构是外啮合旋转轴承和起动齿轮副。转台结构焊缝需要保持连续性,外部焊缝需要光滑、无渣、切边、裂纹等缺陷[31]。

转台结构建模的关键是仔细研究工程图,熟悉各板块的位置和厚度。另外,转台上有两个支座,有两个主臂,后部还有升降机构和变幅机构支架,需要支撑,这些支座和支撑应该准确记录,以便于后续建模的顺利进行[22]。
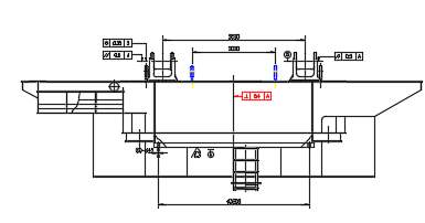
图2.3 门座起重机转盘工程图
1-混凝土;2-转台;3-人孔盖;4-臂架支座
2.4 本章小结
本章主要就门座起重机的基本知识和MQ4038起重机的一些基础数据,其中包括门座起重机的发展简史、重要工作机构、重要结构等。同时也介绍MQ4038起重机的一些参数,如最大幅度以及额定载荷等。最后重点介绍了MQ4038转台结构,为以后的有限元分析打下了基础。
第3章 转台的建模和分析
3.1 有限元分析软件ANSYS
目前世界上最大的有限元商业应用是ANSYSY。它是集流体、电场、磁场、结构和声场分析于一体的通用有限元分析软件。自1970年ANSYS成立以来,经过30多年的不断改进和修改,它已成为世界上最流行的应用[23]。ANSYS软件的最新版本是ANSYS18.0。本研究项目使用的版本是ANSYS15.0。
该应用程序的主要功能是最新的计算机硬件和软件开发水平,并且功能丰富目前,CAE技术有很多种,包括有限元法、有限差分法、边界元法和边界元法。不同的方法应用于不同的领域,它所涉及的领域越来越多。ANSYS有限元软件是一种可用于解决结构、流体、电气、电磁和碰撞问题的多功能计算机设计程序。
以上是毕业论文大纲或资料介绍,该课题完整毕业论文、开题报告、任务书、程序设计、图纸设计等资料请添加微信获取,微信号:bysjorg。
相关图片展示:








        
            
