教室人员流量监测系统设计毕业论文
2020-02-18 11:56:15
摘 要
随着人们生活中消费能力及各方面水平的提高,高科技的物联网系统已经逐渐渗透进大家的工作、学习与日常的生活之中。科技在不间断的发展,智能的环境监测物联网系统也与日俱进,可以逐步取代某些曾经由人工完成的工作,为大家的生活提供了很大的方便。其中,环境的监测与预警更是重中之重,可以在必要的时候,及时了解相关场合的现场实际情况,实时掌握信息,预防突发事件。
本设计基于Arduino的开源硬件电子设计平台,与相应的物理传感器结合,完成教室的人员流量监测,并且对教室环境的温湿度进行检测。同时本设计可以在云平台或者显示屏上有选择的看到所监测的数据,方便相关人员了解情况。本设计不仅可以应用到学校,还可以在人员流动大的公共场所中得到广泛应用。该设计的普及会极大的方便人们的生活,并且可以从一定程度上降低安全事故发生的概率。
本设计打破了以往环境监测系统的局限性,既可以实时当地查看,也可以远程云端即时查看,并保留一段时间内的数据变化,可以适应绝大多数的环境需求。
关键词:Arduino,人员流量,温湿度,云平台
Abstract
With the improvement of people's spending power and various aspects in their lives, the high-tech Internet of Things system has gradually penetrated into everyone's work, study and daily life. With the continuous development of science and technology, the intelligent environment monitoring Internet of Things system is also advancing with the times, and it can gradually replace some of the work that has been done manually, which provides great convenience for everyone's life. Among them, environmental monitoring and early warning is the most important thing. When necessary, we can timely understand the actual situation of the relevant occasions, and grasp the information in real time to prevent emergencies.
This design is based on Arduino's open source hardware electronic design platform, combined with the corresponding physical sensors, to complete the classroom personnel flow monitoring, and to test the temperature and humidity of the classroom environment. At the same time, the design can selectively view the monitored data on the cloud platform or the display screen, so that relevant personnel can understand the situation. This design can be applied not only to schools, but also to public places where people are mobile. The popularity of the design will greatly facilitate people's lives, and can reduce the probability of security accidents to a certain extent.
This design breaks the limitations of the previous environmental monitoring system. It can be viewed in real time or remotely in the remote cloud, and retains data changes over a period of time, which can adapt to most environmental needs.
Key words: Arduino, personnel flow, temperature and humidity, cloud platform
目录
摘要 I
Abstract II
第1章 绪论 1
1.1课题研究的背景 1
1.2国内外研究现状 1
1.3课题研究的意义 2
1.4 Arduino平台 3
1.5研究内容及章节安排 4
第2章 设计总体方案 5
2.1设计要求 5
2.2硬件电路的概述 6
2.3软件程序的概述 6
第3章 系统硬件设计原理 8
3.1 Arduino Uno板 8
3.2温湿度测量部分 10
3.3人员流量计数部分 12
3.4 LCD显示部分 14
3.4.1模块选型与工作原理 14
3.4.2 LCD四线接法 16
3.5开关选择部分 17
3.6 Wifi云平台部分 17
第4章 系统软件设计 20
4.1总体设计思路 20
4.2温湿度测量部分 21
4.3 LCD显示部分 22
4.4 Wifi上传部分 23
4.5其他部分 25
第5章 系统调试 26
第6章 结论 28
致谢 29
参考文献 31
附录 33
第1章 绪论
1.1课题研究的背景
随着社会的发展,时代的进步,人们对环境智能化的需求越来越强烈,环境的监测与突发情况的预防越来越受到大家的关注。其中,环境监测中的物理指标的监测更为常见,运用传感器,计算机等手段,测定,监控,并且反映环境状况及环境变化,可以让相应的管理人员更加清楚的掌握环境实时的状况。在高校等人员流量密集的场所,如健身房、幼儿园、火车站、餐饮场所等,及时掌握实时的环境状况和相关信息是十分有必要的。目前,人们平时的工作与生活已经占据了大部分时间,耗费大部分精力,在这种情况下,人们更加期待以往许多人工完成的工作,可以由智能系统、智能机器人、智慧信息管理系统等替代。
物联网是一种概念,它将客户端扩展到任何基于“互联网概念”的信息交换和通信项目[1]。麻省理工学院自动识别中心的教授在研究RFID时提出了物联网这一概念,在2005年,国际电信联盟(ITU)发布报告,这时起,物联网所覆盖的范围开始扩大。它不像以前那样,只依赖于RFID技术。智慧物联网不但会逐渐与智慧交通、智慧城市、环境保护、公共安全、节能减排、智能家居等结合,也会大力推动城市的经济发展[2]。
现阶段,信息化时代正在蓬勃发展,智慧物联网在生活中的应用随处可见,如安防、家居、教育等等方面[3]。智慧物联网系统将以往不易于收集掌握的大量信息通过网络收集整理,方便人们进行监测和控制,并在出现紧急情况时及时采取有效措施。基于Arduino平台开发的物联网系统具有低功耗,价格低廉,灵活性强等优势,非常适合用于日常环境信息的监测与收集,在辅助教学管理方面也具有很强的实用性。Arduino与相关传感器结合,采取模块化的方法设计,可以使其成为一个智能化,信息化的完整的系统。教室人员流量监测系统,可以为人们的生活提供安全、可靠、便利的智能实时监测,为高校管理人员提供便捷,准确的信息。
1.2国内外研究现状
2009年8月,“感知中国”概念被提出。无锡是第一个建立“感知中国”研究中心的城市。中国科学院,相关运营商和进行合作的大学在无锡成立物联网研究所。自此,物联网被正式的列为新兴战略产业。 物联网受到了全社会的高度重视,逐渐在中国快速发展起来,融入人们的生活之中。
在国内,基于物联网的智能环境监测系统广泛用于家居方面,如广州汇景新城,上海怡东花园等小区。目前,有许多新建的智慧家居物联网小区,通过物联网系统,监控家内的温湿度等各项环境信息,在远程云端查看家中情况,极大的方便了上班族。同时,在国家教育信息化2.0背景下,智慧教室此类环境监测系统也已陆续走进校园,许多幼儿园、小学开始通过智慧物联网系统进行上下学打卡、布置作业、课堂教学、远程监控等等。同时,现阶段,国内企业正在芯片等零部件的关键技术上寻求突破,以掌握物联网环境监测系统的核心。目前国内已出现清华同方“e-Home数字家园‘,海尔’e家庭’,科隆”现代信息服务集散控制系统“等系统[4]。在保证实用性的前提下,国内企业正努力创造节约能源,技术创新,更智能的环境监测系统,并确保此类产业的可持续发展。诸如人员流量监测系统等智慧环境物联网系统,正在持续进步,并且逐步投入实际使用之中,目前使用的范围还比较小。
在国外,自美国IBM公司在2008年智慧地球战略中提出“把感应器嵌入各种物体之中”,2009年全球物联网会议上介绍了《欧盟物联网行动计划》后,各国都开始研究基于物联网的环境监测系统。比如意大利和英国的公共汽车,通过统一监控系统实时查看公交车的人员流量,这也是一种智慧物联网系统。在新加坡,目前有接近30个小区,总数为5000户的居民安装了“智能化物联网系统”,可以远程监控家庭情况,并且通过互联网远程控制家中的某些智能家具,出现特殊情况时,可以及时报警,避免重大损失。美国有将近40000户居民安装了这一类的“智能环境监测系统”,由于美国家庭大多数距离市区较远,此系统在医疗救急方面的作用尤为显著。日本为了实现u-Japan战略,即物联网发展战略,对社会资源进行了更为合理的调整, 现阶段已有水质,家居,医疗等环境监测系统投入使用。
1.3课题研究的意义
现在,人们对于环境监测系统信息化的要求随着科技的发展不断提高。人们更希望可以及时了解所处环境的信息,例如人员流量、温度,等等。这对于大家规划个人出行,根据实际情况及时调整个人安排,都有很大的帮助。对于不同环境的管理人员来说,智能且响应迅速的人员流量监测系统、环境监测系统,更是为环境安全提供了极大的保障。对于无专人看守和管理的人员流量大的环境,监测系统信息更新的即时性也非常重要。随着社会的发展和人们生活节奏的加快,越来越多的公共环境,需要一个实用、可靠、且能及时更新的人员流量监测系统。
高校中,学生数量基数大,课程安排复杂紧凑,对教室资源的合理利用尤为重要。监测教室中的人流量,有利于教师掌握上课情况,方便楼管人员管理教室,也为学生们选择自习教室提供有效的实时信息。在教室等人群密集的场所,尤其需要注意环境的安全和卫生。在室内外环境差异较大时,采集教室温湿度情况,相关管理人员可以及时调节空调等控温设施,对教室内储存的物品进行维护,从而保证教室环境的安全与舒适。管理人员也可以及时了解到每个教室的人员流量,对资源进行合理调度,预防火情和踩踏事件的发生。本设计既方便了学生和老师及时了解教室情况,合理规划个人安排,也方便了校园管理人员掌握教室人员流量和温湿度等重要信息。
本设计目前实现的功能是监测教室的人员流量,并且对温湿度进行测量,既可以显示在LCD显示屏上,又可以上传数据到云平台,方便远程实时查看。本设计还可以在很多场合发挥作用,比如在工厂中,对生产线的产品计数,测量产品的温度、湿度。本设计也可以用于门卫报警系统,比如对景区中的人员流量进行统计,用于高考考场温湿度和考生人数统计也非常实用。这类应用对于硬件设备的要求不是很高,可以降低成本。另外,如果将此设计应用于教室,还可以增加许多附加功能。例如,可以在系统中增加火情报警部分,一旦发现火情立即发出警报,还能将紧急情况通过云平台上传到校园管理平台,管理人员可以及时发现并处理火情;还可以添加附加功能,使其成为一个教室综合控制系统,实现全面、多重角度监测教室的智能监测系统,并且能够利用云平台技术将相关信息同步,实时远程查看。本设计十分符合目前智能应用技术的发展趋势,并且具有十分广阔的发展前景和实用性。
1.4 Arduino平台
Arduino是一种方便实用的开源电子平台[5]。它包括硬件和软件,硬件部分是各种各样的Arduino板,有官方发布的,也有个人设计的,可以与各种传感器相连接。软件部分即是软件Arduino IDE,可以通过该软件下载程序给板。它的开发语言与Java、C 、C语言等等有异曲同工之妙。
Arduino板与各种各样的传感器连接之后,可以十分准确的检测环境中的物理信息、化学信息等等,同时通过控制开关、LED灯、继电器、马达和其他的物理装置来反馈、影响环境。通过Arduino的编程语言,在编写程序后,由板子上的微处理器编译,再进行烧录。Arduino有以下几个优点:首先,它可以跨平台操作,其软件在三大操作系统上都可以无障碍运行,随时随地在不同设备之间切换开发,十分便捷。其次,对于没有接触过开发、编程的初学者来说,它很容易学会,因为它具有很强的灵活性。即使是没有编程基础的普通中小学生,也可以轻易上手,快速的进行开发。对Arduino进行深入学习后,可以设计自己的作品,其成果很快就可以实现,适当调整后可以很快的投入使用。在实际使用中,如果有需要改变或升级的部分,也可以方便快速的进行修改和更换。现阶段,Arduino这款开源平台在全球兴起,同时它也是一个实用可靠的开发平台。Arduino的开发方法非常简单,使越来越多的学习者更加注重创造性和实用性,可以更迅速地实现自己的项目开发,开发周期缩短,学习成本降低。因为Arduino拥有的种种优势,更多的人通过使用 Arduino进入物联网等开发领域,它在目前物联网的设计应用上也占有一席之地。
1.5研究内容及章节安排
根据教室人员流量监测系统期望实现的功能,选择合适开发平台的同时,本文还会详细介绍硬件设计部分的原理及设计思路、软件部分的程序设计逻辑以及最终的实物所实现的功能。
本次设计的硬件基础是Arduino Uno开发板和一系列传感器,在此开源平台上搭建教室人员流量监测系统,不仅可以测量教室的人员流量,还可以监测教室的温湿度。
依据上述介绍,本文的每章重点安排如下:
第2章:介绍设计的总体思路,包括实物电路和程序设计。
第3章:介绍设计中硬件模块的选型与原理。
第4章:介绍设计的程序部分。
第5章:展示本设计的调试过程,实现设计目标。
第6章:总结。
第2章 设计总体方案
2.1设计要求
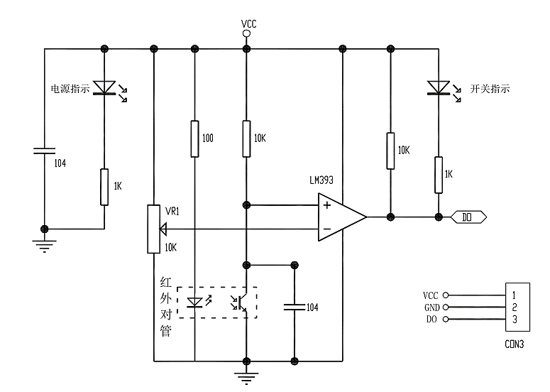
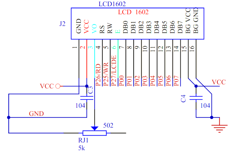
在学习Arduino平台设计方法,熟悉其软硬件操作以后,设计出教室人员流量监测系统,该系统应实现的功能为:利用红外传感器计数进入教室人数,利用温湿度传感器测量温湿度信息[6]。监测的数据既可以显示在LCD,又可以通过WiFi上传数据到云平台,方便实时远程查看。联系实际,利用Arduino开发板做出实物,模拟此监测系统计数和测温湿度等功能。设计过程中,应该注意实现以下几点:
1. 掌握Arduino系统的开发流程,选择合适的Arduino开发板
2. 设计此系统组成结构,提出合理的系统设计 方案
3. 完成本设计的硬件设计,传感器选型
4. 完成软件设计,包括红外计数部分,温湿度测量部分,LCD显示部分,WIFI上传部分和开关选择部分
5. 对实物系统进行调试,完成应有的功能
6. 完成此系统电路连线图,程序流程图的绘制
本次设计,所用的云平台采用乐联网云平台,温湿度测量采用DHT11模块,WIFI上传拟采用ESP8266 WIFI模块,红外计数拟采用一对5mm红外发射头与接收头,显示部分拟采用LCD1602显示屏,开关选择部分采用TTP224电容触摸式四路开关,以实现设计目标。其整体框架图如下。
图2.1 系统整体框架图
2.2硬件电路的概述
本设计的硬件可以分为以下几个部分:
1.Aduino板
2.Wifi上传模块
3.温湿度测量模块
4.红外计数模块
5.开关控制模块
6.LCD显示模块
为了实现以上的几个功能,现在设计硬件电路的每个部分。硬件设计的总体思路是将各个功能分模块,每个模块负责相对应的功能,最后再总成到一起,这样不仅有助于高效率地设计硬件电路,让硬件电路更加有条不紊地运行,而且更方便了对各个功能进行过检测和调试,大大减轻了设计的难度,同时增加了容错性。
首先,在熟悉Arduino Uno开发板的基本结构后,了解其输入输出口,电源口与接地口,基本的操作注意事项和安全须知后。尝试运行Arduino IDE软件中已有的示例程序,了解基本操作流程。本设计,首先试验红外传感器测量人员流量部分,用到了2个 红外线对管,安装在教室的前门后门,其中1个 红外对管安装在前门,在接受到返回的红外射线时,人数增加,反之同理。紧接着,试验DHT11温湿度传感器,测量环境内的温湿度,了解其接线和原理。接下来,熟悉LCD1602液晶显示屏的原理,通过例程测试其基本的一些显示功能,尝试与红外传感器或者DHT11温湿度传感器相连接,显示单独数据。同时,充分了解Wifi模块的使用方法 ,了解其与云平台相连接的具体流程,试验多个云平台后选择最为合适的云平台。在这些部分都试验成功后,将各个部分都综合到一起,整体调试,并且根据本设计的实际使用需求再做细节上的调整。
以上所有硬件部分的试验、设计与调试,都在清楚理解并且掌握相关传感器原理的条件下,才开始设计。这样,在出现状况时,排查问题思路会更加清晰。并且,硬件部分的连线图通过Fritzing软件进行绘制,需要熟悉并且学会其设计步骤和操作流程。
2.3软件程序的概述
本设计需要在Arduino IDE软件内编写程序,紧接着编译并且烧录到Arduino Uno开发板上。其中,所用的编程方法风格上类似C、C 。参考Arduino的详细编程教学,很快就可以上手[7]。另外,由于Arduino IDE内本身有很多例程,通过对例程语句的充分分析,可以学到许多对本次程序编写有用的编程思路与语法规范。在对Arduino编程方式与相关软件进行充分学习后,结合本次设计的实际功能需求,按照以下流程图进行程序编写。
首先,根据上一节划分的模块进行程序编写,结合硬件,单个模块的进行调试,先将每个模块的软硬件结合试验功能,再对程序部分进行总和,编译成功后进行烧录。系统软件程序部分的流程示意图如下。
以上是毕业论文大纲或资料介绍,该课题完整毕业论文、开题报告、任务书、程序设计、图纸设计等资料请添加微信获取,微信号:bysjorg。
相关图片展示:









