葡萄糖分析检测仪的系统设计毕业论文
2020-04-15 21:22:38
摘 要
发酵产业正处于一个加速升级、转变的关键时期,由于不能够实时采集各种菌体浓度变化,给在线优化控制反应过程带来巨大的困难,影响了发酵产业的发展和产品质量的提高。研制能够精准检测发酵过程中浓度测量仪器至关重要,,对提高反应效率,减少资源耗费具有重要意义。本论文以葡萄糖发酵过程作为研究对象,开展葡萄糖分析检测仪的系统设计与实现。
本次毕设主要分为四个模块,分别是电源模块,三电极检测模块,电机模块,上位机模块。实现的主要功能就是当按下上位机的开始按键后,单片机控制三路电机开启启动,进行清洗、搅拌、排出,同时通过三电极检测电路将检测的电流信号转化为电压信号,经过模数转化等一系列的计算转化为浓度,用上位机显示出来。
关键词:微生物发酵、生物传感器、葡萄糖分析检测、数据通信、
System Design of glucose Analysis detector
Abstract
The fermentation industry is in a critical period of accelerated upgrading and transformation. It is difficult to optimize the reaction process online because of the inability to collect all kinds of bacterial concentration changes in real time. It is very important to develop an instrument to accurately detect the concentration in the fermentation process, which is of great significance to improve the reaction efficiency and reduce the resource consumption. In this paper, the glucose fermentation process is taken as the research object, and the system design and implementation of glucose analysis detector are carried out.
This design is mainly divided into four modules, namely, power module, three-electrode detection module, motor module, upper computer module. The main function is that when the starting button of the upper computer is pressed, the single-chip microcomputer controls the three-way motor to start, clean, stir and expel, and at the same time convert the detected current signal into the voltage signal through the three-electrode detection circuit. After a series of calculations, such as modulus conversion, into concentration, it is displayed by the upper computer.
Keywords: ferment、biosensor 、Concentration detection、communication
目录
摘 要 I
ABSTRACT II
第一章 绪 论 1
1.1引言 1
1.2课题研究背景及意义 1
1.3葡萄糖生物传感器的进展 2
1.4本章小结 4
第二章 葡萄糖生物传感器分析 5
2.1传感器的工作原理 5
2.2传感器的系统设计 5
2.3传感器的材料选择 6
2.4本章小结 7
第三章 系统结构分析 8
3.1系统结构总体设计 8
3.2分析检测硬件电路设计 8
3.2.1三电极检测电路设计 8
3.2.2生物传感器电极设计 10
3.2.3三路电机模块设计 11
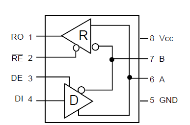
3.2.4 RS485通信接口设计 12
3.3本章小结 13
第四章 分析检测系统软件设计 14
4.1程序的编写与调试 14
4.2电机驱动程序 14
4.3 AD采集程序 14
4.3通信程序 16
4.4定标程序 17
4.5本章小结 20
第五章 系统初步调试 21
5.1 系统测试概论 21
5.2 系统测试数据分析 23
5.3 实验展示 25
5.4 改进方案 27
5.5本章小结 27
第六章 总结 28
参考文献 29
致谢 31
附录一 硬件原理图 32
附录二 程序源码 33
第一章 绪 论
1.1引言
葡萄糖是一种醛糖单糖,在光合作用和呼吸作用过程中发挥着重要的作用,在大多数生物中作为能量储备和代谢燃料。作为单体和更复杂结构(例如多糖和葡糖苷)的一部分,葡萄糖在现代食品中也起主要作用,早在到公元800年,蔗糖加工来提取糖作为调味品,并且一度供不应求。葡萄糖在临床上作为人体是否健康的重要指标,在公元前230年和公元500年,两位印度医生就提出了糖尿病的概念,在生活条件愈发好的今天,糖尿病更是屡见不鲜。
因此,检测葡萄糖是十分必要而且有意义。它不仅可以给发酵过程参数指标,在未来的发展过程中甚至可以应用于医学领域,具有远大的前景。葡萄糖常见的检测方法有滴定法[1]、色谱法[2]、电化学酶生物传感器法[3],本文主要以电化学生物传感器为核心,制作一个方便简单的葡萄糖分析检测仪。
1.2课题研究背景及意义
在我国,生物传感器拥有巨大的商业市场,其中85%的都被国外品牌所垄断,而,国内技术上缺乏突破、专利申请量极少[4]。因此制备具有自主知识产权、高性能、稳定性好的传感薄膜并开发其对应的生物传感器件,对民族品牌的发展和市场的实际需求都具有重要的意义和价值。本文以发酵产业为主要研究方向来开发生物传感器。
生物功能性敏感基元(例如抗体,酶,细胞)是生物传感器的重要组成部分。
以上是毕业论文大纲或资料介绍,该课题完整毕业论文、开题报告、任务书、程序设计、图纸设计等资料请添加微信获取,微信号:bysjorg。
相关图片展示:









