皮带机软起动控制器设计毕业论文
2020-08-13 20:47:33
摘 要
电动机软启动器是针对大容量电机在启动过程中产生过大的启动电流的现象而采用的启动辅助装置。传统的软启动装置有星三角启动器、定子串电阻启动装置、定子串电抗启动装置等。新型的启动装置有变频器和晶闸管电动机软启动器等。本文要研究的是晶闸管电动机软启动器,它不仅有效的解决了电动机启动过程中电流冲击与转矩冲击的问题,而且相比于变频器更加的适合与皮带机等机械工况,并且更加的经济。它通过控制晶闸管的导通角来控制电压的平均值来控制启动时电动机的启动电压,这样通过控制电动机启动时的启动电流,使电动机加速平缓,减小启动电流对电网电压的冲击,也避免了启动时对电机的转矩冲击,从而起到保护设备的作用。
本文在查阅,分析了国内外的相关的软启动器的技术的基础上,首先分析了交流电机的软启动控制方案,对比了多种软启动方案的优缺点,然后结合实际应用需求以及应用场合选择了晶闸管电动机软启动器的设计方案。
本文要设计的是一个关于皮带机软启动器的系统,因此需要搭配PLC与触摸屏来构成整个集散系统。整个系统的硬件部分包括了PLC、软启动器、HMI、以太网、RS485总线、模拟量输入/输出通道、数字量输入/输出通道等。
通过仿真表明,软启动器可以有效的控制启动电流的大小,达到平缓启动的效果。而且控制方式简单,智能化程度高,达到了交流电机的软启动性能要求。
关键词:软启动器;晶闸管
Abstract
The motor soft starter is a starting aids for high-capacity motors that generate excessive starting currents during start-up. The traditional soft start device has star delta starter, magnetically controlled starter, stator string reactance starting device. The new starter has a frequency converter and a thyristor motor soft starter. This article is to study the thyristor motor soft starter, which not only effectively solve the motor start during the current shock and torque impact of the problem, and compared to the inverter is more suitable with the belt machine and other mechanical conditions, and more economic. It controls the start voltage of the motor by controlling the average value of the voltage by controlling the conduction angle of the thyristor so that the motor can be gently accelerated by controlling the starting current of the motor, avoiding the impact of the high current on the power grid and avoiding the start When the impact of the motor, which play the role of protection equipment.
Based on the analysis of the relevant soft starter technology at home and abroad, this paper firstly analyzes the soft start control scheme of AC motor, compares the advantages and disadvantages of various soft start schemes, and then combines the practical application requirements and applications The design of the thyristor soft starter was selected.
This article is designed to be a softener on the belt device DCS system, so need to match the PLC and touch screen to form the entire distribution system. The hardware part of the whole system includes PLC, soft starter, HMI, analog input / output channel, digital input / output channel, CAN bus, RS485 bus and so on.
Through the test shows that the soft starter can effectively control the size of the starting current to achieve the effect of gentle start. And the control method is simple, high degree of intelligence, to achieve the AC motor soft start performance requirements.
Key Words:soft starter;thyristor
目录
第1章 绪论 1
1.1 课题研究背景及意义 1
1.2 常见的启动方式 1
1.2.1直接启动 1
1.2.2定子串电阻启动 2
1.2.3星形-三角形启动 3
1.2.4变频器启动 4
1.2.5交流电机软启动器 4
1.2 软启动技术的发展 4
1.3 论文主要研究内容 5
第2章 软启动器的工作原理与保护 6
2.1 软启动器的工作原理 6
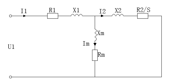
2.1.1 交流异步电动机的启动特性分析 6
2.1.2 软启动控制器的基本原理 7
2.2 软启动控制器的控制方式 8
2.2.1 电压斜坡控制方式 8
2.2.2 电流限幅控制方式 8
2.2.3 转速闭环控制方式 9
2.2.4 智能控制方式 10
2.3 软启动器的保护 11
2.3.1 过电流保护 11
2.3.2 过电压保护 11
2.3.3 过热保护 12
2.4 本章小结 12
第3章 软启动控制器的硬件设计 13
3.1 软启动控制器的总体结构设计 13
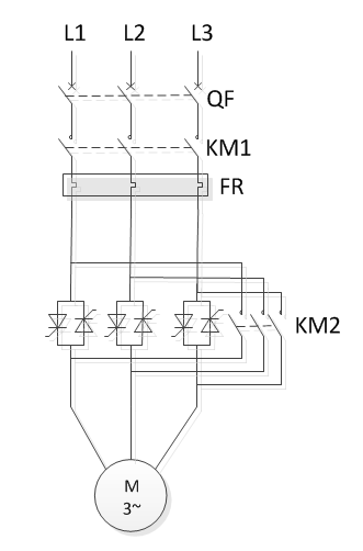
3.2 晶闸管调压电路设计 14
3.3 PLC选型设计 15
3.4 电源同步检测电路设计 16
3.5 触发角控制与输出电路设计 17
3.6 反馈检测电路设计 19
3.6.1 电压检测环节 19
3.6.2 电流检测环节 20
3.7 模拟量输入,数字量输出通道设计 20
3.7.1 模拟量输入模块 20
3.7.2 数字量输出模块 21
3.8触摸屏显示设计 21
3.9 本章小结 22
第4章 软启动控制器的软件设计 23
4.1 移相控制角设计 23
4.2 PLC程序设计 24
4.3 人机界面设计 26
4.4 控制器算法设计 27
4.5 本章小结 28
第5章 仿真分析 29
5.1 建立仿真模型 29
5.2 仿真结果及分析 31
5.3 本章小结 34
总结 35
参考文献 36
附录A PLC梯形图程序 38
附录B 软启动控制器电路原理图 44
致谢 45
绪论
课题研究背景及意义
在第二次工业革命电动机诞生到广泛应用以来,电动机一直是工业发展的心脏,直至今天,电动机消耗的电能仍占到所有电力消耗的一半以上。这些小到玩具车里的小马达,大到钢铁厂数万千瓦的电动机推动着时代进步。各种类型的电动机中,交流异步电动机由于其结构简单,体积较小、价格低廉,维护方便等优点,广泛的应用于生产生活中。
然而,根据异步电动机的启动特性,如果采用直接启动的方式,则会产生过大的启动电流,它的大小通常是额定电流的5~8倍[7]。这种过大的启动电流容易对电机定子上产生很大的热量,严重时导致烧毁。而且大电流导致的转矩冲击容易对传动系统造成冲击。并且大电流也会拉低电网电压,影响其他设备的正常运行。所以,实际应用中是不允许交流异步电动机直接启动的,特别是大功率的交流电动机。为了减小这种启动电流的大小,就需要启动辅助装置。传统的启动辅助装置有转子串电阻电阻启动,定子串电抗器启动,星形-三角形启动等。但是这些启动辅助装置在启动电机时,启动电流以及机械冲击仍旧过大,而且装置体积较大,显得笨重。随着现代电力电子技术、自动化技术以及微型控制器的发展,出现了新型的启动辅助装置,比如变频器以及晶闸管软启动器等。
变频器因为其复杂的操作,高昂的价格,多样的功能等决定了它基本不会用于电动机的启动控制,而多用于电动机的调速。
相关图片展示:









