注塑机控制系统的设计毕业论文
2020-08-13 20:47:30
摘 要
近年来塑料工业飞速发展,注塑机作为其主要成型设备,其控制系统也在不断做出改进,注塑机控制系统的性能直接决定了其产品的质量,因此研究出性能高效的控制系统尤为重要。
早期的注塑机控制系统由于当时条件限制大多采用继电器控制,但是存在精度不够高、设备工作效率低等问题,因此本文注塑机采用PLC控制系统以及人机界面控制。本次毕业论文首先通过比较得出注塑机控制系统的设计思路和方案,然后通过硬件选型设计出相应的电路图,本系统采用汇川PLC编程软件设计出注塑机工艺过程程序和温度控制程序以及HMI面板操作画面,最后通过调试仿真得出本次设计合理。本文还介绍了注塑机的工艺过程和基本工作要求,最后给出了硬件组成和软件设计。
通过本次论文研究出注塑机的PLC的控制系统设计,使注塑机生产自动化的程度大幅提高,并且有利于提高工作效率以及生产精度,降低工厂成本。
关键词:PLC、注塑机、HMI、温度控制
Abstract
In recent years, the rapid development of plastic industry, injection molding machine as its main molding equipment, the control system is also constantly improving the performance of injection molding machine control system directly determines the quality of its products, so the development of efficient control system is particularly important.
In the early injection molding machine control system, most of the conditions were limited by relay control, but there is not enough accuracy, equipment and low efficiency, so this paper injection molding machine using PLC control system and man-machine interface control. This paper first draws out the design idea and scheme of the injection molding machine control system, and then designs the corresponding circuit diagram through the hardware selection. The system uses Huichuan PLC programming software to design the injection process and temperature control program of the injection molding machine and HMI panel operation screen, and finally through the simulation of the simulation made this design is reasonable. This paper also introduces the process and basic requirements of the injection molding machine, and finally gives the hardware composition and software design.
Through this paper, the PLC control system design of the injection molding machine is developed, which greatly improves the production automation of the injection molding machine, and is helpful to improve the working efficiency and the production precision and reduce the factory cost.
Keywords: PLC, injection molding machine, HMI, temperature control
目录
第1章 绪论 1
1.1 选题背景 1
1.2 注塑机控制系统发展现状 1
1.2.1 国内外注塑机发展现状 1
1.2.2 未来注塑机控制器发展趋势分析 2
1.3 研究的基本内容 2
1.4 本章小结 3
第2章 总体设计方案 4
2.1 注塑机的分类与选择 4
2.2 注塑机控制要求 4
2.2.1 注塑机生产工艺过程 4
2.2.2 注塑机的控制要求 5
2.3 技术方案的选择及论证 6
2.3.1 系统控制框图 6
2.3.2 技术路线方案 7
2.4 本章小结 7
第3章 硬件选型及电路设计 8
3.1 温度传感器的选择 8
3.2 PLC的选型 8
3.2.1 PLC选型原则 8
3.2.2 I/O模块的选择 9
3.2.3 可编程控制器控制模块I/O点数分配 10
3.3 其他硬件的选择 11
3.4 控制系统电路设计 12
3.3.1 主电路设计 12
3.3.2 PLC控制电路设计 13
3.5 本章小结 14
第4章 系统软件设计 15
4.1 PLC程序设计 15
4.1.1 控制系统主程序设计 15
4.1.2 控制系统手动程序设计 16
4.1.3 控制系统回原点程序设计 17
4.1.4 控制系统自动循环程序设计 19
4.2 注塑机的温度控制程序设计 22
4.2.1 温度控制原理 22
4.2.2 温度控制程序设计 22
4.3 HMI界面设计 25
4.4 本章小结 26
第5章 调试结果与分析 27
5.1调试步骤 27
5.2 调试结果分析 27
5.3 本章小结 28
第6章 总结与展望 29
参考文献 30
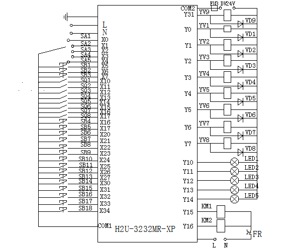
附录A 电气原理图 31
致谢 32
绪论
本章主要介绍了注塑机控制系统的选题背景,国内外发展现状以及未来发展趋势分析,最后提出了研究的基本内容。
1.1 选题背景
注塑机又名注射成型机,它是集机电液于一体的设备,它的技术通常很大程度上反映一个国家的机械工业水平。注塑机通常由注射系统、合模系统、液压系统、电气控制系统、加热及冷却系统、润滑系统、安全保护及监测系统等组[1]。
注塑机能制得精度高、外形结构复杂或者带有金属钳件的塑料制品,加工塑料制品的主要方法之一是注射成型。由于注塑机加工各种塑料的适应性强,可以实现高度自动化生产,成品种类繁多,因此成为塑料加工主要设备。在塑料工业中注射成型有其重要的地位。因此研究注塑机的控制系统,对提高塑料制品的精度、改进加工技术、推动塑料工业进步起着重要作用。
相关图片展示:









