涂层带钢板生产线控制系统设计毕业论文
2020-08-13 20:46:30
摘 要
本文研究的是涂层带钢板生产线控制系统的设计,通过在钢板表面作涂覆涂料的处理,能够大大地提高钢板的性能,与传统的钢板相比,涂层钢板具有很多优点。涂层钢板生产线的控制要求主要有两个:张力控制和速度控制,为了得到品质高的钢板,张力的高精度控制十分重要,而速度控制则主要是指生产线运行速度的控制。
本文设计的生产线能够全自动化运作,在没有人为干预的情况下,能自行生产出高品质的涂层钢板,因而能够节省许多劳动力,同时,根据不同的实际要求,可以改变其运行的线速度,因此应用范围比较广。
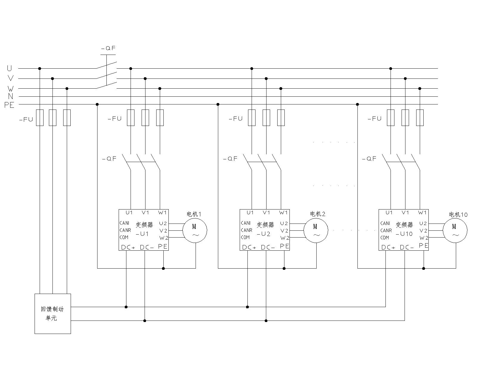
为了使生产时张力能保持恒定不变,本设计采用的是闭环控制系统,其包括给定、控制器、执行器、被控对象以及测量变送装置,与之相对应,给定是由HMI输送的数据和发出的命令,控制器是PLC,执行器是变频器,被控对象是电动机,最后测量变送装置是张力计和编码器,由这五者构成了本控制系统的整体框架。
通过比较不同的设计方案,本系统的控制回路采用可编程逻辑控制器(PLC)、变频器和HMI三者之间的三级控制,通过PLC调节各个变频器所对应电机的转速来控制生产线的速度,控制精度高,能够使本系统满足控制涂层带钢板生产线各传动点的生产工艺要求;此外,PLC还会将一些实际生产指标反馈到HMI,比如张力、速度等等,达到了一个实时监控的目的,当系统的某些环节出现问题时,可以及时作出相应的措施进行补救,安全性和可靠性都比较高。
关键词:自动化;线速度;张力恒定;变频
Abstract
In this paper, the design of the control system of coated steel plate production line is studied. It can greatly improve the performance of the steel plate by coating the coating on the surface of the steel plate. Compared with the traditional steel plate, the coated steel plate has many advantages. Coated steel production line control requirements are mainly two: tension control and speed control, in order to get high quality steel, tension of high precision control is very important, while the speed control is mainly referring to the production line speed control.
In this paper, the design of the production line can be fully automated operation, in the absence of human intervention in the case, to produce high-quality coated steel plate, which can save a lot of labor, at the same time, according to different practical requirements, you can change the speed of its operation, So the scope of application is relatively wide.
In order to keep the tension at production constant, the design uses a closed-loop control system that includes a given controller, actuator, controlled object, and measuring transmitter, which is given by the HMI the data is sent and the command is issued, the controller is PLC, the actuator is the inverter, the controlled object is the motor, the final measurement of the transmission device is the tension meter and the encoder, which constitute the control system of the overall framework.
By comparing the different design scheme, the control loop of the system adopts the three levels of control between the programmable logic controller (PLC), the inverter and the HMI. The speed of the corresponding motor of each inverter is controlled by PLC to control the production line Speed, high control accuracy, the system can meet the control coating with strip production line of the transmission point of the production process requirements; In addition, PLC will be some of the actual production indicators feedback to the HMI, such as tension, speed, etc., to a real The purpose of monitoring, when some aspects of the system problems, you can make timely measures to remedy the security and reliability are relatively high.
Key Words: automation; line speed; Tension constant; frequency conversion
目 录
第1章 绪论 1
1.1 研究背景 1
1.2 研究目的 1
1.3 设计意义 1
1.4 研究内容 1
1.5 国外研究现状 2
第2章 涂层带钢板生产线控制系统总体结构 3
2.1 涂层带钢板生产线控制系统概述 3
2.1.1 涂层带钢板生产线工艺流程 3
2.1.2 张力和速度控制的工艺要求 4
2.2 涂层带钢板生产线控制系统方案设计 4
2.2.1 电机控制方案的确定 4
2.2.2 调速方案的选择 5
2.2.2.1 方案一 改变极对数调速 5
2.2.2.2 方案二 变频调速 5
2.2.2.3 方案三 定子调压调速 6
2.2.3 供电及制动方案的设计 6
2.2.4 控制系统的总体框架 7
2.2.4.1 通讯方式的设计 7
2.2.4.2 控制系统模型构建 8
2.3 本章小结 8
第3章 涂层带钢板生产线控制系统硬件设计 10
3.1 转速反馈装置的设计 10
3.2 张力反馈装置的设计 10
3.3 PLC可编程控制器的选择 11
3.4 HMI人机界面的选择 11
3.5 变频器的选择 11
3.5.1 型号选择 11
3.5.2 调速方式选择 11
3.6 系统硬件连接 12
3.7 本章小结 13
第4章 涂层带钢板生产线控制系统软件设计 14
4.1 HMI设计 14
4.1.1 功能介绍 14
4.1.2 组态步骤 14
4.2 PLC程序设计 16
4.2.1程序解读 16
4.2.2 CAN通讯配置 17
4.3 本章小结 18
第5章 涂层带钢板生产线控制系统调试 19
5.1 转速控制模式的变频器参数设置 19
5.2 转矩控制模式的变频器参数设置 19
5.3 系统现场调试 21
5.4 本章小结 22
第6章 总结与展望 23
参考文献 25
附 录 26
致 谢 30
第1章 绪论
1.1 研究背景
涂层钢板又称镀层钢板,即在强度比较高的钢板上面再添加一层或多层合金材料或有机材料等的涂料。与传统钢板相比,涂层钢板的防火性、耐腐蚀性和耐候性等性能都比较好,在时间使用方面,涂层钢板的使用寿命要远比传统钢板的长,其在室内可保持二十到三十年以上光泽不生锈,而在环保方面,其消除了有机溶剂、脱脂剂和磷化剂等化学物品对环境的污染;除此之外,在钢板表面涂覆上各种色彩靓丽的图案,增加了装饰性,让人看了赏心悦目。总的来说,涂层钢板的优点多,在实际生活中十分的实用。
1.2 研究目的
相关图片展示:









