双滤料过滤器控制系统设计毕业论文
2020-08-13 20:46:36
摘 要
双虑料过滤器是一种新型的过滤装置,较传统的过滤装置,其有俩种虑料,石英砂跟无烟煤,广泛用于石油污水的处理。由于近几十年来石油的开采以及广泛使用,造成的石油污水处理问题严峻,为响应国家可持续发展的号召,设计出一种全自动的双虑料过滤器的控制系统具有重要的意义。
双滤料过滤的工艺过程主要分为过滤跟反冲洗过程,过滤过程就是污水的处理过程,然而在污水处理的过程中,随着时间的加长,滤料间会夹杂着污水中的颗粒物杂质,从而导致过滤出水的质量下降,这就引入前面所说的反冲洗过程,对虑料进行冲洗,以保证滤料的质量从而完成高质量的过滤。
在本文中,首先将介绍双虑料过滤器的研究背景和意义,然后对双虑料过滤器的工艺以及过程进行阐述;接着在对工艺过程的分析的基础上,对控制系统所需要的硬件进行了选型;然后使用汇川的PLC编程软件对整个工艺的流程进行设计,对人机界面进行编程绘制以在线监控设备的运行情况;最后,在以上过程都完成的情况下载实验室进行仿真,以查找问题,保证整个控制系统的顺利运行。
整个控制系统以PLC为核心,在实现硬件接线的基础之上,在Autoshop
中进行软件的编程,完成阀门跟电机顺序动作,来实现工艺的每一个过程,整个控制系统由时间和差压来控制,同时使用HMI对应的Ino Touch Editor软件来绘制与布置人机界面上面的开关与输入输出窗口用以对工艺过程进行监控,同时也涉及HMI跟PLC之间的通讯以及硬件连接。
关键词:双虑料过滤器;PLC控制系统;HMI
Abstract
Double dust filter is a new type of filter device, the more traditional filter device, which has two kinds of materials, quartz sand with anthracite, widely used in the treatment of petroleum wastewater. As a result of the exploitation of oil in recent decades and widespread use, the problem of oil and sewage treatment is grim, and it is of great significance to design a fully automatic control system for double-effect filter in response to the call of national sustainable development.
The process of double filter media is divided into filter and backwash process. The filtration process is the process of sewage treatment. However, in the process of sewage treatment, with the lengthening of time, the filter material will be mixed with the particulate matter in the sewage, Resulting in the degradation of the effluent quality of the filtered water, which introduces the backwashing process described above, and the rinsing is carried out to ensure the quality of the filter to complete high-quality filtration.
In this paper, I will first introduce the research background and significance of the double-effect filter, and then elaborate the process and process of the double-effect filter. Then, on the basis of the analysis of the process, the control system needs The hardware is selected. Then, the process of the whole process is designed by using the PLC programming software of Huichuan. The man-machine interface is programmed to be used to monitor the operation of the equipment on the line. Finally, the laboratory is carried out in the above process. Simulation, to find the problem, to ensure the smooth operation of the entire control system.
The entire control system to PLC as the core, in the realization of hardware wiring on the basis of Autoshop In the process of software programming, complete the valve with the motor sequence action to achieve the process of each process, the entire control system by the time and differential pressure to control, and use the HMI corresponding Ino Touch Editor software to draw and layout of the man-machine interface above The switch and input and output windows are used to monitor the process, as well as communication between the HMI and the PLC and the hardware connection.
Key words: double expected material filter; PLC control system ;HMI
目录
摘要 I
Abstract II
绪论 1
1.1研究目的与意义 1
1.2国内外研究现状 1
1.3本文的研究内容 4
2.双滤料过滤器控制系统整体方案的结构设计 5
2.1双滤料过滤器的结构与工作原理 5
2.1.1双虑料过滤器的简介 5
2.1.2双滤料过滤器的结构 5
2.1.3双虑料过滤器的工作原理 6
2.2双滤料过滤器整体控制方案的设计 7
2.2.1硬件部分 7
2.2.2软件部分 7
2.2.3整体的框架构建 7
3.双滤料过滤器控制系统硬件的设计 9
3.1控制系统硬件的选型 9
3.1.1鼓风机和反冲洗泵的选型 9
3.1.2差压式传感器的选型 9
3.1.3中间继电器的选型 10
3.1.4PLC的选型 10
3.1.5 HMI的选型 10
3.2控制系统硬件的电路的设计 11
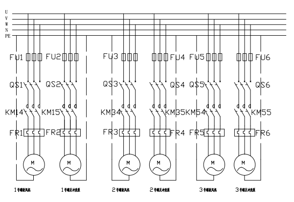
3.2.1PLC的控制原理图的设计 11
3.2.2系统图的设计 14
4.双滤料过滤器控制系统的软件设计 16
4.1 PLC的软件设计 16
4.1.1工程的建立 16
4.1.2模块的配置 16
4.1.3通讯的配置 17
4.1.4梯形图的设计 18
4.2 HMI人机界面的设计 21
4.2.1 HMI人机界面工程的建立 21
4.2.2通讯的配置 22
4.2.3人机界面初始页面的设计 23
5.调试记录 24
5.1调试前的准备工作 24
5.1.1 PLC程序的下载 24
5.1.2 触摸屏程序的下载 24
5.1.3对PLC的外部硬件进行接线 24
5.2 程序的调试 25
6.总结 27
中外文参考文献 28
致谢 30
附录A 31
附录B 42
附录C 43
附录D 44
绪论
1.1研究目的与意义
随着我国的快速发展,民业和工业对能源的需求量的也逐步加大,石油作为最重要的一次化学燃料之一,其需求量也日益增长,这就促成了我国石油工业的快速发展,然而石油工业的快速的发展也必然将带来一系列的环境问题,今天的发展中的中国可持续发展的理念日益根深蒂固,我们不能以牺牲环境为代价换来工业经济的发展,因此油田污水处理问题就成了重中之重。
双虑料过滤器因含有俩种过滤介质石英砂与无烟煤而得名,是一种高效、易操作的污水处理设备。双虑料过滤器处理污水过程是一个一系列的复杂工艺过程的组成,既需要很多现场设备的工作协调一致,又需要很多的现场数据的采集和数据处理,同时管道及各种阀门较多,要实现工艺的要求完成整个设备有序有效的运行,采用PLC作为这套系统的核心控制器,具有功能性强,可靠性高,灵活,方便,控制精度高,易于编程控制等及这些优点于一身,是现代工业控制的重要组成部分。同时在设备的运行过程中,为直观方便的反映整个过程以及监控设备的运行情况,我们选用HMI进行在线的监控。
相关图片展示:









