基于单片机的花卉养护系统设计毕业论文
2020-02-19 07:52:20
摘 要
6、 正文部分应包括:系统的设计要求、系统的总体方案设计、元件的选择,系统的硬件电路设计,系统的软件设计,系统调试及结果分析等;
7、 毕业设计成果在文字上要求字数15000字以上,设绘工作量:不少于3张图纸,阅读文献不低于20篇,其中外文文献不少于5篇.
(三) 完成任务的时间节点:
1 - 2周 查阅相关文献,了解设计要求;
3 - 4周 翻译外语资料,提出合理的设计方案,写开题报告;
5 - 6周 方案论证并进行的总体方案设计;
7 - 8周 硬件电路设计;
9-10周 软件程序设计;
11-12周 系统调试,测试完善工作;
13-14周 撰写论文,完成初稿;
15周 修改论文,完成答辩PPT,并交与相关院系老师验收认证工作,参加毕业答辩。
(四) 必读参考文献:
[1] 张毅刚.新编MCS-51单片机应用设计.哈尔滨工业大学出版社2010(06)
[2]张靖武.单片机系统的protues设计与仿真.北京:电子工业出版社,2007.
指导教师签名:
2018 年 12 月 24 日
系主任签名:
2019 年 1 月 2 日
院长签名(章): 自动化学院 2019 年 1 月 2 日
摘 要
伴随着社会经济的不断发展,人们也逐渐开始注重自己的生活水平。在此背景下,养花成为了越来越多人的选择。盆栽花卉所占的空间小,可以轻松地进行移动摆放,在室内具有不错的观赏价值,同时也能够净化室内空气,此外,养花也能让人们放松心情。但是,盆花的养护也存在例如无法按时浇水或是花卉的生存环境难以把握等问题,而养护的不当会造成盆花生长状况很差甚至死亡。针对这个问题,选用合适的传感器以及单片机,设计了一个基于单片机的花卉养护系统。
本文在了解了养花过程中存在的问题基础上,分析了花卉养护系统的功能需求,从而给出了系统的总体框架并对系统的硬件电路进行了详细的设计,其中包括温度测量电路,土壤pH 测量电路,湿度测量电路,LCD显示电路,浇水驱动电路和单片机控制电路等。利用C语言,结合硬件电路对系统各部分程序部分进行设计,在KEIL上编译通过后生成.hex后缀文件在Proteus上仿真通过后,烧录到单片机中。最后对按以上设计制作的系统实物进行了测试,并评价了其测试结果。测试结果表明该系统可以做到花卉的自动浇水和土壤环境检测与数据显示功能,满足花卉养护的需求。
关键词:单片机;温度传感器;湿度传感器;自动浇水;土壤酸碱度
Abstract
With the continuous development of the social economy, people are paying more and more attention to the quality of life. In this context, potted flowers are loved by more and more people. The potted flowers occupy a small space and can be easily moved and placed. They have good ornamental value in the interior and can also purify the indoor air. In addition, the flowers can also relax people. However, the maintenance of potted flowers also has problems such as the inability to water on time or the difficulty in grasping the living environment of flowers, and improper conservation can cause poor growth or even death of potted flowers. Aiming at this problem, a single chip based flower maintenance system was designed by using single chip microcomputer and sensor technology.
Based on the understanding of the MCU and sensor technology, this paper analyzes the requirements of the flower curing system, and designs the overall framework of the system. The hardware circuit of the system is designed in detail, including temperature sensor module, humidity sensor module, Soil pH sensor module,LCD display module, Pump drive module and microcontroller control module. The software part of the system is written in C language. After compiling and compiling on KEIL, the .hex suffix file is generated and simulated on the proteus, and then burned into the MCU. Finally, the system was debugged and the results were analyzed. The results show that the system has achieved the expected design goals and realized the automatic watering and soil environment detection and data display of flowers.
Key words: MCU;temperature sensor;humidity sensor;automatic watering;Soil pH
目 录
摘 要 I
Abstract II
第1章 绪论 1
1.1设计背景及意义 1
1.2 花卉养护的国内外现状 1
1.3 本文主要内容及结构安排 2
1.3.1 本文主要内容 2
1.3.2 本文结构安排 2
第2章 总体设计方案及主要器件选型 3
2.1 土壤酸碱度简介 3
2.2 花卉养护系统的需求分析 4
2.3 系统总体设计方案及工作原理 4
2.4 传感器的选型 5
2.5 本章小结 6
第3章 系统硬件电路设计 7
3.1 控制模块 7
3.1.1 STC89C52特点简介 7
3.1.2 单片机相关引脚简单说明 7
3.1.3 单片机最小应用系统 8
3.2 湿度传感器模块及pH传感器模块电路 9
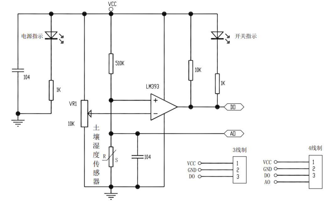
3.2.1 YL-69模块简介 9
3.2.2 pH复合电极及其处理模块简介 10
3.2.3 ADC0832简介 11
3.2.4 湿度传感器模块与pH传感器模块电路设计 13
3.3 温度传感器模块电路 13
3.3.1 DS18B20简介 13
3.3.2 温度传感器电路 16
3.4 LCD显示模块 16
3.4.1 LCD1602简介 16
3.4.2 LCD显示部分电路 18
3.5水泵驱动模块及按键模块 19
3.5.1 水泵驱动模块电路 19
3.5.2 按键部分电路 20
3.6 本章小结 20
第4章 系统软件程序设计 21
4.1 整体程序设计 21
4.2 温度读取程序设计 21
4.3 湿度与pH读取程序设计 22
4.4 LCD显示部分程序设计 23
4.5 按键部分程序设计 24
4.5.1 程序设计部分变量简介 24
4.5.2 按键检测部分程序设计 25
4.5.3 按键处理部分程序设计 25
4.6 浇水判断程序设计 26
4.7 本章小结 27
第5章 系统的调试与运行结果分析 28
5.1 系统的调试 28
5.2 调试结果分析 32
第6章 结束语 33
参考文献 34
附录A 花卉租摆养护监测系统实物图 35
附录B 系统整体电路图 36
附录C 系统程序 37
致谢 45
第1章 绪论
1.1设计背景及意义
伴随着社会经济的不断发展,人们也逐渐开始注重自己的生活水平。在此背景下,养花成为了越来越多人的选择。盆栽花卉所占的空间小,可以轻松地进行移动摆放,在室内具有不错的观赏价值,同时也能够净化室内空气,此外,养花也能让人们心情放松。但是,花卉的养护也存在许多的问题。
养护花卉的过程中时常需要根据土壤情况适当浇水,而浇水不足却可能造成花卉缺水干枯,浇水过多又会导致植物的根本缺少空气从而导致根部腐烂,从而导致花卉死亡。适当地给花浇水不仅有利于花卉的生长发育,也是对水资源的一种高效利用[1]。目前盆花的浇水工作大部分由人工操作,而由于现代生活节奏较快,人们工作繁忙或者有时候需要外出而无法短时间回家,往往无法及时给盆栽花卉浇水,而且人为浇水的质量并不能得到保证。无论是浇水经验的缺乏,工作忙忘记或者长时间的外出都会导致盆花的意外死亡,这无疑打击了部分盆栽养殖者的积极性。
因为温度对花卉的呼吸作用、光合作用和蒸腾作用都会产生影响,而这些又与花卉生长过程中有机物的合成和运输,水分消耗等重要代谢过程有很大关联,因此植物需要在一定的温度范围内才能正常生长。如果能够实时得到花卉生长环境的温度,就可以对花卉养护做出一定的指导。
土壤酸碱度会直接影响土壤中各种植物需要的元素的存在形式、转化能力和有效性,因此会很大程度上影响土壤的肥力,从而也对花卉的正常生长造成影响[2]。在花卉养护过程中往往需要施肥,而施肥的同时也会改变土壤的酸碱度[3]。在大规模的农作物种植上,人们往往会对土壤酸碱度进行检测,以此来进行合理的施肥或者加入石灰等等来调整土壤酸碱度以达到作物最佳的生长范围,从而提高作物产出。
随着单片机和传感器技术的发展,智能花卉养护已经成为现实。通过单片机和传感器的组合,可以很好地解决人们没有时间给花卉浇水的问题,同时也可以实时地给出土壤的环境数据,对人们养护打理花卉进行指导。
1.2 花卉养护的国内外现状
花卉养护中,最早出现的是自动浇水功能。最初的自动浇水装置是利用渗透原理设计的,这种方式只是将间断一次性浇水更改为持续微量的浇水,虽然能够维持花的生存,但并不能保证花的供水充足。随着传感器技术的兴起,国内外都出现了具有浇水,施肥等功能的系统。在国外,Bishnu Deo Kumar等人设计了自动浇水系统,该系统可以在土壤缺水时自动定时浇水[4]。还有的则结合了zigbee技术,可以远程控制浇水[5]。在国内,针对花卉养护的目前比较多是通过土壤湿度传感器检测土壤的相对湿度,通过单片机进行信号的处理,用模糊控制的方法给出控制信号,驱动浇水的相关电路,完成自动控制土壤湿度的目的[6]。在此基础上有一些加入了温度传感器检测土壤温度,或者加入水位传感器配合电磁阀控制土壤湿度等的一些方案[7] 。总的来说,通过传感器与单片机的组合,加上相应的执行器件,可以实现多种多样功能的花卉养护系统的。但目前来说,由于这类系统用到的器件较多,设计方案也比较粗糙,因此安置和使用都不方便,且还有外观与环境不协调,价格昂贵等问题,还没有普及。
1.3 本文主要内容及结构安排
1.3.1 本文主要内容
本文主要研究基于单片机的花卉养护系统设计问题,在分析系统应具备功能的基础上,结合文献资料与所学的单片机和传感器相关知识,选取合适的传感器,以单片机STC89C52为控制核心,设计一个花卉养护系统。在该设计中具体做了以下工作:
- 根据系统设计要求设计花卉养护系统的总体方案及传感器选型。
- 进行系统硬件设计。其中主要包括主控制器模块,温度传感器模块,土壤酸碱度传感器模块,湿度传感器模块, LCD显示模块,水泵驱动模块。
- 进行系统的软件设计。其中主要是对温度传感器模块,湿度传感器模块,土壤酸碱度传感器模块,LCD显示模块进行程序设计。
- 实际运作与调试。
1.3.2 本文结构安排
第1章 绪论。阐述论文的研究背景及意义,国内外研究现状和采用的技术。
第2章 花卉养护系统的总体设计方案。分析了花卉养护系统的需求,并给出了系统整体框架图以及传感器的选型。
第3章 硬件模块设计。对温度测量电路,土壤pH 测量电路,湿度测量电路,LCD显示电路,浇水驱动电路和单片机控制电路等进行详细设计说明。
第4章 系统软件设计。结合硬件的连接与说明,完成各模块的程序编写,并给出代码。
第5章 系统的调试与运行结果分析。对设计的系统进行调试和实际运行,并对结果进行分析;
第6章 结论。客观的评价了本论文所做的工作和设计方案,以及有待改进的地方。
第2章 总体设计方案及主要器件选型
2.1 土壤酸碱度简介
土壤酸碱度, 主要以土壤溶液中氢离子的浓度,即土壤溶液的pH作为衡量标准。土壤酸碱度的分级一般如表2.1所示:
表2.1 土壤酸碱度分级
土壤pH值 | 土壤酸碱度 |
lt;4.5 | 极强酸性 |
4.5—5.5 | 强酸性 |
5.5—6.5 | 酸性 |
6.5—7.5 | 中性 |
7.5—8.5 | 碱性 |
8.5—9.5 | 强碱性 |
gt;9.5 | 极强碱性 |
对植物来说,土壤过酸性或者过碱性都会影响到正常的生长发育,具体体现在以下几个方面:
- 使土壤养分的有效性降低;
- 破坏土壤结构;
- 抑制土壤微生物活动,从而影响氮及其他养分的转化供应;
- 容易产生各种对植物有害物质。
对于大多数植物来说,在很大范围的酸碱度范围内都能正常生长在。但当pHgt;9.0或者pHlt;2.5时生长就比较困难。不同植物都有各自适宜生长的pH,有的喜酸性,有的喜碱性,因此测量土壤酸碱度,再通过适当方法进行改良是让植物更好生长的有效办法。
常用的酸碱度测量方法有pH试纸法,混合指示剂比色法,电极电位法等。在这些检测土壤酸碱度的方法中,最常用的是pH 试纸法与混合指示剂比色法。 这两种方法只需要按照测量标准配置土壤溶液,之后则加入指示剂或者将土壤溶液取到pH试纸,之后将颜色与标准比色卡对比即可得到土壤pH值。这个检测过程快速且没有检测环境与检测仪器的要求,但这两种方法只能粗略知道土壤的酸碱度,无法得到精确结果。电极电位法则属于一种快速准确的检测方法,而由于其在精度上做得很好,因此对于测量条件要求较为苛刻,目前存在许多的测量标准,目前来说,这种测量方式只适合与在实验室环境下进行,且由于影响因素较多,同一样品的pH结果也可能出现差异。因为需要基于单片机来检测土壤的酸碱度,土壤pH信号需要变为电信号才能经过处理送入单片机,因此电极电位法是本系统设计的首选。电极电位法基于复合电极在溶液中构成化学原电池的原理,通过对两级反应过程中形成的电势差进行测量,再通过被测溶液 pH 值 与电势差值间的比例关系,利用能斯特方程计算:
(2.1)
式中,为溶液pH变化值,T为温度。由于电极电势固定,故土壤溶液中的电势差可以将氢离子活跃程度表现出来[8]。
改良酸性土壤的方法:(1)施生石灰中和酸性;(2)施绿肥,增加土壤有机质;(3)增加灌溉次数冲淡酸性;(4)施草木灰等碱性肥料。
改良碱性土壤的方法:(1)施用氯化铵等酸性肥料中和;(2)施用农家肥改良土壤。
2.2 花卉养护系统的需求分析
就目前来说,盆花的养护比较普遍的问题是无法按时给花浇水或者是浇水过多,前者导致植物缺水枯萎,后者则导致植物根部缺氧从而腐烂,因此花卉养护系统需要一个根据土壤湿度自动浇水的功能,将土壤水分控制在一个合理的区间内。此外,温度对花卉的光合作用,蒸腾作用等都有影响,因此给出土壤温度能更好地把握花卉的生长环境,指导人们进行相应的调整。由于土壤条件有限,若要确保养在盆中的花卉的养分,往往需要施肥,而施肥不当则可能对盆中土壤的酸碱度造成较大不良影响,因此若能给出土壤的酸碱度信息,则可以更好地指导人们施肥。
综上,需要土壤湿度传感器检测土壤湿度,需要一个土壤温度传感器检测土壤温度,需要一个土壤pH传感器来检测土壤酸碱度,需要一个水泵执行浇水操作,需要按键进行湿度范围设置,需要将温度,湿度和湿度范围进行显示。
2.3 系统总体设计方案及工作原理
本次设计的整体结构如下图所示,各部分作用如下:电源模块给整个系统供电,单片机为核心的控制器,土壤pH传感器采集土壤酸碱度信息,土壤温度传感器用于采集土壤的温度信息,土壤湿度传感器用于采集土壤湿度信息, LCD用于相关信息的显示,浇水设备驱动电路用于在得到单片机信号后驱动水泵,完成浇水,按键控制部分用于实际使用中需要用到的一些设置功能。

以上是毕业论文大纲或资料介绍,该课题完整毕业论文、开题报告、任务书、程序设计、图纸设计等资料请添加微信获取,微信号:bysjorg。
相关图片展示:









