新型数字螺线管磁场实验仪硬件电路的设计及统一调试毕业论文
2020-07-14 22:09:25
摘 要
大学物理实验中,我们在做“霍尔效应法测定螺线管轴向磁感应强度分布”实验时,通常需要调节霍尔电流和励磁电流的大小和方向。同时还需要测量霍尔元件在给定的霍尔电流和励磁电流下,在螺线管轴向不同位置的霍尔电压的值。
目前,市面上常见的螺线管磁场实验仪,霍尔电流和励磁电流的大小通常采用电位器调节,霍尔电流和励磁电流的方向通常采用机械开关换向,实验过程中则利用数码管来显示数据。
电位器的典型结构主要是由电阻体、接触刷、基体或骨架等基础部分构成。当实验者对电位器反复转动时,触点与电阻膜频繁摩擦,会出现电阻体和接触刷损坏,接触不良等情况。机械开关是采用机械触碰方式改变电路的通断。反复使用会有很大的磨损,导致在控制电路的通断时会失灵。而对于实验过程中的数据,利用数码管来显示,显示信息较少,功能较为单一。
针对这些问题,我们开发了一种新型数字螺线管磁场实验仪,以STC89系列单片机为核心,结合触控屏的使用,实现仪器的数字化控制。新型数字螺线管磁场实验仪可以避免传统操作所造成的机械磨损,提高了仪器的使用寿命。同时,增加实验仪器自动待机、实验电路模拟接线、数据实时曲线显示等新的功能,丰富了实验内容。
关键词:单片机 触控屏 数字化控制
ABSTRACT
In the university physics experiment of "hall effect method to determine the axial magnetic induction intensity distribution of solenoid tubes", it is usually necessary to adjust the size and direction of hall current and excitation current. At the same time, we also need to measure the value of hall voltage at different positions of the hall current and excitation current.
At present, for the common magnetic field tester on the market, the Hall current and the excitation current are usually adjusted by potentiometers. The direction of the Hall current and the excitation current are usually commutated by mechanical switches, and the digital tube is used to display data during the experiment.
The typical structure of potentiometer is mainly composed of resistive, contact brush, matrix or skeleton. When the experimenter repeatedly turns on the potentiometer, the contact and resistance film frequently rub, and the resistance body and contact brush are damaged, and the contact is not good. Mechanical switch is to use mechanical touch to change the circuit breaker. Repeated use can cause a lot of wear and tear, leading to failure in the control circuit. For the data in the experimental process, the display information of digital tube is less and the function is relatively simple.
In view of these problems, we have developed a new type of digital solenoid magnetic field experiment instrument, which is based on the STC89 series single chip microcomputer, combined with the use of touch screen, to realize the digital control of the instrument. The new digital solenoid magnetic field tester can avoid the mechanical wear caused by traditional operation and improve the service life of the instrument. At the same time, the new functions such as automatic standby, experimental circuit and real-time curve display are added to enrich the experimental content.
Key words: Single chip computer; Touch screen; Digital control
目录
摘要 I
ABSTRACT II
第一章绪论 1
1.1螺线管磁场实验仪实验原理 1
1.2新型数字螺线管磁场实验仪方案设计 2
第二章新型数字螺线管磁场实验仪硬件设计 4
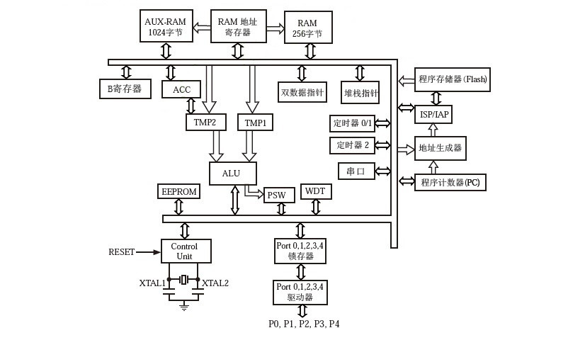
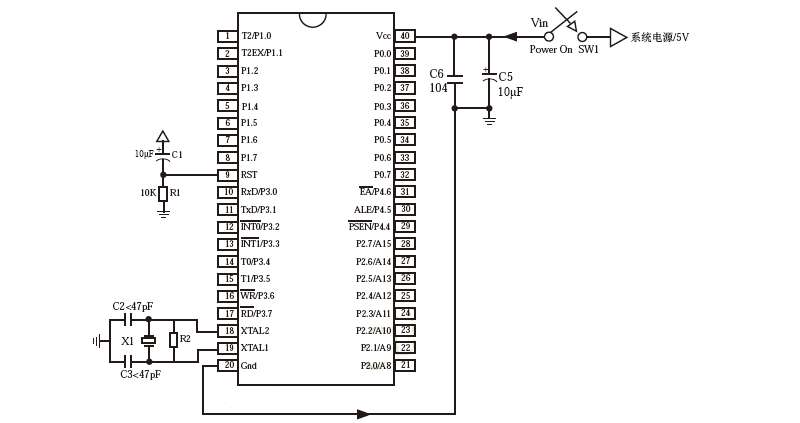
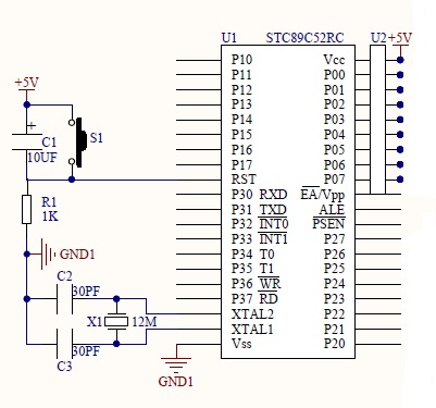
2.1 STC89C52RC模块 4
2.1.1 STC89C52RC简介 4
2.1.2 STC89C52RC应用电路 8
2.2触控屏 9
2.2.1触控屏简介 9
2.2.2通讯电路 MAX232A 11
2.3霍尔电流模块 12
2.3.1恒流源电路(毫安级) LM358P 12
2.3.2 数模转换电路 TLV5616CP 14
2.4 励磁电流模块 16
2.4.1恒流源电路(安培级) 16
2.5继电器模块 18
2.5.1 继电器简介 18
2.5.2 继电器控制电路 18
2.6霍尔电压模块 20
2.6.1 小信号放大电路 UA741 20
2.6.2 模数转换电路 ADS7816P 22
2.6.3 光耦隔离电路 6N137 24
第三章主要功能实现 27
3.1实验仪器自动待机功能 27
3.1.1 实验仪器自动待机 触控屏配置 27
3.1.2 实验仪器自动待机 软件设计 28
3.2实验电路模拟接线功能 31
3.2.1 实验电路模拟接线 触控屏配置 31
3.2.2 实验电路模拟接线 软件设计 32
3.3数据实时曲线显示功能 33
3.3.1 数据实时曲线显示 触控屏配置 33
3.3.2 数据实时曲线显示 软件设计 34
第四章新型数字螺线管磁场实验仪电路原理图、PCB图 36
4.1新型数字螺线管磁场实验仪电路原理图 36
4.2 新型数字螺线管磁场实验仪PCB图 37
第五章总结 38
参考文献 39
致谢 40
第一章绪论
“霍尔效应法测定螺线管轴向磁感应强度分布”是霍尔效应在大学物理实验中一个较为典型的应用,我们在做该实验时,通常需要调节霍尔电流和励磁电流的大小和方向。同时还需要测量霍尔元件在给定的霍尔电流和励磁电流下,在螺线管轴向不同位置的霍尔电压的值。
而现有的主流螺线管磁场实验仪存在着一些不足:霍尔元件和螺线管的电流大小和方向是分别利用电位器和机械开关调节的,长期使用会造成损坏失灵,调节不准确;利用数码管来显示实验数据,显示信息较少,功能单一,数据记录较为麻烦;缺少自动待机功能,在学生做完实验忘记关闭电源时,对仪器的损耗较大。
相关图片展示:









