高校综合办公楼设计(结构方案:钢框架结构)毕业论文
2020-02-18 09:59:48
摘 要
本次毕业设计的题目为高校综合办公楼设计(结构方案:钢框架结构),旨在通过这次毕业设计将我们本科阶段所学习的专业知识融会贯通并进行综合运用,以达到本科学习的目的和为我们将来进入社会工作做好准备。在设计的过程中,整个结构的核心内容由结构布置,荷载统计,内力计算,内力组合等,在进行这些内容的计算时会借助到计算机辅助软件、查找相关规范等手段,具体的几个比较重要的理论知识点包括在内力计算中运用到的分层法、D值法等。经过三个多月的实际操作,将所学知识整合、运用最终完成毕业设计的内容,我们的能力得到一定提升,与此同时也发现了自己身上的不足之处,收获良多。
关键词:钢框架结构;办公楼;框架设计;建筑设计
Abstract
The title of this graduation project is the design of university comprehensive office building (structural scheme: steel frame structure). The purpose of this graduation project is to integrate and apply the professional knowledge we have learned during the undergraduate period, so as to achieve the purpose of undergraduate study and prepare for our future social work. In the process of design, the core content of the whole structure consists of structure layout, load statistics, internal force calculation, internal force combination and so on. When calculating these contents, we can use computer-aided software, find relevant codes and other means. Specifically, several important theoretical knowledge points include the layered method and D-value method used in internal force calculation. After more than three months of practical operation, the integration of the knowledge learned and the application of the final completion of the graduation project content, our ability has been improved to a certain extent, at the same time, we also found their own shortcomings, a lot of harvest.
Key Words:Steel frame structure; Office building; Frame design; Architectural design
目 录
第1章 绪论 6
第2章 荷载统计 7
2.1 恒载标准值计算 7
2.1.1 屋面 7
2.1.2 标准层楼面 7
2.1.3 梁自重 8
2.1.4 柱自重 8
2.1.5 外纵墙自重 8
2.1.6 内墙自重 9
2.2 活荷载标准值 9
2.2.1 屋面和楼面活荷载标准值 9
2.2.2 雪荷载 9
2.3 恒荷载作用下框架荷载计算 10
2.3.1 A-B轴间框架梁 10
2.3.2 B-C轴间框架梁 12
2.3.3 C-D轴间框架梁 12
2.3.4 A轴柱集中荷载统计 12
2.3.5 B轴柱集中荷载计算 13
2.3.6 C轴柱集中荷载计算 13
2.3.7 D轴柱集中荷载计算 13
2.4 活荷载作用下框架荷载计算 14
2.4.1 A-B轴间框架梁 14
2.4.2 B-C轴间框架梁 15
2.4.3 C-D轴间框架梁 15
2.4.4 A轴柱集中荷载计算 16
2.4.5 B轴柱集中荷载计算 16
2.4.6 C 轴柱集中荷载计算 16
2.4.7 D轴柱集中荷载计算 17
2.5风荷载计算 18
2.6 地震作用 19
第3章 内力计算 26
3.1恒载标准值作用下的内力计算(分层法) 26
3.2风荷载标准值作用下框架的内力计算(D值法) 35
3.3 活载标准值作用下的框架内力图 39
3.4 水平地震作用(左震)下框架内力图 42
第4章 内力组合 45
第5章 截面验算 46
5.1一般组合情况下(无震组合) 46
5.1.1框架柱 46
5.1.2 框架梁 51
5.2考虑地震作用组合情况下 53
5.2.1框架柱 53
5.2.2框架梁 56
5.2.3 节点抗震验算 57
5.3 节点设计 58
5.3.1一层CD跨梁与柱连接节点处内力 58
5.4 柱脚设计 61
5.4.1 底板计算 61
第6章 楼梯设计 65
6.1荷载和受力计算 65
6.2配筋面积计算 66
6.3配筋结果 67
第7章 基础设计 68
7.1设计资料及工程地质条件 68
7.1.1地层分布 68
7.1.2地下水情况 68
7.1.3工程地质条件评价 68
7.1.4基础材料 69
7.1.5设计资料 69
7.2柱下独立基础设计 72
7.2.1选择基础埋置深度 72
7.2.2地基承载力特征值计算 72
7.2.3初步确定基底尺寸 73
7.2.4持力层地基承载力验算 73
7.2.5基底反力计算 74
7.2.6基础高度 74
7.2.7变阶处冲切验算 76
7.2.8配筋计算 77
7.3 柱下联合基础设计 78
7.3.1 基础底面尺寸确定 78
7.3.2 基地反力计算 79
7.3.3 冲切验算 79
7.3.4 纵向内力计算 82
第8章 结论 83
参考文献 84
附 录 80
致 谢 94
第1章 绪论
钢结构由于其美观、自重轻等优点得到了人们的广泛青睐的运用,而框架结构由于其安全性也越来越多的运用到实际工程中来,在这样的现状下,钢框架结构自然也会顺应潮流,成为某些建筑的设计的结构方案。在这个毕业设计环节中,高校综合办公楼设计(结构方案:钢框架结构)目的在于将之前我们所学习的单一的、分散的学科知识结合到一个完整的工程项目中来,将知识加以巩固并融会贯通,以达到本科培养计划的最基本要求,为我们不久后投入实际工作打好基础做好准备。
本次毕业设计的意义主要有以下几点:第一,我们要通过这次综合的实践过程,将本科阶段学习的所有专业知识加以巩固;第二,与实际工程打交道也是我们未来的工作中必定会遇到的问题,而毕业设计是我们第一次相对独立地去完成一个工程的设计,它是一个起过渡作用的桥梁,连接我们的理论知识与工程实际;第三,当今社会处处存在竞争,但又处处离不开合作,毕业设计小组的分配让我们在进行毕业设计的环节中可以针对各自的疑问进行讨论交流,各抒己见以获得最优的解决办法,这个过程中我们的团队合作意识得以提升,对我们步入社会工作有极大的积极意义;最后,毕业设计整个过程将延续15周,这是一个耗时长、工程量大的项目,要求我们以一丝不苟的态度来对待,投机取巧或是想要拖延到最后才匆匆赶工是决计不能按要求完成的,整个过程是对我们工作态度的考验。
本次毕业设计的内容是一个钢框架结构高校综合办公楼的设计,由于钢结构建筑是装配式建筑的一种,并且钢结构具有强度高、整体刚度好、抗变形能力强等优点,加之相比混凝土结构而言,钢结构的自重要小很多,在外形上也要更为美观,所以在国内外钢结构都受到了较高的重视。[1][2]在西方发达国家,钢结构的发展起步早,已经有了上百年的发展历史。在法国,预制结构的使用已经经历了130多年的发展历程,装配率达到了百分之八十;在瑞典,目前的新建住宅中装配建筑部件的使用也达到了百分之八十以上;而在美国,装配式住宅是非政府补贴的经济适用房的主要形式,每16个人里就有一个人居住的是装配式住宅......[3]但由于我国的钢结构发展起步较晚,发展也较为缓慢导致我国目前的装配工业化程度只有3%~5%。由于钢结构的优越性能加之国民的重视,我国的钢结构发展也受到了越来越多的关注。如今人们已经认识到了钢结构的独特优点,相信在工程的发展趋势推动下,钢结构的运用一定会越来越广泛,钢结构的发展也一定会愈发完善。
第2章 荷载统计
2.1 恒载标准值计算
2.1.1 屋面
30厚1:3干硬性水泥砂浆结合层,撒素水泥面,铺5~10厚地面地砖,干水泥擦缝。
20×0.03 16×0.001 0.55=1.31kN/m²
1.5厚合成高分子涂料防水层,四周翻起150高
11×0.0015=0.0165kN/m²
1:3水泥砂浆找坡层,最薄处20厚,坡向地漏,一次抹平(距离取6米)
20×(6/2×2% 0.02)=1.6kN/m²
100厚现浇钢筋混凝土屋面板
0.1m×25kN/m³=2.5kN/m²
12厚水泥砂浆顶棚
0.012m×20kN/m³=0.24kN/m²
合计:5.667kN/m²
2.1.2 标准层楼面
陶瓷地砖楼面:5~10厚地砖铺实拍平,水泥砂浆擦缝
25厚1:3干硬性水泥砂浆
素水泥结合层
总厚度28~30,自重 0.7kN/m²
100厚现浇钢筋混凝土屋面板 0.1m×25kN/m³=2.5kN/m²
12厚水泥砂浆顶棚 0.012m×20kN/m³=0.24kN/m²
合计:3.44kN/m²
2.1.3 梁自重
梁尺寸(热轧H型钢) 400mm×400mm×28mm×18mm
梁自重 2.273kN/m
合计:2.273kN/m
2.1.4 柱自重
柱尺寸 450mm×450mm×10mm×18mm
柱自重 2.314kN/m
合计:2.314kN/m
2.1.5 外纵墙自重
标准层:
纵墙 0.9m×0.25m×(6m-0.3m)×7kN/m³ (6m-0.3m-2.4m)×0.25m×(3.3m-0.4m-0.9m)×7kN/m³=20.528kN
窗 0.4kN/m³×2.4m×2.1m=2.016kN
面砖外墙面 (17.8kN/m³×0.008m 20kN/m³×0.025m)×[0.9m×(6m-0.3m) (6m-0.3m-2.4m)×2.1m]=10.226kN
水泥砂浆内墙面 20kN/m³×0.025m×[0.9m×(6m-0.3m) (6m-0.3m-2.4m)×2.1m]=6.03kN
保温层 140kg/m³×9.8×10
kN/kg×0.05m×[0.9m×(6m-0.3m) (6m-0.3m-2.4m)×2.1m]=0.827kN
合计:39.627kN
2.1.6 内墙自重
标准层:
内墙 2.9m×0.24m×7kN/m³=4.872kN/m
水泥砂浆墙面 2×2.9m×0.02m×20kN/m³=2.23kN/m
合计:7.192kN/m
2.2 活荷载标准值
2.2.1 屋面和楼面活荷载标准值
上人屋面 2.0kN/m²
会议室、办公楼面 2.0kN/m²
走廊、门厅 2.5kN/m²
卫生间 2.5kN/m²
2.2.2 雪荷载
基本雪压
0.45kN/m²
屋面水平投影上的雪荷载标准值
s
=
(2.1)
其中,
为屋面雪分布系数,s
为基本雪压
雪荷载标准值
s
=
=1×0.45kN/m²=0.45kN/m²
2.3 恒荷载作用下框架荷载计算
2.3.1 A-B轴间框架梁
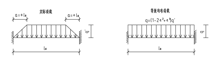
板传给梁的三角形荷载和梯形荷载都要等效为均布荷载。[4][5][6]
其中,
三角形荷载作用时的等效公式:
(2.2)

图2.1 三角形荷载换算为等效均布荷载
梯形荷载作用时的等效公式:
,
(2.3)

图2.2 梯形荷载换算为等效均布荷载
,
——分别为与长跨短跨的计算跨度。

图2.3 荷载传递路线图
由屋面板传来的荷载:
5.667kN/m²×
×
=26.415kN/m
由楼面板传来的荷载:
3.44kN/m²×
×
=16.034kN/m
梁自重:2.273kN/m²
A-B轴间框架梁均布荷载
屋面梁:
恒荷载=梁自重 屋面板传恒荷载=2.273 26.415=28.688kN/m
楼面梁:
恒荷载=梁自重 楼面板传恒荷载 内墙自重=2.273 16.034 7.192=25.499kN/m
2.3.2 B-C轴间框架梁
由屋面板传来的荷载:
5.667kN/m²×5/8×1/2×2.4×2=8.516kN/m
由楼面板传来的荷载:
3.44kN/m²×5/8×1/2×2.4×2=5.16kN/m
梁自重:2.273kN/m
B-C轴间框架梁均布荷载
屋面梁:
恒荷载=梁自重 屋面板传恒荷载=2.273 8.516=10.789kN/m
楼面梁:
恒荷载=梁自重 楼面板传恒荷载=2.273 5.16=7.39kN/m
2.3.3 C-D轴间框架梁
由于对称关系,C-D轴间框架梁的荷载计算与A-B轴间的荷载计算过程相同。
屋面梁:28.688kN/m
以上是毕业论文大纲或资料介绍,该课题完整毕业论文、开题报告、任务书、程序设计、图纸设计等资料请添加微信获取,微信号:bysjorg。
相关图片展示:









