钢管微膨胀超高性能混凝土短柱力学性能模拟研究毕业论文
2020-02-18 09:58:46
摘 要
本文对钢管微膨胀超高性能混凝土短柱的轴心受力性能进行了数值模拟研究模拟。所采用的超高性能混凝土抗压强度从101.8MPa至145.1MPa。在其他条件一致的情况下,钢管的厚度分别选取了2mm、3mm、4mm以验证钢管混凝土试件含钢率对其承载力的影响。钢材分别使用了Q235、Q345、Q420验证钢材屈服强度对钢管混凝土承载力的影响。采用通用有限元软件ABAQUS,建立了精确的有限元模型,超高性能混凝土采用了修正的Mander约束混凝土本构模型,钢管采用理想弹塑性材料模型。通过模拟研究评估了短柱的强度以及轴向位移-荷载曲线。
将有限元分析结果与实验结果进行对比验证,并分析了钢管微膨胀超高性能混凝土短柱结构参数对其强度和性能的影响。根据有限元分析所得到的短柱强度与中国、美国、欧洲以及日本设计规范计算的强度进行比较,可以发现:美国、日本、欧洲规范极限承载力均小于实际极限承载力,其中美国规范与日本规范过于保守;中国规范极限承载力部分大于实际极限承载力,偏于不安全。最后,利用可靠性分析对各国规范进行对比,得出相应评价及结论。
关键词:钢管微膨胀超高性能混凝土短柱;超高性能混凝土;有限元计算;约束混凝土本构模型
Abstract
In this paper, the numerical simulation of the axial force behavior of expansive ultra-high performance concrete filled steel tube short columns is carried out. The compressive strength of the ultra-high performance concrete used is from 101.8 MPa to 145.1 MPa. Under the same conditions, the thickness of the steel pipe was selected as 2mm, 3mm and 4mm, respectively, to verify the influence of the steel content of the concrete filled steel tube specimen on its ultimate force. The steels used Q235, Q345 and Q420, respectively, to verify the influence of the yield strength of the steel on the bearing capacity of the concrete filled steel tube. Using the general finite element software ABAQUS, an accurate finite element model was established. The ultra-high performance concrete adopts the modified Mander constrained concrete constitutive model, and the steel tube adopts the ideal elastoplastic material model. The strength of the short column and the axial displacement-load curve were evaluated by simulation studies.
The finite element analysis results were compared with the experimental results, and the influence of the structural parameters of the expansive ultra-high performance concrete filled steel tube short column on its strength and performance was analyzed. According to the strength of the short column obtained by finite element analysis and the strength calculated by the design specifications or standards of China, the United States, Europe and Japan, it can be found that the ultimate capacity of the United States, Japan, and Europe is less than the actual ultimate capacity, including the US norm and Japan. The specification is too conservative. The limit of the ultimate bearing capacity of China is greater than the actual ultimate capacity, which is unsafe. Finally, the reliability analysis is used to compare the national standards and draw corresponding evaluations and conclusions.
Key Words:Expansive UHPC filled steel tube short column; UHPC; Finite element simulation; Confined concrete constitutive model
目 录
第1章 绪论 1
1.1研究背景及意义 1
1.2 国内外研究现状 2
1.3研究的内容和预期目标 3
第2章 钢管微膨胀超高性能混凝土短柱有限元分析 4
2.1 引言 4
2.2 模拟试验设计和主要构件材料信息 4
2.3 单元类型和网格划分 5
2.4 边界条件和加载方式 6
2.5 钢管材料模型 7
2.6 微膨胀超高性能混凝土材料模型 8
2.7 混凝土与钢管接触条件 11
2.8 有限元模型验证 12
第3章 钢管微膨胀超高性能混凝土短柱轴心受力性能参数分析 20
3.1 有限元参数分析方案 20
3.2 钢管厚度对构件的影响 21
3.3 钢管强度对构件的影响 21
3.4 混凝土强度对构件的影响 22
第4章 钢管微膨胀超高性能混凝土短柱承载力分析 24
4.1 引言 24
4.2 各国规范介绍 24
4.2.1 中国规范 24
4.2.2 美国规范 25
4.2.3 欧洲规范 26
4.2.4 日本规范 26
4.3 有限元结果与规范对比 26
4.4 总结 31
第5章 结论 32
5.1 本文完成的工作 32
5.2 结论 32
5.3 展望 32
参考文献 33
致谢 35
第1章 绪论
1.1 研究背景及意义
本世纪初,随着土木工程的快速发展,高层建筑与超高层建筑进入了飞速发展的阶段。但是由于材料以及技术的限制,高层建筑与超高层建筑往往会通过增加柱体截面的形式来提高柱子的承载能力。而在现代结构建设中,钢管混凝土柱(Concrete-Filled Steel Tubular Column,又简写为CFST柱)已经在建筑、桥梁等多个领域中成为结构系统中炙手可热的核心内容。早在上个世纪八十年代,部分位于美国西雅图的高层建筑便采用了钢管混凝土(Concrete-Filled Tube,简称CFT)作为抗侧向荷载框架中的主要柱体结构[1]。除了高层建筑中,钢管混凝土柱也大量运用于中低层建筑项目中。圆形钢管混凝土柱可以运用于支撑结构中,并在小部分情况中可以作为弯矩承载结构进行使用。虽然钢管混凝土已经在工程中有了比较广泛的运用,但是对于钢管混凝土结构的研究并不充分。对其核心混凝土约束的研究也不完整。钢管混凝土柱在地震作用下可以提供良好的结构性能,包括高强度、高延展性和极佳的吸能能力。除此之外,由于钢管本身提供了永久的模具以供混凝土浇筑使用,故可以有效减少建筑施工时间。钢管可以作为纵向和横向的加固以提供给混凝土侧向压力,而混凝土则受到了三向应力作用。当混凝土和钢管组成系统时,混凝土同时可以加强钢管,从而避免钢管的内向屈曲。钢管混凝土有着高稳定性以及高强度的优势。作为组合构件,钢管混凝土柱的部件分别受到构成材料性能的影响。混凝土的抗压强度以及钢的屈服强度都会影响整体构件的极限强度。混凝土的侧向压力以及构件的几何特性也会影响构件的极限强度。
近年来,钢管混凝土柱的研究受到了广泛的关注。而对于钢管混凝土柱,其设计标准已纳入国内外的设计规范中。钢管混凝土柱体结构虽然已经运用于实际工程,但其力学性能和破坏机理还有待更深入的研究。超高性能混凝土(Ultra High Performance Concrete,简写为UHPC)相比于普通混凝土而言,最大的优势在于抗压强度高,可以显著降低截面尺寸。因此,其用于结构中作为主要的抗压构件,尤其是柱体,可以进一步减小柱体的大小,增加使用空间。在桥梁工程中,超高性能混凝土可以显著提高桥梁的跨径,在大跨度桥梁中有着广泛的应用前景。同时,柱体体积的减小意味着自重的大幅降低,在超高层建筑中可以发挥重要的作用,起到明显的优势。微膨胀超高性能混凝土由于含有大量的细纲纤维,解决了延性差的问题,并提高了其断裂能。相较于普通混凝土,微膨胀超高性能混凝土具有更好的韧性[2]。但是由于高性能混凝土材料本身是脆性材料,强度越高,延性越差,具有早起水化快、自干燥程度高、自收缩大的特点,带来早期的稳定性差、易开裂等问题。因为内部核心混凝土自收缩大的特性,极易出现脱粘等现象,所得到的力学结果的普适性有待进一步研究。因此,使内部核心混凝土产生自应力,达到微膨胀的效果,以解决自收缩大带来的脱粘问题。超高性能混凝土在钢管的约束下,使核心混凝土的破坏形态由脆性破坏转变为塑性破坏。
目前对普通钢管混凝土柱的研究已经比较充分,但对钢管微膨胀超高性能混凝土柱的研究仍有不足,有待通过更多的实验数据和深入的研究分析,对其力学性能和破坏机理作进一步的了解,为工程实践提供科学依据和技术支持。
1.2 国内外研究现状
早期学者认为钢管可以为混凝土提供侧向约束并起到加固作用,并同时提供纵向的承载力。已经完成的实验研究了钢管混凝土柱的强度和性能。Schneider[1]研究结论表明,圆形钢管截面相较于矩形钢管截面可以提供更好的后屈服轴向延性。进行了不同钢管几何形状和钢管厚度的钢管混凝土短柱轴心受压承载力试验。试验结论表明,圆形钢管截面相较于矩形钢管截面可以提供更好的屈服后轴向延性。Huang[3]的研究与Schneider[1]类似,研究分析了钢管混凝土柱直径与钢管板厚之比处于较高数值情况下的钢管混凝土短柱试样。在钢管直径与板厚之比达到150时,他的研究也得到了与前者相同的结论。Sakino等人[4]则完成了114个样本的试验,研究分析了钢管混凝土系统在轴心受力情况下,钢管形状、钢抗拉强度、钢管直径与厚度之比以及混凝土强度对钢管混凝土柱力学性能的影响。Giakoumelis和Lam[5]完成了15个钢管混凝土圆柱的实验,研究了钢管板厚、钢管和混凝土接触面以及约束混凝土对钢管混凝土性能的影响。Ellobody[6]完成了16个钢管高强度混凝土圆柱的实验,研究了高强度混凝土在不同钢管外径与钢管厚度比情况下对圆形钢管混凝土短柱的轴心受力性能的影响。
在数值模拟方面,Schneider[1]首先使用ABAQUS立了一个钢管混凝土圆柱的三维非线性有限元模型。其有限元模型使用了ABAQUS材料库提供的Linear Drucker-Prager Model[7]。在此模型下,并不考虑钢管中的应变硬化问题。Hu等人[8]使用ABAQUS软件建立了非线性有限元模型以模拟钢管混凝土柱的力学性能。通过参数研究得到试验和误差。Ellobody等人[6]为了模拟圆形钢管混凝土短柱以分析其力学性能使用ABAQUS建立了精确的有限元模型。分析中考虑了侧向约束对混凝土强度的增强作用,采用了钢管的多线性应力-应变曲线。模拟验证了Giakoumelis和Lam[5]以及Sakino等人[4]的实验。并通过参数分析和可靠性分析与欧洲规范[9]、美国规范[10]以及澳大利亚规范[11]进行比较。
1.3 研究的内容和预期目标
本论文的目标是对钢管微膨胀超高性能混凝土短柱的力学性能进行研究。目前国内外学者已经提出了钢管混凝土短柱轴心受压的极限承载力理论和经验公式,并建立了钢管超高性能混凝土模型。但由于超高性能混凝土具有收缩大的特点,采用普通钢管混凝土所建立的模型是否适用,还需进一步验证。鉴于上述情况,本论文将采用通用有限元软件ABAQUS建立钢管微膨胀超高性能混凝土短柱的精细有限元模型,并考虑钢管对微膨胀超高性能混凝土的侧向约束作用,以此分析其在轴心受压情况下的力学性能。
本研究参考了Ellobody等人[6]所采用的钢管高强度混凝土模拟研究的方法,采用ABAQUS有限元软件建立钢管微膨胀超高性能混凝土的精细有限元模型。参考Hu等人[8]以及Ellobody等人[6]所采用的混凝土材料模型以及钢管材料模型建立超高性能混凝土材料模型以及钢管多线性材料模型。参考Ellobody等人[6]建立的钢管-混凝土接触面模型。通过与相关实验的对比验证有限元模型准确性。利用有限元模型对钢管微膨胀超高性能混凝土短柱极限承载力的影响因素进行讨论和参数研究。最后结合中国规范[12][13]、欧洲标准[9]、美国规范[10]以及日本规范[14],进行可靠性分析。并对钢管微膨胀超高性能混凝土短柱构件抗压承载力计算公式提出修改建议。本研究技术路线如图1.1。

图1.1 技术路线图
第2章 钢管微膨胀超高性能混凝土短柱有限元分析
2.1 引言
有限单元法是当前工程分析中使用最为广泛的数值计算方法之一。人们通过有限单元法在计算机中开发出了一系列的计算机分析软件并在工程中获得了成功。ABAQUS作为目前国际上最先进成熟的大型通用有限元分析软件之一,由于其优秀的非线性力学分析能力,它的模拟分析能力获得了广泛的认可,在机械制造、土木工程、航空航天等领域均有着广泛的应用。ABAQUS软件具有丰富的功能和更为普遍的模拟能力,它的软件中包含了大量可以直接使用的单元类型、材料模型、分析过程。并因其在混凝土材料模型的优越性,在土木行业的工程分析中,大量采用ABAQUS进行有限元模拟分析以及研究。ABAQUS软件建模、分析、后处理的过程都比较便利,在业内有广泛的受众人群。本论文进行的分析计算均采用ABAQUS软件,版本为6.14-4。
为了建立更为准确的有限元模型以模拟钢管微膨胀超高强度混凝土短柱的力学性能,主要的三个部分需要建立更为精细的模型。这三个部分分别是超高性能混凝土、钢管以及混凝土与钢管之间的连接方式。为了得到比较准确的参数结果,模拟分析中均采用了更为严谨的单元类型、网格尺寸和分析步参数。上述这些内容均对最后的分析结果产生了重要的影响。
2.2 模拟试验设计和主要构件材料信息
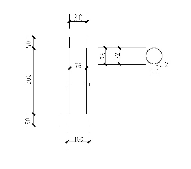
模拟试验主要为了研究钢管微膨胀超高性能混凝土短柱的抗压力学性能。根据申培亮[2]完成的钢管微膨胀超高性能混凝土短柱试验建立了相应的有限元模型。共建立1组钢管混凝土有限元模型用于轴心抗压承载力实验,试件的参数如表2.1所示,表中包含钢管几何尺寸信息以及混凝土几何尺寸信息、混凝土圆柱体抗压强度以及钢管屈服强度。其中,A6-1、A6-2、A7-1、A7-2为本研究增加的4组对照试验组,主要目标是研究钢管屈服强度大小对钢管微膨胀超高性能混凝土短柱受压情况下承载力的影响。
参考申培亮[2]所做实验得到的数据。实验中所有参数均与本模拟中设置的参数一致。试验完成了对混凝土圆柱体强度值的测试以及钢管微膨胀超高性能混凝土的轴心受压实验。实验数据如表2.2。
试验分别研究了不同钢管微膨胀超高性能混凝土的界面粘结强度,钢纤维掺量、粘结面积、养护方法等因素的影响。分析了钢管微膨胀超高性能混凝土界面粘结力的组成、滑移破坏过程等内容。由于本论文有限元模型的建立的主要目标为分析钢管微膨胀超高性能混凝土的极限承载力,仅针对试验中得到的混凝土强度以及极限承载力进行对比分析。
表2.1 构件信息表
编号 | 钢管几何尺寸(mm) | 混凝土几何尺寸(mm) | 混凝土圆柱体抗压强fc(MPa) | 钢管屈服强fy(MPa) | |||
直径D | 板厚t | 高度H | 直径d | 高度H | |||
A2-1 | 76 | 2 | 300 | 72 | 300 | 138.2 | 236 |
A2-6 | 76 | 2 | 300 | 72 | 300 | 145.1 | 236 |
A2-7 | 76 | 2 | 300 | 72 | 300 | 112.5 | 236 |
A2-8 | 76 | 2 | 300 | 72 | 300 | 125.7 | 236 |
A3 | 76 | 3 | 300 | 70 | 300 | 145.1 | 236 |
A4 | 76 | 4 | 300 | 68 | 300 | 145.1 | 236 |
A6-1 | 76 | 2 | 300 | 72 | 300 | 145.1 | 345 |
A6-2 | 76 | 2 | 300 | 72 | 300 | 112.5 | 345 |
A7-1 | 76 | 2 | 300 | 72 | 300 | 145.1 | 420 |
A7-2 | 76 | 2 | 300 | 72 | 300 | 112.5 | 420 |
表2.2 实验数据
编号 | 混凝土强度fc(MPa) | 测试值Ptest(kN) |
A2-1 | 138.2 | 745.3 |
A2-6 | 145.1 | 844.2 |
A2-7 | 112.5 | 664.5 |
A2-8 | 125.7 | 715.1 |
A3 | 145.1 | 881.0 |
A4 | 145.1 | 984.4 |
2.3 单元类型和网格划分
不同的单元类型会影响到有限元模型的精度。ABAQUS单元库中提供了丰富的单元类型,在不同分析问题中选取不同的单元类型往往会影响到结果的精度,从而导致极大的差异。本论文中,采用了两种单元类型。针对混凝土部分,采用了三维八节点实体单元(C3D8)。钢管采用壳单元(Shell)。模拟分析尝试了不同的网格划分尺寸以获得更加精确的计算分析结果以及节省时间。Ellobody等人[6]指出网格划分尺寸采用1(长度):1(宽度):2(高度)的比例时,在大多数单元计算中均可以获得比较精确的结果。按照近似于1(长度):1(宽度):2(高度)的比例对网格进行划分,图中所示为钢管微膨胀超高性能混凝土圆柱的有限元网格划分情况,其中钢管厚度为2mm、外径为76mm,钢管柱体高度为300mm。有限元模型如图2.1。

以上是毕业论文大纲或资料介绍,该课题完整毕业论文、开题报告、任务书、程序设计、图纸设计等资料请添加微信获取,微信号:bysjorg。
相关图片展示:









