东风标致308轿车前麦弗逊悬架的设计毕业论文
2020-02-17 19:26:35
东风标致308轿车前麦弗逊悬架的设计
学院(系): 国际教育学院
专业班级: 车辆工程gj1503
学生姓名: 武彦鑫
指导教师: 方志刚
学位论文原创性声明
本人郑重声明:所呈交的论文是本人在导师的指导下独立进行研究所取得的研究成果。除了文中特别加以标注引用的内容外,本论文不包括任何其他个人或集体已经发表或撰写的成果作品。本人完全意识到本声明的法律后果由本人承担。
作者签名:
年 月 日
学位论文版权使用授权书
本学位论文作者完全了解学校有关保障、使用学位论文的规定,同意学校保留并向有关学位论文管理部门或机构送交论文的复印件和电子版,允许论文被查阅和借阅。本人授权省级优秀学士论文评选机构将本学位论文的全部或部分内容编入有关数据进行检索,可以采用影印、缩印或扫描等复制手段保存和汇编本学位论文。
本学位论文属于1、保密囗,在 年解密后适用本授权书
2、不保密囗 。
(请在以上相应方框内打“√”)
作者签名: 年 月 日
导师签名: 年 月 日
ABSTRACT
Suspension is a general term for all force transmission devices between the frame (or carrier) of an automobile and the axle (or wheel). Its function is to transmit the force and force torsion between the wheels, and the buffer is transmitted from the uneven road to The impact of the frame or the body and reduce the vibration caused thereby to ensure that the vehicle can travel smoothly.
The Dongfeng Peugeot 308 front suspension in this design uses the McPherson suspension, which is more common in the market. It consists of two basic parts: the strut damper and the A-shaped arm. For further understanding The design process of the car suspension is studied in this paper for the front McPherson suspension of the car. According to the reference model parameters, the main part size and performance parameters of the suspension are selected and calculated, and the design of the Dongfeng Peugeot 308 MacPherson suspension is completed. The finite element strength analysis of the suspension spring is carried out in ANSYS Workbench to test the rationality of the design model.
Keywords: McPherson independent suspension; shock absorber; spring; simulation; strength analysis
Content
ABSTRACT I
Chapter 1 Introduction 1
1.1 Research background 1
1.2 Vehicle suspension overview 1
1.2.1 Composition and classification of vehicle suspension 1
1.2.2 Status of foreign research: 4
1.2.3 Status of domestic research: 5
1.3 Research basic content and technical solutions 7
1.3.1 Basic content: 7
1.3.2 Objectives: 7
1.3.3 Technical solutions 8
1.4 chapter summary 9
Chapter 2 Design Calculation of MacPherson Suspension 9
2.1 McPherson Suspension Introduction 9
2.2 Overview of the MacPherson Suspension Design of the Peugeot 308 Sedan 10
2.3 Select the main performance parameters of the suspension 11
2.3.1 Over-frequency and static deflection of the suspension 11
2.3.2 Dynamic deflection of the suspension 12
2.3.3 Working stroke of the suspension 13
2.3.4 Suspension elastic properties 13
2.4 chapter summary 14
Chapter 3 Suspension main part design 15
3.1 Design calculation of coil spring 15
3.1.1 Stiffness of the coil spring 15
3.1.2 Selection of coil spring materials. 16
3.1.3 Calculation of spring geometric parameters 17
3.1.4 Summary of spiral spring design parameters 18
3.1.5 Coil Spring Stability Check 19
3.1.6 Checking the shear stress of the coil spring 20
3.1.7 Spring Stiffness Check 20
3.2 Shock absorber design 20
3.2.1 Design of shock absorber parameters 20
3.2.2 Selection of damper materials 24
3.2.3 Shock absorber wheel bracket design 24
3.2.4 Summary of damper parameters 25
3.3 Design of McPherson Suspension Guide Structure 25
3.4 Design of the stabilizer bar 26
3.4.1 The role of the transverse stabilizer 26
3.4.2 Selection of transverse stabilizer bar parameters 26
3.5 chapter summary 27
Chapter 4 CATIA Modeling of McPherson Independent Suspension and Strength Analysis of Suspension Parts 28
4.1 McPherson Independent Suspension CATIA Modeling 28
4.1.1 Introduction to CATIA Software 28
4.1.2 Simplification of the suspension model 28
4.1.3 Suspension damper model 28
4.1.4 Coil spring model 29
4.1.5 Modeling of other components of the suspension 29
4.1.6 Final assembly of components of the suspension system 31
4.2 Finite element analysis of spring under static load condition 32
4.2.1 Principle of meshing 32
4.2.2 Establishing a spring finite element model 32
4.2.3 Setting boundary conditions and loads 33
4.2.4 Analysis of static load results and results 34
4.3 chapter summary 35
Chapter 5 Conclusions and Prospects 36
5.1 Conclusion 36
5.2 Outlook 37
References 38
Appendix MATLAB Programming 39
Thanks 40
Chapter 1 Introduction
Research background
January 29, 1886 is the birth day of the world car. After 100 years of continuous transformation and improvement, and thanks to the support of various industries such as petroleum, steel, aluminum, plastics and electronic technology, the car has gradually evolved into a variety of types and specifications, and is widely used in society. Transportation tools in all areas of economic life.
Automobile suspensions have been continuously developed and more and more types. They can be divided into two types: independent suspension and non-independent suspension. The left and right wheels of the non-independent suspension are rigidly connected, that is to say, the beating of the wheels on either side will be transmitted to the other wheel through the rigid connection. The suspension of this structure has the advantage that the structure is not complicated and can save production time. Manufacturing costs, but will result in poor body vibration and poor ride comfort. The independent suspension uses flexible means to connect the left and right wheels, so that their beating can not affect each other, thus improving the vibration of the car and obtaining better car ride comfort.
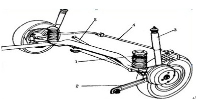
As a model of independent suspension, the McPherson-style independent suspension changes the traditional suspension structure and is simple and compact. The unique design of the coil spring on the damper provides a large space for the engine layout, and the wheel positioning parameters can be changed within a desired range during the running of the vehicle, thereby maintaining good steering stability and reasonably Matching its performance parameters also provides good ride comfort.
In view of the above advantages, the MacPherson suspension is widely used in the front suspension of the front-drive passenger car. Popular passenger cars such as Peugeot 308, FAW Volkswagen Bora and other foreign best-selling brands, domestically produced vehicles are also commonly used Macpherson suspension, such as the domestic Geely Dorsett and other passenger car front suspension, and even some high-performance cars will be used To the former MacPherson-style independent suspension, the front suspension of the Porsche 911, which is popular among consumers, is the MacPherson suspension. It can be seen that the McPherson suspension is currently widely used in automobiles.
Vehicle suspension overview
Composition and classification of vehicle suspension
The suspension system is generally composed of elastic components, dampers, buffer blocks, lateral stabilizers, etc., as shown in Figure 1.1. They act as cushioning, damping, force transmission, limit and control of the vehicle's roll angle.

以上是毕业论文大纲或资料介绍,该课题完整毕业论文、开题报告、任务书、程序设计、图纸设计等资料请添加微信获取,微信号:bysjorg。
相关图片展示:









