高速公路移动联合作业平台结构设计毕业论文
2020-02-17 19:25:39
摘 要
我国的高速公路的里程增长的越来越快,对高速公路的清扫工作也变得越来越重要。我国用于高速公路的清扫的扫路车近年来迅速发展,不管是在性能、效率还是可靠性上都有了非常的提高,但是与国外的扫路车的水平还有一定差距,不论是在功能多样性还是工作可靠性上。
本文通过在二类底盘上进行改装,并且结合高速公路作业的要求,对作业车的总体结构以及部分功能进行了选型与设计。主要完成的工作如下:
- 对二类底盘进行选型并且对作业车的总体结构进行设计。
 - 完成副发动机与风机间的传动设计,气力传输系统的设计。
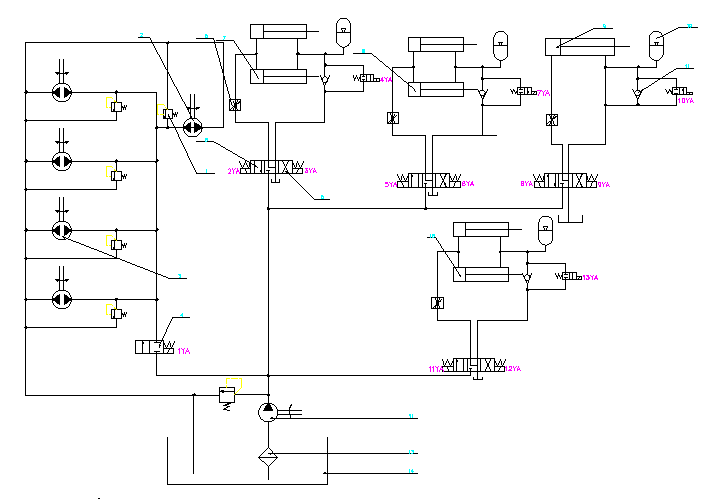
 - 对作业车的液压系统进行设计,并对作业车上的液压缸、液压马达、液压泵进行计算选型。
 - 对作业车作业性能进行校核。
 
关键词: 高速公路 扫路车 动力系统 液压系统
Abstract
The mileage of highways in China has grown faster and faster, and the cleaning of highways has become more and more important. China's sweeping vehicles for highway cleaning have developed rapidly in recent years. No matter in performance, efficiency or reliability, there is still a certain gap with the level of foreign road sweepers, whether in the Functional diversity or work reliability.
This paper selects and designs the overall structure and some functions of the work vehicle by modifying it on the second type of chassis and combining the requirements of highway operations. The main work done is as follows:
(1) The second type of chassis is selected and the overall structure of the work vehicle is designed.
(2) Complete the transmission design between the auxiliary engine and the fan, and design the pneumatic transmission system.
(3) Design the hydraulic system of the work vehicle, and calculate and select the hydraulic cylinder, hydraulic motor and hydraulic pump on the work vehicle.
(4) Check the performance of the work vehicle.
Key Words: highway; road sweeper;power system; hydraulic system
目 录
第1章 绪论 1
1.1目的及意义 1
1.1.1课题研究的背景和意义 1
1.1.2国内外的研究现状 1
1.2设计的基本内容与目标 2
1.2.1主要内容 2
1.2.2 目标 3
第2章 作业车的总体设计 4
2.1专用车设计特点 4
2.1.1底盘的选型 5
表2.2发动机参数 7
2.2总体设计 7
2.2.1 工作原理 7
2.3作业车主要参数的确定 8
2.3.1质量参数 8
2.3.2尺寸参数 8
2.4 副车架的设计 8
第3章 主要零件的选择及设计 11
3.1清扫系统的选择与设计 11
3.1.1风机的工作原理 11
3.1.2风机的选型 13
3.1.3 垃圾箱及其卸载装置设计 15
3.1.4气力传输系统的设计 17
3.1.5扫刷结构与布置形式 18
3.2洒水系统的选择与设计 19
3.2.1水泵与喷水头的选择 19
3.2.2水箱的设计 20
第4章 作业装置的动力设计与计算 21
4.1风机的传动设计 21
4.1.1 窄V带设计 21
4.2水泵液压马达的选择 24
4.3扫刷马达的选择 25
4.4液压缸的选择 25
4.5液压泵的选择 27
4.6液压控制系统设计 28
第5章 作业车的性能分析 30
5.1作业车稳定性分析 30
5.1.1作业质心高度的计算 30
5.1.2作业车的侧倾角的计算 30
5.2作业车动力性校核 31
5.2.1作业车行驶驱动功率计算 31
第6章 总结 34
参考文献 35
致谢 37
第1章 绪论
1.1目的及意义
1.1.1课题研究的背景和意义
从1988年中国第一条高速公路竣工至今,我国的高速公路事业不断发展,里程不断增长,到今天已经突破14万里程。预计到2030年,我国高速公路里程将到达15万公里。随着高速公路的飞速发展,高速公路已经成为人们不可或缺的一种出行方式。随着高速公路的建设与发展以及高速公路车流量的增加,伴随而来的是高速公路养护问题愈发突出。但实际上现阶段我国高速公路养护的整体作业水平还较低,不少偏远地区主要还是依靠人工清洁为主完成作业,相对于人工清扫,机械清扫安全性高, 能够快速完成作业, 保护作业人员的安全, 也能够减少对其他车辆的阻碍。同时社会效益显著。但是对于大多数是正在使用的机械养护设备,也存在较为严重的单一作业、配套不全和作业效率有待提高的问题。
高速公路的养护主要有洒水,清洗,降尘等,现有的作业车一般都只能完成单一工作,多项工作不能同时完成,浪费大量资源人力。而在高速公路上,若作业车速度慢,则交通事故的发生率会大大升高,并且高速公路两服务区相隔距离太长,车速太慢会导致司机工作时间过长而导致疲劳,加大发生事故的概率。而高速公路的养护又是必不可少的,只有良好的养护才能保证高速公路出行的安全性、便捷性以及舒适性。只开发制造先进的高速公路作业汽车,才能够保证我国高速公路事业的不断发展。因此高速公路的不断发展对针对高速公路的作业汽车提出了更高的要求。研制更科学更合理的高速公路作业车对于提高我国高速公路养护的水平具有重大意义。所以我们需要研制高速公路移动作业车,它具有降尘,洒水,清扫等功能,很好的将多种功能集于一辆汽车之上,让高速公路清扫、洒水等作业变得更加机械化,自动化。并且这样也能够减少高速公路养护作业工程占用车道的时问,避免高速公路堵塞,最大程度上实现对高速公路的快速养护。
1.1.2国内外的研究现状
我国的道路清扫车从二十世纪六十年代开始研究,当时研制出的第一代清扫车由于技术水平较差,并且当时的经济条件也不好,并且作业形式为纯扫式的,所以这代清扫车不仅性能差、可靠性低、外观丑而且清扫作业的效果也很不好。在二十世纪八十年代末期,我国成功研制出第一辆吸扫式扫路车,这种形式的扫路车增加了清扫效率,但是有严重的扬尘问题。然后研发了以北京130底盘为基础的负压吸扫式清扫车, 在该清扫车上用了布袋除尘器, 这样就能够基本解决排放扬尘问题, 但同时带来的问题是布袋的清理问题,这个问题对于扫路车的使用会有很大的问题。直至二十世纪九十年代,清扫设备才算真正在中国启动,由于国内高速公路的不断建成,养护工作也逐渐增多,养护问题越来越受到重视。国家“八五”计划设立了科技攻关课题“高速公路清扫车”项目。经过四十多年的发展,我国的清扫车的种类已经数不胜数,基本能解决养护问题,技术也比较成熟,当前处于我国清扫车行业的领先地位的企业有例如长沙中联、福建龙马、徐工环境、烟台海德、天津扫地王、北京天路通等[1]。在这些企业中,长沙中联的清扫车产品市场在中国的占有率为第一,公司的自主科研开发能力、生产制造能力已经具备国际水平。
国外清扫车已经有百年的历史,1904年英国就研发出了以马为动力源的扫路机。1950年代,就研制出了以液压马达驱动旋转的扫地车。国外清扫车研发生产能力优越的公司企业主要有英国的Johnston和Scarab、美国的Elgin、德国的Faun-Kuka、意大利的Dulevo等, 其中特别卓越的当属英国的Johnston, 由于Johnston清扫车发展历史比较悠久, 拥有领先的生产制造水平, 并且其生产的扫路车具有领先的性能、优良的外观、作业的可靠性高、极佳的作业性能,该公司生产的作业车在世界各国都有销售使用,是中国清扫设备厂家学习的标杆[2]。近些年, 由于不可再生能源的持续消耗,并且各国的环境持续变差, 各大环卫设备公司也越来越重视节能扫路车的设计开发生产。例如Johnston公司所生产的VS系列全液压清扫车便是一种集外观、效率、环保的于一体的清扫设备, 汽车底盘为驱动整车的动力源, 上装工作装置由侧取力器及中置取力分动箱分出的动力驱动,分动箱上的柱塞泵驱动柱塞马达进而驱动底盘行走, 这种全液压式清扫车解决了清扫作业时作业装置需保持转速恒定及底盘低速行走时会由于路况不同发动机转速出现波动影响上装工作的情况,柱塞泵及柱塞马达的液压行驶方案可以实现无级变速的同时, 也替代了副发动机, 这样能够降低制造成本,同时也能够降低油耗,噪声的污染也能减少,排放也能够降低,可以说是清扫设备历史上的里程碑式产品[1]。目前,国外扫路车的主要发展与改进的方向为节能、智能、多样化、人性化。
1.2设计的基本内容与目标
1.2.1主要内容
1.文献资料查阅及分析;
2.高速公路运维要求及特征综述;
3.运维执行方案设计;
4.静力学动力学分析计算;
5.核心部件三维建模和CAD绘图;
1.2.2 目标
1.选择作业装置结构;
2.完成作业车总体结构设计并CAD绘图;
3.完成作业车各作业部分动力传递;
3.对作业车发动机动力进行分配;
4.对作业车性能进行校核。
第2章 作业车的总体设计
2.1专用车设计特点
相比于普通的汽车,改装后的专用车的主要的区别是其上装的部分,这些上装的装置能够完成某些所需要的的功能。因此在设计专用作业车的时候,不仅要满足车辆的基本性能,如动力性,也需要完成专用车所特有的作业功能,因此作业车有其不同于普通汽车的特点,其特点概括如下[3]:
(1)专用作业车的底盘一般都会选用已经存在的汽车底盘进行改装设计。专用车的这个特点便要求对国内外的汽车产品有足够的了解,特别是汽车的底盘的相关资料。在对这些资料有一定了解之后,就可以根据所设计的作业车的功能和一些功能指标的要求,在各个方面对汽车底盘进行分析比较,从而能够优选出符合专用车要求的底盘。挑选到合适的汽车底盘是进行专用车设计的第一步,也是极为重要的一步,这关系到专用车能否成功设计出来。
有一些专用车不能够用市场上已有的二类或者三类底盘进行改装,这个时候,即使不能用已有的底盘,其他部件也应该选用已有的部件,这样不仅能够有效降低设计实践,同时也能增加专用车的可靠性。
专用汽车设计的主要工作是整车的结构设计以及作业装置的设计,在设计时,不仅要考虑到其作业功能能够很好的完成,与此同时也要考虑汽车底盘的基本性能能够满足。当然必要时,可以牺牲作业车的一些基本性能来满足作业装置的性能要求。
(2)专用汽车具有种类多,批量少的特点,考虑到这个特点,对于专用车的设计应该考虑到产品的系列化,以便根据不同用户的需要而能很快的进行产品变型菜厂牵引车、半挂车和全挂车系列型谱。
    (3)对与那些不能使用标准件而只能够自己设计的元件,应该能够满足易于小批量生产的要求。
(4)对于直接使用已有底盘改装的作业车,要对改装后的专用车机型强度的校核。
    (5)有些专用汽车的使用条件以及工作环境比较恶劣复杂,对于这些专用汽车,需要对国家及行业相应的规范和标准进行充分的了解,以使专用汽车拥有较好的适应性,并且工作可靠,保证专用汽车作业的安全性。
    综上所述,专用汽车的设计有其自身的特点和要求,既要满足汽车设计的一般要求.同时又要拥有良好的作业能力。这些特点要求作业车的作业装置与整车能够很好的匹配,既能够将汽车的原有性能发挥出来,也可以很好的驱动作业装置的作业。
2.1.1底盘的选型
目前,专用车的底盘主要有两种,一种是已有的二类或者三类底盘,而另一种则是专门设计的底盘。通常来说,专用车底盘选择的好坏能够决定专用车性能的好坏。对于专用车底盘的选,不仅要对专用车的各方面的性能进行考虑,也要对专业车所工作的环境以及条件进行考虑。
专用汽车的选用或者设计的底盘都需要满足以下条件:
(1)适用性
所选的底盘应该能够满足作业车的使用条件,只有满足基本条件才能对作业车的结构进行设计。
(2)可靠性
所选择的底盘要能够可靠的工作,底盘系统发生故障的概率要尽可能的小,使用寿命要尽可能的长。
(3)先进性
所选择的底盘在性能方面要达到市面上所存在的底盘的先进水平,只有这样才能够保证所设计的专用汽车能够到达先进的水平。
(4)方便性
因为专用汽车的特殊性,所选择的底盘要有利于进行改装,才能够酱烧底盘对改装带来的困难与问题。
该作业车选用EQ1122GZ12D7型载货汽车二类底盘,该底盘的主要参数如表2.1所示:
表2.1 选用二类底盘参数
产品型号  | EQ1122GZ12D7  | 
外形尺寸(长X宽X高)/mm  | 8995x2490x2700  | 
轴距/mm  | 5200  | 
前悬/mm  | 1180  | 
后悬/mm  | 2615  | 
前轮距/mm  | 1845  | 
后轮距/mm  | 1640  | 
离去角(度)  | 40  | 
接近角(度)  | 34  | 
整备质量/kg  | 4750  | 
前轴轴载质量/kg  | 4970  | 
后轴轴载质量/kg  | 7465  | 
最高车速/km/h  | 95  | 
该二类底盘的发动机型号为YC4E160-33,参数如表2.2所示。
表2.2发动机参数
型号  | YC4E160-33  | 
额定转速r/min  | 2600  | 
额定功率KW  | 118  | 
最大转矩N·M(1300~1700r/min)  | 520  | 
缸径×冲程mm  | 110×120  | 
排量L  | 8.3  | 
压缩比  | 17.5:1  | 
工作顺序  | 1-3-4-2  | 
2.2总体设计
2.2.1 工作原理
该多功能作业车主要用于高速公路路面的清洗。作业车主要由底盘、风机、副发动机、液压系统、扫刷、吸嘴、水箱、水泵等组成。作业车在高速公路上进行作业的时候,扫刷将路面上的垃圾清扫至吸嘴处,风机会产生高压负压,从而在垃圾箱内产生一定的真空度,因此吸嘴处就会产生较大的吸力,将路面上的垃圾以及灰尘吸入垃圾箱。吸扫入垃圾箱的垃圾会沉降在垃圾箱内,细小的灰尘会经过滤网滤帘进行过滤,干净的空气再排除垃圾箱外。与此同时洒水系统的喷嘴可以在进行清扫的同时喷出水雾,达到降尘的目的,防止二次污染。
2.3作业车主要参数的确定
2.3.1质量参数
作业车的质量参数有总质量mz和整备质量mc。作业车的整备质量是指作业车上带有所有的工作设备以及水箱与油箱装满时候的质量。总质量是作业车在作业后,装满垃圾的质量,还包括驾驶员的质量。即
(2.1)

式中mz——满载质量,kg;
以上是毕业论文大纲或资料介绍,该课题完整毕业论文、开题报告、任务书、程序设计、图纸设计等资料请添加微信获取,微信号:bysjorg。
相关图片展示:








        
            
