巴哈赛车转向系统设计毕业论文
2020-02-17 11:00:13
摘 要
转向系统设计是巴哈赛车设计中的一个重要部分,车手通过转向系统来完成对赛车的大部分操控。巴哈大赛对赛车的操纵稳定性以及在复杂工况下的过弯能力都有较高的要求。为了使赛车具有良好的动态驾驶性能,设计一款满足轻量化,转向轻便且精确,符合一定人机工程学的巴哈赛车转向系统。
首先,为了保证赛车具有良好的机动性能,确定符合巴哈赛车的最小转弯半径,最大外轮转角以及转向系统传动比;其次,根据巴哈赛车所需转向关系以及实际转向内外轮转角关系确定转向梯形结构参数并验证其是否能够满足要求,利用前悬架参数采用三心定理确定转向梯形断开点确定转向传动杆系的空间布置,然后确定各结构件参数完成模型建立并装配;最后对转向系统关键零部件进行有限元分析。
研究结果表明:设计的转向系统能够达到预期的设计目标,校核结果与仿真分析数据基本一致,对今后巴哈赛车转向系统设计提供参考意义。
关键词:转向系统;转向梯形;巴哈赛车;
Abstract
Steering system design is an important part of Baja racing car design. The driver completes most of the control of the racing car through the steering system. Baja Race has high requirements on the handling stability of the car and the ability of turning under complex conditions. In order to make the car have good dynamic driving performance, a steering system of Baja racing car is designed, which meets the requirements of lightweight, light and accurate steering, and meets certain ergonomics.
首先,为了保证赛车具有良好的机动性能,确定符合巴哈赛车的最小转弯半径,最大外轮转角以及转向系统传动比;其次,根据目标转向关系以及实际转向内外轮转角关系确定转向梯形结构参数并验证其是否能够满足要求,利用前悬架参数采用三心定理确定转向梯形断开点确定转向传动杆系的空间布置,然后确定格结构件参数完成模型建立并装配;最后对转向系统关键零部件进行有限元分析。
Firstly, in order to ensure good maneuverability of the racing car, the minimum turning radius, the maximum outer wheel angle and the steering system transmission ratio are determined. Secondly, the steering ladder structure parameters are determined according to the target steering relationship and the actual inner and outer wheel steering angle relationship, and whether the steering ladder structure parameters can meet the requirements is verified. The steering ladder is determined by the three-center theorem using the front suspension parameters. The spatial arrangement of steering transmission rod system is determined by the shape break point, and then the parameters of lattice structure parts are determined to complete the model establishment and assembly. Finally, the key parts of steering system are analyzed by finite element method.
研究结果表明:设计的转向系统能够达到预期的设计目标,校核结果与仿真分析数据基本一致,对今后巴哈赛车转向系统设计提供参考意义
The results show that the designed steering system can achieve the expected design objectives, and the results of verification are basically consistent with the simulation analysis data, which provides a reference for the future design of the steering system of Baja racing car. 关键词:转向系统;转向梯形;巴哈赛车;
Key words: steering system; steering trapezoid; Baja raci
目录
第1章 绪论 1
1.1 研究背景 1
1.2 巴哈转向系统研究现状 1
1.3本文的研究内容 1
第2章 巴哈赛车转向系统概述 3
2.1巴哈赛车转向系统的组成及作用 3
2.2巴哈设计的设计要求 3
2.3本章小结 4
第3章 巴哈赛车转向梯形设计 5
3.1转向系统最大转向角度的计算 5
3.1.1赛车的基本参数 5
3.1.2最大外侧车轮角度 5
3.2转向梯形的设计 6
3.2.1确定转向梯形类型 6
3.2.2经典阿克曼转向几何关系 7
3.2.3巴哈赛车的转向关系 7
3.2.4 实际的内外轮转角关系 8
3.2.5转向梯形参数与约束条件 9
3.2.6转向梯形与悬架系统的匹配设计 11
3.3.本章小结 12
第4章 转向器设计 13
4.1转向器方案的选择 13
4.2转向力矩计算及传动比确定 13
4.2.1转向系角传动比 13
4.2.2转向系计算载荷 14
4.3齿轮齿条设计及强度计算 15
4.3.1齿轮的设计 15
4.3.2齿条的设计 15
4.3.3齿轮齿条材料选取及应力计算 17
4.4转向器壳体设计 20
4.5转向接头设计 20
4.6轴承及转向器润滑方式选择 21
4.6.1轴承选择 21
4.6.2转向器润滑方式 22
4.7本章小结 22
第5章 转向传动及操纵构件设计 23
5.1转向操纵机构设计 23
5.1.1方向盘设计及其固定装置 23
5.1.2转向轴设计及空间布置 24
5.2转向传动机构设计 25
5.2.1转向梯形节臂设计及强度校核 25
5.2.1转向横拉杆设计 26
5.4本章小结 26
第6章 转向系统关键零部件有限元分析 27
6.1转向节臂有限元分析 27
6.2齿轮轴有限元分析 28
6.3方向盘固定装置有限元分析 29
第七章 结论与展望 30
参考文献 31
致谢 33
第1章 绪论
1.1 研究背景
巴哈大赛始于1976年的美国,所有参赛队伍经过数月的自主设计,选型,加工,制造,试车等完成一辆符合巴哈大赛要求的小型越野车。固定赛车采用中置后驱式的布置方式,本项赛事面向全国各类职业院校以及高校低年级学生,旨在培养具有实践性的车辆工程人才。
为了测试各校赛车的综合性能,比赛场地通常选取道路情况极为复杂的路面如坑道,陡坡,水塘等。而在应对这种路面时,保持转向的轻便性与可靠性,以及车手有一个较为舒适的操纵空间对于巴哈赛车的设计至关重要。除此之外,由于巴哈赛车的结构特点,以及动力性能要求,其结构较为紧凑,尤其是转向横拉杆的布置方案需要与前悬架相配,以避免运动干涉。巴哈赛车转向系统的设计需要考虑到可靠性,轻量化以及转向轻便等要求,以实现赛车可以在复杂路况下完成转向操作。
1.2 巴哈转向系统研究现状
巴哈大赛自2015年引进中国以来,很快受到各大工科类院校的欢迎,在巴哈大赛中,不仅让高校学生学习更多关于汽车的知识,同时也可以增加各高校之间的友谊,促进学术交流。
作为赛车的一个重要的组成部分,转向系统是决定赛车主观安全性的关键总成。如何设计赛车的转向特性,使赛车具有良好的操纵稳定性,始终是所有参赛队伍十分重视的问题。汽车的转向系统可以分为机械转向系统、液压助力转向系统、电动助力转向系统等。对于巴哈赛车而言,赛车整车质量较小,原地转向阻力矩不大,在有效控制成本的情况下,选择更加适合巴哈小型越野赛车的机械式转向系统。
巴哈赛车设计的整体考虑比如说轻量化、车手的安全间隙及整车的越野性能和经济性等多方面因素。特别是在巴哈比赛复杂的路况条件下,保证赛车能够拥有良好的转向特性显得尤为重要。而对于巴哈赛车转向系统的整体把握是需要利用基础的结构来完成最精细的操控。转向系统的结构需要尽可能简单可靠,减掉快拆、万向节,能完成转矩的传递就行,但是同时转向梯形的布置以及主销角度、轮胎角度等参数的选取与调节又需要十分精细,正是这些细小的角度,却决定着赛车的转弯、轮胎磨损等性质。
1.3本文的研究内容
根据巴哈大赛的规则以及赛车的转向系统的基本结构,设计出一套具有良好可靠性,转向轻便以及符合一定人机工程学的巴哈赛车转向系统。分析巴哈赛车转向的设计要求,确定转向梯形的布置方案及结构参数,转向器的设计,传动与操纵机构的设计具体的研究内容如下:
(1)计算转向系统性能参数。通过分析现有的巴哈赛车转向系统规则与比赛道路情况确定最小的转弯半径。然后根据前轮定位参数、巴哈赛车的基本参数计算出最大外轮转角并且计算转向系统传动比。
(2)转向梯形的优化设计。转向梯形的选型并通过三心定理确定转向梯形断开点的位置,通过数学解析法计算出齿条中心轴线距前轴的距离,转向横拉杆,齿条行程,梯形转角之间的关系。随后使用MATLAB软件编写程序计算实际内、外转角关系曲线与理想内、外转角关系曲线,确定转向梯形的基本参数。
(3)对转向器的选型及其基本参数的计算。采用CATIA对转向器、转向传动机构等部分零件进行建模,在满足受力分析的前提下,进行轻量化设计。对转向传动方案布置进行优化,控制方向盘的自由行程,减小力矩波动,提高赛车的操作稳定性。
(4)转向操纵机构与传动机构的设计。依据转向梯形的参数对转向拉杆和梯形臂进行参数设计。结合人机工程学确定转向轴以及方向盘的布置方案。
(5)转向系统关键零部件的有限元分析。通过对转向节臂和齿轮轴进行ANSYS有限元分析验证其安全性以及可靠性。
第2章 巴哈赛车转向系统概述
2.1巴哈赛车转向系统的组成及作用
汽车的转向系统指的是用来改变或者保持车辆行驶或倒退方向的装置。根据是否具有助力装置可以将其分为机械式转向系统与助力转向系统。对于巴哈赛车而言,赛车整车质量较小,原地转向阻力矩不大,在有效控制成本的情况下,选择更加适合巴哈小型越野赛车的机械式转向系统。
如图2.1所示,巴哈赛车的转向系统主要由方向盘、转向轴、齿轮齿条转向器、转向横拉杆和转向梯形节臂等零件组成。车手通过转动方向盘输入转角,转向轴以及万向节将转角传递给转向器,转向器通过传动副机构将旋转运动转为成齿条的直线运动,从而带动转向横拉杆及转向节臂作用于立柱,实现车轮转向。
图2.1巴哈赛车转向系统
2.2巴哈设计的设计要求
结合汽车设计和巴哈大赛规则,对巴哈赛车转向系统的设计要求如下:
(1)转向轮和方向盘之间必须使用机械连接,不能使用线控转向和电控转向。
(2)在布置转向杆系时应考虑与悬架的匹配。
(3)保证赛车具有较高的机动性,最小转弯半径小,过弯性能良好。
(4)赛车转向轻便以及具有良好的操纵稳定性。
(5)前轮转动方向要与转向盘转动方向相同。
(6)路感反馈合理。
(7)在保证转向系统各零部件强度的前提下,做到轻量化设计。
2.3本章小结
本章主要介绍了巴哈赛车转向系统的组成部分以及作用。探讨了巴哈赛车转向系统选用机械式转向系统的原因。根据《汽车设计》以及巴哈大赛的规则要求,对巴哈赛车转向系统做了设计要求。
第3章 巴哈赛车转向梯形设计
3.1转向系统最大转向角度的计算
3.1.1赛车的基本参数
从武汉理工大学巴哈赛车队的车架组及悬架组的信息确定本文转向梯形设计匹配的是双横臂独立悬架以及整车参数如表3.1。
表3.1 整车参数
名称 | 数值 | 单位 |
总长La 总高Ha 轴距L 前轮距B1 | 2750 1670 1450 1300 | mm mm mm mm |
后轮距B2 主销内倾角 | 1200 10 | mm ° |
主销偏置距a 主销间距K | 38 1100 | mm mm |
3.1.2最大外侧车轮角度
巴哈大赛为了测试各校赛车的整体性能,比赛场地通常选取道路情况极为复杂的路面如土坡,坑道,水坑等。复杂的路况给转向系统的设计带来严格的要求。其中最小转弯半径的设定对于转向系统有着重要的影响。如果转弯半径比较小,赛车的机动性和过弯能力就会越好。因为巴哈大赛的弯道比较多,并具有大量的回头弯且赛道半径较小,结合巴哈赛车的实况,将巴哈赛车的最小转向半径定位3米。
可以使用最小弯道半径来计算巴哈赛车外转向轮的最大转角
式中:为转弯半径,单位:mm;为外侧车轮转角,单位:°;a为主销偏置距,单位:mm;L为赛车轴距,单位:mm ;
由式(3.1)可知,可以得到外侧转向轮的最大转角:
根据表3.1,将相关参数代入式(3.2)可得:
所以确定赛车的最大外侧车轮转向角度为29.3°。
3.2转向梯形的设计
在巴哈赛车水平面内,转向横拉杆、转向器以及转向节臂这三大部分组成了巴哈赛车转向系统的转向梯形。转向梯形的作用是通过梯形结构参数和空间布置来保证巴哈赛车在转向过程中内外转向轮转角满足一定的关系,提高赛车的操纵稳定性。
3.2.1确定转向梯形类型
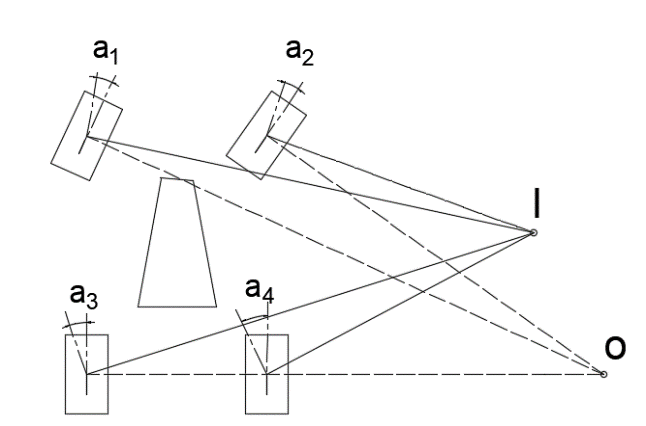
汽车的转向梯形分为整体式和断开式两种。整体式转向梯形是由前轴、转向横拉杆以及转向节臂三大部分组成。它的结构相对简单并且成本较低,但是如果车辆行驶在不平路面,有一侧转向轮跳动时就会影响到另外一侧转向轮。而断开式转向梯形就不会存在这样的问题,但是相对的断开式转向梯形结构较为复杂。如图3.1所示断开式转向梯形是由转向器,转向拉杆和转向节臂组成,两两之间使用球头绞连接,从而避免一侧转向轮跳动时影响到另外一侧转向轮,因此对于前轮使用独立式悬架的汽车,往往采用断开式转向梯形。
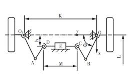
E-转向器 K-主销间距 L-轴距
以上是毕业论文大纲或资料介绍,该课题完整毕业论文、开题报告、任务书、程序设计、图纸设计等资料请添加微信获取,微信号:bysjorg。
相关图片展示:


![C:\Users\Administrator\AppData\Roaming\Tencent\Users\940126663\QQ\WinTemp\RichOle\)%K6]LOB%}`KN~4V_N@~[@Q.png](http://www.biyelunwen.org/wp-content/uploads/2020/02/lw5807_202021711010641.png)
![C:\Users\Administrator\Documents\Tencent Files\940126663\FileRecv\MobileFile\Image\P_2)G]J(07IE6PU6BGCHV8C.png](http://www.biyelunwen.org/wp-content/uploads/2020/02/lw5807_202021711010674.png)
![C:\Users\Administrator\Documents\Tencent Files\940126663\FileRecv\MobileFile\Image\YQ29L}${DG[({(T_PU8NY]5.png](http://www.biyelunwen.org/wp-content/uploads/2020/02/lw5807_202021711010691.png)




