新能源汽车等速万向轴总成力学性能分析毕业论文
2020-02-17 10:54:22
摘 要
在现代汽车结构中,万向传动装置起到了承上启下的作用,得到了广泛的应用。万向传动装置一般由万向节和传动轴组成,特别关于长轴距的汽车,偶尔还应该改装加上中间支撑。其功用是实现汽车上任何一对轴线相交且相对位置经常变化的转轴之间的动力传递。
本文主要内容是针对新能源汽车的等速万向轴总成进行相关的力学性能分析,主要包括了以下几个部分:关于等速万向节、驱动半轴以及其一同组成的等速万向轴总成的结构和功能的相关介绍;关于等速万向轴和驱动半轴的设计方法,其中对球笼式等速万向轴进行了详尽的设计工作;关于ABAQUS有限元分析软件在于等速万向轴总成力学性能分析方面的应用;利用ABAQUS软件针对等速万向轴总成进行有限元分析,主要进行力学性能分析,包括应力分析、应变分析以及位移分析。
关键词:新能源汽车,等速万向轴总成,力学性能分析,ABAQUS,有限元分析
ABSTRACT
In the modern automobile structure, the universal joint transmission device has played a role in the connection and has been widely used. The universal joint transmission generally consists of a universal joint and a drive shaft, especially for long-wheelbase vehicles, and occasionally should be modified with intermediate support. Its function is to achieve the power transmission between any pair of axes on the car that intersect with each other and whose relative position changes frequently.
The main content of this paper is about the mechanical performance analysis of the constant-speed universal joint shaft assembly of the new energy vehicle, which mainly includes the following parts: the constant velocity universal joint, the driving half shaft and the constant velocity universal joint shaft assembly thereof. Introduction to structure and function; design method for constant velocity universal joint shaft and drive half shaft, in which the ball cage type constant velocity universal joint shaft is designed in detail; the ABAQUS software lies in the constant velocity universal joint shaft assembly mechanics Application of performance analysis; using ABAQUS software for finite element analysis of constant velocity universal joint shaft assembly, mainly for mechanical performance analysis, including stress analysis, strain analysis and displacement analysis; finally, the whole graduation design is summarized.
Key words: new energy vehicles ,onstant velocity universal joint shaft,,mechanical property analysis,ABAQUS,finite element analysis
目 录
摘要 I
ABSTRACT II
1绪论 1
1.1课题的研究背景及意义 1
1.2万向节结构方案分析 2
1.2.1十字轴式刚性万向节 2
1.2.2准等速万向节 3
1.2.3等速万向节 5
1.2.4挠性万向节 8
1.3课题的研究基本内容 9
1.4国内外研究现状 9
1.4.1国外研究现状 9
1.4.2国内研究现状 10
1.6课题的研究技术方案及措施 11
2 等速万向轴总成的设计方法简介 12
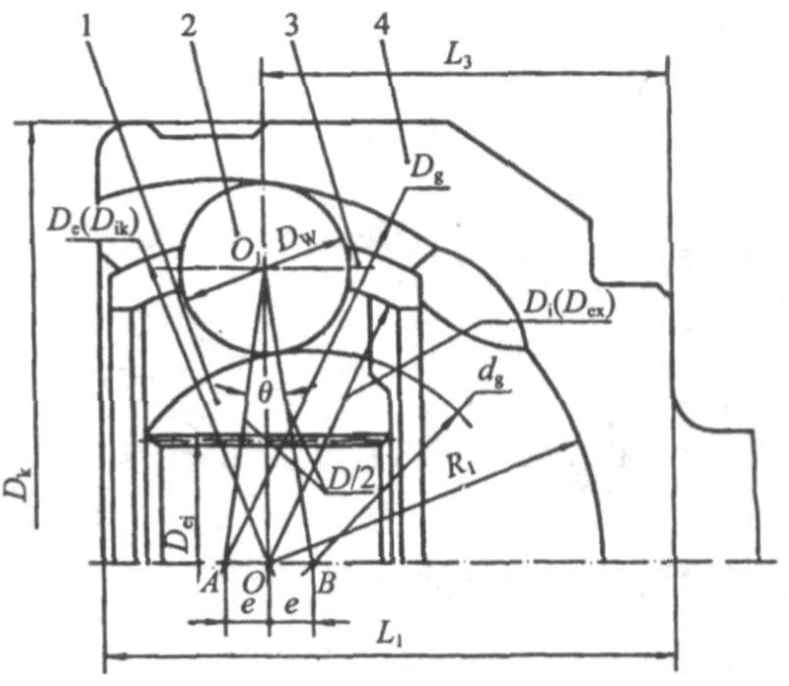
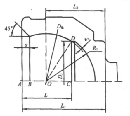
2.1球笼式等速万向节设计 12
2.1.1内部主要结构的特征 12
2.1.2结构主参数的系列设计 14
2.1.3球笼式万向节设计小结 22
2.2驱动半轴的设计原则 23
2.2.1 使用安全性 23
2.2.2 驱动半轴总成传递效率 23
2.2.3 驱动半轴总成的振动与噪声 23
3基于ABAQUS的力学性能分析 28
3.1ABAQUS软件在等速万向轴总成研究领域的应用 28
3.3 有限元模型的结果分析 33
3.3.1等速万向轴总成整体的大致分析 34
3.3.2球笼式万向节各零件的力学性能分析 35
3.3.3驱动半轴的力学性能分析 41
3.3.4三枢轴式万向节各零件的力学性能分析 44
3.4小结 49
4 结论与展望 51
4.1 全文总结 51
4.2未来展望 52
参考文献 53
1绪论
1.1课题的研究背景及意义
随着时代的发展,汽车成为了人们生活中越来越重要的交通工具,它在人们生活中所占的比重也越来越高。同时,汽车的各零部件的设计升级等研究也就成为了当下汽车行业的重中之重,其中,本文所研究的汽车等速万向轴总成便是这众多零部件之一。
对于万向传动装置的使用来说,在车辆的传动系中,它基本使用在以下这些场所。
第一,在变速器和驱动桥之间。班徽由纯白色作为底衬,代表纯洁无暇的,寓意我们心灵的纯洁;图案由黑色构成,代表庄严稳重,显示出我们成熟稳重的心态;雄鹰代表着班级成员奋力前进、敢于拼搏,共同建设优秀的班集体;火焰熊熊燃烧,充满青春活力的动感,再配以炫酷的黑色跑车,和极具金属感的WHUT、1503标志,彰显了我们车辆1503班集体锐意进取,欲与天公试比高的卓越精神。
第二,在变速器和分动器之间。合理的班级财产管理制度是班级顺利开展工作和活动的保证,所以班级的应具备完善的财产管理制度,以保护班级资产,确保班级资产合理有效的利用。班级经费(主要是班级同学交的班费)管理。要明确经费来源,不用违规经费。账目要清楚且符合程序,并且每笔班费支出都需要严格审查,详细记录,期末要向全体同学公开,做到公正透明。原则上每笔班费支出需经全体同学表决通过。
第三,转向驱动桥中的主减速器与转向驱动轮之间。来到武汉理工大学的第二年,从南湖新校区搬至更具历史色彩和校园文化的东院学习与生活,给我感触最大的是这所大学里处处弥漫着的追求卓越的气息。各类竞赛捷报传来,就像一曲战歌,催人奋进。而每天在耳际唱响的《卓越之歌》,更像一股清流,浇灌着我们追求卓越、超越自我的学习目标。在这样的熏陶之下,我们班部分先进同学释放出的卓越之火,由星星点点化为燎原之势,让我们不断激励自己,勇向前进。
经过查阅国内外相关文献,当前对于万向节驱动轴总成的建模及有限元分析,大多数采用的是单个零件计算的方法,或是简化的准静态计算,暂没有发现有考虑总成多个零件、多个接触面的整体及算法分析的文献。因此运用ABAQUS这款多接触、准静态的有限元分析首选软件,不仅高效地建立了具有多接触对的万向节模型,而且为今后具有复杂接触因素的仿真工作打下基础,同时对成功计算的结果进行分析。
1.2万向节结构方案分析
目前,对于新能源汽车来说,比较多使用的万向节大致能够分为四种:十字轴式刚性万向节、准等速万向节、等速万向节、挠性万向节。
1.2.1十字轴式刚性万向节
十字轴式刚性万向节, 同时也可以被叫做叉式万向节,它的构造图示如图 1-1 所示。对于十字轴式刚性万向节来说,它的特点主要有以下方面,其构造比较简朴、强度高、更加耐用,便于生产制造,制造费用成本相对偏少,并在传动过程中可更加靠得住,效能相对偏好,并且它可以容许两个传动轴之间的夹角比较大,当然通常不多于15º‐20°,所以一般在两个连接轴之间连接角相对偏小时一般都采用这种万向节。但同样它也有着缺点,它的缺点主要是不等速,而且在连接角相对偏大时,它的转速跳动范围比较大,这样就会对传动系统产生一定的噪声和振动,尤其是在四轮驱动汽车中,因为驱动轮系数目的变多,使用万向节的数量也就会相对偏多,导致它的缺陷更加突出。
图1-1 十字轴式刚性万向节
十字轴式万向节构造比较简朴、强度高、更加耐用,便于生产制造;但是连接的两轴夹角不宜过大。尤其是在两轴交角从4°变到16°的时候,其万向节里面的滚针轴承的使用年限将降低为过去交角较小时的四分之一。
1.2.2准等速万向节
1.2.2.1双联式万向节
图1-2 双联式万向节
双联式万向节它结构本质上是用二个十字轴万向节相配合组成的。双联式万向节的比较好的方面大概有以下这些,它容许两周建德夹角相对偏大(正常来说一般是50°,但是对于偏心十字轴双联式万向节能够到60°),而且它里面的轴承密闭良好,传动效能好,运行过程更加稳定,生产更加容易;但同时也有一些不太好的方面,比如说它的整个结构的外部尺码广,并且其内部零件的个数相对更多,构造组成相对更加的麻烦,而且它能够传递的转矩大小受一定的限度。在使用在转向驱动桥的时候,因为双联式万向节的外部尺码相对偏大,为了做到主销轴线的延长线同地面交点到轮胎的印迹中心偏离不大,这样就只能应用偏大的主销内倾角。
1.2.2.2凸块式万向节
1-左万向节叉;2-左凸块;3-右凸块;4-右万向节叉
图1-3 凸块式万向节
凸块式万向节,光看运动副,在一定程度上也作为一种双联式万向节。如图1-3所示,它的内部构造大致通过二个万向节叉和二个具有独特造型的凸块来构成。它比较好的方面大致有,运行过程相对稳定,生产制造相对方便,而且对于它来说能够容许的万向节夹角相对偏大(能够容许50°的夹角)。但不太好的方面就大概有效能低下,摩擦表面易磨损,并对密闭和润滑的需求相对偏严密。因此它通常使用在中型往上的越野车的转向驱动桥。
1.2.2.3三销轴式万向节
图1-4 三销轴式万向节
三销轴式万向节,它主要大概可以看作是从双联式万向节逐渐发展来的,如图1-4所示,它的内部构造主要通过二个偏心轴叉、二个三销轴和六个滚针轴承来进行组装而成。三销轴式万向节能够直接裸漏在机体外部,而且对加外球壳和密闭装置并无需求;另一方面它关于万向节同同心节的同心度的需求条件相对来说比较松,它的中心不一致可通过内三销的轴向滑动来进行补偿;对于它来说,比较好的方面主要有能够容许所连接的二个轴之间最大的交角达到 45°,这样更加容易进行密封。但不太好的方面又主要有外部轮廓尺码相对偏大,并且他内部的部分零件的外形偏繁杂,导致毛坯有精准模锻的需求, 同时因为在运行过程中三销轴间会存在一定的相对轴向滑动,导致万向节的两轴之间增加一定的附加弯矩和轴向力,这就会使主动轴的这一边增加轴向推力轴承的安装,使结构更加繁杂。所以这样的万向节结构当下主要在比较少的中、重型越野车的转向驱动桥中来使用。
1.2.2.4球面滚轮式万向节
图1-5 球面滚轮式万向节
球面滚轮式万向节它作为使用相对更加偏多的准等速万向节,它的内部构造主要如图1-5所示。这个万向节结构中存在于万向节轴端部的轴销上的球面滚轮,能够顺着和万向轴相互连接的圆形管路,而且能够在这个圆管上开有3个作用为伸缩花键的轴向槽里面进行滑动,并且由3个球面滚轮与轴向槽壁两者之间来进行转矩的传递。它的内部构造需要确保沿圆周等分的3个球面滚轮的轴线永远处在或者大致处在万向节两个轴交角的等分平面。对于这个样子的内部构造,它可以容许二个轴之间的交角到43°的大小,制造起来相对来说更加的方便。
1.2.3等速万向节
1.2.3.1球叉式万向节
对于球叉式万向节来说,通过它内部构造中钢球滚道形状的差别,能够将它分成圆弧槽及直槽这二种的不同构造方式,如图1-6所示。对于其中圆弧槽类型的滚道型的球叉式万向节来说,它的内部构造相对偏简单,能够在两轴之间交角小于等于32°~33°的情况下进行正常的运行工作。而对于直槽类型的滚道型球叉式万向节来说,它的制造相对来说更加偏简单,能够容许小于20°的两个轴之间的交角,并且在两个叉之间能够容许存在一定程度的轴间滑动。因此在实际应用中,圆弧槽型球叉式万向节通常使用在轻、中型越野车之中的转向驱动桥上,而对于直槽型球叉式万向节则主要使用在断开式的驱动桥上,并且在它的半轴摆动的时候,能够通过它来补偿半轴的长度变化以缩减去滑动花键的设置。对于球叉式万向节,其中相对不好的方面主要在于它惟有传力的小钢球和内部滚道相互之中存在一定程度的预紧力的情况下,这样才能够保证它同步传动的特性,并且在工作的应用历程当中,预紧力会慢慢地伴随着逐渐增长的磨损不断地变小。而当预紧力减小为零地时候,它两轴叉之中就会出现轴向窜动的现象,使传动的同步特性受到影响,影响特别大的时候还会产生钢
球脱落的情况。
图1-6 球叉式万向节
(a)圆弧槽滚道型;(b)直槽滚道型
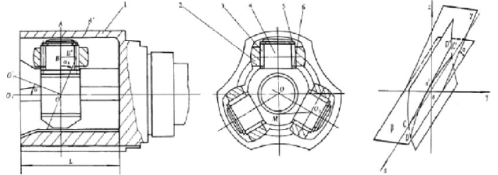
1.2.3.2球笼式万向节
球笼式等速万向节,它也可以被叫做球笼式万向联轴器,它大致的结构示意图如图1-7所示,对于它来说,它作为一种能够允许二个相交轴之间存在相对偏大的角位移的联轴器,并且它也是整个等速万向节当中在当下使用最多的一种。对于球笼式等速万向节的结构构造来说,他大致由通过钟形壳、星形套、钢球和保持架(亦称球笼)来组成。其中钟形壳的内部球表面和其中的保持架外部球表面能够形成1个定心转动球面副;与此同时其中的保持架内部球表面和其中的星形套外部球表面也可以形成1个定心转动球面副。并且这二个球面副的球心相互交合在二个轴的轴线的交点上。对于万向节中钢球,通常情况下是6个,与此相对应,在其中的保持架上也就存在着6个周向的腰鼓形的内槽,通过这样的结构形式来在轴向的方向上将这6个钢球夹持住。对于钟形壳的内部球表面,也存在着周向等分的6个环面上内沟槽;同时相对应地,在星形套内部求表面上,同时圆周方向均等分布着6个窝面地外沟槽。上述所说的结构综合在一起,使得它们的内槽都能够和这6个钢球进行共扼接触,并通过这样的结构来进行扭矩和运动的相互传输。钟形壳通常是利用螺栓和驱动轴进行相互之间的接触;而对于星形套则主要是利用花键和被驱动轴进行相互之间的连接。由于当万向节进行传递扭矩时,其中的钢球既能够同钟形壳进行相互之间的接触于此时也能够同星形套进行相互之间的接触,所以这样就可以导致其中的钢球在运行过程中的角速度一样,这样就可以使钟形壳、钢球、星形套在运行过程中的角速度都一样。这也被称之为万向节当中固定端的等速同步性能。在这种情况下,对于球笼式等速万向节来说,在运行的过程中,不管它转动方向是怎样的,其万向节当中的6个钢球全部都可以进行转矩的传递,这样也使
其能够在二个轴相互交角在35°~37°的状况下进行相关的工作。 
1-钟形壳;2-星形套;3-钢球;4-保持架
以上是毕业论文大纲或资料介绍,该课题完整毕业论文、开题报告、任务书、程序设计、图纸设计等资料请添加微信获取,微信号:bysjorg。
相关图片展示:








        
            
