2P5吊臂式清障车的底架设计及有限元分析毕业论文
2020-02-17 10:52:43
摘 要
清障车是一种配备了专业清障救援设备的专用车辆,它可以对在道路上发生事故的车辆进行拖吊作业,让故障车辆迅速离开事故现场保证道路的畅通。随着我国经济的飞速发展,公路里程增长迅速,交通工具普及度惊人,截止2018年底,我国机动车保有量已经达到3.27亿辆,其中汽车有2.4亿辆,小型载客车辆首次突破2亿辆,机动车驾驶人也了突破4亿大关。这种蓬勃发展的新气象引发了交通道路拥堵,交通事故频发的现象,这对清障车的功能提出了更高的要求。本次毕业设计在分析了国内外现有清障车发展的现状、未来清障车发展的趋势的基础上,设计了不同于国内现在普遍使用的平板式清障车,一种新型的吊臂式侧装清障车。在认真研究清障车的工作原理及结构组成后,对吊臂式侧装清障车的底盘改装、总体设计方案进行介绍,并对吊臂式侧装清障车的水平小车、整车进行CATIA建模,最后还借助ANSYS软件对部分零件进行有限元分析,为这种清障车的实际生产提供数据支持。
关键词:清障车;底盘改装;水平小车;CATIA;有限元分析
ABSTRACT
The breakdown vehicle is a kind of special vehicle equipped with professional obstacle removal and rescue equipment, which can carry out towing operation for the vehicles that have accidents on the road, so that the faulty vehicles can leave the accident site quickly to ensure the smooth road. With the rapid development of China's economy, highway mileage has been growing rapidly, and vehicles have been popularized rapidly. By the end of 2018, China's motor vehicle population has reached 327 million, including 240 million cars, 200 million small passenger vehicles for the first time, and 400 million motor vehicle drivers. This booming new atmosphere has led to traffic congestion and frequent traffic accidents, which puts forward higher requirements for the function of the vehicle. This graduation design is based on the analysis of the current situation of existing domestic and foreign repair vehicles and the development trend of future repair vehicles. It designs a new type of slab-type repair vehicle, which is different from the commonly used domestic repair vehicle. In the in-depth study on the working principle and structure repair car, after the boom type modified side of repair car chassis, introduces the overall design, and the level of repair car boom type side car, vehicle modeling using CATIA, finally with the help of ANSYS software of finite element analysis was carried out on the parts, provide data support for the repair car production.
Keywords:wrecker;Chassis modification;The level of the car;Finite element analysis
目录
第1章 绪论 1
1.1 课题研究的背景和意义 1
1.2 国内外清障车技术研究现状 1
1.2.1 国外清障车发展现况 1
1.2.2 国内清障车发展现况 2
1.2.3 清障车产业发展趋势 2
1.4 本文主要研究的内容 3
第2章 吊臂式侧装清障车的总体方案确定 4
2.1 设计思路 4
2.2 方案布置 4
2.3 清障车底盘型号的选择 4
2.4 总体布置设计 6
2.5 方案特点 6
2.6 本章小结 7
第3章 清障车水平小车的性能计算分析 8
3.1 水平小车参数的选定 8
3.2 链传动的设计 8
3.2.1 链传动的特点及应用 8
3.2.2 链条的选择 9
3.2.3 链传动的安装润滑 10
3.2.4 链传动的张紧 10
3.3 本章小结 10
第4章 清障车水平小车的CATIA建模 11
4.1 CATIA软件的介绍 11
4.2 水平小车主要设计数据 11
4.3 运用CATIA V5R21完成三维图绘制 12
4.3.1 链条三维模型的建立 12
4.3.2 零件装配 13
4.3.3 链条的安装 13
4.4本章小结 13
第5章 清障车水平小车的有限元分析 14
5.1 ANSYS软件的介绍 14
5.2 ANSYS分析过程 14
5.3 分析结果 15
5.4 本章小结 16
第6章 结论 17
参考文献 18
致谢 19
第1章 绪论
1.1 课题研究的背景和意义
在经济飞速发展的今天,城市规模不断扩大,交通工具飞速普及,但交通道路滞后引发的交通堵塞问题却愈来愈严重。由此清障车的需求便会与日俱增,这种严重的形势对清障车的功能提出了更高的要求。
清障车按照其清理障碍的方式可以分为以下几类:拖吊连体式和拖吊分离式、半落地式和全落地式、一拖一平板式和一拖二平板式以及多种功能合体式清障车[1]。按照它的用途可以分为道路故障清障车辆,城市违章清障车辆及抢险救援清障车辆。按照它的能力可以分为轻型清障车、中重型清障车和超重型清障车。本次毕业设计研究的对象是轻型清障车,它的主要作业对象是轻型载货汽车、微型客车以及轿车等。
传统的全落地式清障车虽然具有托举、牵引、起吊、升降平台、背载运输等多项功能,但是在严重堵车状态下,完成清理障碍拖走故障车辆等作业却需要占用很大的空间,浪费很多的时间。本次研究的吊臂式侧装清障车便可以很好的解决这个问题,吊臂式侧装清障车在相同工况下完成相同作业的可以节省更多的空间和时间,有效地缓解紧急状况下的道路拥堵问题。传统清障车厂家设计车辆时更多的是模仿,依据经验设计,缺乏一定的理论数据的分析和主流软件的最新技术支持,所以往往存在着模型简单,部分零件受力工况等的不合理,导致实际设计出来的清障车与理想结果有很大的出入。本次毕业设计将对吊臂式侧装清障车进行完善精确的建模、精密的计算,使其结果更加可靠,从而让设计的清障车可以更加可靠高效,“游刃有余”地完成作业。
1.2 国内外清障车技术研究现状
1.2.1 国外清障车发展现况
1913年福特公司推出了全球第一条流水生产线,这种流水线简化了福特T型车的组装流程,将原来涉及的3000个组装部件的工序简化为84道工序。这宣告着汽车进入大批量生产时代。这也促进了道路清障和救援技术的发展。1916年,世界上第一辆清障车在美国呱呱坠地,从此,人类的生活就再也离不开这种帮助你解决道路烦恼的车辆。大量新技术在清障车上得到应用受益于液压传动技术的飞速发展[2]。首批应用液压传动技术的清障车产于1970年,在这些生产清障车的厂家中,尤为突出的有美国的CHALLENGGER、CENTUEY、日本的TOKYU、奥地利的EMPL以及加拿大的NRC英国的BONIFACE公司。这一时期的清障车与初代清障车相比,结构更加完善,生产技术和制造工艺等方面也更加严谨,清障车的种类也渐渐得到了更为细致的划分。按照结构划分,清障车可分为托吊分离式、托吊联体式、平板式、普通型四大系列[3]。国外清障车发展到今天,紧跟当今节能低碳的大风向,更加趋于功能多样化、轻量化、精细化、智能化、人性化。所使用的材料也由传统的钢板转向普通铝板和一些铝合金材料,这样在保证工作强度的情况下使清障车更加轻量化。
1.2.2 国内清障车发展现况
上世纪50年代,中国开始发展自己的汽车产业,改革开放后,我国经济迅速发展,对轿车的需求也越来越大,清障车产业也进入起步时期。同时代的国外清障车已经发展到较为成熟的阶段,我国清障车最初以引进国外成品,仿制国外先进车型为主,结构简单且没有自主设计成分,功能也相对单一,一种清障车无法完成多种作业要求[4]。随着我国公路里程的增长和城市建设的快速发展,我国的汽车保有量呈现直线式增长,成为全球第一大汽车产销市场。这也使得交通道路拥堵严重,车祸事故频频发生。引进的清障车成本太高,而仿制的清障车无法满足更高的需求,因此,我国迎来了清障车发展的黄金时期。很多厂商例如厦工楚胜专用汽车制造有限公司、湖北程力专用汽车有限公司、湖北五环专用汽车有限公司、广东粤海汽车有限公司、江苏江扬特种车辆厂等开始自主研发清障车,使得新开发出来的清障车结构更严谨。
1.2.3 清障车产业发展趋势
中国专用车行业经过30多年的发展,走出了一条以引进国外先进技术促进国内自主研发的新道路。虽然目前还没有进入完全自主研发的阶段,但是清障车设计技术可以基本与世界同步[5],清障车产业也发展成为一个相对来说比较成熟的行业。结合国外及我国清障车当前的发展状况,未来的清障车将会有以下几个方向的发展趋势:
- 底盘专用化 目前我国的清障车底盘依然采用重载货车所使用的二类底盘,它的优点是不需要进行新的研发,成本低廉,结构相对耐用可靠。但是清障车对二类底盘进行改装使用时会有十分多的拘束性,比如结构布局较为死板,承力方式较为单一。如果对清障车的底盘进行专用化研究,那么清障车的功能结构将会有飞速的发展[6];
- 结构轻量化 不仅清障车行业在朝着轻量化的方向发展,整个汽车行业都以轻量化为目标不断发展着。清障车的轻量化设计不仅可以大大节约制造成本,还可以减少燃油的消耗,促进低碳绿色环保的发展,这为生产厂家、用户都带来了可观的经济效应[7];
- 智能化 汽车行业的发展带动了车联网物联网智能出行的发展,这些新发展的技术如若可以用在清障车上,对清障车进行实时运行状况的监测,规划合理的清障时间路线[8],防止用户在使用清障车的时候发生过载等不安全事故,那么清理道路交通障碍的效率将更胜一筹。
1.4 本文主要研究的内容
本次吊臂式侧装清障车主要基于以下几个方面进行设计研究:
- 查阅清障车的发展历史介绍清障车的研究背景意义,介绍分析未来清障车发展的走势趋向;
- 对吊臂式侧装清障车整体布置形式进行介绍说明,对吊臂式侧装清障车底盘选用进行说明;
- 对吊臂式侧装清障车整体布置形式进行介绍说明,对吊臂式侧装清障车的水平四倍率小车进行计算设计CATIA建模;
- 对吊臂式侧装清障车水平小车进行性能计算分析,验算所设计的水平小车是否符合要求,确保设计出来的水平小车满足动力性能、可靠性及稳定性,对比之前的水平二倍率小车分析现在四倍率小车的优势[9]。
本次毕业设计拟达到的目标如下:
通过资料文献查阅对设计的清障车的二类底盘进行选择,然后进行总布置设计,计算水平小车具体参数,进行CATIA建模和ANSYS分析。
为达到以上设计研究论文拟采用的技术路线:
- 查阅相关论文书籍,广泛收集资料,了解国内外清障车的发展现状分析未来发展趋势;
- 深入了解专用车及清障车的系统结构,工作原理等,以庆铃五十铃600P型号为 QL1072A5KAY的二类底盘作为参考进行改装布置;
- 参考《机械原理与机械设计》、《机械设计手册》、《汽车构造》、《汽车制造工艺学》、《汽车理论》、《汽车设计》、《互换性与测量技术》、《CATIA实用教程》等书籍对吊臂式侧装清障车的整车参数水平小车参数进行设计;
- 学习CATIA、ANSYS等软件对整车、水平小车进行建模及有限元分析;
- 利用CATIA软件绘制二维图纸,编写说明书。
第2章 吊臂式侧装清障车的总体方案确定
2.1 设计思路
在设计吊臂式侧装清障车之前,对当前的清障车市场进行调查分析,在与指导老师反复讨论后,得出以下设计思路:
- 吊臂式侧装清障车应该适用于多种普通乘用车型,多种被救援道路场景;
- 进行救援时力争做到救援速度快、占用场地少、对被救援车辆损伤小;
- 吊臂式侧装清障车所采用的零件最好可以做到系列化、通用化、标准化以降低生产成本和维护成本[10];
- 设计的车辆以安全为第一要义,然后做到低碳、环保、舒适;
- 在满足结构强度要求的前提下应向轻量化方向靠近;
- 设计符合国家制定的标准、法规;
- 设计出的车型在国内处于领先水平,有一定的市场竞争力[11]。
2.2 方案布置
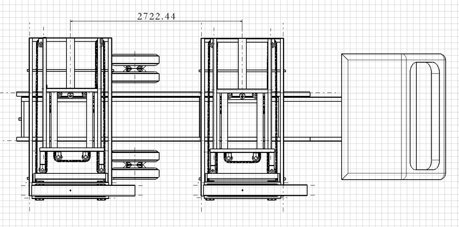
不同于我国现在普遍使用的平板型和拖吊型清障车,本次设计的吊臂式侧装清障车是一种具有全新的清障方式的车型。此吊臂式侧装清障车在车辆底盘上设置可以横向前后移动的水平小车,水平小车由液压油缸带动移动,在水平小车上设置可以竖直上下移动的垂直小车,水平小车与垂直小车运动部分通过链条连接。垂直小车底部设置有可以插住汽车轮胎的插齿机构,机构上的马达可以实现插齿机构的伸出与回缩,插齿机构插住汽车轮胎后,垂直小车上端油缸开始工作,通过链条拉动底部插齿机构上升,当汽车轮胎上升至和水平小车同一高度后,水平小车油缸开始工作,水平小车带动插齿机构横向移动,从而使故障车辆平稳的安放到吊臂式侧装清障车上。此车适用于清理在道路上抛锚的重量在3吨以下的普通乘用车。
2.3 清障车底盘型号的选择
目前国内外清障车底盘虽然朝着专用化的方向发展,但专用化底盘的设计研发制造周期较长,投入的各类成本较高,考虑到目前市场对清障车的迫切需求,通用底盘成为国内清障车底盘最好的选择[12]。专用车辆可选择的基本底盘依据其结构可以大致分为二、三、四类底盘,不带有货厢的整车就是二类底盘[13]。选择适合的通用二类底盘对其改装,遵循原来底盘的主要尺寸参数改变不大的原则,以确保清障车的整车性能参数与原来的车相比变化不大,除此之外还要考虑它的可靠性、适用性、经济性、方便性和先进性等因素。选择清障车底盘时还要根据清障车的类型、拖吊质量、使用条件、救援设备、性能要求等进行选择[14]。结合本次设计的吊臂式侧装清障车的最大拖吊质量、使用条件、动力匹配和成本等要求,考虑到汽车总长度,二类底盘要能够完全承担起整个车身且专用车的插板在上升的过程中不能与二类底盘发生干涉。最终选择庆铃五十铃600P国V轴距为3815mm的QL1072A5KAY的二类底盘,如图2.1所示:

以上是毕业论文大纲或资料介绍,该课题完整毕业论文、开题报告、任务书、程序设计、图纸设计等资料请添加微信获取,微信号:bysjorg。
相关图片展示:









