3PE平板式清障车副车架设计及有限元分析毕业论文
2020-02-17 10:52:44
摘 要
我国经济近三十年来呈爆发式增长,汽车也进入每家每户,然而事物都是有两面性的,汽车给我们带来便利的同时,汽车事故也频频发生。为了及时清理故障汽车以免导致道路拥堵,道路清障车应运而生。城市道路压力的增加与城市车辆底盘高度的降低,要求清障车要快速且稳定的发挥作用。清障车发展至今,技术已经十分成熟,也十分多样,其按结构形式可以分为托吊联体型、托吊分离型、平板型、普通型四大系列[2]。
平板清障车的作业对象主要是家用的轻、小型轿车,一般平板清障车都为一拖二式。它装备有一个装载平台和一个托臂,一拖二的平板清障车具备两种功能:背载、托举。清障车的各个上装部件都间接或直接的安装在副车架上,副车架可以将各部件的集中载荷在底盘车架上均匀地散布,改善底盘受力情况;所以本文将以副车架及摆臂作为研究对象进行探讨和建模。
关键词:清障车、副车架、CATIA、有限元
ABSTRACT
China's economy has experienced explosive growth in the past 30 years, and cars have entered every household. However, things are two-sided. When cars bring convenience to us, car accidents also occur frequently. In order to clean up the faulty car in time to avoid road congestion, road wreckers came into being. The increase in urban road pressure and the reduction of the height of urban vehicle chassis require that the wrecker should function quickly and stably. Since the development of the wrecker, the technology has been very mature and very diverse. According to the structure, it can be divided into four series: the hanging type, the hanging type, the flat type and the ordinary type [2].
The flat wrecker is mainly used for light and small cars in the home, and the general flat wrecker is one-to-two. It is equipped with a loading platform and a support arm. The one-and-two flat-bar wrecker has two functions: back load and lift. Each of the top-loading components of the wrecker is indirectly or directly mounted on the sub-frame. The sub-frame can evenly distribute the concentrated load of each component on the chassis frame to improve the force of the chassis; therefore, this article will use the sub-car. The frame and the swing arm are discussed and modeled as research objects.
Keywords: wrecker, sub-frame, CATIA, finite elemen
目录
摘要 I
ABSTRACT II
第1章 绪论 1
1.1 引言 1
1.2 清障车概述 1
1.3 平板清障车各部分结构 3
1.4 平板式清障车工作原理 3
1.5 研究内容及方法 4
1.5.1 研究内容 4
1.5.2 研究方法 4
第2章 副车架概述 5
2.1 副车架的作用 5
2.2 副车架选型 5
2.2.1 纵梁形状和材料 5
2.2.2 横梁以及安装座板 6
2.3 零件建模简介 9
2.4 有限元分析 10
2.4.1 副车架工况分析 10
2.4.2 有限元ANSYS操作步骤 11
2.4.3 有限元结果分析 12
第3章 摆臂总成 14
3.1 摆臂的作用 14
3.2 摆臂主要零件介绍 14
3.3 液压油缸选型 15
第4章 副车架摆臂连结运动简图 17
4.1 运动仿真初建模型 17
4.2运动仿真步骤 18
第5章 结论 19
参考文献 20
致谢 21
第1章 绪论
1.1 引言
道路清障与施救技术在美国20世纪初出现萌芽。1 9 1 6年一名汽车修理工人Ernest Holmes因为一次外勤修理,在美国田纳西州查特怒加市发明出第一辆清障车[1],我国清障车行业晚了美国80年左右,经历了整车进口到模仿制造再后到自主开发的过程。现阶段国内外机械制造技术飞速发展,中国的清障车设计制造技术也取得了较大的提高,目前已经形成了标准系列化和智能化、易于操作的产品。比如东风、湖北程力、湖北帕菲特等。
道路事故往往是突发性的,所以我们希望清障车的作业过程可以迅速且且方便。这就要求道路清障车性能的多样性,专用车“一车多能”是我们现在最需要的。假如清障车的功能过于单一,那一场事故可能需要几辆清障车协同作业才能完成,作业难度高且浪费时间。但考虑到成本问题,清障车应具备托吊、托举、拖牵、旋转、绞盘等基本功能。
平板型清障车主要针对小型轿车,且具备以上除托吊以外的功能,有的还具有侧拉装置,可以把侧翻事故车辆安全拖移到易于平板作业的位置。折叠式平板更是具有很小的倾斜角度,可以适应前悬较低的车辆,作业方式也很柔和,对轿车不会造成二次伤害,非常适用于城市道路。其上装最主要部分就是平板,平板一般都是对钢板材料用冲压模一次冲压成型的,冲压的板面相较于零件组配板面更加平整,结构也更加专业化,强度更高。增加车辆使用寿命。
1.2 清障车概述
平板式清障车一般为轻型车,常见吨位有3吨和5吨两种,现在也有一些大吨位平板式清障车用来承载巴士、小型货车。轻型的一般采用一背一托的方式同时清理两辆车,缺点是没有托吊功能,当遇到车辆侧翻入非驾驶车道时束手无措。不过现在一些平板式清障车也增加了吊臂或者侧拉机构,具有托吊功能。也有一些公司研发出了平板式双层清障车,湖北帕菲特工程机械有限公司双层清障车可一拖三,随州生产出东风D9一拖五双层板道路清障车。可见,平板清障车的功用正在向多样化发展。
本篇研究车型为5P5平板型清障车,托盘驮载重量可达5吨,平板总长6540mm,总宽2390mm,与摆臂通过含油轴承铰接。一般托盘平板面采用模具冲压成型,凸纹板分块组合,具有重量轻、强度高、防滑性能好的优点,并且维护起来十分方便;平板尾部截面为三角形,可以使平板的倾斜角度更小。此车型托臂承载能力一般为三吨左右。清障车一般还配置有工程警灯,喊话筒,紧绳带和辅助小车等,清障作业的完成需要这些设备的协助。
5P5平板清障车选用底盘为庆铃100P/600/KV100/KV600国V系列载货汽车底盘。底盘选用KV100/KV600 车型(DOC SCR),轴距为3360mm,底盘参数见表1.1。
表1.1 底盘参数表
底盘型号 | QL1070A5HAY | ||
外形尺寸(长*宽*高)(mm) | 5900*1880*2200 | 总质量(kg) | 7300 |
整备质量(kg) | 2080 | 轴距 | 3360 |
最大轴载质量前轴/后轴(mm) | 2580/4720 | 前悬/后悬(mm) | 1015/1525 |
轮距[前/后](mm) | 1504/1425 | 后轮胎最外尺寸(mm) | 1780 |
车架外宽(mm) | 700 | 车架可用长度(mm) | 5350 |

图1.1 车型图
1.3 平板清障车各部分结构
副车架是安装所有工作装置的基础底座,它的功用引言部分已经讲述,在此不再赘述。副车架的设计质量对主车架或是整车而言都十分重要。
托架是平板前后滑动、托臂托举故障车的支撑骨架。平板依靠液压油缸将平板本身推着在托架轨道上滑动,[12]托架倾斜油缸用以实现托盘倾斜与地面接触,除油缸提供动力外,有些车型也采用履带实现托盘运动。托架后部安装托臂拖拽汽车两前轮并将前车轮固定在轮胎托架上。
托盘是清障车整个车体的主要部件。托盘也就是平板部分,它向后滑移,并倾斜合适角度,与平板连接的尾部支腿靠在地面支撑整个平板。[18]此时事故车辆靠钢丝绳牵引到托盘上,钢丝绳由绞盘收、放。故障车辆位置正确后,平板又做与刚才相反运动回复原位,完成牵引驮载作业。[12]
托臂是清障车另外一个承载故障车辆的部件,托臂将故障车前轮托举,后轮依旧放在地面,实现故障车的运动。各液压油缸提供动力,实现托臂折叠、举升、倾斜、伸缩等各种运动,从而完成清障作业。
1.4 平板式清障车工作原理
图1.2 清障车工作原理图
原理图如图1.2示。发动机为整车提供动力,一般选用潍柴,康明斯等柴油机。取力装置相当于一个动力转换器,它的作用是汽车发动机动力输出至液压油泵,成为液压能。液压油泵可以产生高压液压油,由控制阀决定下路的通断。[10]此过程操作台安装在汽车驾驶室内。取力齿轮与汽车变速箱内取力输出齿的接合或分离状态,可以控制油泵工作或停止。
油泵工作,高压油进入多路换向阀。通过操控换向阀上不同的手柄,即可进行各种操作,操纵杆安装在副车架侧面,工作人员操作时可以观察到车外的情况。先操纵伸缩油缸使平板前后滑动,倾斜油缸使平板旋转倾斜,再操作倾斜油缸使平板旋转倾斜,平板后支腿靠地。
高压油驱动液压马达从而带动绞盘控制钢丝绳的收、放,这一步通过操作控制阀手柄实现,钢丝绳钩挂住事故车辆通过滑轮组和牵引至托盘,托盘复位,完成驮载。钢丝绳钩不工作时将其挂在平板端部相应位置上。
托举装置一般为轮胎托架,轮胎托架由前托架和后托架组成。托载故障车辆时摆臂由油缸带动向下旋转一定角度后伸出靠地,拖移车辆至前托架与后托架中间。前托架和摆臂呈T字形,两边是空心方钢,连接摆臂两端,用弹簧销固定,后托架是单独的部件,使用时插在前托架的方孔内,并用销子固定,两者配合的同时用紧固拉锁将轮胎锁牢。
1.5 研究内容及方法
1.5.1 研究内容
本此课程设计主要任务是5P5平板式清障车为研究对象,对其副车架纵梁分析计算及建模、进而对副车架摆臂总成运动仿真研究其实际运动状态和是否发生运动干涉;对副车架焊接总成有限元分析研究其强度是否符合要求。
1.5.2 研究方法
对副车架纵梁的截面尺寸和形状进行选型和选材,然后依据底盘参数与平板参数定出纵梁长度,定横梁布置在副车架上的的位置以及各个座板的安装位置,得出副车架总成;第二步对摆臂的零件进行建模装配;对油缸进行选型。所有机构装配后进入CATIA仿真模块定义运动副,完成运动仿真。最后对副车架有限元分析,查看副车架是否符合要求。
第2章 副车架概述
2.1 副车架的作用
专用车的专用装置一般会连接在主车架上面,当清障车上装部分同主车架连接时,主车架会承受非常大得载荷,除车体本身静载荷之外还要承受车辆运动时的动载荷[3]。所以对主车架的强度和刚度要求也很高。这就无形中加大了主车架的设计或者改装难度。那么副车架作为主车架与上装系统的过渡连接装置就起到了很大的作用。
副车架受力复杂,工作时也有较大的噪声,合理设计副车架可以使副车架承受载荷的能力增强,将集中载荷分散,降低主车架的应力;降低车辆行驶过程中的噪声;选用合适的材料和结构可以达到车身轻量化的目的。[9]同时副车架的安装位置和安装的方式也会影响到主车架承受载荷的能力和寿命,副车架通常和主车架中间采用一些柔性材料如橡胶垫隔离缓冲。
2.2 副车架选型
2.2.1 纵梁形状和材料
清障车副车架纵梁一般选用同主车架相同的槽型结构,然后在其上加腹板封闭截面以提高抗扭和抗弯的能力。本车型即5P5平板清障车的副车架纵梁截面选用下图2.1所示形状、尺寸,其厚度为6mm,这种形状既可以具备足够的强度,无需与腹板焊接,又可以使横梁的安装方便。

图2.1 纵梁横截面
纵梁所选用的材料HG70是一种高强度焊接钢板,它比以前车型选用的16Mn的合金元素及含碳量都高,所以密度也大[4]。HG70的抗拉强度为700MPa,且焊接性能优良,结合性和焊缝质量都很好,并且有较强的耐磨性和耐腐蚀性。钢板采用冲压折弯的方式得到纵梁。
在主车架上连接副车架时,应尽量避免在主车架上打孔或造成损伤,常用的有三种连结方式:止推连接板连结、连接支架连结、U型螺栓连结。止推板有承受较大水平载荷的能力,而连接支架承受水平载荷的能力较小。所以两者经常配合使用,在后悬架前支座使用连接支架,后悬架后支座配合使用止推板连结。[5]但本车型利用隔板将副车架焊接在主车架上面,两者刚性连接。
副车架与主车架连接时截面突变会导致主车架受冲击载荷时截面处应力集中,为了避免这种情况,就需要副车架纵梁前端结构的截面形状设计成渐变式的。副车架前端的形状有三种形式:角型、U型、L型。本车采用角型,形状和尺寸如图2.2。副车架长度要比一般轿车长且要留出长度在主车架后端连接托臂导轨座总成,长度也要比平板短以保证平板有足够的倾斜角度,一般轿车长度在4.3m-4.8m左右,轴距2.7m-3.3m之间,则副车架长度范围在4300mm-6543mm,选副车架总长5300mm。纵梁总长度为4982mm,左右对称制作。

图2.2 纵梁前端
2.2.2 横梁以及安装座板
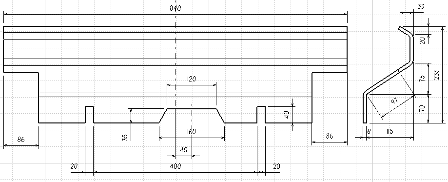
副车架横梁的数目和焊接质量能够影响副车架的刚度。在保证副车架的可靠性的前提情况下,横梁的数目少一些可以让纵梁扭转时的约束小一些,副车架的刚度的减小意味着其挠曲性变好。本车副车架横梁以及安装座横梁共有五个,装配后副车架宽度为855mm。前横梁和中横梁采用5mm厚、材料为Q235-A的钢板,钢板折弯做出零件形状。Q235-A屈服极限在235MPa左右,含碳量适中,强度、塑性、焊接性能在一般情况下可以有较好的配合。综合性能很好,比较常用。[6]图2.3展示前横梁形状尺寸。中横梁其余尺寸与前横梁相同,折弯高度由48mm改为33mm。

以上是毕业论文大纲或资料介绍,该课题完整毕业论文、开题报告、任务书、程序设计、图纸设计等资料请添加微信获取,微信号:bysjorg。
相关图片展示:









