电控单元转速信号半物理仿真系统设计毕业论文
2020-04-15 18:04:46
摘 要
现代汽车电控单元的开发是一个漫长及复杂的过程,其中转速信号的应用是重要的开发环节。传统的开发方法需要做大量的发动机台架试验,开发成本高、周期长。
本文以发动机电控单元转速信号为研究对象,运用半物理仿真的研究方法,设计了一套以STM32为主控制芯片的电控单元转速信号半物理仿真系统用于为发动机电控单元提供接近真实的转速信号,从而缩短ECU的开发周期。
本文首先介绍了转速信号的研究现状和半物理仿真技术,接着提出了本系统的总体方案。在完成方案设计后,三、四章分别设计了硬件电路和软件代码,第五章进行了系统的试验验证。试验证明,该系统能够在一定范围内实现转速信号的输出和闭环控制,能够满足ECU开发所需要的转速信号要求。
关键词:发动机 转速 信号 STM32 控制
The design of Semi-physical Simulation System for Speed Signal of Electronic Control Unit
Abstract
The development of Electronic Control Unit for modern automotive engine is a long and complex process, in which the application of speed signal is an important development factor. The traditional development method needs to do a lot of engine bench tests, costing a lot with long development cycle .
This paper takes the engine electronic control unit speed signal as the research object, and a semi-physical simulation system of the engine electronic control unit speed signal based on STM32 is designed to provide the engine electronic control unit with near real speed signal, thus shortening the development cycle of ECU.
Firstly, this paper introduces the current research situation of speed signal and semi-physical simulation technology, and then it puts forward the overall scheme of the system. After completing the scheme design, it designs the hardware circuits and software codes in Chapters 3 and 4 respectively. Chapter 5 carries out systematic test and verification. Experiments show that the system can realize speed signal output and closed-loop control, and the output speed range is wide, which can meet the requirements of speed signal for ECU development.
Key Words:Engine;Speed;Signal;STM32;Control
目 录
摘 要 I
Abstract II
第一章 绪论 1
1.1 概述 1
1.2 半物理仿真技术在车辆工程中的应用概况 2
1.3 电控单元转速信号研究现状 2
1.4 本论文的主要工作 3
第二章 转速信号仿真系统的方案设计 4
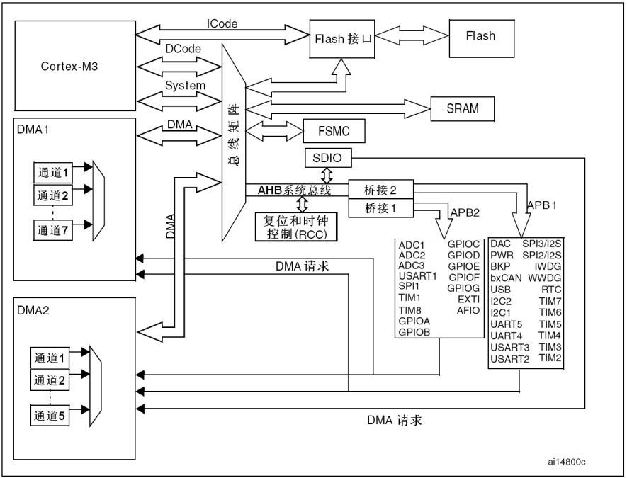
2.1 转速信号仿真系统总体结构 4
2.2 主控制芯片的选型 5
2.2.1 PWM直流调速 5
2.2.1 STM32微控制器 6
2.2.2 STM32F103ZET6单片机 7
2.3 直流电机模块设计 9
2.3.1 直流电机选型 9
2.3.2 编码器选型 10
2.3.3转速控制系统方案设计 10
2.4 驱动模块的选型 10
第三章 转速信号仿真平台硬件设计 12
3.1 Altium designer 软件介绍 12
3.2 STM32最小系统设计 12
3.3 直流电机驱动电路 14
3.4 转速信号采集电路 15
3.5 RS232串口通信电路 16
第四章 转速信号仿真平台软件设计 18
4.1 Keil MDK介绍 18
4.2 软件流程方案设计 18
4.3 PWM输出程序 18
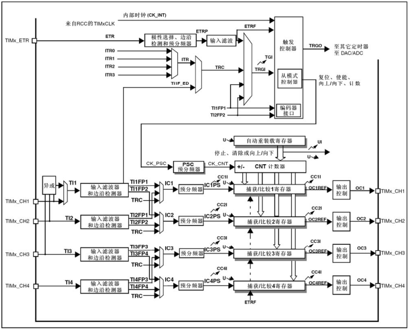
4.4 测速程序 20
4.5 控制程序 22
第五章 转速信号控制的试验验证 24
5.1 试验方案 24
5.2 试验测试设备 24
5.3 试验结果及分析 25
第六章 成果与展望 32
6.1 课题成果 32
6.2 系统设计经济性分析与成本估算 32
6.3 课题展望 33
参考文献 34
附 录 36
致 谢 41
第一章 绪论
1.1概述
内燃机作为汽车行业的“原动机”之一,有着发热效率高、结构紧凑规整、机动性强、维护工作简单等优点,其发展已经历经数百年。在车用内燃机的发展历程中,逐渐演变出多种类型:从工作循环冲程数方面,可以分为二冲程、四冲程;从气缸的数量方面,有三缸、四缸、六缸等;从燃料的使用种类上,可以分为柴油、汽油、天然气等。汽车发动机制造水平也发生了一次又一次变革,在基本工作原理不变的前提下,其设计、制造、工艺、性能等方面有很大的改进。新兴科技的发展与融入,使得发动机的机械性能越来越好。一些发动机新技术的应用,如燃油电子喷射、缸内直喷、可变气门定时等,让发动机的控制更加智能化,动力性、燃油经济性等指标也不断提升[1]。随着能源危机的加剧和国家汽车排放标准的日益严格,社会对车用内燃机的发展提出了更高的要求。其中,精确地控制发动机转速能够降低燃油消耗率、控制排放,提高发动机的经济性能。在电子控制系统高速发展的今天,运用电控单元ECU控制发动机转速已经成为主流。
上世纪五十年代,世界上第一套电控燃油喷射系统在美国问世。从那以后,汽车电控技术便快速发展并被广泛应用于车用发动机领域,其种类和功能也越来越丰富。近年来,优化发动机的控制参数,提升汽车发动机的经济等指标成为研究热点。因此一系列发动机控制技术如电控点火控制、发动机启停、可变气门正时、可变压缩比也应运而生。汽车发动机电子控制技术已从过去的逻辑门限制控制、稳态MAP图标查法等经典控制方法向现代智能控制理论和方法发展[2]。
以上是毕业论文大纲或资料介绍,该课题完整毕业论文、开题报告、任务书、程序设计、图纸设计等资料请添加微信获取,微信号:bysjorg。
相关图片展示:









