车用超级电容器均衡控制策略开发毕业论文
2020-04-08 13:24:12
摘 要
随着人类对于能源需求的日益增长,可再生能源大大较少,混合动力汽车作为一种新能源汽车,越来越受到人们的关注。在科学家和相关研究人员的共同努力下,混合动力汽车的相关技术越来越成熟,但与此同时我们也应当关注混合动力汽车的不足意义面临的问题。混合动力汽车在动力以及续航方面存在着很多问题,如果为其添加一个辅助能源,会使汽车的最大瞬时功率提升,徐续航能力得到改善。选择超级电容器为辅助能源的话,可以大大提升汽车的动力性和经济性。
超级电容器具有充放电速率快、功率密度极高等特点。但是单个超级电容器的容量和电压有限,在混合动力汽车的储能系统中必须很多电容器单体串联使用才能发挥作用。各个单体电容器由于最初生产时的参数以及使用过程中所处环境等的差异,使其在使用过程中会产生不一致性,这严重降低了整个系统的效率和可靠性,因此设计均衡系统,消除不一致性对车用超级电容器至关重要。
本文对超级电容器均衡的各种方法进行了分析和比较,并最终设计了实用且效率高的均衡电路。除此之外还对均衡系统的硬件和软件系统进行了详细的设计。
关键词:混合动力汽车;超级电容器组;均衡策略
Abstract
As human beings are increasingly demanding for energy, resources are becoming increasingly scarce. As a new energy vehicle, hybrid vehicles have attracted more and more attention. With the joint efforts of scientists and related researchers, the related technologies of hybrid vehicles have become increasingly mature, but at the same time we should also pay attention to the problems faced by the lack of hybrid vehicles. Hybrid vehicles have many problems in terms of power and cruising. If they add an auxiliary energy, they will increase the maximum instantaneous power of the car and improve Xu's endurance. If the super capacitor is selected as an auxiliary energy source, the power and economy of the vehicle can be greatly improved.
Supercapacitors are characterized by their fast charging and discharging speeds and their high power density. However, the capacity and voltage of a single supercapacitor are limited. In a hybrid vehicle's energy storage system, many capacitor units must be used in series to function. Due to the differences in the factory parameters and the environment during use, each individual capacitor causes inconsistency during use, which seriously reduces the efficiency and reliability of the entire system. Therefore, the balanced system is designed to eliminate inconsistencies. It is important for automotive supercapacitors.
This article analyzes and compares the various methods of super capacitor equalization, and finally designs a practical and efficient equalization circuit. In addition to the detailed design of the hardware and software system of the equalization system.
Key Words:hybrid vehicle;Supercapacitors;equilibrium strategies
目 录
第1章 绪论 3
1.1论文研究的背景及意义 3
1.2超级电容器组均衡控制的研究现状 3
1.2.1混合动力汽车发展概述 3
1.2.2车用储能元件概述 3
1.2.3超级电容器的发展概述 4
1.2.4超级电容器组的不一致性 5
1.2.5均衡方法概述 5
1.3论文主要研究内容及工作安排 5
第2章 储能元件的选型与确定 7
2.1复合电源结构选择 7
2.2混合动力汽车的基本参数 7
2.3储能元件选型 8
第3章 超级电容器组不一致性的研究 11
3.1超级电容器的特点及原理 11
3.1.1超级电容器的特点 11
3.1.2超级电容器的工作原理 11
3.1.3超级电容器面临的问题 12
3.2超级电容器组不一致性的研究 13
3.2.1不一致性产生的原因 13
3.2.2不一致性产生的危害 14
3.3常用的均衡方法分析 15
3.3.1能量耗散型 15
3.3.2能量转移型 17
第4章 超级电容器组均衡系统的实现 19
4.1均衡方案设计概述 19
4.1.1均衡方案的功能 19
4.1.2均衡方案具体选择 19
4.2超级电容器均衡系统的硬件设计 20
4.2.1微控制器的选择 20
4.2.2采样模块的设计 21
4.2.3均衡系统电源设计 24
4.3超级电容器均衡系统的软件设计 25
4.3.1软件总体设计 25
4.3.2数据采集部分 26
4.3.3 CAN通讯系统软件设计 28
- 总结 31
参考文献 32
致谢 33
第一章 绪论
1.1论文研究的背景及意义
当今社会,随着工业生产的规模逐渐的扩大,石油、煤炭、天然气等化石燃料的总量在日益减少,而人类对与能源的需求却与日俱增。节能减排的新能源科技产业应运而生,得到了快速发展。混合动力汽车是新能源汽车中的重要成员,在很多方面有着广泛的应用前景,如环境保护,节约能源等。而超级电容器作为新能源汽车的新型储能元件,正在受到越来越多的研发机构的开发与改善。超级电容器对于新能源汽车的动力性、经济型以及安全性有着重大的影响,因此,队超级电容器组的均衡控制策略开发对于提高汽车储能系统的效率、保证汽车的安全性、提高汽车的动力性有着重要而深远的意义。
超级电容器是一种新型的储能元件,其依靠的是电解质与电极之间所形成的界面双层来存储能量。与传统的化学电源不同,超级电容器的优点有功率密度较高、循环使用的寿命长,充放电快等。但由于单体超级电容器的电压和容量有限,当用于混合动力汽车时,必须要若干个超级电容器单体串联起来才能起到很好的作用。不同超级电容器单体的内阻、容量、电压等参数存在着差异,因此造成了超级电容器组的初始状态性能的不一致性;在使用的过程中,不同超级电容器单体工作环境温度的差异,使得单体工作效能存在差异,加剧了超级电容器组的不一致性。因此,分析超级电容器组不一致性的原因和危害,设计各种均衡方法并分析各种方法的原理和特点,这是本课题研究的核心。
1.2 超级电容器组均衡控制的研究现状
1.2.1 混合动力汽车发展概述
混合动力汽车指的是那些由两个以上的单个的汽车驱动系统组成的车辆,车辆在行驶过程中的功率由多个或者单个系统一起组成。混合动力汽车分类方式有很多,按照不同汽车的动力驱动方式的不同可分为串联式混合类动力汽车、并联式混合类动力汽车、混联式混合动力汽车和复合式混合动力汽车等。
上个世纪末开始,很多国家都纷纷重视研究混合动力汽车。许多知名汽车企业对混合动力汽车进行研发,并且取得了显著地成果,部分车型已实现大批量生产。在我国,汽车行业已被列为“十二五”行业,政府大力鼓励汽车行业的改革发展。在这样的政策支持和技术提供的大环境下,国内很多企业在混合动力汽车的研发方面取得了显著地成果。美国是最早研究混合动力汽车的国家之一,福特公司于2004年后陆续推出了很多款性能卓越的混合动力汽车,燃油经济性在逐渐改善。日本在混合动力汽车研发方面处在世界领先水平,丰田和本田公司混合动力汽车馋了占世界混合动力汽车总产量的95%之多。
1.2.2 车用储能元件概述
储能元件是超级电容器很重要的一项技术,它的好坏决定了混合动力汽车的经济性和续航能力。为了确保混合动力汽车有着良好的驾驶性能和稳定性,混合动力汽车储能元件应具有比功率大、循环使用寿命长、充放电效率高、使用性能安全等特点。几种常用的车用储能元件的性能对比如图1.1所示。

图1.1 常用车用储能元件性能对比
- 铅酸电池
铅酸电池输出最初一代车用电池,它的优点有原料易得,价格实惠等。但是另一方面铅酸电池的缺点也很多:质量重、运行效率低、所用到的铅矿资源的短缺,这些都制约了铅酸电池的发展。
- 镍氢电池
镍氢电池作为新一代的车用二次电池,因为具有大功率、高容量、无金属污染等特点,成为当前车用储能元件的首选之一,备受青睐。但与此同时镍氢电池因为单体电压比较低,内阻较小,使其很难在需要高压的场合使用。
- 锂离子电池
锂离子电池在汽车领域应用也较为广泛,它的优点有绿色环保、能量密度较高等。但是锂离子电池工作的温度范围比较窄,而且对快速的充放电有限制,这些缺点也在一定程度上限制了锂离子电池的应用。
- 超级电容器
超级电容器是出现在上个世纪中期的一种新型的储能器件。和传统储能设备相比,超级电容器有许多优势:充放电速度快、使用寿命长、容量大、能源清洁等。同时,超级电容器也有一些布置如,比如单体电容电压不均衡,电路复杂且成本不菲等。
1.2.3 超级电容器的发展概述
超级电容器刚问世的时候,它的用处并不多。直到后来大功率设备等的出现,使超级电容器重新进入到人们的视野中。现在,超级电容器的应用领域越来越多。近些年来,随着超级电容器应用的场合越来越多,美国、德国、日本等多个国家开始投入大量的精力进行研究,国内的很多机构也开始对超级电容器展开具体深入的研究,如清华大学和中科院,并且取得了瞩目的成果。
1.2.4 超级电容器组的不一致性
实验结果表明,若将超级电容器单体串联起来使用,形成的超级电容器组工作寿命会远小于超级电容器单体的使用寿命,而这一现象的根本原因就是因为串联的超级电容器各单体容量的不一致。单体超级电容器容量不一致性的原因有三:(1)在生产制造过程中,由于制造工艺和原料的细微差别,导致同一型号的超级电容器在内阻和容量上的不一致性。(2)在超级电容器的使用过程中,由于环境的通风条件、温度大小的不同,导致电容器容量、端电压等的不一致,进而导致超级电容器单体的不一致性。(3)当超级电容器被静置时,会出现自放电的现象,这一现象会导致超级电容器的容量和电压下降等不良后果。对于车用超级电容器组,如果能够减小甚至消除各单体超级电容器之间的不一致性,使其各项参数能基本保持一致,就可以大大延长超级电容器组的使用寿命,提高工作效率,这对于新能源汽车具有重大而深远的意义。
1.2.5 均衡方法概述
对于超级电容器组的均衡控制方法,根据能量可否被循环利用分为两大类:能量转移类和能量耗散类。能量转移型包括变压器法、DCDC双向变换器法等,能量耗散型包括稳压管法、开关电阻法等。电压均衡的好坏影响了储能系统的工作效率和使用寿命,在不同的场合选择合适的均衡法南是特别重要的。
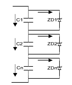
能量耗散型均衡法是指给电压过高的电容器单体并联稳压管或者电阻,将其多出的那部分能量以其他形式的能量耗散掉。这种方法的优点是成本低,电路比较简单;缺点是会损耗大量能量,且发热量比较大。这类型的方法可以用在小功率,储能系统长时间工作的场合。
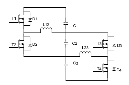
能量转移型均衡法的原理是将端电压高的电容器单体等能量通过某种方法转移给端电压低的单体。这种方法的优点是均衡效率高,速度快;缺点是成本较高,对应的电路比较复杂。
1.3 论文主要研究内容及工作安排
本文主要是对混合动力汽车超级电容器组的均衡的控制策略进行开发与研究,控制对象是车用的串联超级电容器组。对超级电容器的特性进行较详细的介绍,论述目前常用的均衡方法,对各种方法进行分析和对比;对超级电容器组进行热管理研究。对均衡系统进行硬件和软件的相关设计,最终保证超级电容器可以最大限度地发挥作用。具体工作安排如下:
- 描述超级电容器的特性,研究超级电容器组不一致性的成因、危害,用altium designer软件绘制每种均衡方法的电路图,分析各类均衡方法的特点。
- 分析环境温度对超级电容器单体的内阻、容量、工效等方面的影响,对电容器包串行和并行两种散热方式进行比较分析。
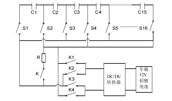
- 对超级电容器组的均衡方案进行硬件和软件的设计,使系统能够有效的实现电容器组的均衡控制,使电容器单体的容量和电压等参数趋于一致,取得理想的结果。
第二章 储能元件的选型与确定
2.1 复合电源结构选择
由锂离子电池和超级电容器组成的复合电源目前有四种常用的结构形式:超级电容器直接与锂离子电池并联;DC/DC转换器先与超级电容器组串联,串联后的整体后与锂离子电池并联;超级电容器组先与DC/DC转换器串联,后整体与锂离子电池并联;超级电容器和锂离子电池先分别与DC/DC转换器串联,后两者并联。
分析和比较上述的集中方式之后,本文的复合电源结构选取方式如图2.1所示:
图2.1 复合电源结构图
这种连接方式中,超级电容器起到的是辅助的作用,它的存在可以调节锂离子电池的对外输出功率,使得锂离子电池可以在不同条件下进行调节,这样一来效率会非常的高。
2.2 混合动力汽车的基本参数
为了后面的研究和分析,我们在这里对本文车辆的储能元件进行分析与选择。车辆的一些基本的数据如下两图所示。
图2.1 汽车的一部分基本参数

图2.2 汽车目标参数
2.3 储能元件选型
单体锂离子电池选取18350型动力性电池。(该电池额定电压值为3.6V,单体储能3.0Ah)
超级电容器选取的是Mexwall的K2.4V /30200F的新型超级电容器单体。
本文中,电源属于复合型,有锂离子电池与超级电容器共同协调作用,在此需要分别对两者的基本参数进行计算。
在储能系统中,超级电容器承担的主要任务是进行对于车辆峰值功率的提供以及与锂离子电池的协同;锂离子电池承担的则是车辆的平均功率以及整车的续航能力的功能,因此要对锂离子电池的容量以及电容器的相关参数进行计算。
- 为满足汽车续航里程进行计算:
电池总量:
=
式子中
代表的是汽车以纯电动方式行驶时的平均速度,选取其为km/h;
表示的是电极和控制器的效率,选取其为0.9;DOD代表的是放电深度,取值0.7;S为汽车纯电动续航里程,取值65km.
经计算,得:
=9.2kwh
另外:

其中
表示电池端电压,取值288V,
表示电池组容量的大小,经计算为31.8Ah.
故经计算得到:当电池组的容量至少为31.8Ah的时候,方才可以满足纯电动续航里程65km的要求。
以上是毕业论文大纲或资料介绍,该课题完整毕业论文、开题报告、任务书、程序设计、图纸设计等资料请添加微信获取,微信号:bysjorg。
相关图片展示:









