CuC3N4复合光催化材料的制备及其降解性能研究毕业论文
2020-04-07 14:11:48
摘 要
Abstract II
第一章 绪论 1
1.1 研究背景及发展 1
1.2 光催化降解有机物机理 1
1.3 半导体光催化 1
1.4 提高光催化材料性能的途径 3
1.5 g-C3N4光催化剂研究进展 4
1.6 本论文的研究意义与主要内容 6
第二章 材料、仪器设备与实验方法 7
2.1 实验材料 7
2.1.1 主要试剂 7
2.12 仪器设备 7
2.2 实验样品的制备 7
2.2.1 Cu-三聚氰胺纳米线的制备 7
2.2.2 Cu/g-C3N4光催化剂的制备 7
2.3 样品的测试与表征 8
2.4 样品的光催化性能测试 8
第三章 结果与讨论 9
3.1 样品表征结果 9
3.1.1 样品的XRD表征结果 9
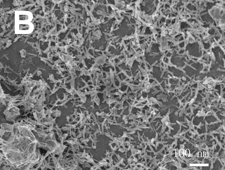
3.1.2 样品的SEM表征结果 9
3.1.3 样品的UV-vis表征结果 10
3.2 Cu/g-C3N4光催化性能及降解机理 11
第四章 结论与展望 13
4.1 结论 13
4.2 展望 13
参考文献 13
致谢 18
摘要
现今世界石油等化石能源的过度消耗导致污染物大量排放,加剧了环境污染。光催化利用太阳能通过水分解和降解有机污染物来产生氢气。通过可见光照射下的光催化水分解生产氢气为同时解决进入的能源和环境问题提供了可行的策略。g-C3N4是一种非金属半导体,由地球上含量较多的C、N元素组成,带隙约2.7 eV,它具有一定的可见光吸收能力、耐酸性、耐碱性、耐光性、稳定性好、易于调整结构和性能,并具有良好的光催化性能。
本实验先通过制备Cu-三聚氰胺纳米线作为初始产物,对分别在450oC、500oC、550oC和600oC下煅烧得到的最终产物Cu/g-C3N4的光催化效率进行了比较。通过XRD, SEM, UV vis等对合成样品的形貌,组成,光吸收性能等进行了相关表征,同时探讨了光催化活性增加的机理。所得结果对于光催化降解乃至环境领域具有参考和借鉴价值。论文主要研究了不同温度下煅烧获得的Cu/g-C3N4光催化速率的大小并阐述了Cu/ -C3N4的光催化机理。
研究结果表明:利用Cu-三聚氰胺纳米线作为前驱体在一定温度下制备的Cu/g-C3N4具有良好的光催化性能。其中500oC温度条件下所得产物光催化活性最强,550oC和600oC条件下光催化活性不明显。
本文的特色:利用Cu-三聚氰胺纳米线作为前驱体,采用煅烧法制备Cu/g-C3N4,并以温度作为变量探讨产物的光催化性能。
关键词:Cu-三聚氰胺纳米线;Cu/g-C3N4;光催化降解;
Abstract
Excessive consumption of fossil fuels and other fossil fuels in the world has resulted in large amounts of pollutants and exacerbated environmental pollution. Photocatalysis uses solar energy to produce hydrogen through water decomposition and degradation of organic pollutants. Hydrogen production through photocatalytic water degradation under visible light provides a viable strategy for simultaneously addressing the energy and environmental issues of entry. g-C3N4 is a kind of non-metal semiconductor, which is composed of C and N elements with more content on the earth, with a band gap of about 2.7 eV, which has a certain absorption of visible light, and resistance to acid, alkali and light. Good stability, easy control of structure and performance, good photocatalytic performance,
This experiment first prepared Cu/ by calcining Cu-melamine nanowires as initial products and calcining at 450oC, 500oC, 550oC and 600oC, respectively. The photocatalytic efficiency of C3N4 was compared. The morphologies, compositions, and light absorption properties of the synthesized samples were characterized by XRD, SEM, UV-vis, etc. The mechanism of photocatalytic activity increase was also discussed. The obtained results have reference and reference value for photocatalytic degradation and even environmental fields. The paper mainly studied the photocatalytic rate of Cu/g-C3N4 calcined at different temperatures and elaborated the photocatalytic mechanism of Cu/g-C3N4.
The results show that Cu/C3N4 prepared at a certain temperature using Cu-melamine nanowires as a precursor has good photocatalytic properties. The photocatalytic activity of the product obtained under 500oC temperature is the strongest, and there is no visible light photocatalytic activity under 550oC and 600oC conditions.
Features of this article: Cu/g-C3N4 was prepared by the calcination method using Cu-melamine nanowires as a precursor, and the photocatalytic properties of the product were investigated using temperature as a variable.
Keywords: Cu-melamine nanowires; Cu/g-C3N4; Photocatalytic degradation;
第一章 绪论
1.1 研究背景及发展
现如今的世界正不断面临着能源和环境恶化的峻严挑战,解决这两大问题是建设可持续发展的人类社会的必由之路。中国也不例外。一方面,中国缺乏能源。一方面,能源消耗规模巨大,导致能源缺口较大。近年来,随着社会经济的快速发展,中国石油对外依存度不断攀升,已经严重影响国家经济健康发展和社会稳定,并威胁到国家能源安全。[1] 同时,煤炭等化石能源的大量使用导致污染物排放数量急剧上升,使环境污染愈发严重,尤其是我国近段时间以来接连发生的恶劣极端天气,对人们的日常生活和身心健康造成了巨大影响,开发和利用太阳能是解决这一难题的有效方法之一。
我国有充足的光照,存在大量可被利用的太阳能,每年可供开发利用的大阳能约1.6×1015 W,大约是2011年中国使用能源总量的550倍。从长远来看,改善中国的能源使用结构,合理利用可再生能源太阳能是必经之路。然而太阳能有单位能量低、不同地区能量大小不同、能量易随时间变化、贮藏较难等缺点。
1.2 光催化降解有机物机理
光催化是通过利用太阳能来进行水分解和降解有机污染物来制备氢气。通过可见光照射下的光催化水进行氧化还原反应分解生产氢气为同时解决能源和环境污染问题提供了可行的策略[2-4]。光照下, g-C3N4价带电子激发至导带形成电子–空穴对, 电子与氧气分子结合,接着下一步与环境中的水分子相互作用。上述过程将会有三种活性粒子生成, 即H 、·O2-和·OH[5]。一些有机物和有机染料可以被这几种离子分解。NO与这些活性粒子经过一系列的反应可生成HNO3、HNO2, 从而实现对含NO气体的净化[6-7]。
1.3 半导体光催化
1972年,Fujishima和Honda在《Nature》上发表关于TiO2电极上光分解水的论文,开启了半导体光催化时代的新纪元[8]。半导体是指在常温下导电性介于导体(电导率gt;102 S cm-1)与绝缘体(电导率lt;10-10 S cm-1)之间的一种材料。半导体光催化技术的基础是固体能带理论,理论半导体具有不连续带,其中有一个禁带存在于充满电子的低能价带(Valence band, VB)和空的高能导带(Conduction, CB)之间,价带顶部和导带底部之间的能量差称为禁带宽度或带隙(Energy gap,Eg)。只有当入射光的能量等于或大于禁带宽度时,其价带上的电子会被激发跃迁至导带,同时在价带上产生相应的空穴。激发半导体所击光的能量可以通过公式进行计算:
λg(nm)=1240/Eg(eV)
λg为入射光的波长((nm ), Eg为带隙(eV).
由于半导体的能带是不连续的,产生光生电子一空穴对存在时间比较长,这使得它们能够转移到半导体表面,发生氧化还原反应。

图 1.1 TiO2光激发后电子和空穴的产生、迁移及转化过程
Linsebigler[9]等给出了半导体光催化剂TiO2光激发后产生电子和空穴的几种反应途径,如图所示。从图中可以看出,在半导体光催化剂的光激发形成电子和空穴之后,电子空穴的一部分与可以由路径A和B产生的催化剂表或体相结合,进行放热反应。载流子至催化剂表面的传输过程与复合过程恰恰相反。光生电子将通过路径C转移到半导体材料表面还原电子受体(一般为表面氧),转移到催化剂表面的光生空穴将把吸附在半导体材料表面的电子供体(如表面水、羟基、有机污染物等)进行氧化。半导体光催化性能强弱的关键条件是半导体光催化剂中光生电子和空穴的数目,他们将转移到材料表面参加氧化还原反应,于是可以推论出影响半导体光催化剂材料的光催化性能的原因有;(1)半导体光催化剂的带隙宽度。带隙越小越有利于对光的响应,也就越有利于光生电子-空穴的产生;(2)光生电子-空穴的分离效率。如果光生电子-空穴复合能够被最小化,那么就会有更多的电子-空穴转移到半导体表面参与氧化还原反应。(3)表面发生的化学反应。电子和空穴的氧化还原能力越强,那么他们反应的驱动力越强,越有利于氧化还原反应的进行,这就需要半导体价带顶和导带底电位的电势与溶剂或被吸附物质的氧化还原电势的相对值越大越好。例如光解水,它要求半导体光催化剂价带顶部的电位大于水的氧化电位(O2/H2O,1.23Vvs. NHE),而导带底部的电位更负于水的还原电位(H /H2O,0 Vvs. NHE)[10]。
Hoffman等[11]研究了TiO2体系中迁移到半导体表面的光生电子和空穴与表面物质发生的一系列化学反应,产生的光生空穴能够在半导体表面将水分子或羟基通过氧化反应生成羟基自由基,光生电子能够与表面氧发生多种还原反应生成新的具有强氧化性的物质(O2-, HOO-, H2O2以及·OH等)。[11]其中·OH,O2- ,HOO·等活性基团都具有很强的氧化性,存在于半导体光催化剂表面的各种有机物都能被它们氧化降解成CO2, H2O和小分子有机酸。
1.4 提高光催化材料性能的途径
在太阳光辐射的总能量中,可见光约占47%,紫外区的太阳辐射能较少,只占总能量的5%左右。[12]为了不浪费太阳光中充足的可见光(约44%)并将其充分使用,开发具有可见光响应的光催化剂引起了各国科研人员的关注。而半导体光催化材料能够响应的太阳光波长范围是由半导体禁带宽度大小决定。TiO2和CdS是光催化研究中最典型的半导体材料。TiO2的禁带宽度为3.2 eV,只响应λ≤387 nm的高能紫外光;而后者CdS的禁带宽度较窄,为2.4 eV,能够在波长λlt;517 nm的可见光区被激发,可以充分利用太阳光能谱中含量最多的可见光,为可见光响应材料。由于TiO2只对紫外光响应,而CdS本身对环境具有一定的污染,导致它们在光催化领域的应用受到一定的限制。因此,开发对可见光响应的环境友好型半导体光催化材料是光催化研究的热点。
TiO2具有化学性质稳定、抗光腐蚀、无毒、易制备、价格低等优点,在环境保护等领域得到了广泛应用,但由于其自身的带隙宽度较大,不利于光生电子-空穴的产生,且其光生电子-空穴分离效率低下,使其进一步应用受到了限制,对其进行改性是提高TiO2可见光催化性能的必要途径,近几年来,各国工作者不断开发对可见光具有响应性能的非TiO2基光催化剂
近年来,具有可见光响应光催化剂研究方面不断取得突破,也取得一些成果,为充分利用太阳能创造了十分有利的条件。但受于光量子效率的制约,即使是使用可见光响应性最好的光催化剂,催化效率依然不高。所以科学工作者们研究出了不少针对半导体光催化剂的改性手段主要包括;元素掺杂、金属掺杂[13]、非金属掺杂[14-16]、金属-金属共掺杂[17-19]、金属-非金属共掺杂[20-23]、非金属-非金属共掺杂[24-25],贵金属沉积[26-28],染料敏化[29]等
近来年的研究发现,一些结构简单、易于合成的窄能带金属氧化物或硫化物如Cu2O(2.0 eV)、Fe2O3(2.2 eV)和CdS(2.5 eV)等,都具有对可见光反应的光催化活性。1998年Hara等[30]在《Chemical Communications》发表文章,发现Cu2O能够在可见光下分解水生成H2和O2,反应持续1900 h光催化活性没有明显降低。
1.5 C3N4光催化剂研究进展
g-C3N4是一种非金属半导体,由地球上含量较多的C、N元素组成,带隙约为2.7 eV,它具有一定的可见光吸收能力、耐酸性、耐碱性、耐光性、稳定性好、易于调整结构和性能,并具有良好的光催化性能,因而成为光催化研究领域的研究热点。g-C3N4,也就是石墨相的C3N4,结构最为稳定。对于g-C3N4的结构,人们主要有两种不同的看法:一种认为单层 g-C3N4的结构单元是三吖啶环(C3N3环);其他的人则认为单层 g-C3N4的是由3-s-三吖啶环(C6N7环)作为基本单元构成[31]。通过密度泛函(DFT)计算,基于3-s-三吖啶环的g-C3N4结构比基于三吖啶环的g-C3N4 结构稳定,近年来,大多数对g-C3N4的研究的理论模型都以3-s-三吖啶环结构为基础。结构决定性质。g-C3N4结构与石墨烯结构相类似,相当于是将石墨烯骨架中的部分C元素用N元素取代而形成的一种二维平面层状堆积结构。由于与石墨烯具有相似的二维片层结构,使得g-C3N4材料的比表面积理论上能够达到2500 m2 g–1;两个(002)面间的层面间距为0.326 nm,使得层与层之间存在很强的范德华力;另外g-C3N4结构中仅含有C和N这两种元素,这两种元素相互作用形成了一个个类似于芳环结构的六边形堆积结构,在这个结构中,C和N之间存在很强的共价键(大π键),使得g-C3N4成为了高度离域的共轭体系。g-C3N4特殊的结构使得该材料在600 ℃高温、酸、碱及盐中均能表现出良好的稳定性。不同于传统半导体光催化材料TiO2,g-C3N4的禁带宽度仅约为2.7 eV,是一种对可见光吸收的光催化材料,并且它无毒无害,对环境不会产生二次污染,因此可以作为一种优良的半导体材料而应用到光催化领域中。
在自然界中,天然的g-C3N4晶体直到现在依旧没有被发现。所以,g-C3N4 的研究主要途径是实验合成。合适的碳源和氮源在一定条件下反应可以生成g-C3N4,常用的反应物有三聚氰胺、三聚氰氯、氰胺、二氰二胺、尿素等。目前,g-C3N4 的主要合成方法有:高温高压法[32]、溶剂热法[33]、沉积法[34]、热聚合法[35]等。
以上是毕业论文大纲或资料介绍,该课题完整毕业论文、开题报告、任务书、程序设计、图纸设计等资料请添加微信获取,微信号:bysjorg。
相关图片展示:







您可能感兴趣的文章
- BN嵌入型四苯并五苯:一种工具高稳定性的并五苯衍生物外文翻译资料
 - MoS2和石墨烯作为助催化剂在增强的可见光光催化H2生产活性的多臂CdS纳米棒的作用外文翻译资料
 - 通过在BiVO4的不同晶面上进行双助剂的合理组装制备高效率的光催化剂外文翻译资料
 - 非编码RNA的固相合成研究外文翻译资料
 - 氢化驱动的导电Na2Ti3O7纳米阵列作为钠离子电池阳极外文翻译资料
 - 高能量及功率密度的可充电锌-二氧化锰电池外文翻译资料
 - 利用导电聚合物纳米线阵列来增强电化学性能外文翻译资料
 - 自支撑Na2Ti3O7纳米阵列/石墨烯泡沫和石墨烯泡沫准固态钠离子电容器电极外文翻译资料
 - 基于碳纳米管金纳米粒子辣根过氧化物酶构建的过氧化氢生物传感器毕业论文
 - 新型联二吡啶Pt(II)炔配合物的设计、合成及光物理性质研究毕业论文
 

        
            
