超高性能混凝土(UHPC)基本配筋设计与防火性能毕业论文
2020-04-03 13:13:55
摘 要
超高性能混凝土(Ultra-High Performance Concretes, UHPC)源于1991年法国的活性粉末混凝土(Reactive Powder Concrete, RPC),是一种具有韧性高、抗压强度高和耐久性能好等优异性能的新型材料。UHPC的徐变和收缩极小,热养护后UHPC的徐变系数不到0.2,基本没有收缩。UHPC不但具有比普通混凝土高的极限抗拉强度,而且具有更好的峰值后软化特性。自其问世以来,国内外在UHPC的组成材料、配比、制作、养护及其物理力学性能的研究较多,但对配筋UHPC构件的基本力学性能、设计计算理论以及工程应用方面的研究较少。为了打破现有研究领域的缺陷,本文提出一种UHPC梁正截面承载力的计算方法,并且对其防火性能进行了简要研究。
关键词:超高性能混凝土;普通配筋设计;预应力配筋设计;防火性能
Abstract
UHPC (Ultra-High Performance Concretes) originated from Reactive Powder Concrete (RPC) in France in 1991. It is a new material with high compressive strength, high toughness, and good durability. Mainly through the comparison of conventional concrete with ordinary reinforcement and ultra-high performance of concrete with ordinary reinforcement and pre-stressed steel with or without the addition of some cases of steel fiber to understand the new material UHPC in practical applications of excellence; from ordinary concrete Based on the principle of steel fiber reinforcement, the steel fiber reinforcement of ultra-high-performance concrete is briefly discussed. The characteristics of UHPC at high temperatures in fire mainly include high temperature bursting and mechanical strength changes.
Key words: ultra-high performance concrete; common reinforcement design; prestressed reinforcement design; high temperature performance.
目录
第一章 绪论 1
1.1国内外研究现状 2
1.2研究目的及意义 3
1.3混凝土发展历程概况 3
第二章 普通水泥混凝土 4
2.1常规混凝土 4
2.2预应力混凝土 5
2.2.1混凝土的强度要求 5
2.2.2预应力钢材的要求 5
第三章 超高性能混凝土UHPC 8
3.1超高性能混凝土简介 8
3.2钢纤维种类 9
3.3 UHPC的钢纤维增强原理 11
3.4 钢纤维的复合力学理论 12
3.5钢纤维的纤维间距理论 12
第四章UHPC构件的预应力配筋计算原理介绍 13
4.1 无钢纤维 13
4.2 有钢纤维 14
4.3预应力混凝土相对界限受压区高度 16
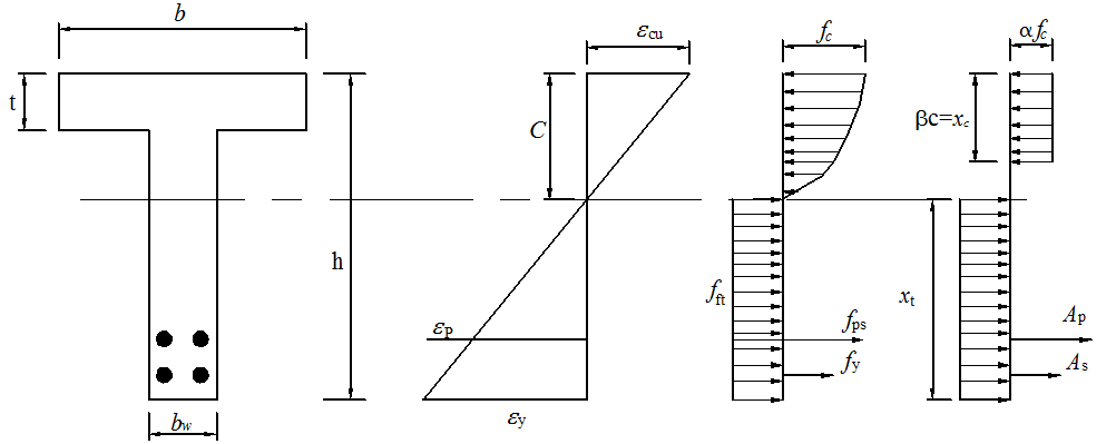
第五章 UHPC鱼腹梁配筋计算 18
5.1 构件概况 18
5.2构件材料及各种参数 18
5.3 UHPC构件的普通钢筋配筋设计 19
5.4 UHPC构件的预应力配筋设计 21
第六章 UHPC的防火性能 28
第七章 结论 29
参考文献 30
致 谢 31
绪论
1.1国内外研究现状
近年来,国内外学者做出了大量的科学研究关于钢纤维对UHPC力学性能的影响,还有关于蒸养超高性能混凝土及其冻融破坏情况。在高绪明的报告中,研究了不同长径比钢纤维对UHPC流动性、抗压强度和抗弯拉强度的影响。孙小凯指出,103MPa基体超高性能混凝土,钢纤维体积率为2.0%时,超细纤维和端弯纤维分别主导混凝土在承载力和延性上的表现【1】。黄政宇等人探究了热养护期对UHPC收缩的影响【2】。苏家战等人的报告中得出UHPC试验梁的屈服和破坏荷载、延性和抗裂性均随着钢纤维掺量和配筋率的增加而提高【3】。孙小凯等人参照CECS 38∶2004《纤维混凝土结构设计规程》,提出了钢筋超高性能纤维混凝土受弯构件正截面抗弯承载力计算方法,计算结果与试验结果吻合较好【4】。
而防火性能方面,就目前可接触的资料研究数据,关于超高性能混凝土的防火性能研究的可参考的文献较少,但应该可从普通混凝土结构防火性能基理研究方向出发,探究UHPC的抗高温性能规律,为使用UHPC材料的结构物在火灾坏境下作出损伤评估。熊涛,张智慧对混凝土结构的防火性能研究中提到,当发生火灾时,在高温作用下,混凝土中的水泥石和钢筋发生收缩,其他材料发生膨胀,在同一结构中,有几类材料强度不同,导致混凝土结构内部产生裂缝【5】。当混凝土结构表面温度超过400℃,混凝土结构出现严重变形。朋改非等人探究火灾高温下UHPC性能表现,得出最新研究发现,组合养护是有效改善UHPC火灾高温性能的新方法,可避免爆裂发生。MO Alkaysi等人研究影响UHPC和钢纤维之间粘结强度的因素得出增加埋置钢纤维会导致标称峰值粘结强度的降低【6】。Hao-wen Ye等人发现聚丙烯的添加不仅可以增强混凝土强度和弹性,还能在周围环境温度升高时提供通风的管道【7】。另外Doo-Yeol Yoo等人报告中描述了使用玻璃纤维增强聚合物(GFRP)增强以及混杂增强(钢筋 GFRP)的纤维增强超高性能混凝土(UHPFRC)的抗弯性能均有优秀表现【8】。
1.2 研究目的及意义
超高性能混凝土,简称UHPC(Ultra-High Performance Concrete),也称作活性粉末混凝土(RPC,Reactive Powder Concrete),是上世纪90年代中斯由法国公司采用常规的水泥等材料开发出的一种新型超高强度、高耐久性、高韧性、体积稳定性良好的水泥基材料【9】。就工程应用来说,在建筑行业中很重要其中一个性质----工程的经济性,这就希望将不可再生资源的开采量减到最低,从而可以保证可再生资源的再生和建筑垃圾和残留的减少。
钢筋混凝土是世界上使用最为广泛的建筑材料。近年来,得益于高效减水剂的研制进展,大大促进了一种新的混凝土家族成员的发展----超高性能混凝土。
全球年度混凝土材料整体流量估值在20-25Gt左右【10】。水泥是使用最广的无机胶合材料。在未来的工程应用上,如果混凝土材料可以逐步向超高性能混凝土材料的方向进发,由于超高性能混凝土中能源密度减少型的水力混凝土添加剂的使用,这将是降低对环境的影响的巨大潜力。
因此,本文探究内容对UHPC在实际工程应用中的计算理论及方法具有现实意义。
1.3 混凝土发展历程概况
本文主要是通过对比常规混凝土普通配筋以及超高性能混凝土的普通配筋和预应力配筋的有无加入钢纤维的几种情况,来了解新型材料UHPC在实际应用中的优异性。而UHPC在实际应用中,通常都会掺入钢纤维增强,单纯的UHPC的预应力配筋情况并没有太大可述性,所以本文将在较大篇幅中综述钢纤维增强的UHPC预应力配筋情况。
普通钢筋混凝土的历史并不久远,至今也只有两百多年的历史,砂、石材料是混凝土所使用的主要材料,因为这些材料很常见,便于就地取材;混凝土材料拥有着较好的可塑造性,结构造型也可以根据工程需要浇筑成各种形状的构件,十分灵活。通常混凝土结构有着达约35 MPa的抗压强度,算比较高的。但是众所周知,其极其不足的抗拉强度严重制约着混凝土结构的工作应用,稍微较大的拉弯荷载都会使其微观晶格结构开裂和分离从而导致结构的失效【11】。而实际上单纯只是受压应力的工程构件基本上没有,故素混凝土被单独使用于工程的例子极少。所以,根据钢筋和混凝土这两种材料的受力性能特点,人们发明了钢筋混凝土结构,这种将两种材料结合而形成的结构可以获得较令人满意的整体性和耐久性,因而,众多钢筋混凝土建筑工程得到大力发展和推广,其工程应用范围大大增加。但是,无可避免的是这种大型结构有着也有抗裂性不足、自重较大、修补困难的缺点。由于自身的材料性质,人们发现钢筋和混凝土可以共同工作,以此来弥补混凝土材料性能明显的短板。首先是因为钢筋与混凝土有着相近的线膨胀系数,这样就不会因为环境有差异而产生过大的应力【12】。其次则是因为钢筋与混凝土之间有良好的粘结力,以此来传递结构在工作状态下,混凝土和钢筋之间由于变形差沿钢筋和混凝土接触面上产生的剪应力,亦即粘结应力【13】。
预应力混凝土结构最初的出现是为了克服钢筋混凝土结构在使用阶段极其容易开裂的问题而发展起来的结构。通过高强度钢筋和高强度混凝土材料的互补,并且采用相应钢筋张拉施工工艺,如此一来就可在构件中建立预加应力。得益于高强度材料和预应力工艺在预应力混凝土结构中的应用,可以很大程度上节约材料,这不仅符合工程经济性的需求,同时亦减少了构件截面尺寸,从而减轻了构件自重,可以说是改善了普通混凝土结构自重大的缺点,因而预应力混凝土构件比钢筋混凝土构件轻巧,在建造由恒荷载控制设计的大跨径桥梁时会得到令人们满意的效果【14】。
在对混凝土结构改善的革命中,研究者们的脚步从来未停止。钢纤维混凝土(Steel Fiber Reinforced Concrete,简写为SFRC)就是近年来人们开发出来的一种新型复合材料,其是在普通混凝土中掺入适量短钢纤维而形成的【15】。这种材料是近年来才兴起的,研究者们发现这种复合材料不仅性能优良且应用广泛。钢纤维在混凝土中的角色主要是混凝土裂缝的发生和扩展起抑制作用,所以比起普通混凝土,钢纤维混凝土的抗弯拉、抗剪强度都有明显提高,变成具有一定塑性性能的复合材料。根据已有研究可知,影响纤维增强效果的因素主要要基体强度,纤维长径比,纤维体积率和纤维与基体间的粘结强度等【16】。这将在后文详细论述。钢纤维混凝土以其良好的性能优势在工程建筑各个领域中都得到了广泛应用,主要有房屋工程、水利工程、路桥工程、港口和海洋工程等领域。
超高性能混凝土(Ultra-High Performance Concretes, UHPC)源于1991年法国的活性粉末混凝土(Reactive Powder Concrete, RPC),是一种具有高韧性、高抗压强度和耐久性能好等优异性能的新型材料。比较突出的还有UHPC的徐变和收缩极小,热养护后基本没有收缩。UHPC的极限抗拉强度比普通混凝土要好,而且具有更好的峰值后软化特性。超高性能混凝土在抗压承载力方面已经比普通混凝土有了极大提高的前提下,诸多学者针对如何进一步优化其各种性能作出了大量研究。其中,在基体中混入微细钢纤维,得到的性能表现非常具有研究价值。加入的钢纤维抗拉强度普遍可达到2000MPa左右,而长度仅在40mm以下【17】。在一些学者的研究中,采用了相同的基体混凝土和静力加载方式,研究端弯钢纤维和超细钢纤维混合,纤维体积掺率2%时,配筋率对UHPFRC梁抗弯性能的影响。从实验数据分析可知,在混凝土受拉区的钢筋达到屈服强度后,这些微细钢纤维在混凝土受压区发挥出相当令人喜悦的作用。“由于钢纤维的‘桥联’作用,受压区混凝土裂而不散,坏而不碎,受压区混凝土始终保持整体,破坏形态表现出非常好的延性。”虽然钢纤维对于梁体的抗弯承载力提高不明显,但在裂缝控制方面,在梁体出现宽度0.2mm以上的裂缝前(裂缝发展前期),其“桥联”作用为主导,对抑制裂缝前期发展有很好的作用【18】。另外,还有学者进一步详细地研究了钢纤维的各种参数对UHPC工作性、抗压和抗弯拉强度等以及其与基体的粘结性能方面的影响。在高绪明的研究中,得出的结论有:1、纤维长径比的增大能显著影响UHPC的流动性,但抗压强度变化不大,而抗弯拉强度随着其增大有着不同程度的增大。2、纤维类型在UHPC的抗压和抗弯拉强度方面有着明显的影响,对其流动性则影响甚微。种类不同的钢纤维与混凝土的粘结力亦有差异,我认为这也是为何纤维类型对混凝土的力学性质有明显影响的主要原因。3、紧接着第2个现象,则得出纤维掺量对UHPC无论是力学性能还是流动性,都有明显影响。4、前文已提到钢纤维的“桥联”作用效果显著,亦即对UHPC的开裂荷载方面是有所增强的,而不同类型的钢纤维实际上在这方面的差别却不大【19】。故钢纤维的掺入对混凝土基体性能产生的最主要影响,可以认为是其对混凝土产生裂缝初期的阻滞作用,从而整个结构的延性有相当大的提高,后文将继续对纤维的增强基理进行探讨。
而就UHPC防火性能方面,国内的研究资料目前仍相当缺乏,但从普通混凝土、高强混凝土得相关性能表现可大概进行假设。火灾是现代社会中发生几率最高,而且极具危害性,影响相当巨大的灾害,不仅会造成建筑物损毁,令财产安全受到极大伤害,甚至危害人们的生命安全,造成大量人员伤亡。因此对应用范围日益广泛的UHPC材料进行防火性能的探究具有重大意义。在建筑物失火的过程中,随着温度上升,在已有的对高强钢筋混凝土耐火研究中发现,结构材料的强度、刚度指标明显下降【20】。同时可能产生非常大的温度应力,结构的承载力、抗震性能、耐久性能都会显著降低。本文之后将设计简单的实验探究UHPC的防火性能表现。
第二章 普通水泥混凝土
2.1常规混凝土
混凝土的强度等级是指混凝土的抗压强度。
按照GB50010-2010《混凝土结构设计规范》规定,普通混凝土划分为十四个等级,即:C15,C20,C25,C30,C35,C40,C45,C50,C55,C60,C65,C70,C75,C80。例如,强度等级为C30的混凝土是指30MPa≤fcult;35MPa
表2-1 混凝土强度标准值和设计值(MPa)
强度种类 | 符号 | 混凝土强度等级 | |||||||||||||
C20 | C25 | C30 | C35 | C40 | C45 | C50 | C55 | C60 | C65 | C70 | C75 | C80 | |||
强度标准值 | 轴心抗压 | fck | 13.4 | 16.7 | 20.1 | 23.4 | 26.8 | 29.6 | 32.4 | 35.5 | 38.5 | 41.5 | 44.5 | 47.4 | 50.2 |
轴心抗拉 | ftk | 1.54 | 1.78 | 2.01 | 2.20 | 2.40 | 2.51 | 2.65 | 2.74 | 2.85 | 2.93 | 3.0 | 3.05 | 3.10 | |
强度设计值 | 轴心抗压 | fcd | 9.2 | 11.5 | 13.8 | 16.1 | 18.4 | 20.5 | 22.4 | 24.4 | 26.5 | 28.5 | 30.5 | 32.4 | 34.6 |
轴心抗拉 | ftd | 1.06 | 1.23 | 1.39 | 1.52 | 1.65 | 1.74 | 1.83 | 1.89 | 1.96 | 2.02 | 2.07 | 2.10 | 2.14 | |
表2-2 混凝土的弹性模量(×104MPa)
混凝土强度等级 | C20 | C25 | C30 | C35 | C40 | C45 | C50 | C55 | C60 | C65 | C70 | C75 | C80 |
Ec | 2.55 | 2.80 | 3.00 | 3.15 | 3.25 | 3.35 | 3.45 | 3.55 | 3.60 | 3.65 | 3.70 | 3.75 | 3.80 |
2.2预应力混凝土
预应力混凝土是针对混凝土的裂缝过早出现而影响工作的一种手段,在构件使用(加载)之前,在混凝土的受拉区内对混凝土施加一个预压力,亦就是采用相关工艺对钢筋进行张拉,就会使混凝土受拉区预先受压力。当构件承受由外荷载产生的拉力时,会首先抵消受拉区混凝土中的预压力,然后随着荷载增加,才使混凝土受拉,这就会达到阻滞了混凝土裂缝的发展,延缓或甚至不使裂缝出现的目的。
2.2.1混凝土的强度要求
根据相关规程,预应力结构需要使用抗压强度比较高的混凝土。
以上是毕业论文大纲或资料介绍,该课题完整毕业论文、开题报告、任务书、程序设计、图纸设计等资料请添加微信获取,微信号:bysjorg。
相关图片展示:









