基于Labview的多点焊接热循环测试系统研究毕业论文
2020-02-19 15:44:49
摘 要
本论文主要研究了如何通过Labview软件自主设计出一个焊接热循环的测试程序,实现对焊接热循环的测试与分析,本次研究采用的是武汉亚为公司的USB 8 AD Plus的采集卡,本研究的难点和主要工作也就是在于Labview软件各功能模块所对应的程序的设计,也就是在Labview软件内的编程。
研究结果表明:本次研究设计的基于Labview的焊接热循环测试系统能够很好地采集到焊接数据、保存并回放焊接热循环曲线和分析并计算焊接热循环参数,该系统准确度高,测量的数据准确稳定,能够很好地反应实际情况,能够在各种复杂的环境和工作现场工作。此外,该测试系统的适用范围较广,不仅仅可以用于研究焊接热循环,还可以推广至其他需要测量温度的研究中,测量焊接热循环的实质也是对温度这一参数的测量。
本文的特色:本文采用了硬件技术和软件技术结合的方法,研究和开发了一套基于Labview的多点焊接热循环的测试系统和分析系统,并且介绍了焊接热循环测试系统的硬件组成及其基本原理,包括数据采集卡运行的基本机理和热电偶、温度变送器及稳压电源的一些补充说明,又从整体介绍了整套系统的工作流程,数据流向等等。但是,本次研究最主要的任务还是在于该测试系统软件部分的设计,也就是基于Labview编程语言的程序设计,包括采集焊接数据的程序设计、保存数据的程序设计、重现数据的程序设计和计算焊接热循环参数的程序设计。
关键词:焊接热循环;Labview;程序设计;数据采集;数据回放;数据计算
Abstract
This paper mainly studies how to design a test program of welding thermal cycle through Labview software to realize the test and analysis of welding thermal cycle. This research adopts the acquisition card of USB 8 AD Plus of Wuhan Ya Company. The difficulty and main work of this study lies in the design of the program corresponding to each functional module of Labview, that is, the programming in Labview software.
The results show that the welding thermal cycle test system based on Labview can collect the welding data, save and play back the welding thermal cycle curve, analyze and calculate the welding thermal cycle parameters, and the accuracy of the system is high. The measured data are accurate and stable, can reflect the actual situation, and can work in a variety of complex environments and work sites. In addition, the test system has a wide range of applications, which can not only be used to study welding thermal cycle, but also can be extended to other studies that need to measure temperature. The essence of measuring welding thermal cycle is also the measurement of temperature parameters.
The characteristics of this paper: this paper adopts the method of combining hardware technology and software technology, and studies and develops a set of multi-point welding thermal cycle test system and analysis system based on Labview. The hardware composition and basic principle of welding thermal cycle test system are introduced, including the basic mechanism of data acquisition card operation and some supplementary instructions of thermocouple, temperature transmitter and voltage stabilizing power supply. It also introduces the workflow, data flow and so on of the whole system. However, the most important task of this study lies in the design of the software part of the test system, that is, the programming based on Labview programming language. It includes the program design of collecting welding data, the program design of saving data, the program design of reproducing data and the program design of calculating welding thermal cycle parameters.
Key Words: weld thermal cycle; Labview; Programming; data acquisition; data playback; data calculation
目 录
第1章 绪论 7
1.1 研究焊接热循环的现实意义 7
1.2 计算机在焊接热循环测试中的作用 8
第2章 测试系统的硬件组成 10
2.1 数据采集卡 10
2.2 温度变送器 11
2.3 温度传感器 12
第3章 测试系统的软件设计 14
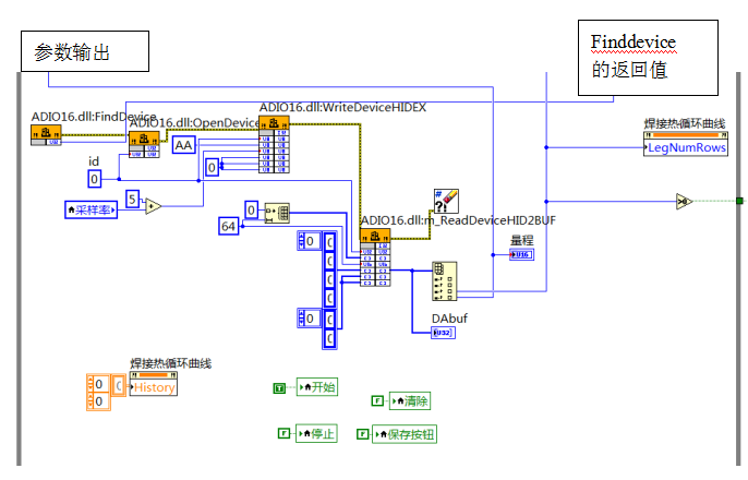
3.1 采集焊接数据的程序设计 14
3.2 显示焊接热循环曲线的程序设计 16
3.3 数据保存的程序设计 17
3.4 数据回放的程序设计 18
3.5 热循环参数计算的程序设计 19
3.6 用户界面的设计 21
第4章 测试系统的实验调试 23
4.1 测试系统的模拟调试 23
4.2 测试系统的现场调试 24
第5章 结论与展望 28
5.1 结论 28
5.2 展望 28
参考文献 30
致 谢 32
第1章 绪论
焊接工艺作为一种重要的材料加工方法,一直在我国的制造业中占据着及其重要的作用,广泛的运用于军事、海洋和电子制造业等等各行各业。近年来,我国的焊接加工工程面临越来越高的要求,进一步实现焊接的机械化和自动化是我们未来的目标。人工智能以及专家系统等高新技术的不断进步发展,不仅仅将计算机、人工智能等技术应用于制造、工业设计和生产管理等等各个方面,也对焊接过程的实时控制提出了更高的要求,在汽车企业的实习期间我也发现了,焊接机器人、数值模拟、焊接专家系统以及人工智能等等一些先进技术的引入给焊接的智能化和自动化带来了新的希望。
1.1 研究焊接热循环的现实意义
在焊接过程中,焊接电弧不断在被焊接的零件上不断的移动,被焊接的物件上某个点的温度随着时间的推移而变化的过程即为焊接热循环,表示出了焊点焊缝区及热影响区的温度场的变化过程,焊接热循环对焊缝附近的热影响区(简称HAZ)有作用,相当于对HAZ组织进行了一次加热和冷却,这个过程类似于热处理,所以热循环区的组织就相当于经历了一次特殊的热处理过程,那么热影响区的组织的大小、形态等等就会发生改变,从而影响到该区域组织的性能,包括强度、塑性和韧性和各种其它特殊的性能。因此可以设计一个比较智能化的能够采集焊接数据和分析计算各种热循环参数具有综合功能的测试系统,可以为分析该区域的组织组成和分布、性能指标及焊接缺陷形成的机理提供更重要更科学的方式,也可以用于指导、评定和改进焊接工艺及设计。
随着我国制造业的高质量高速度发展,我们对于机械设备及各种结构件的要求也越来越高,我们希望得到更高强度以及更高塑性和韧性,有些设备甚至要求具备一些特殊性能,比如能在低温下正常工作、耐各种腐蚀和具有各种电磁性等等。如火箭发动机、潜水艇还有桥梁等等,许多先进设备都需要焊接,并且对设备的性能提出很高的要求。对于焊接结构件,焊缝热影响区的质量至关重要,若焊接热影响区的质量不好便会出现各种缺陷并在使用过程中出现问题,如脆断、应力集中和焊接裂纹等,这些焊接缺陷有时候甚至可以造成灾难性的后果,焊接热影响区的质量直接影响接头的性能[1]。
在焊接过程中,焊缝以及热影响区都经历了温度从低到高、再从高到低的过程,相当于经历了一次加热和冷却,这个过程可以近似的把它看做一种“特殊的热处理”,因此热影响区的组织也会发生一系列的变化,而焊接接头的质量很大一部分都是由该部分的组织组成物决定的,因此通过测试焊接热循环曲线,获得热影响区各个点的温度变化,从而知道它的组织,从而能预测焊接质量。由此可知,测试焊接热循环曲线对于研究焊接接头的性能和防止焊接裂纹具有重要的实用意义,它不但可以指导焊接工艺规范的制定,还可以对已制定好的焊接工艺规范进行优化。若将得到的数据与CCT图结合分析,我们还可以预测到热影响区的组织组成,这对焊接设计焊接工艺、评价现有焊接规范的好坏和对焊接规范进行进一步优化具有更为实际的意义。
此外,焊接过程与普通的热处理相比又有一些自己独特的特点,第一,其焊接热影响区不同区域的组织的加热和冷却过程的区别非常大,比如在接近焊缝区域的温度可达到将近熔点;第二,焊接时热源热量强烈集中的小区域中,因此加热的温度往往比普通热处理要快得多;第三,焊接时间往往比较短暂,热影响区在AC3以上的时间很短,组织往往来不及转变,即使转变组织也很不均匀。从焊接过程的特殊性可以看出,进一步研究焊接热循环,对于掌握焊接接头的性能、有效的防止焊接缺陷具有很重要的意义,因为焊接热循环曲线包含着不少信息,这些过程对于了解焊接冷却过程中组织的转变和提高焊接综合性能都有很大的实际意义。
1.2 计算机在焊接热循环测试中的作用
焊接温度场的准确计算是控制焊接接头质量、指导和优化焊接工艺规范的基础,利用计算机强大的数据存储和计算能力,可以得到一系列的随时间变化的温度值并且准确计算出各种焊接热循环参数,如焊件在相变温度以上持续的时间
、最高温度和热影响区的温度从八百摄氏度降低到五百摄氏度的时间
,并且计算机具有强大的图形显示能力,可以将得到的数据自动绘制成曲线,即焊接热循环曲线,让我们可以对焊接热影响区的温度场变化有一个更直观的了解。
计算机技术在焊接领域的应用是以近年来计算机性能的提高和成本的降低为前提的,其在焊接领域的应用日益深入,跟其它生产方式相比,焊接往往自动化程度较低,工作环境恶劣,更多地依赖人力劳动和工作经验,所以其迫切地需要计算机技术推动焊接技术的自动化和智能化[2]。
本课题的主要目的就是克服传统方法测量焊接热循环曲线的不足,尽力利用好电脑在采集数据和保存处理数据方面的特长,通过智能化的软件带动这些测试设备,自主设计出一种基于计算机采集和处理数据的测试系统,从而加强测量焊接热循环的实时性[3],为研究焊接热循环、防止焊接缺陷和提高焊接产品性能方面的研究提供一种简单实用的测试方法,并且可以将该测试系统应用到其他需要进行温度实时测量的研究中去,从而使该测试系统具有更大的实用价值。
这种基于Labview的测试系统可以节省很多人力物力,如果将其应用到各生产领域中,必定可以创造很大的社会价值,并且由于这种测试系统对于硬件系统的的要求不算太高,因此成本也不高,最重要是维修和更新方便,若要在这种测试系统的基础上更新新的功能也比较容易,因为这种测试系统采用模块式编程方法[4]。
第2章 测试系统的硬件组成
本次研究的焊接热循环测试系统的测试系统的总体硬件组成如图2.1所示,该测试系统由焊接设备、一个微机稳压电源、一个型号为WS90602K的温度变送器、一个武汉亚为公司的USB 8AD Plus数据采集卡、一个K型热电偶和一台ASUS的笔记本电脑所组成[5]。

图2.1 焊接热循环测试系统的硬件总体组成
该测试系统在工作的过程中,是由温度传感器将测得温度数据传送到WS90602K的温度变送器中,温度变送器将测得的信号变成为0-5V的电压信号后,进而将数据传输到放大电路中乘以一定的比列系数,数据经过放大处理后,然后再将放大后的电压信号送入数据采集卡的AI0到AI7八个端子,也就是采集卡的八个模拟输入端,数据采集卡进而将采集到的模拟信号通过A/D转换电路转化成数字信号,从而能够被笔记本电脑读取[7],以便后续的保存、回放和计算等一系列数据处理过程。
微机稳压电源可以给温度变送器提供不同电压范围的电源,而此次采用的温度变送器的供电电压是24V,因此与微机稳压电源的25V连接口连接即可很好的使其正常工作,接线方法可以在热电偶温度变送器的背面连线示意图看见,接线方式简单明了,清楚地表示了与电源连接的两个接口以及输入和输出接口,其中正负号就代表着正负极。
2.1 数据采集卡
此次研究采用了武汉亚为电子科技有限公司的USB 8AD Plus采集卡,该采集卡由与之连接的电脑供电,不再需要额外的外部电源,因此很方便,该采集卡共有八个通道,每个通道都可以采集0-10V的电压信号,可与许多种类的仪器搭配使用,该数据采集卡的默认采样率为 1kHz,还可以可设为 200Hz 500Hz 1KHz 2KHz 5KHz 10KHz。

图2.2亚为的数据采集卡
如图2.2所示USB 8AD Plus共有十个端子,其中两个AND是公共接地端子,AIO-AI7为8个输入端子。
2.2 温度变送器
温度变送器有不同的型号,根据输入信号的温度范围可以分为K型、J型、S型、T型、B型和R型,而且根据通道数,可以分为一进一出式、一进两出式和两进两出式,本次研究的测试系统采用的是一进一出式的型号为WS90601的K型热电偶温度变送器,如图2.3所示,温度变送器的作用就是将本次实验温度传感器所检测到的信号变成电压,这种型号的热电偶温度变送器的输出信号的电压范围为0-5V。如前所述,数据采集卡的输入信号的范围恰好是0-10V,因此温度变送器的这个范围的电压信号可以很好地被数据采集卡识别和采集,只有将温度信号变成了统一标准的信号才可以输出到显示仪器,从而把实现对焊接热循环曲线的显示、存储和回放[8]。在温度变送器的背面有接线示意图,即便是新手,也可以很快的指导如何将这些硬件连接起来。本次采用的温度变送器有如下特点:
(1)设备稳定可靠,无需维修且使用寿命很长,静态时的能量损耗低。
(2)传输信号为0-5V的电压信号,有着很强的抗干扰能力。
(3)该温度变送器外壳采用了优质的环氧树脂封装,耐腐蚀,可在各种恶劣的环境中工作。
(4)缺点为不能够适合于计算机的多通道采集,若要实现多通道采集必须要多个温度变送器。

图2.3热电偶温度变送器
2.3 温度传感器
本课题的测量焊接热循环曲线的系统采用的是K型热电偶作为温度传感器,用来测量焊接热影响区的温度变化。热电偶存在两个端头,这两个端头是由两种不同的材料制造的,当这两端存在一定的温度差值时,能产生电动势,这个电动势的大小与不同金属中电子的浓度有关系,因此其温度差的大小和此效应产生的电动势有一个对应关系,这种对应关系可以通过表格查询到,不同的热电偶,这种对应关系是不一样的。调试测试系统的时候,把该热电偶的热结点固定在焊接热影响区需要测量的位置,它的另一端就与温度变送器相连接,当点焊进行时,焊接热影响区的温度就会变化,热电偶的热结点就会因为温度升高从而产生热电势,但是热电偶产生的是很小很小的电压信号,不能够准确的被数据采集卡识别并采集到,因此需要温度变送器对热电偶的输出的数据进行调节和放大,从而使得热电偶的传输过来的信号能够被数据采集卡准确的采集到。
第3章 测试系统的软件设计
在熟悉了测试系统的硬件组成及其原理后,本次研究的主要内容其实是测试系统软件部分的设计。本次研究设计了一套焊接热循环测试系统,可以实现以下功能:
(1)能够将焊接温度录入到电脑中。
(2)能够将焊接热循环曲线实时的显示在电脑屏幕的图表上面。
(3)能够将采集的数据读取并存储在电脑特定的路径中。
(4)能够实现数据回放功能,将保存的数据读取并显示出来。
(5)能够实现焊接热循环参数的分析计算,并将计算结果直观的显示出来。
本次研究选择了NI公司的Labview作为软件开发工具,相比于传统的语言文本编程,如C语言C 语言和Java等,使用Labview编程就显得更为简单容易入门,因为该软件使用的类似于各种图标编程语言,具有很好的人机交互界面,可以给开发者一个更为直观的感觉,采用Labview软件来编程,软件开发者可以像组装一样比较容易的创造设计一个具有特定功能的测试系统,并且可以根据自主组建自己的仪器面板,不需要进行繁琐复杂的代码性质的编程工作,即便是没有编程基础的开发者来说也可以很快的学习并掌握如何使用Labview来开发虚拟仪器(VI),这种方式不但降低了编程的难度,还节省了大量的测试系统的开发时间[9]。
以上是毕业论文大纲或资料介绍,该课题完整毕业论文、开题报告、任务书、程序设计、图纸设计等资料请添加微信获取,微信号:bysjorg。
相关图片展示:









