铁基多元硬质相TIG堆焊层组织及性能研究毕业论文
2020-02-19 15:44:46
摘 要
本文旨在采用碳化钨与其它碳化物硬质相(碳化钒)的组合方式,通过TIG堆焊方法以企获得铁基多元硬质相堆焊层,对多元硬质相堆焊层的显微组织、成分及其硬度进行了分析。观察分析结果表明,在TIG焊高温下,碳化钨颗粒会发生分解和溶解行为。在铁基堆焊层中发生了一系列化学反应,生成了低熔点化合物,这是促进碳化钨溶解的主要原因。研究表明,熔化热输入量对碳化钨颗粒的溶解是有影响的,采用的TIG 堆焊温度过大,会加快碳化钨颗粒的溶解,其实质温度越高,元素扩散越快。碳化钨溶解后的元素扩散,将直接影响冷却过程的基体强化程度,寻求能取得最佳碳化钨溶解与基体强化的配合是提高堆焊层耐磨性的关键。而且,由于密度差异,单元硬质相堆焊层往往发生不均匀分布,因而碳化钒的加入会有效抑制碳化钨的溶解,一定程度上能够保持碳化钨的完整性及分布的均匀性从而增强堆焊层的硬度和耐磨性。
关键词:TIG焊;多元硬质相;堆焊层;耐磨性
Abstract
This paper aims to use the combination of tungsten carbide and other carbide hard phases (vanadium carbide) to obtain the iron-based multi-hard hardfacing layer and the micro-hard layer surfacing layer by TIG surfacing method. The organization, composition and hardness were analyzed. Observation and analysis results show that the tungsten carbide particles will decompose and dissolve under the high temperature of TIG welding. A series of chemical reactions have taken place in the iron-based surfacing layer to form low-melting compounds, which is the main reason for promoting the dissolution of tungsten carbide. Studies have shown that the input of heat of fusion has an effect on the dissolution of tungsten carbide particles. The excessive temperature of TIG surfacing will accelerate the dissolution of tungsten carbide particles. The higher the actual temperature, the faster the element diffusion. The diffusion of elements after the dissolution of tungsten carbide will directly affect the degree of matrix strengthening in the cooling process. It is the key to improve the wear resistance of the surfacing layer to find the best combination of tungsten carbide dissolution and matrix strengthening. Moreover, due to the difference in density, the hard layer surfacing layer of the unit tends to be unevenly distributed. Therefore, the addition of vanadium carbide can effectively inhibit the dissolution of tungsten carbide, and can maintain the integrity and distribution uniformity of tungsten carbide to some extent to enhance the heap. The hardness and wear resistance of the solder layer.
Key Words:TIG welding;Polyhard phase;Hardfacing layer;Wear resistance
目录
第1章 绪论 1
1.1 国内外耐磨材料研究现状及发展趋势 1
1.2 TIG堆焊工艺 2
1.3 本课题的主要研究内容 3
1.4 对社会、健康、安全、成本以及环境等的影响 3
第2章 铁基多元硬质相 4
2.1 制备多元硬质相的背景 4
2.2 多元硬质相耐磨材料制备的目的及意义 4
2.3 多元硬质相的选择 5
2.3.1 铸造碳化钨焊条 5
2.3.2 镍包碳化钒 5
2.4 多元硬质相堆焊层与铁基体的结合 5
2.5 多元硬质相堆焊层前期准备 7
2.6 多元硬质相堆焊层的制备 7
第3章 TIG堆焊层组织及性能分析 8
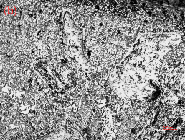
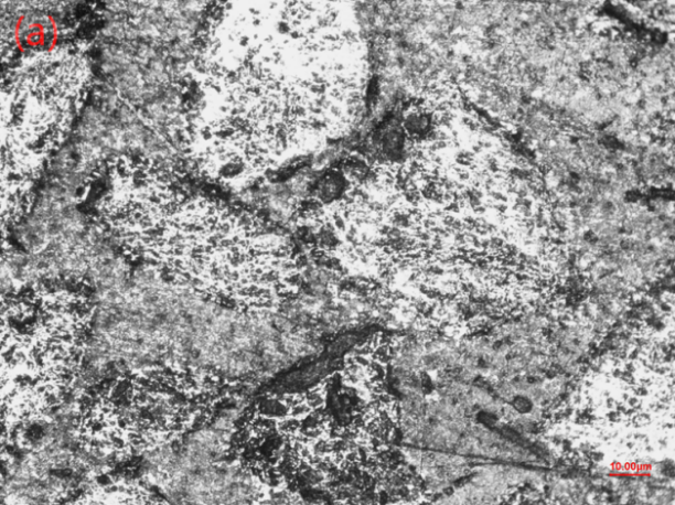
3.1 堆焊层组织样貌 8
3.1.1 含0%VC(纯WC)堆焊层 8
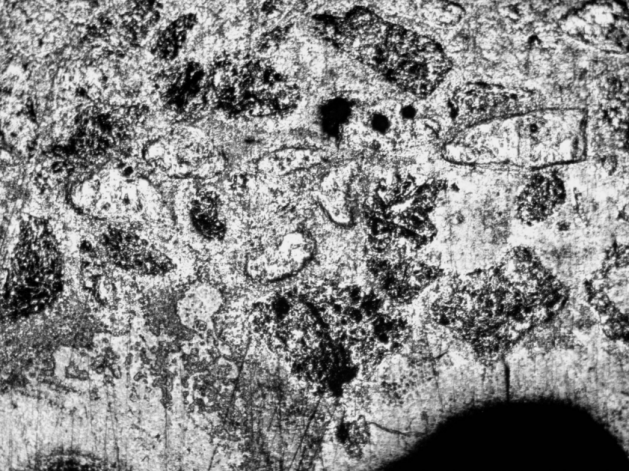
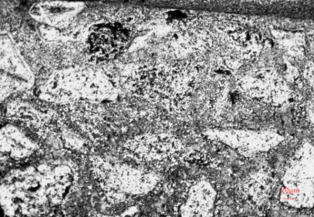
3.1.2 含5%VC堆焊层 9
3.1.3 含8%VC堆焊层 10
3.2 堆焊层X射线衍射物相分析 11
3.2.1 含0%VC(纯WC)堆焊层 11
3.2.2 含5%VC堆焊层 12
3.2.3 含8%VC堆焊层 13
3.3 堆焊层硬度分析 13
第4章 综合讨论分析 16
4.1 综合分析TIG堆焊层耐磨性 16
4.2 TIG堆焊的优缺点 16
4.3 安全隐患和实验过程的问题及其控制方法 16
第5章 不足、结论和展望 18
5.1 不足 18
5.2 结论 18
5.3 展望 18
参考文献 20
附录A 22
附录B 23
致 谢 24
第1章 绪论
金属机械部件失效的三种主要方式是磨损、腐蚀和破损,其中磨损是最常见的方式。现代工业条件下,严苛的磨损条件已经屡见不鲜,例如机器与工件之间的高速高温摩擦,因此我们迫切需要能够在恶劣磨损条件下有效工作的工件。耐磨材料占建筑材料、热电发电和冶金采矿等工业部门的总能源和经济成本的很大比例。在矿物、水泥、煤粉等原材料的生产过程中,由于磨损机器、设备和部件,就有必须更换的意义。因此,系统的研究和新型耐磨材料及抗磨技术的不断发展,具有重要的现实意义。对于装备制造和加工的现场工作人员来说,进行科学研究以降低材料消耗,提高零件寿命是一项当代不可或缺而又道路漫漫的任务。从学科角度来看,它涵盖了许多学科,如机械可靠性的设计,制造,失效分析,摩擦学,材料科学,系统工程,和表面工程。此外,经常需要考虑基于使用的设备,零件,材料选择和应用的结构设计条件系统工程许多实际问题[1]。
- 国内外耐磨材料研究现状及发展趋势
目前,易损件的生产主要是基于铸造工艺。2003年,中国铸件总产量超过1800万吨,位居世界第一,其次是美国和日本。耐磨备件消耗200万吨,占铸件总产量的9%。其中,球磨机研磨过程中的研磨球和托板分别为55%和11%。中国耐磨铸造生产企业的起源主要由大型企业的专业机械厂、各行业的机械修理厂和私营铸造厂转变而来。目前,耐磨铸造相关公司的数量估计为800至1,000。其中,不到10%的大中型企业年磨损量有超过1万吨的耐磨件。
新材料领域的核心是耐磨材料,占全球新材料研究领域的85%左右。我们对耐腐蚀材料系统的研究一直存在并发展了一百多年。耐磨材料促进、发展和支持高科技的发展,两者互相促进,共同进步,是二十一世纪世界各国新材料产业研发的重点,是世界高科技国家发展战略竞争的重中之重,后人也在跟随者前任的脚步关注耐磨材料。对于高锰钢、合金钢、铸铁、镍钢、各种白口铸铁、高铬铸铁等各种耐腐蚀材料,我们有相当丰富的经验。而且我们已经开始开发、改进和发展生产工艺的基础操作,这些研究在20世纪60年代之前完成,适用于国内外的大多数应用。与许多耐磨材料相比,堆焊耐磨耐腐蚀材料具有独特的不可补偿特性:高耐腐蚀性,良好的抗冲击性,良好的耐热性,良好的耐腐蚀性和强大的应用性。具有方便的操作性能等性质的堆焊层增强表面复合材料引起了材料从业者的注意,它们都依赖于其优异的机械性能和耐腐蚀性。目前,一些腐蚀部件,如磨球和球磨衬板里,是由许多跨国公司通过使用相对成熟的工艺和材料制造的,他们使用更多更好的技术来完成耐磨材料的开发、生产和使用,这些跨国公司的技术也是最好的,一些世界上最大的采矿和水泥公司的主要备件市场由这些大公司控制。
相对而言,在过去的半个世纪中,中国耐磨材料和耐腐蚀技术的研究和应用有所改善。其中,碳化钨和钢铁基体都具有更好互补优势,两者之间有较好的冶金结合。在实际生产中,材料在高腐蚀条件下容易损坏。对于相关材料,表面具有碳化钨的高硬度、高耐腐蚀性,钢铁基体所具有的硬度、强度和韧性则保留在结合体的内部。表面和内部之间还有一个传输接口即过渡区,可有效避免因性能突然变化而造成的物理损坏。目前,我国耐腐蚀材料的生产逐步发展,大面积,大产量,大规模化是当前发展的三大特点,它们独立存在,成为矿山,建材,发电专业的原料供应行业。生产工艺,设备条件和质量控制得到极大改善,大大降低了消耗指标(腐蚀)和消耗部件的成本。
因为腐蚀问题倾向于仅在耐腐蚀材料的表面和部件上发生,只要它们在技术上可行且理论上可行,最经济,简单和有效的方法就是可以使用工件或化合物的表面和局部加强。近年来,表面工程在耐腐蚀技术的应用方面取得了重大进展。表面处理,热化学处理,热喷涂,表面涂层,刷涂,PVD,CVD,疫苗,复合材料和自愈技术已成功应用于许多领域。在工业领域,新型耐腐蚀技术的应用也意味着耐磨材料等相关行业日趋成熟,科学发展水平不断提高[2][3]。
- TIG堆焊工艺
作为能够经济且快速的改变材料表面性能的工艺方法,堆焊技术越来越多地用于各种工业领域中的部件的制造和修理。为了更有效地发挥堆焊层的作用,建议采用的堆焊方法对基体金属有较小的稀释,较高的沉积速率和优异的堆焊层覆盖性能,即高质量,高效率和低稀释率的堆焊技术。现研究通过TIG焊的方法把焊条制备成成多元硬质相堆焊层堆在铁基上,TIG焊设备为WSE-300TSM交直流TIG焊机,我们现采用直流TIG焊接方法进行焊接。其中三组TIG堆焊参数相同,参数如下:起始电流——100A,焊接电流——200A,收弧电流——100A 。
在TIG堆焊,除了熟练的操作技能和正确的操作方法外,还应安全、正确的进行TIG堆焊操作,并且该过程主要包括以下几个方面。
1.在工件的表面进行堆焊,在水平位置尽可能防止碳化钨颗粒和碳化钒颗粒的飞溅,以实现材料的高效利用和堆焊层的更好制备。
2.热工艺在表面加工过程(电流)的控制。TIG焊电流越高,温度越高。如果堆焊温度非常高或铺设速度太慢,则可能发生碳化钨和碳化钒颗粒的熔化和分解,表面层会发生剥离和腐蚀,并容易产生毛孔。此外,高温还会导致铸造碳化钨颗粒的沉积。如果碳化钨和碳化钒颗粒分布不均匀并且基底金属表面过多,则焊接涂层的耐腐蚀性将会降低。不过,如果温度太低或表面速度太快,则熔融基地金属的流动性会降低,而且表面层不均匀,表面层对基体材料的粘附性会降低,甚至出现未熔合的缺陷[4]。在确保沉积金属在表面处理过程中与基材结合的前提下,碳化钨颗粒铸件和碳化钒应尽可能保持原始形状并应尽可能广泛地保持并尽可能均匀地分布在基体中。因此,必须小心控制堆焊电流和堆焊速度。在表面处理过程中,熔池温度应控制在母材金属的熔化温度以上。必须控制堆焊速度以在热源的前端具有熔融的基础材料。
3.堆焊层不宜过厚。一般地,厚度为2-4mm的。如果表面层过厚时,它的耐冲击性降低,而且堆焊层容易剥离。
4.堆焊应缓慢冷却,以减少焊接残余应力,防止开裂和堆焊层剥落[5][6]。
- 本课题的主要研究内容
用TIG焊堆焊方法制备铁基多元硬质相堆焊层,制备铁基硬度硬度层,研究堆焊层的结构以及使用性能,找到一种简单,廉价的制备方法,以了解多元硬质相堆焊层耐磨材料的性能,从而能够节约贵金属,扩大非晶材料的应用范围,扩大非晶材料的应用范围,更好地指导工业生产中的应用[5]。铁基复合耐磨材料应用十分广泛,通常该类材料的硬质相为单一碳化物硬质相,因硬质相与基体材料的密度差异往往导致堆焊层硬质相的不均匀分布,进而造成堆焊层性能不均匀性。为了弥补这种差异,本课题旨在采用碳化钨与其它碳化物硬质相的组合方式,通过TIG堆焊方法以企获得铁基多元硬质相堆焊层。
- 对社会、健康、安全、成本以及环境等的影响
目前,国内外文献中使用的非结晶涂层方法大多是薄层,采用热喷涂,激光熔覆等制备,但由于非晶堆焊过程中冷却速度低,堆焊方法较难获得非晶堆焊层,所以目前对这一领域的研究较少。鉴于铁基非晶堆焊层的良好性能。可以预见的是其良好的工业应用前景。与许多耐磨材料相比,堆焊耐磨耐腐蚀材料具有独特的不可替代的特性:高耐腐蚀性,良好的抗冲击性,良好的耐热性,良好的耐腐蚀性、强大的应用性、方便的操作性能等。多元硬质相堆焊层强化铁基复合材料已经引起材料相关从业者的关注,这一切都依赖于它优异的机械性能和耐磨性。铁基多元硬质相堆焊层材料作为一种优良的抗强磨损表面材料,具有结合表面耐磨性和整体抗冲击性的优点。由于耐磨材料的普及,生活中无处不见,所以研究好多元硬质相堆焊层,有利于控制将来耐磨材料使用的成本,如果发展良好,绿色健康的材料大量普及,材料对健康和环境等的影响将会向着有力的方向前进。
第2章 铁基多元硬质相
2.1 制备多元硬质相的背景
铁基复合耐磨材料应用十分广泛,通常该类材料的硬质相为单一碳化物硬质相,多为碳化钨硬质相,因硬质相与基体材料的密度差异往往导致堆焊层硬质相的不均匀分布,进而造成堆焊层性能不均匀性。为了弥补这种差异,本课题旨在采用碳化钨与其它碳化物硬质相的组合方式,本身考虑到碳化钒作为另外一种硬质相。碳化钒的特性是硬度高、熔点高、耐高温,和一般过渡金属碳化物类似,同时它还具有良好的导热性和导电性。因此,碳化钒广泛应用于钢铁冶金、电子产品、硬质合金、高温涂层材料、催化剂等领域。其中,在钢中加入碳化钒可以提高钢的耐磨性、耐蚀性、韧性、强度、延展性、硬度、耐热性等综合性能,并可作为耐磨材料在不同的切削和耐磨工具中使用。在硬质合金领域中,碳化钒加入会产生一些中和抑制类的作用,它能有效地阻止在极高温烧结过程中碳化钨颗粒的长大和溶解。而且,碳化钒的加入还可以作为另外一种硬质相使硬质合金的硬度和寿命大大提高,对硬质合金的整体特性都有一些帮助[8]。
2.2 多元硬质相耐磨材料制备的目的及意义
与传统的金属耐磨材料相比,碳化钨颗粒增强钢基表面复合材料具有价格优势、性能优势和技术优势。碳化钨增强铁基复合材料由于其优异的力学性能和耐磨性能从而引起了材料相关从业人员的重视。由耐磨材料制成的耐磨工件用于冶金、采矿、建筑材料和建筑机械,如水泥生产线上的切割机,辊压机。这些部件的表面质量直接影响整个机器甚至整个生产线的运行率。与整体复合材料相比,碳化钨是一种优良的抗强磨料磨损材料,对这些零件的质量改进具有重要意义。由于碳化钨增强钢基表面耐磨复合材料具有表面耐磨性和整体抗冲击性的优点,特别是具有较高的性价比,所以碳化钨颗粒本身就具有很大的研究和开发应用前景,事实上,现在市场上所使用的大多是碳化钨。表面耐腐蚀复合材料更适用于转向板等部件的局部腐蚀,适用于泵和管壳的低角度腐蚀。然而,由于复合层厚度的限制,表面耐磨复合材料不适用于具有严重冲击磨损和几十毫米甚至几百毫米的磨损厚度的板坯和锥形板等部件。铁基复合耐磨材料应用十分广泛,通常该类材料的硬质相为单一碳化物硬质相,因硬质相与基体材料的密度差异往往导致堆焊层硬质相的不均匀分布,进而造成堆焊层性能不均匀性。为了弥补这种差异,本课题旨在采用碳化钨与其它碳化物硬质相的组合方式,通过TIG堆焊制备工艺以企获得铁基多元硬质相堆焊层。
2.3 多元硬质相的选择
2.3.1 铸造碳化钨焊条
铸造碳化钨焊条,又称铸造碳化钨合金焊条,其成分为W2C和WC合金颗粒。碳化钨(WC)是一种六方晶体,具有高硬度,高熔点,小膨胀系数,良好的耐腐蚀性,而且与钢铁液有接近零的湿润角。在TIG焊多元硬质相堆焊层中,铁基体包裹碳化钨颗粒,并起到支撑和保护碳化钨颗粒的作用。由于钢液形成的良好性能和碳化钨颗粒的完全润湿,几乎所有钢材料都可用作碳化钨颗粒的基体,冲击碳化钨表面的金属材料具有最佳的抗高应力磨料磨损性能。但材料成本较高,对于一些最苛刻的装配生产线,例如在水泥生产线辊压机的,它必须有一个特定的操作速率的可靠性,尽可能地提高其耐磨面的使用寿命以减少其维修次数,可用于平坦化的碳化钨材料。但是,钢或铁基体的选择应根据相应的操作条件(温度,应力,耐腐蚀性等)确定。必须遵守钢或铁基体的强度,耐久性和耐磨性,将碳化钨颗粒以适当的形状和粒度混合以产生合适的材料[7]。
2.3.2 镍包碳化钒
碳化钒的特性与过渡族金属碳化物的一般特性相似,如较高的硬度、熔点和高温强度,并且具有良好的导电性和导热,可以当作碳化物硬质合金添加剂,所以在钢铁冶金、硬质合金、电子产品、催化剂和高温涂层材料等领域具有广泛应用。其中,向钢中添加碳化钒可以改善钢的整体性能,例如强度,强度,耐腐蚀性,耐腐蚀性,弹性,硬度和耐热应力性。而且在不同切削和耐磨工具中,碳化钒可以作为耐磨材料使用。由于碳化钒与金属的润湿性不佳,与基体结合的强度较弱,这极大的影响了金属合金复合材料的各种物理化学性能,限制着碳化钒颗粒增强硬质相堆焊层材料的发展。所以,采用包覆的方法,在碳化钒表面包覆一层金属镍,这样可以有效保持颗粒的完整性,并提高颗粒之间的结合性以及颗粒与基体之间的润湿性。在多元硬质相堆焊层中,碳化钒最为重要的作用就是加入后会产生一些中和抑制,它能有效地阻止在极高温烧结过程中碳化钨颗粒的长大和溶解[8][9]。综上,考虑碳化钒作为另一种硬质相。
2.4 多元硬质相堆焊层与铁基体的结合
以上是毕业论文大纲或资料介绍,该课题完整毕业论文、开题报告、任务书、程序设计、图纸设计等资料请添加微信获取,微信号:bysjorg。
相关图片展示:









