龙门起重机起升和大车机构控制线路设计毕业论文
2020-02-13 22:11:24
摘 要
龙门起重机是港口集装箱的重要转运设备,一般运用于集装箱码头中AGV小车到堆场、堆场到装卸车辆等环节的装卸作业。传统龙门起重机的控制系统采用转子回路串电阻的方式控制交流电动机,这种控制方式有着诸如体积大、能耗大、故障率高等许多的缺点,这些缺点极大影响了龙门起重机的工作效率。因此开发出一套工作效率高、可靠性强的龙门起重机电气控制系统有非常重要的意义。
本文研究对象为龙门起重机电气控制系统,对龙门起重机控制系统的组成和工作原理进行了分析。根据龙门起重机运行工况,结合龙门起重机大车行走和起升机构的电动机驱动原理,设计出了一套可行的控制系统,并将主令控制器、西门子可编程控制器、安川变频器运用在起重机控制系统上,完成了对龙门起重机的电气硬件设计。
根据选择的电气硬件设计了机构控制电路、主电路、PLC的信号输入输出模块等。对PLC硬件进行了组态并分配了I/O地址,完成了PLC梯形图的龙门起重机控制软件设计,程序设计分为起升机构、吊具机构、大车行走机构三个部分。
关键词:龙门起重机;西门子可编程控制器;变频器
Abstract
The gantry crane is an important transshipment device for port containers. It is generally used for loading and unloading operations of AGV trolleys in the container terminal to the yard, yard to loading and unloading vehicles. The control system of the traditional gantry crane uses the rotor circuit string resistance to control the AC motor. This control method has many shortcomings such as large volume, high energy consumption and high failure rate. These shortcomings greatly affect the working efficiency of the gantry crane. Therefore, it is very important to develop a high-efficiency and reliable gantry crane electrical control system.
The research object of this paper is the electric control system of the gantry crane, and the composition and working principle of the gantry crane control system are analyzed. According to the operating conditions of the gantry crane, combined with the motor drive principle of the gantry crane cart and the hoisting mechanism, a feasible control system was designed, and the main controller, Siemens programmable controller and Yaskawa inverter were used. On the crane control system, the electrical hardware design of the gantry crane was completed.
The mechanism control circuit, main circuit, PLC signal input and output module, etc. are designed according to the selected electrical hardware. The PLC hardware was configured and the I/O address was assigned. The design of the gantry crane control software of the PLC ladder diagram was completed. The program design was divided into three parts: the hoisting mechanism, the spreader mechanism and the cart walking mechanism.
Key Words:gantry crane;Siemens PLC;AC drives system
目录
摘要 I
Abstract II
第1章 绪论 1
1.1课题研究背景 1
1.2龙门起重机电气控制系统发展现状 2
1.3本文研究内容及安排 4
第2章 龙门起重机简介及设备选型 5
2.1龙门起重机简介 5
2.2轨道式龙门起重机功能分析 6
2.3电动机选型 6
2.3.1龙门起重机起升机构电动机选型 6
2.3.2龙门起重机行走机构电动机选型 6
2.4轨道式龙门起重机变频调速系统 7
2.4.1变频器组成 7
2.4.2变频器控制方式 8
2.4.3安川H1000系列变频器 9
2.4.4变频器选型 9
2.5PLC选型 11
2.6本章小结 12
第3章龙门起重机硬件电路设计 13
3.1供电部分 13
3.2龙门起重机主令控制器部分设计 14
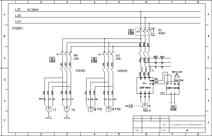
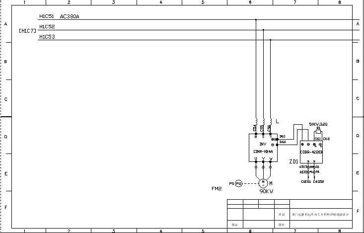
3.3龙门起重机大车行走机构 15
3.3.1大车行走工况分析 15
3.3.2大车行走限位保护 15
3.3.3大车机构电路图 15
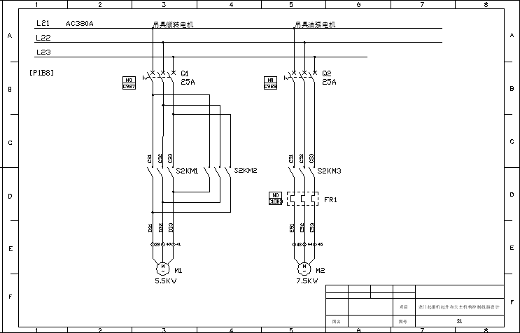
3.4龙门起重机吊具机构 17
3.4.1吊具工况分析 17
3.4.2吊具安全保护 17
3.4.3吊具电路图 18
3.5龙门起重机起升机构 19
3.5.1起升机构工况分析 19
3.5.2起升限位保护 19
3.5.3起升机构电路图 19
3.6变频器参数设定 21
3.7本章小结 21
第4章龙门起重机控制软件设计 22
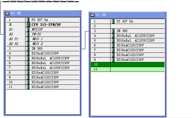
4.1硬件组态 22
4.2分配I/0口 23
4.3PLC控制软件设计 27
4.3.1大车行走控制 27
4.3.2吊具控制 30
4.3.3起升控制 33
4.4可行性分析 34
4.5本章小结 35
第5章总结与展望 36
参考文献 37
附录 38
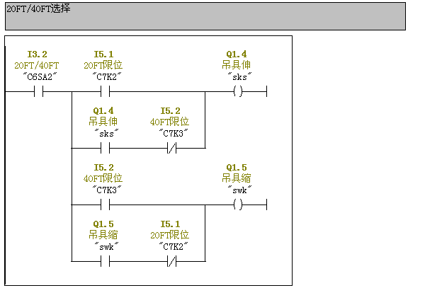
吊具机构程序图 38
行走机构程序图 41
起升机构程序图 48
电路设计图纸 52
致谢 66
第1章 绪论
1.1课题研究背景
中国自改革开放以来,不断加大开放力度,扩大进出口贸易,实现了对外贸易总额位居世界第一。世界上的约八成的进出口贸易货物都要经由港口进行中转。在经济全球化浪潮的不断驱使下,中国的港口数量、规模、吞吐量也在飞快增加,港口建设不断发展,目前中国的港口建设已经实现了全方位产业链、全要素的比较优势。在技术水平方面位于全球领先地位,港口作为进出口贸易的物流支撑点,已然成为一张崭新的“中国面貌”[1]。港口运作过程中,起重机是不可缺少的一部分,起重机之于港口,便如同手之于人的作用一般。起重机通常由四大机构组成:旋转机构、变幅机构、行走机构、起升机构,四个机构联合使用可以完成物料运输的三个维度的运动。不同类型起重机其机构组成也有所不同。如一般龙门起重机就没有旋转和变幅机构,而门座式起重机有变幅、旋转机构,却没有小车行走机构,这两类起重机的分工不一样导致二者的机构有些许不同,需要根据各种分工不同采用不同种起重机。在不同类型的港口,其起重机械选择也有较大的区别。如在散货码头堆场,一般选用抓斗式起重机或斗轮机,利用其特定的结构来装卸散货物料;而在集装箱码头,则一般使用岸边集装箱起重机(又称为岸桥或吊桥)进行集装箱装卸作业。不同类型港口其装卸工艺也不同,现在较为常用的集装箱港口装卸工艺为:船舶→岸桥→AGV→龙门起重机→堆场。其中龙门起重机在港口装卸中主要承担AGV小车到堆场,堆场到集卡(或其他运输工具)这两个工作环节的集装箱转运。
本论文主要研究的就是龙门起重机,龙门起重机又简称为龙门吊(如图1.1所示),主要用在集装箱场上进行集装箱的出入堆场作业,一般限制在某一堆场所铺设的轨道的进行作业(这种作业形式的龙门吊又称轨道式龙门起重机),一般的自动化码头堆场使用的便是这种机械。龙门起重机通常为龙门状结构,但其主要结构都包含上/下小车、大车行走、维修吊、大车行走、维修吊、大车电缆卷筒、锚定装置、防爬装置等[2]。
图1.1龙门起重机
以上是毕业论文大纲或资料介绍,该课题完整毕业论文、开题报告、任务书、程序设计、图纸设计等资料请添加微信获取,微信号:bysjorg。
相关图片展示:















