基于SolidWorks的集装箱吊具设计及虚拟装配毕业论文
2020-04-04 12:50:42
摘 要
本设计的最终产品是40t轮胎式集装箱门式起重机的伸缩式集装箱吊具,伸缩范围为20ft—40ft,并借助Sildworks软件将其与同组其他同学所设计出的产品进行虚拟装配,组装成一个完整的起重机。
作为起重机的一个重要的组成部分,伸缩式集装箱吊具的受力虽然简明,但其所包含的机构与结构比较复杂,需要对其运行方式作深入分析。根据成本与设计要求,参照国标对其机构的材质和型号,以及整个液压系统装置进行合理的选取。
此次设计对吊具的伸缩梁、梁架等的设计方法均采用的是许用应力设计法,并对初步选取的梁依次进行强度与刚度的验算、校核,然后最终选定其尺寸型号。对于液压系统中的动力装置、传动装置与输出装置,需要根据外负载,一步接一步往下推验液压系统各装置的基本需求,参照各类装置选型手册,采取最小成本法,在满足基本要求的前提下,选择合适的型号。
关键词:伸缩式集装箱吊具;转锁锁机构;伸缩机构;导板机构
Abstract
The final product of this design is a retractable container spreader for a 40t wheeled gantry crane with a telescoping range of 20 to 40 ft. It was designed by Sildworks software and other students in the same group. The product is virtually assembled and assembled into a complete crane.
As an important part of the crane, although the force of the telescoping container spreader is concise, the mechanism and structure it contains is complex and it needs to be analyzed in depth. According to the cost and design requirements, refer to the national standard on the material and model of the organization, as well as the entire hydraulic system device for a reasonable selection.
This design uses the allowable stress design method for the design methods of the spreader's telescopic beams, beams, etc., and checks and checks the strength and stiffness of the beams that were initially selected, and then finally selects their size and type. . For power devices, transmissions and output devices in hydraulic systems, the basic requirements for each device of the hydraulic system need to be checked step by step according to the external load. Refer to the selection manuals of various types of devices and adopt the minimum cost method to meet basic requirements. Under the premise of demand, choose the appropriate model.
Keywords: telescopic container spreader; rotary lock mechanism; telescopic mechanism; guide mechanism
目录
第1章 绪论 1
1.1研究目的及意义 1
1.2国内外现状 1
1.2.1国内研究现状 1
1.2.2国外研究现状 2
1.3集装箱与集装箱吊具的介绍 2
1.3.1集装箱 2
1.3.2集装箱吊具 2
第2章 组合载荷的计算 4
2.1起升动载荷 4
2.1.1起升状态级别 4
2.1.2起升动载系数 4
2.2风载荷的计算 4
2.3工作状态下最大组合载荷计算 5
第3章 伸缩梁设计 6
3.1伸缩梁的强度设计 6
3.1.1受力分析 6
3.1.2初步选定型号 7
3.2伸缩梁刚度校核 7
3.3强度与刚度的验算 8
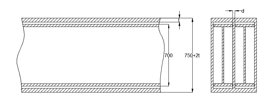
第4章 箱型固定梁的设计 11
4.1箱型固定梁的尺寸初选 11
4.1.1受力分析 11
4.1.2壁厚d的初步选取 12
4.1.3 底板厚底的选取 12
4.2箱型梁强度校核 13
第5章 伸缩机构传动装置设计 14
5.1外负载的计算 14
5.2矩形空心传动杆设计 14
5.2.1尺寸初选 14
5.2.2铰点处应力校核: 14
5.3滚子链条与链轮设计 15
5.3.1链条选取 15
5.3.2链轮设计 16
5.4液压马达的选取 17
5.5液压泵的选取 18
5.6电动机的选取 18
5.7伸缩系统的理论时间校核计算 19
第6章 转锁机构 20
6.1转锁轴直径设计 20
6.2角接触关节轴承选取 21
6.3转锁箱厚度设计 21
6.4旋锁油缸选择: 22
6.5旋锁时间校核 22
第7章 导板机构与吊架 23
7.1导板 23
7.2吊架 23
第8章 经济性与环保性分析 25
第9章 结论 26
致谢 27
参考文献 28
- 绪论
早在1930年左右物流的产生,到21世纪的现在物流行业正步入一个高速的发展阶段,而作为其重要的部分——港口物流,它以运货量大,成本低等有点成为了国内,甚至各国重要物资中转的纽带。而港口集装箱的一出现就以其快速、方便、标准化的运输特点成为了港口最大吞吐量货物之一。本设计的集装箱的搬运工具——轮胎式集装箱门式起重机中的吊具,也必须随着世界物流的快速发展,与时俱进,有着更好、更高的要求。
1.1研究目的及意义
随着经济的发展,集装箱运输凭借其在装卸效率、成本与安全性等领域得天独厚的优势,在港口作业中得到了迅速且广泛的应用,大量地占据了港口总吞吐量比 。带动着我国的集装箱运输量近年持续稳定的高速增长,2017年上海港以高达4030万TEU吞吐量成为全球港口集装箱吞吐量排行榜第一。与此同时,随着集装箱运输发展需要的同时,各大港口的主流堆场作业工艺方式迫切的需要在有限的场地进行高密度的堆存,并希望有一个较大的拓展高新技术的空间,为以后的物流发展做出相应的准备。因此轮胎式集装箱门式起重机(RTG)以其符合当时要求的特点应运而生成为各大港口的主流装卸设备。
在当前集装箱作业场地有限的情况下提高作业效率,降低装卸成本是RTG作业面临的主要问题与发展方向。伸缩式集装箱吊具的设计和改进可以有效地提高RTG 的作业效率,成为降低其装卸成本的一个方向。与传统的无动力集装箱吊具相比,伸缩式集装箱吊具最大的特点就是可以自由、方便地改变吊具的的长度, 来起吊目前港口最为常见的20ft与40ft规格的集装箱。尽管伸缩式吊具自重较大,但其独特的起吊集装箱规格范围、操作灵活与安全性高的优点依然被广泛应用在各大港口。
1.2国内外现状
1.2.1国内研究现状
目前国内各大吊具制造商对吊具的改良研究主要体现在集装箱的姿态调整即吊具的对位、着箱和防摇等3个重要环节。而在液压系统、电气系统等方面的改进虽然有一些进步但比国外的研究还有不少的差距。经过常年的发展,集装箱吊具的生产技术虽然接近了国外产品的技术水平,但还存在了以下问题,亟需继续解决:
(1)企业的设计水平低;
(2)集装箱吊具制造商的规模不够大,设计种类不够多;
(3)产品的质量不过关、吊具运行过程中出现的故障偏高;
(4)技术服务不到位,水平不高。
1.2.2国外研究现状
不同于国内常规的单吊式集装箱吊,国外的双吊式集装箱吊应用对RTG作业效率有着质的提高,发展前景广阔。目前世界范围内领先的双吊式集装箱制造公司Bmmma已推多种双箱式集装箱吊具,在吊具框架转角的圆弧化以及在起吊过程中货物重心的调整功能做出了相当大程度的改进,使国外在双吊式吊具的领域得到更进一步的发展。
1.3集装箱与集装箱吊具的介绍
1.3.1集装箱
集装箱是一种能够重复使用、有一定安全性的长方体容器。在发货人的仓库将多件成件物料装在其内,从发货仓库到收货商无需讲货物取出来,使货物的运转和装卸更加地方便。为了便于集装箱吊具对箱体的起吊与放箱,在集装箱体的八个角端设计有与转锁相配合的长圆形孔型连接构件,有效地增强的集装箱吊运的安全性。
1.3.2集装箱吊具
集装箱吊具是岸边集装箱起重机、轮胎式集装箱起重机等专用机械的重要取物装置。作为装卸集装箱的专用机具有着与集装箱箱体相互配合的部分,通过位于四角的旋锁与集装箱长圆形孔构件的连接来实现起吊作业。集装箱吊具通常由吊架、底两部分组成,某些特殊的集装箱吊具的底架结构装有导向机构与伸缩机构,来实现作业中的导向对位和自动伸缩功能,有利于集装箱高效率且准确地装卸。
集装箱吊具的起重量和尺寸根据设计要求可以适度的增大与减小,但其外形尺寸除导向翼外的硬性要求是不应超过起吊集装箱的最大外轮廓尺寸。目前相应吊具有以下几种类型。
(1)固定式集装箱吊具
固定式集装箱吊具是一种只能装卸单一的集装箱的无专用的动力装置的集装箱吊具也称整体式吊具。与其它有动力源的吊具不同,它是通过钢丝绳的升降带动棘轮驱动旋锁机构的动作来实现旋锁与集装箱顶角件的配合。尽管此吊具结构简单、质量较轻,但使用和更换不便,性价比即效率与成本的比值相对较低,因此只是在某些固定的场合使用。
(2)组装式集装箱吊具
1)吊梁式吊具:其结构分为由两部分组成,一是吊梁,与起重机的起升钢丝绳相连不经常更换。二是底架,底架根据所装卸的集装箱规格的不同,当要装卸集装箱时对应规格型号的底架用销轴与吊梁连接起来。整个吊具驱动用的液压装置安置在底架上。相比于固定式吊具,吊梁式吊具使用方便但质量重、性价比不高也只是用于特定的场合。
2)主从式吊具:其结构两个基本吊具组合而成,作为主体20ft集装箱专用吊具与作为从属的40ft集装箱专用吊具。当两者分开时能直接用主体装卸对应的集装箱。当需要装卸40ft的集装箱时可以通过将从主连接起来,其连接原理是因为从属部分上面有着类似于20ft集装箱角件结构,这样可以使得主体部分的旋锁与从体连接起来达到40ft集装箱的装卸效果。整套吊具都是通过主吊具上面的液压装置来驱动各个状况的吊具动作。相比于吊梁式吊具,主从式吊具改进虽然使用便利,但造成了质量的增大。
3)子母式吊具:字母式吊具借鉴了主从式吊具的设计思路,在吊梁式吊具结构基础下,将液压装置从吊具上转移装在母体的吊梁上,吊梁可以与20ft、40ft、45ft等多种规格的集装箱固定吊具相连。相比于主从式吊具,质量得到了减小,成本也因为共用一套液压装置的缘故得到降低。
(3)伸缩式集装箱吊具
作为起重机械的主流使用设备,它有机械或液压伸缩机构,一般在20英尺至40英尺范围内进行伸缩调整(特殊伸缩机构范围可在20英尺-45英尺之间),可用于吊装传统的20英尺和40英尺集装箱。伸缩吊架虽然质量重,但使用方便、效率高和性价比高,成为了目前集装箱起重机最广泛采用的吊具。
(4)双箱式集装箱吊具
双箱式集装箱吊具是一种可同时处理两个集装箱的伸缩吊具。与单箱式吊具相比,处理效率成倍提高。伸缩式双箱吊具在主架中间增加了4套独立的锁销机构,在保留了原有功能的基础上,增加了2个 20 ft集装箱同时装载和卸载功能。
中间锁销装置由4个旋锁箱,4组独立旋锁机构和2组垂直升降装置组成。每个提升装置上都安装了6个减摩擦块,以提供导向和抗摩擦作用。中间4个锁销箱分别由油缸驱动,运动行程最大可达420mm,以确保吊单箱时吊具不会干扰中间锁销装置。吊具上的红外线光电感应开关可使中间锁销箱与单和双箱之间实现安全联锁保护,有效的避免事故发生。
- 组合载荷的计算
2.1起升动载荷
吊运集装箱的时候,由于其无约束地起升离开地面,会有一个自身的惯性力使得起升载荷出现增大的效应——起升动力效应。
2.1.1起升状态级别
根据设计要求已知额定起升载荷=40t,参照GB/T 3811-2008中附录C,轮胎式集装箱门式其中机属于货场起重机类,其起升状态级别取HC3,表示集装箱吊运起升离地有中度冲击。
2.1.2起升动载系数
为了消除起升动力效应带来的影响,需要在额定起升载荷的基础上乘以一个大于1的系数即动载起升系数。
动载起升系数的计算公式如下:
公式中为稳定起升速度,根据起升驱动型式及操作方法确定为。分别为与起升状态级别对应的起升动载系数的最小值与按照起升状态级别设定的系数。按照表1,得出HC3级别对应的=1.15,=0.51
表1
起升状态级别 | ||
HC1 | 0.17 | 1.05 |
HC2 | 0.34 | 1.10 |
HC3 | 0.51 | 1.15 |
HC4 | 0.68 | 1.20 |
由此计算出:
综上所得起升动载荷为=1.32*40t*10kg/N=528KN
2.2风载荷的计算
作为露天工作的起重机,在吊运货物的时候还需要考虑风载荷的对其不良的作用。风载荷的选取应为最不利于吊运的水平方向对起重机的作用力,其计算公式如下:
式中为在工作状态下作用在吊运物品上的最大风载荷。为工作状态计算风压,由计算风速查表所得,计算风速大小已给出为20m/s。为吊运物品的最大迎风面积(以1AAA集装箱型号计算)。
综上所得
2.3工作状态下最大组合载荷计算
参考GB/T3811,在有风正常工作情况下最大组合载荷的计算公式如下所示:
式中为在有风正常工作中出现的最大组合载荷,为起升载荷垂直位移所引起的载荷,为轮胎式集装箱门式起重机其它的运动部位的质心垂直位移引起的载荷,由于本次设计只考虑载荷对吊具及吊架的影响,本式不予考虑此项。为与机构加(减)速有关的起(制)动惯性载荷即起升动载荷。为增大系数,用以保证在计算方法不完善和无法预料的偶然因素的情况下,使得实际出现的应力不超出计算应力,其大小取决与机构的工作级别选取(吊具伸缩梁工作级别M7所对应的增大系数为1.25)
综上所述,=671.0KN
- 伸缩梁设计
3.1伸缩梁的强度设计
3.1.1受力分析
按照许用应力设计法的步骤来,首先需要对伸缩梁进行简要的受力分析,将其简化为一端固定一端受力的悬臂梁,悬臂长度L为集装箱吊具最大伸缩距离的一半即3m,伸缩架对其的施加一个向上的作用力与一个扭矩,理想状态下伸缩梁在最大伸缩量时的所受悬臂力的大小为工作状态下最大组合载荷的四分之一,其受力情况简图如下所示:

图3.1 伸缩梁的受力简图
根据梁的受力简图,由平衡方程可以计算出伸缩架对梁的作用力与扭矩:
并由此画出梁的剪力图与弯矩图如下:


图3.2 伸缩梁的剪力图与弯矩图
由上得出最大弯矩:
3.1.2初步选定型号
根据许用应力的计算公式公式:
式中为伸缩梁所受的最大扭矩,W为伸缩梁截面的抗弯截面系数,当选用的材质为Q345工字钢,其安全系数n=1.34时,则许用应力为:
查阅资料部分热轧轻型工字钢型号,和根据公式(3.4)与公式(3.5)算出其对应的转矩和抗弯截面系数及其最大弯矩处的应力值如下表所示:
表3.1 工字钢部分型号表
型号 | h/mm | b/mm | d/mm | t/mm | M/Kg | I/ | W/ | /W |
40 | 400 | 155 | 8.0 | 13.0 | 71.4 | 18582 | 929.1 | 541.6 |
45 | 450 | 160 | 8.6 | 14.2 | 83.0 | 26953 | 1197.9 | 420.1 |
50 | 500 | 170 | 9.5 | 15.2 | 97.8 | 38574 | 1543.0 | 326.1 |
55 | 550 | 180 | 10.3 | 16.5 | 114.0 | 54141 | 1968.8 | 255.6 |
60 | 600 | 190 | 11.1 | 17.8 | 132.0 | 73966 | 2465.5 | 204.1 |
65 | 650 | 200 | 12.0 | 19.2 | 153.0 | 99299 | 3055.4 | 164.7 |
70 | 700 | 210 | 13.0 | 20.8 | 176.0 | 131702 | 3762.9 | 133.7 |
70a | 700 | 210 | 15.0 | 24.0 | 202.0 | 149852 | 4281.5 | 117.5 |
按表考虑到节省材料(成本)且要符合要求,初步选定60型号热轧轻型工字钢,最大弯矩处的应力为204.1MPa。
3.2伸缩梁刚度校核
以上是毕业论文大纲或资料介绍,该课题完整毕业论文、开题报告、任务书、程序设计、图纸设计等资料请添加微信获取,微信号:bysjorg。
相关图片展示:









