江苏省镇江某学校教学楼设计毕业论文
2020-05-22 20:57:56
摘 要
本设计为镇江市中学教学楼设计,建筑主体为5层框架结构。设计内容包括建筑设计部分和结构设计部分。建筑设计部分包括建筑平面图、立面图、剖面图以及建筑说明图。结构设计时取一榀具有代表性的框架进行设计。结构计算内容有荷载计算、内力计算、内力组合、截面计算等几方面。在确定计算简图之后,按照有关设计规范和规定,采用弯矩分配法计算竖向荷载(恒载及活荷载)作用下的结构内力,再进行重力荷载代表值的计算,接着利用顶点位移法求出自振周期,按底部剪力法计算水平地震荷载作用大小,用D值法求出在水平地震作用和风荷载作用下的结构内力(弯矩、剪力、轴力)。由所得的内力进行内力组合,再找出最不利的一组或几组内力组合进行梁、柱的截面设计。截面设计时考虑“强柱弱梁、强剪弱弯”的原则进行内力调整。接着进行楼板、基础的设计,楼板的设计采用双向板设计。基础采用柱下独立基础,基础设计包括荷载计算、基础承载力计算、冲切计算、基础配筋计算等等。
关键词 框架结构;建筑设计;结构设计;抗震设计;基础设计
Abstract
The design of school building of zhenjiang, the main building is 5 story frame structure. The design content includes architectural design and structural design. Architectural design portion includes floor plans, elevations, sections and architectural description. Structure design is done with a representational framework design. Structure calculation contents include load calculation, internal force calculation, internal force combination, cross section calculation etc.. After determining the calculation diagram, according to relevant design standards and regulations, The internal force of the structure under vertical load (dead load and live load) is calculated by moment distribution method, the representative value of gravity load is calculated, the free vibration period is solved by vertex displacement method, the horizontal seismic load is calculated by equivalent base shear method, the structural internal forces (moment, shear, axial force) under the action of horizontal earthquake and wind load are solved by the D value method. The internal forces are combined, then the section of beam and column is designed according to the most disadvantaged group or several groups of internal force. The internal forces are adjusted according to the principle of "strong column and weak beam, strong shear and weak bending". Then the floor slab and foundation are designed. Slab is designed according to two-way slabs. The single foundation under column is used. The design of foundation include the calculation of load calculation, the calculation of bearing capacity of foundation, punching calculation and the calculation of foundation reinforcement etc..
Keywords: frame structure; architectural design; structural design; seismic design; foundation design
目 录
第一章 结构选型与布置 1
1.1工程概况及设计资料
1.1.1工程概况 1
1.1.2设计资料 1
1.2结构选型与结构布置 2
第二章 计算简图与荷载计算 3
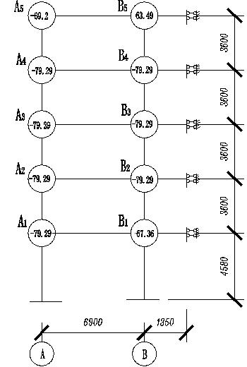
2.1确定计算简图 3
2.3材料强度等级 3
2.3梁柱截面尺寸 3
2.4材料强度等级 3
2.5荷载计算............................................................................................................4
第三章 框架内力计算 12
3.1弯矩调幅 12
3.1.1弯矩分配系数 12
3.1.2杆件固端弯矩 14
3.1.3节点不平衡弯矩 16
3.1.4内力计算 16
3.2活载作用下框架内力 21
3.2.1梁固端弯矩 21
3.2.2附加弯矩 22
3.2.3四种最不利组合 23
3.2.4各活载内力图 23
3.3风载作用下框架内力 27
3.3.1风荷载作用下框架侧移计算 27
3.3.2风荷载作用下内力图 30
3.4地震荷载作用下框架内力 31
3.4.1 0.5(雪+活)重力荷载作用下框架内力计算 32
3.4.2水平地震作用下框架内力计算 35
第四章 框架内力组合 39
4.1弯矩调幅 39
4.2框架梁内力组合 41
第五章 框架梁柱截面设计 53
5.1框架梁截面设计 53
5.2框架柱截面设计 58
第六章 楼梯结构计算设计 71
6.1楼段板计算 71
6.2休息平台计算 72
6.3梯段梁计算 72
第七章 现浇楼面板设计 73
7.1跨中最大弯矩 73
7.2求支座中点最大弯矩 73
7.3 A区格 74
7.4 D区格 75
第八章 基础设计 80
8.1 设计资料 80
8.2 荷载计算 80
8.3 确定桩、承台 83
8.4 承台设计 85
机算校核 88
参考文献
致谢
- 结构选型与布置
1.1 工程概况及设计资料
1.1.1 工程概况
本课程名称为“江苏省镇江某学校教学楼设计”,建筑功能要求满足教学功能要求,有利于学生安全及身心健康,合理安排学校用地,地点位于镇江市学府路,教学楼占建筑面积约5300m2
根据建筑设计方案,本工程结构采用全现浇钢筋混凝土框架结构。
相关图片展示:









