龙虎山大桥(66 2100 66)m预应力混凝土连续箱梁桥结构设计毕业论文
2020-02-17 00:23:20
摘 要
本毕业设计题目为66 100 100 66m预应力混凝土连续箱连续梁桥。一般情况下,连续梁桥会设置1个橡胶支座在桥梁的中间墩上,而相邻的两联连续梁的桥墩处需要2个,所以需要的支座较少,接缝少,可以充分发挥在高速行车中平顺的优点。受时间限制,本次毕业设计未进行稳定性和抗震的设计。
根据设计初始资料,我初步选用了3跨连续刚构桥以及4跨连续梁桥,通过受力特点及经济性比对,选择了4跨连续梁桥作为最终方案。
之后,为了证明连续梁桥受力合理性,进行了刚构组连续组合梁桥、连续刚构桥以及连续梁桥三种不同受力体系的结构分析,主要有弯矩分析以及剪力分析两个部分。最终证明在本次项目中,连续梁桥受力更加合理。
接下来,进行结构的施工图设计部分,主要包括以下几个步骤:
首先根据规范的要求拟定了主梁的主要构造;对桥梁的形式和对下部结构的力进行考虑,选用了15m高的矩形墩;考察了地质情况,选用了21m长的嵌岩桩。
然后可以对施工情况作出假定,首先按3座T构进行施工,按满堂之间法浇注0号块,按照挂篮法浇注1到13号块,经过边跨合拢和中跨合拢2个步骤,逐渐形成桥梁整体的连续性。
之后,通过MIDAS/CIVIL软件进行内力的分析。计算了恒载内力和活载内力,对预应力筋进行估算并计算预应力损失。进行5种主要截面验算,正截面抗弯验算,施工阶段正截面法向应力验算,使用阶段正截面压应力验算,使用阶段斜截面主压应力验算,受拉区钢筋的拉应力验算。
经过了验算,本次设计的方案符合规范的要求,应力应变皆在允许范围之内,达到了设计任务书要求的目标。
关键词:连续梁桥;悬臂挂篮施工;结构分析;验算;MIDAS/CIVIL
Summary
The graduation design title is 66 100 100 66m prestressed concrete continuous box continuous beam bridge. Under normal circumstances, only one support is required on the intermediate pier of the continuous girder bridge, and two piers are required at the adjacent two continuous beams. Therefore, fewer supports are required, and there are fewer joints, which can be fully utilized at high speed. The advantage of smooth ride. Due to time constraints, this graduation design has not been designed for stability and shock resistance.
According to the initial design data, I initially selected 3-span continuous rigid frame bridge and 4-span continuous beam bridge, through the mechanical characteristics and economic comparison, chose 4-span continuous beam bridge as the final scheme.
Then, in order to prove the rationality of the continuous beam bridge, the structural analysis of three kinds of stress system. The continuous composite beam bridge bridge, the continuous rigid frame bridge and the continuous beam bridge, is carried out, including the moment analysis and the shear analysis. In the end, it is proved that the continuous girder bridge is more reasonable in this project.
Next, carry on the construction drawing design part of the structure, mainly include the following steps:
Firstly, according to the requirements of the norm, the main structure of the main beam was drawn up. The form of the bridge and the force of the lower structure were considered. The 15m high rectangular pier was selected. The geological conditions were investigated and the 21m long rock-socketed pile was selected.
Then, the construction situation can be assumed. Firstly, the construction is carried out according to the three T-structures. The No. 0 block is poured according to the method of the full hall, and the blocks No. 1 to No. 13 are poured according to the hanging basket method. After the side spanning and the middle span are closed, two steps are performed. The continuity of the bridge as a whole is gradually formed.
After that, the internal force analysis was performed by MIDAS/CIVIL software. The dead load internal force and the live load internal force are calculated, and the prestressing tendon is estimated and the prestress loss is calculated. Carry out five kinds of main section check calculations, positive section bending proof calculation, normal section normal stress check in construction stage, positive section compressive stress check in use stage, use section oblique section principal compressive stress check, and tensile stress of tension zone of tension zone.
After verification, the design of the design meets the requirements of the specification, and the stress and strain are within the allowable range, meeting the requirements of the design task book.
Keywords: Continuous Beam Bridge; cantilever basket construction; Structural Analysis; checking; Midas/civil
目录
摘 要 I
Summary 2
第1章 桥梁的设计方案比选 7
1.1初始设计资料 7
1.1.1桥位以及水文、地质情况 7
1.1.2设计标准 7
1.1.3主要技术标准以及采用规范 8
1.2方案设计 8
1.2.1方案一:4跨预应力混凝土连续箱梁桥 8
1.2.2方案二:3跨预应力混凝土钢构箱梁桥 9
1.2.3方案比选 11
1.3连续梁桥简介 14
第2章探讨连续梁和刚构桥的组合形式 15
2.1前提假定 15
2.2内力分析及结果 16
2.3温度内力分析及结果 19
第3章 桥梁总体布置及结构主要尺寸 21
3.1主要材料 21
3.1.1混凝土材料 21
3.1.2钢筋 21
3.1.3预应力钢绞线 21
3.1.4其他材料 21
3.2桥跨布置 22
3.2.1上部结构尺寸拟定 22
3.3下部结构尺寸拟定 25
3.3.1墩身尺寸拟定 25
3.3.2桩基础尺寸拟定 25
3.3.3承台尺寸拟定 25
3.4施工方案的确定 26
第4章 建模 30
4.1模型简化 30
4.2主要参数说明 30
4.2.1材料参数 30
4.2.2荷载参数 31
4.2.3边界条件 32
4.3施工阶段说明 32
第5章 桥梁结构内力计算 33
5.1恒载内力 33
5.2活载内力 35
第6章 预应力钢筋设计及预应力损失计算 38
6.1纵向预应力筋估算 38
6.1.1手算原理及方法 38
6.1.2Midas电算原理 41
6.1.3手算电算结果及对比 42
6.1.4预应力筋的布置 44
6.2截面几何特性 44
6.3预应力损失 45
6.3.1预应力钢筋与管道壁之间的摩擦
46
6.3.2锚具变形、钢筋回缩和接缝压缩
46
6.3.3预应力钢筋与台座之间的温差
46
6.3.4混凝土的弹性压缩
47
6.3.5预应力钢筋的应力松弛
47
6.3.6混凝土的收缩徐变
47
6.3.7预应力损失计算结果 48
6.4锚下局部承压验算 49
6.4.1局部受压区尺寸要求 50
6.4.2局部抗压承载力计算 51
第7章 次内力计算及内力组合 52
7.1温度次内力 52
7.1.1计算依据及方法 52
7.1.2温度次内力计算结果 52
7.2基础不均匀沉降次内力 54
7.3预应力次内力 55
7.4收缩次内力 57
7.5徐变次内力 58
7.6内力组合 59
7.6.1承载能力极限状态组合 59
7.6.2正常使用极限状态组合 62
第8章 主要截面验算 65
8.1承载能力极限状态截面验算 65
8.1.1正截面抗弯验算 65
8.2持久状况和短暂状况构件的应力验算 69
8.2.1施工阶段正截面法向应力验算 69
8.2.2使用阶段正截面压应力验算 72
8.2.3使用阶段斜截面主压应力验算 75
8.2.4受拉区钢筋的拉应力验算 77
第9章 下部结构计算 82
9.1桥墩计算 82
9.1.1恒载计算 82
9.1.2活载计算 82
9.1.3配筋设计 83
9.2钻孔灌注桩计算 85
9.2.1桩径桩长拟定 85
9.2.2桩顶外力计算 86
9.2.3单桩竖向极限承载力标准值 86
9.2.4桩的内力及位移计算 87
9.2.5计算宽度的确定 88
9.2.6桩的变形系数计算 88
9.2.7桩顶外力及最大冲刷线处(地面处)和最大冲刷线以下深度 Z 处桩截面上的弯矩及水平应力外力计算 88
9.2.8桩顶水平位移计算 90
9.3桩基配筋计算及桩身材料截面强度验算 90
9.3.1桩身最大弯矩及其位置 90
9.3.2桩身截面强度验算 90
参考文献 93
致 谢 94
第1章 桥梁的设计方案比选
本次设计的任务目标是完成主桥为(66 100 100 66)m的鹰潭市龙虎山大桥的主桥部分设计,设计的主要内容包括了桥梁设计的总说明、上部结构和下部结构的尺寸计算、主要的施工图设计以及对结构进行一次成桥和施工、使用阶段内力。
1.1初始设计资料
1.1.1桥位以及水文、地质情况
桥位区位于信江河一级阶地,地表的地层为冲积层粉土、圆砾、砂岩。地貌较为单一,地质构造简单。桥位横越信江河。
根据地表工程地质测绘和钻探揭露,桥位区上部覆盖层为圆砾、强风化砂岩、弱风化砂岩、微风化砂岩总计4层。
土:河床两边均有分布,黄褐色,稍湿,主要成份为砂性土,地震时容易产生液化,有吸水现象,含少量粉砂。厚度2.00~4.20m。地基承载力基本容许值[fa0]=200kPa,摩阻力标准值qik=22kPa。
②圆砾:桥位区河床两边均有分布,黑灰色,中密,饱和,由砂岩和少量花岗岩类组成,一般粒径为10-18mm,最大粒径可达80mm,呈浑圆形(圆棱形),充填物为中粗砂,含量约20-25%,含5-10%的黏性土。地基承载力基本容许值[fa0]=240kPa,摩阻力标准值qik=150kPa。
③砂岩:桥位区均有分布,呈淡褐色或红色,是一种沉积岩,主要由各种砂粒胶结而成的,颗粒直径在0.05-2mm,其中砂粒含量要大于50%,结构稳定通常,主要含硅、钙、黏土和氧化铁,由石英或长石组成的。地基承载力基本容许值[fa0]=300kPa,摩阻力标准值qik=200kPa。
1.1.2设计标准
设计标准道路等级:城市主干道Ⅱ级,只设计半幅桥按单向三车道建设。
计算行车速度:40公里/小时。
桥面构成:1.5 3.75×3 0.4=13.15m。
设计荷载:城市A级,人群3.5KN/㎡。
路面设计标准轴载:BZZ-100KN。
桥面横坡:人行道,机动车道设置1.5%的横坡。
通航标准:Ⅲ-(3)级,通航孔净空55x10米。
通航最高水位频率:十年一遇(高程H10%=30.46米)。
建筑界限:主干路≥5.0 m,次干路≥4.5 m,人行道≥2.5 m。
1.1.3主要技术标准以及采用规范
《公路桥涵设计通用规范》JTGD60-2015
《公路钢筋混凝土及预应力混凝土桥涵设计规范》JTG3362-2018
《公路工程技术标准》JTGB01-2014
《公路桥涵地基与基础设计规范》JTGD63-2019
《城市桥梁设计规范》CJJ11-2011
《建筑桩基技术规范》JGJ94-2008
《公路桥涵施工技术规范》JTJ/TF50-2011
桥址处地址断面图
1.2方案设计
1.2.1方案一:4跨预应力混凝土连续箱梁桥
桥梁主桥采用5墩4跨,桥跨布置为:66 100 100 66m,边主墩中主墩皆设置支座,桥梁主桥全长332m。中支点处梁高取为6.4m,跨中处梁高取为2.6m。上部结构施工时0号块以及边跨现浇段采用支架施工,1~13号块皆采用悬臂挂篮施工,0号块长8.5m,A1~A4块全长3m,A5~A10块长3.5m,A11~A13块长4m,三向全预应力混凝土结构,梁体材料为C55混凝土,桥型布置如图1.1

图1.1 方案一桥型布置图(单位:cm)
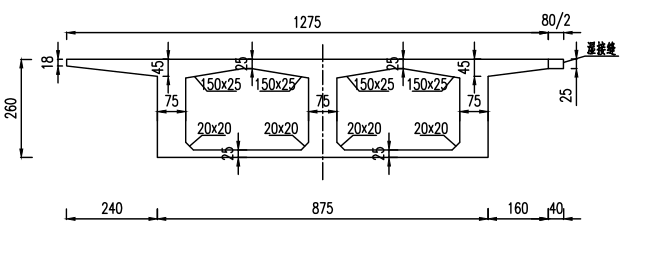
桥梁横向布置为:1.5m(人行道) 11.25m(行车道) 0.4m(湿接缝),全宽13.15m,设置1.5%的双向横坡,采用了单箱双室结构,箱梁顶宽13.15m,箱梁底宽8.75m,两端悬臂板长度分别为2.4m、2m。左悬臂板的端部厚度为18cm,根部厚45cm;右悬臂板的端部厚度为25cm,根部厚45cm;方案一箱梁截面细部结构如图1.2,图1.3
![D:\我的文档\Documents\Tencent Files\804606903\Image\C2C\}$2K[40MLS(UOU]WN~7Y_H3.png](http://www.biyelunwen.org/wp-content/uploads/2020/02/lw4309_202021702313701.png)
以上是毕业论文大纲或资料介绍,该课题完整毕业论文、开题报告、任务书、程序设计、图纸设计等资料请添加微信获取,微信号:bysjorg。
相关图片展示:


![D:\我的文档\Documents\Tencent Files\804606903\Image\C2C\{6]@%HF{397LYN]5$CG2E96.png](http://www.biyelunwen.org/wp-content/uploads/2020/02/lw4309_202021702313852.png)
![D:\我的文档\Documents\Tencent Files\804606903\FileRecv\MobileFile\Image\XH[YEH8GP2PX~16OK)]ASHX.png](http://www.biyelunwen.org/wp-content/uploads/2020/02/lw4309_202021702313861.png)

![D:\我的文档\Documents\Tencent Files\804606903\Image\C2C\2V$Y}GYRRFV]H__7XP4ID$O.png](http://www.biyelunwen.org/wp-content/uploads/2020/02/lw4309_20202170231417.png)
![D:\我的文档\Documents\Tencent Files\804606903\Image\C2C\{6]@%HF{397LYN]5$CG2E96.png](http://www.biyelunwen.org/wp-content/uploads/2020/02/lw4309_20202170231486.png)


