湖北省黄冈某镇排水工程设计毕业论文
2020-02-17 09:38:19
摘 要
随着我国城镇化和工业化的步伐不断加快,生产和生活中产生的大量污水的问题也越发突出。如果不加以控制,任由其直接排入水体或者土壤,都会使得土壤或者水体受到污染,原有生态环境遭破坏,以至于引起生态问题,甚至造成公害。为避免以上情况,就需要建设一整套的排水工程,用于收集各种污水并及时地将其输送至适当地点,妥善处理之后排放再利用。
湖北黄冈某镇排水工程设计包含雨水管网、排水管网和污水处理厂设计,以及概算,目的就在于设计一整套完备的排水工程系统,改变该镇目前排水系统落后、污水处理能力低的现状,并满足经济、高效、节能的要求。本次设计均采用了国家最新的有关规定、标准、和设计规范。
黄冈某镇人口近期为10万人,远期20万人,夏季盛行东南风,地形坡度变化较小,污水管道与雨水管道根据地形特点,沿地形铺设,污水处理厂建在城市下方的西北角,城北河的下游。污水处理厂设计规模近期60000m3/d,远期9000m3/d,本设计按近远期结合设计,远期预留空地,同时污水厂处理流程进行了化学除磷,故污水厂可以达到一级处理B的出水标准。
污水处理厂处理流程为:污水→粗格栅→提升泵房→细格栅→旋流沉砂池→A2O生物池→二沉池→消毒池→巴士计量槽→出水。
污泥流程:剩余活性污泥→污泥提升泵房→浓缩脱水一体化车间→污泥外运。
本次设计提交的成果有:污水管网平面图、雨水管网平面图、污水主干管纵断面图、污水处理厂平面高程布置图、提升泵房工艺图、二沉池工艺图、A2O工艺图、细格栅沉砂池工艺图、设计说明书、设计计算书。
关键词:污水管网系统:雨水管网系统;污水处理厂:A2O法
Abstract
With the acceleration of urbanization and industrialization in China, the problem of a large amount of sewage produced in production and life is becoming more and more prominent. If it is not controlled, let it directly into the water or soil, it will pollute the soil or water, damage the original ecological environment, and even cause ecological problems, or even public hazards. In order to avoid the above situation, it is necessary to construct a set of drainage works for collecting various sewage and transporting it to the appropriate place in time, after proper treatment, discharging and reusing.
The drainage engineering design of a town in Huang gang, Hubei Province includes the design of rainwater pipe network, drainage pipe network and sewage treatment plant, as well as budget estimates. The purpose is to design a complete set of drainage engineering system, to change the current situation of backward drainage system and low sewage treatment capacity in the town, and to meet the requirements of economy, efficiency and energy saving. The latest national regulations, standards and design specifications are adopted in this design.
A town in Huang gang has a population of 100,000 recently and 200,000 in the long run. The southeast wind prevails in summer, and the terrain gradient changes slightly. Sewage pipelines and rainwater pipelines are laid along the terrain according to the terrain characteristics. Sewage treatment plants are built in the northwest corner of the city and downstream of the Chengbei River. The design scale of the sewage treatment plant is 60,000 m3/d in the near future and 9,000 m3/d in the long term. The design is based on the combination of short-term and long-term design, and the space is reserved in the long term. At the same time, the chemical phosphorus removal process of the sewage treatment plant is carried out, so the sewage treatment plant can meet the effluent standard of the first treatment B.
The treatment process of sewage treatment plant is as follows: sewage rough grille lifting pump house fine grille swirling sand sink A2O biological tank secondary sedimentation tank disinfection tank bus metering tank effluent.
Sludge process: excess activated sludge sludge lifting pump house concentration and dewatering integrated workshop sludge transportation.
The results of this design submission are: sewage pipe network plan, rainwater pipe network plan, sewage main pipe longitudinal section plan, sewage treatment plant plane elevation layout plan, lifting pump house process plan, secondary sedimentation tank process plan, A2O process plan, fine grille sedimentation tank process plan, design instructions, design calculation book.
Key Words:sewage pipe network system: rainwater pipe network system; sewage treatment plant; A2O method
目 录
第一章 绪论 1
1.1 设计目的及意义 1
1.2 设计成果 3
第二章 设计说明书 5
2.1设计原始资料 5
2.1.1城市概况 5
2.1.2自然条件 5
2.1.3排水现状及排水规划 7
2.1.4生活污水量及暴雨强度 7
2.1.5工业污水量 8
2.2排水方案设计 8
2.2.1排水体制选择 8
2. 3污水管网设计 9
2.3.1确定排水区界及划分排水流域 9
2.3.2排水管网定线和平面布置的组合 9
2.3.3控制点的确定 10
2.3.4设计管段及设计流量的确定 10
2.3.5污水管道的衔接 11
2.4雨水管网设计 12
2.4.1划分排水流域和管道定线 12
2.4.2雨水管渠系统平面布置原则 12
2.4.3划分设计管段 12
2.4.5 划分设计管段的汇水面积 12
2.4.6确定个排水流域的平均径流系数值 12
2.4.7确定设计重现期P、地面集水时间t1 13
2.4.8确定单位面积径流量 13
2.5 设计水质及处理程度 13
2.5.1 设计水质 13
2.5.2污水处理厂厂址的选择与尾水排放 14
2.6 污水、污泥处理工艺方案 15
2.6.2 污水处理工艺选择原则 15
2.6.2 污染物去除对策 16
2.6.3 污水处理工艺选择 19
2.6.4污水消毒工艺选择 22
2.6.5 污泥处理处置工艺选择 23
2.7工程规模及设计水量 24
2.7.1工艺流程 24
2.7.2工艺规模 24
2.8主要生产构筑物及设备选型 25
2.8.1格栅 25
2.8.2泵房 25
2.8.3沉砂池 26
2.8.4 鼓风机房 27
2.9 主要构筑物设计 29
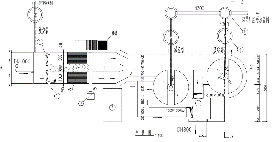
2.9.1粗格栅及进水泵房 29
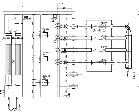
2.9.2细格栅及旋流沉砂池 30
2.9.3A2/O 生化池 31
2.9.4 配水井、污泥泵房 32
2.9.5 二沉池 34
2.9.6 消毒池 35
2.9.7 污泥处理车间 35
2.9.8 加药间 36
2.9.9 鼓风机房 37
2.10办公及附属设施设备 37
2.10.1附属构筑物 37
2.10.2附属构筑物 38
2.10.3构筑物尺寸 38
2.11厂区布置 38
2.11.1 平面布置 38
2.11.2 竖向设计 39
2.12排水工程总投资估算 41
2.12.1管网系统投资估算 41
2.12.1污水厂系统投资估算 41
第三章 设计计算书 41
3.1 污水管道设计计算 42
3.1.1 布置污水管道 42
3.1.2 街区编号并计算其面积 42
3.1.3 比流量的计算 42
3.1.4水力计算 43
3.2雨水管渠系统设计 44
3.2.1划分排水流域和管道定线 44
3.2.2划分设计管段 45
3.2.3划分并计算各设计管段的汇水面积 45
3.2.4水力计算 45
3.3 污水处理构筑物设计计算 47
3.3.1泵前粗格栅 47
3.3.2泵后细格栅 50
3.3.3沉砂池 52
3.3.4 计量堰 54
3.3.5 A2/O反应池 55
3.3.6 中心进水周边出水幅流式二沉池 67
3.3.7 消毒接触池 78
3.3.8 化学除磷加药量选择 80
3.4污泥处理设计计算 80
3.4.1污泥泵房设计 80
3.5水头损失计算 82
3.5.1水头损失计算 82
3.5.2构筑物高程 85
3.6提升泵房计算 86
3.6.1设计概述 86
3.6.2集水间计算 86
3.6.3水泵总扬程估算 87
3.6.4设备选择 87
3.6.5泵房设计 88
第四章 工程投资估算 89
4.1排水管道工程投资估算 89
4.2污水处理厂工程投资估算 89
4.3污水厂运行成本计算 89
第五章 总结 92
参考文献 93
附录 94
附录A近期污水干管设计流量计算表 94
附录B远期污水干管设计流量计算表 97
附录C污水干管水力计算表 100
附录D雨水汇水面积计算表 103
附录E雨水干管水力计算表 106
致谢 109
第一章 绪论
1.1 设计目的及意义
随着我国城镇化和工业化的步伐不断加快,生产和生活中产生的大量污水的问题也越发突出。如果不加以控制,任由其直接排入水体或者土壤,都会使得土壤或者水体受到污染,原有生态环境遭破坏,以至于引起生态问题,甚至造成公害。为避免以上情况,就需要建设一整套的排水工程,用于收集各种污水并及时地将其输送至适当地点,妥善处理之后排放再利用。
就我国目前的污水处理状况来说, 污水处理率一直较低,而解决城市污水污染的根本措施是建设以生物处理为主体工艺的二级城市污水处理厂,但这需要大量的投资和高额运行费用。对我国不少地区 ,特别是经济欠发达地区和中小城市而言,有必要应用投资低、污染物去除率较高的城市污水强化一级处理工艺。根据我国目前水处理的发展状况,混凝沉淀强化一级处理工艺在我国应用较多。目前一级处理工艺的发展主要集中在研究和应用高效、廉价的絮凝剂以及微生物絮凝剂,同时研究无机絮凝剂与其他各类絮凝剂协同作用效果, 以及对一级处理工艺设备的优化选型等方面。
1.2 设计成果
1.毕业设计说明书及计算书:
毕业设计说明书(附计算书)约3.5~5.5万字,应包扩目录、摘要、正文、小结及参考文献等。
按学校对毕业生的要求,每位学生应在毕业设计中翻译2万个英文字符的专业英语资料与毕业设计成果同时提交。
2.设计图纸:
(1)绘图数量及内容要求:排水工程毕业设计的设计图纸数量不少于8张(按1号图计),构筑物详图要求达到初步设计的深度
必须完成以下图纸:
1)污水管网布置图
2)雨水管网布置图
3)污水处理厂平面布置及污水处理流程(高程)图
4)污水泵站工艺图
5)一个污水处理构筑物工艺图
6)污水(或雨水)主干管纵断面图
(2)绘图能力方面要求:
1) 至少有1张图纸用CAD绘制;
2) 至少有1张图纸用铅笔绘制;
3) 至少有1张图纸用墨线绘制在描图纸上;
第二章 设计说明书
2.1设计原始资料
2.1.1城市概况
1.概况(附该镇规划图):
黄冈某镇位于湖北省黄冈市北部,地处长江中游北岸,东临巴水,西接黄冈市区,南与鄂州市隔江相望,北临碧峰山。对外交通方便,省道343线(接X109)穿境而过,东西可通武汉、九江,离高铁黄冈东站约19公里。六纵八橫的镇内道路将本镇划分为居住区、工业区与休闲绿化区三个区域。
2.规划人口
根据总体规划,该镇近期总人口为10万人,远期规划总人口为20万人。
3.绿地面积
绿化面积约占10%。
2.1.2自然条件
1.地理位置
本镇位于东经115°02′~115°55′,北纬30°25′~31°02′,位于湖北省黄冈市北部,地处长江中游北岸,东临巴水,西接黄冈市区,南与鄂州市隔江相望,北临碧峰山,距武汉91公里。
2.气象资料
黄冈市某镇属大陆性季风气候,四季分明,雨量充沛。年平均气温17.7°C,极端最高气温40°C,极端最低气温-8.3°C。多年平均降雨量1588.3mm,多年平均蒸发量1487mm。全年无霜期276天。常年主导风向冬季为北风,夏季为南风。
3.地形地貌
该镇均为平原地貌,河汊水网密布,城北河、纬四浦自西向东流经本镇北境,于本镇东部汇入长江;下横河、滨海塘河自北向南纵贯镇域东部,于本镇南部汇入长江。地面坡度小,全镇海拔最高点6.70米。
4.水文资料
水位资料(吴淞高程):
城北河
历年平均:3.50m
历年最高:5.20m
历年最低:1.75m
纬四浦
历年平均:4.11m
历年最高:5.01m
历年最低:1.65m
下横河
历年平均:4.11m
历年最高:5.01m
历年最低:3.05m
(4)滨海塘河
历年平均:4.11m
历年最高:5.01m
历年最低:3.15m
2.1.3排水现状及排水规划
排水现状:
该镇现状居住地布局分散,建筑多为农村住宅,大部分区域目前为未开发工业用地与农业用地,尚无排水设施,没有生活污水收集系统,雨水基本上随坡漫流至该镇四个城市水体。
在黄州新区范围内现有四个城市水体,一是三台河,流动水体,位于城区北侧;二是纬四浦,为封闭性水体,位于城区北部,离城北河比较近;三是滨海塘河,位于城区西部,自南向北汇入城北河,是其主要支流;四是下横河,位于滨海塘河西侧,同为城北河支流。
排水规划:
(1)排水体制:规划采用雨、污分流体制,排水管网相对独立自成系统。
(2)雨水:雨水管道依据地势敷设,就近分散排入四个自然水体。
(3)污水:污水干管沿规划道路由南向北敷设干管,城市污水逐步由东向西集中至污水处理厂,处理后尾水排入城北河。
布置原则:
雨水:充分利用现有河流湖泊,结合新区地形地貌,尽量利用地形坡度,合理组织雨水管的敷设,就近分散排入水体 。
污水:根据黄冈市总体规划,污水收集后在城北河边建污水处理厂处理后排放。
2.1.4生活污水量及暴雨强度
生活污水量:人均生活污水量标准按综合生活用水量标准的85%计。综合生活用水量(含公共建筑用水)定额按黄冈市地理位置和城市等级,根据《室外给水设计规范》GB50013-2006,其标准按170~280L/cap.d计算。
暴雨强度公式:
以上是毕业论文大纲或资料介绍,该课题完整毕业论文、开题报告、任务书、程序设计、图纸设计等资料请添加微信获取,微信号:bysjorg。
相关图片展示:









