越秀星空大楼给排水工程设计毕业论文
2020-02-17 09:00:31
摘 要
该商住楼建筑高度75.400米。地下一层到三层为商场,四至二十三层为公寓式住宅,顶层有电梯机房.
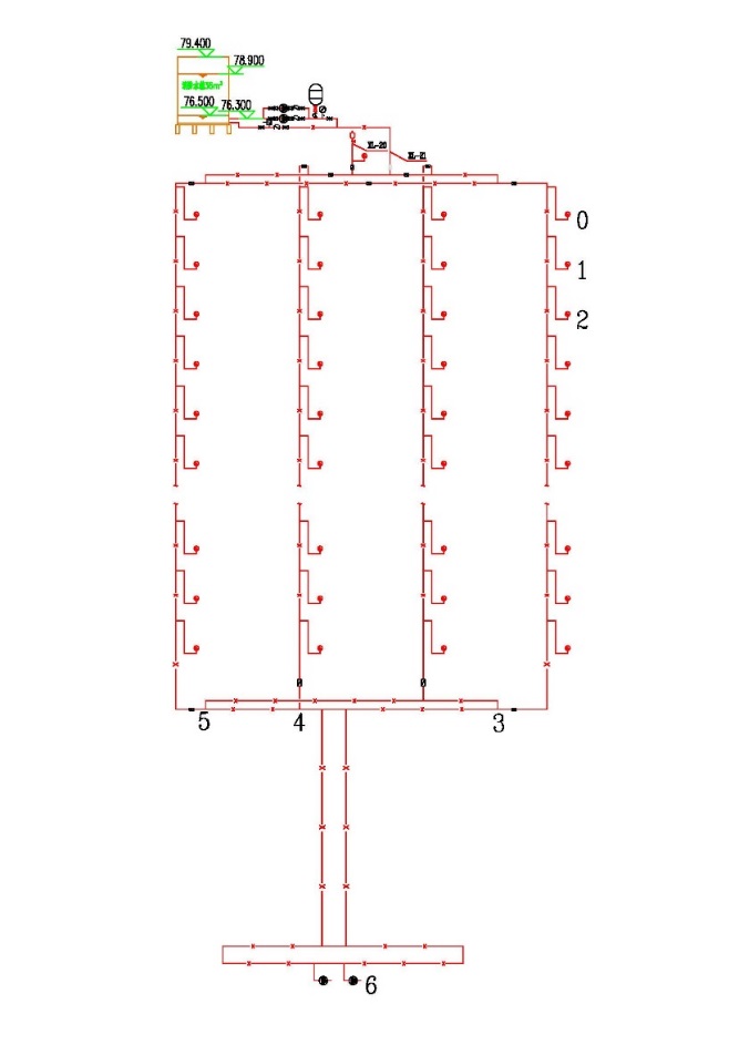
本建筑4至23层为公寓式住宅,未设有管道井,排水管将卫生器具连接后,由就近的排水立管排出,每一个房间设有两根排水管,共有26根排水立管,在第三层的吊顶中汇总就近引出建筑物外后排至室外化粪池,一、二、三层汇总后就近排出室外,再排入化粪池。
热水系统采用每户设置电即热式热水器供水。
关键词:高层建筑、电即热式热水器
Abstraact
The building is 75.400 meters high. The first to third floors are shopping malls, and the fourth to 23rd floors are apartment-style houses with elevator rooms on the top floor.
This building 4 to 23 for the apartment house, has no pipe Wells and drainage pipe connect sanitary ware, after discharge from the nearest drainage riser, each room is equipped with two pipes, drainage riser, a total of 26 root in the ceiling of the third layer aggregation leads to the nearest building outside the back to outdoor septic tanks, one, two, three layer after summarizing nearby emitted, again into the septic tank.
The hot water system is supplied by electric instant water heater in every household.
Key words: high-rise building, electric instant water heater
目 录
第1章绪论 1
1.1设计内容 1
1.2设计原始资料 1
第2章设计说明书 1
2.1建筑给水系统 1
2.1.1给水系统的竖向分区 1
2.1.2给水系统的供水方案 2
2.1.3地下室生活水箱容积 3
2.1.4给水管道布置与安装 3
2.1.5水表的选用与计算 4
2.1.6生活加压泵的选用 5
2.2建筑热水系统 5
2.2.1主要设备 6
2.2.2管道的平面布置及管材 6
2.3消火栓给水系统 6
2.3.1消防水池 6
2.3.2消火栓箱 6
2.3.3水泵接合器 6
2.3.4消火栓管网 6
2.3.5消火栓加压泵的选用 7
2.3.6增压稳压设备 7
2.3.7灭火器设置 7
2.4自动喷水灭火系统 7
2.4.1消防水池、高位消防水箱 7
2.4.2湿式报警阀 7
2.4.3喷头的选型与布置 8
2.4.4屋顶增压稳压设备 8
2.4.5自动喷水系统加压泵 8
2.5建筑排水系统 8
2.5.1排水方案 8
2.5.2排水管道水力计算 8
2.5.3管道的布置与敷设 8
2.5.4排污泵选型 9
2.6建筑雨水系统 9
第3章设计计算书 10
3.1给水系统计算 10
3.1.1低区给水管道水力计算 10
3.1.2中区给水管道水力计算 13
3.1.3高区给水管道水力计算 15
3.1.4生活用水加压泵的选用 17
3.1.5气压罐计算 18
3.1.6用水量计算 18
3.1.7地下室水箱选用 18
3.1.8水表选型计算 18
3.2热水系统计算 18
3.2.1设计小时热水量计算 19
3.2.2主要设备 20
3.3消火栓给水系统计算 20
3.3.1地下室消防水池 20
3.3,2屋顶消防水箱(高位消防水箱) 20
3.3.3消火栓栓口压力计算 20
3.3.4消火栓管网水力计算 21
3.3.5消火栓加压泵扬程计算 22
3.3.6增压稳压设备计算 23
3.3.7高区减压孔板的计算 23
3.3.8低区减压阀计算 24
3.3.9灭火器配置计算 25
3.4自动喷水灭火系统计算 25
3.4.1各报警阀控制区的喷头水力计算 25
3.4.2喷淋加压泵扬程计算 29
3.4.3增压稳压设备的计算与选用 29
3.4.4减压孔板的计算 31
3.5排水系统计算 32
3.5.1四至二十三层排水系统水力计算 32
3.5.2一至三层公共卫生间排水系统水力计算 34
3.5.3排污泵选型 35
3.6雨水系统计算 35
3.6.1四至二十三层屋面雨水系统水力计算 35
3.6.2一至三层屋面雨水系统水力计算 36
结论 37
参考文献 38
致谢 39
第1章绪论
高层建筑给排水设计是城市发展建设过程中不可缺少的组成部分。随着我国人民生活水平的不断提高和土地资源的短缺,高层建筑的建设越来越多,建筑给排水也随之飞速发展[1]。
给排水的设计质量不仅直接影响着整个建筑给排水的建设质量,而且关系到整个建筑的质量、安全与使用[1]。在保证安全的同时,必须实现经济的合理性,尽可能的节约资金,使建筑给排水工作人员的维护和管理更加方便。我们坚持科技、安全、美学、实用、经济的原则,追求创新和卓越[1]。建筑给排水设计不仅满足了建筑设计和发展的新需求,还满足了人们的物质文化和生活需求。因此,正确认识建筑给排水工程设计具有重要的社会经济意义[1]。
1.1设计内容
建筑分层平面图,详见资料图。本建筑为23层钢砼框架结构(一、二级耐火等级)底层为地下室,层高为4.5米;一至三层为商场,层高为4.8米:4-23层为公寓式住宅,层高为2.9米。要求设计室内给排水工程与土建工程配套,具体项目为:
1)室内给水工程:
2)室内热水工程
3)室内消防工程
4)室内排水工程
5)室外雨水工程
1.2设计原始资料
1、建筑提供的条件图(6张)
2、市政基础资料
市政给水管道DN400,分别位于该建筑南北两侧,给水压力0.30Pa,市政污水管网接口位于建筑的东侧,检查井井底标高-2.60米。
第2章设计说明书
2.1建筑给水系统
建.筑.物.内.部.给.水.系.统.是.将.市.政.给.水.管.网.或.独.立.给.水.管.网.的.水.引入室.内、生.活、生.产、消.防.给.水.设.备,满.足.供.水、供.水、水.质.要.求。系.统建.筑.内.部.给.水.系.统.通.常.由.进.水.管.道.、给.水.管.道、给.水.配.件、给.水.装置、配.水.设.施、仪.表.组.成. [1]。
2.1.1给水系统的竖向分区
1)打开水龙头,水射流喷溅,影响使用,很难关闭[2];
2)必须使用耐高压管,配件和配水设备[2];
3)由于高压,水龙头,阀门和其他设备磨损快,寿命缩短,增加泄漏[2];
4)水龙头排水头过大[2]。如果不进行减压,流出量将远远大于设计流量,从而增加管道中的流量。这导致自来水,振动和噪音(强塑料管)和低压力的上层水龙头[2]。
2)水.压.大.于0.35MPa的.入.户.管. (或.配.水.横.管),宜设.减压.或.调压.设施[4]。
3)各.分.区.最不.利.配.水.点.的.水.压,应.满.足.用.水.水.压.要.求[4]。
三、注意:
1)竖向分区的最大水压不是卫生器具正常使用的最佳水压[3]。
2)卫.生.器.具.正.常.使.用.的.最.佳.水.压.宜.为.0.200~0.30MPa。[3]
3)各分.区.顶.层.住.宅.入.户.管.的.进.口.水.压.不.宜.小.于0.10MPa[3]
该建筑是一座综合性的高层建筑。根据供水系统的垂直分区标准,每个区域.最.低卫.生设.备.的.配.水.点.的.静.水.压.力.不.应.超.过0.45 MPa,特.殊.情.况不应.超.过0.55 MPa。因.此,整.个.建.筑.将.被.分.为.三.个.区:
低区:地下室至3F
中区:4F至13F
高区:14F至23F
2.1.2给水系统的供水方案
根据设计任务书,市政外网年可用。中高压区采用增压泵。供水计划编制如下:
水的使用从安装在楼下的地下水泵提升到屋顶储罐,并分配到每个区域的减压阀上[2]。高压水箱采用减压阀,占地面积小,不影响水质,无噪音[2]。在国内减压阀的关键产品质量逐步提高,性能可靠,泵房面积小,设备成本降低,水泵阀运行成本大,水箱总体积大,不利于建筑物的结构和地震,抵抗[2]。
方案二:采用变频泵给水方式[2]
变频器频率在各区域独立安装,变频器安装在底层或建筑物的地下室,每个区域都有水供应[2]。因为每个部门都是一个独立、安全可靠的水泵供水系统管理中心和维护方便,运行成本低廉的管理和维护很容易管理和维护,不需要高储水池,减少二次污染[2]。但是变频咨询,高压管路,设备和管路费用高,水泵维修复杂[2]。
这两种方案各有优缺点,因为建筑地板较高,耗水量较大,如果在活水箱中设置屋顶体积较大,屋面设置有消防水箱,以防止水箱屋顶过大,影响抗震建筑[2]。因此,不选择高水箱供水方式[2]。现在,人们普遍鼓励建筑节能,在建造过程中,投资于变频器的水泵频率,然后低成本。节约用电,符合建筑节能理念。因此,建筑物的低洼地区采用市政直接供水,中部地区的高面积采用变频水泵供水[2]。
上行下给:把管道放在顶楼或天花板下。对于不冰冻的区域也要放在楼顶上。对于高层建筑,它们也可以放在技术层之间。优缺两方面:流出水头大,安装在输送管上的水,冻坏天花板和墙壁,管网水压力大,管道耗材多[2]。
环形供水方式:主管道的水平或垂直水分布彼此连接,形成环,即主管环或环[2]。优点和缺点:安全、可靠的供水、成本和建筑特性:楼梯、小区域、供水和适应性只有一个很好的管道[2]。
图2.1 生活给水系统分区示意图
2.1.3地下室生活水箱容积
-1至3层由市政管网直接供应, 4至23层在第二次加压调节后供应。
2.1.4给水管道布置与安装
1、经济合理
室内供水管道应满足水量和水压的要求,使管道布置尽可能短、尽可能直线[2]。对于输水点分散的建筑物,宜多设置管道,根据室外主水管的情况和配水点的位置设置独立的引水管道,以减少管道水头的损失和室内给水管网所需的压力[2]。
水管、主水管和水管必须放在最高供水点附近或不间断供水,以保证供水安全,减少过程中不合理的输送流量,降低所需压力[2]。室内网络,节省控制。所有这些都很有用[2]。
2、确保管道不损坏,防止水污染
应避免水供应处于严重压力的不利位置,而不是通过生产设备的基础设施[2]。在特殊情况下,如有需要,应与相关专家协商[2]。
供水管不得在排水管内。供水管线不得通过大便池和小便池。如果冒口位于尿管顶部0.5米以内,则必须对尿管顶部进行结构绝缘,管道防止被腐蚀。
水管不应该通过开口槽,降落,如果没有软连接或弯头,保护支架操作的措施[2]。
饮用水管道不得与非饮用水管道连接。在特殊情况下,当使用饮用水作为工业备用水时,必须在两条管道的交界处采取措施防止水污染[2]。当水管连接到厕所时,必须采取措施防止水再次饮用,例如冲洗管道上的防污艾滋病或带有空气阀的冲洗阀[2]。
3、不影响生产安全的建筑空间的使用
供水管道的位置不得干扰生产、运输或建筑物的使用[2]。管道暴露于水中时,不得安装在易燃易爆、易损坏的原材料、产品和设备上[2]。应尽量避免传递生产设备[2]。管道是不利的,窗户、墙壁和木头都是装饰的[2]。
4、便于管道安装、维修
管道与管道、墙、梁、柱和设备之间的距离应保持,以便于安装和维护[2]。
二、室内给水管道的敷设有两种方式,明装、暗装。
明装管道应尽量沿墙、梁、柱平等敷设[3]。
除了直接埋管外,暗装的横管最好放在地下室,屋顶或沟渠里,而竖管可以放在管井里[3]。
将管道与其他管道连接,或放置时,应配合排水管,上面的冷却管,热管或蒸汽管,对管道不利,并将易燃、易燃或有害的液体运输在一起[3]。
管材尺寸应根据管材数量确定,管材尺寸、管件布置方式、维护条件与施工面相结合[3]。
水管必须穿过地下墙壁或建筑物的墙壁。洞口必须由承压墙或地基保留,管道顶部的间隙不得小于建筑物的沉积物,其中一般尺寸采用为d 50mm~d 100mm。
必须把水管放好,水不要被液体或杂质填满。下水道和排水沟之间的最小距离是管道直径的2.5倍。当特种设备和水设备生产不能达到最小距离时,必须采取其他有效的隔离措施[3]。
立管上设闸阀,横管上设截止阀,则当立管管径大于50mm时,采用截止阀[3]。
水泵基础高出地面0.8m,水泵采用自动启动[3]。
三、管材
镀锌钢是水的主要管道。但镀锌钢管有长期使用的一种逐渐磨损的镀层,与钢接触,墙壁腐蚀,黄色污染的水,污染的水,卫生污染,管道的侵蚀造成长期污染,增加耐水等问题[3]。
(3)低噪声级;
(4)良好的耐老化性,最短的使用寿命;
(5)施工简单,操作时间短:使用专用工具进行连接,管道连接立即完成
(6)接头壁畅通,接口和水管直径相同,防水较小。
2.1.5水表的选用与计算
(1)水表的选择
水表的水质、水量、水压、水温和水量应根据水质、水量、水压、水温和水量而定[1]。一般来说,室内的计价器都是用一个旋转计量器和一个螺旋计量器来确定整个建筑的管道。
仪表的口径是根据仪表的设计流量来选择的。如果水的耗水量相对均匀,你必须确保第二部分的流量设计(燃烧率除外)不大于水表的标称流量,该流量可能会很长[1]。随着时间的推移,在过去的流量条件下,在供水系统中使用的水不能根据设计的第二流量来确定[1]。流量不大于直径最大的仪表,寿命不均匀或使用水生产,连续的白天和黑夜的水高峰[1] 3小时以内,最大每小时流量。
低区给水系统共有三条横支管,在其上均选用,过载流量为,常用流量。中高区地下室水箱及消防水池引入管管径为,按管中流速为估算进水量,则, 选用型号为,常用流量,过载流量。进户管上的水表选用,过载流量为,常用流量为。
2.1.6生活加压泵的选用
一、中区给水加压泵
中区生活用水加压泵选用变频泵,规格,型号,共两台泵,单泵水泵流量,扬程。基础尺寸为
中区加压水泵由两台泵组成。每台泵出水量为。当水泵压水管侧时,压水管选用的钢管,。吸水管选用,。
二、高区给水加压泵
高区生活用水加压泵选用变频泵,规格,型号,共两台泵,单泵水泵流量,扬程。基础尺寸为
高区加压水泵由两台泵组成。每台泵出水量为。当水泵压水管侧时,压水管选用的钢管,。吸水管选用,
2.2建筑热水系统
使用当地的热水供应系统,短的热水管道,降低热量。热源是蒸汽。热管系统采用纵向供水系统,热管系统和纵向管道可以维持热水循环。此循环适用于高层建筑全天热水供应。
虽然水流速度慢,但传热系数小,体积大,蓄水调节能力大。当受热的水通过时,压力损失很小,水点的压力也发生了变化。稳定的水温。
本建筑4至23层为公寓式住宅,故需要设置热水系统,为保证能源的有效利用,所以采用每户设置电热水器。
2.2.1主要设备
电热水器根据图集《01SS126》选用:距地,规格为,容量,外形尺寸,净重。
2.2.2管道的平面布置及管材
本设计采用塑料给水管、立式管进行保温处理,在热水器的进出管、自动调温器等需要维修的设备上设置蝶阀。
2.3消火栓给水系统
因为高层建筑的特点是火灾风险大、温度高、扩散速度快、灭火难、
地下水网络为水库提供水,并将水从水注入地下室的水龙头。屋顶上的消防水箱可以储存在10分钟内储存消防水。火灾发生时,水会被泵入自来水系统[1]。
2.3.1消防水池
其规格为: 消防水池长,宽,有效水深。
据《消防给水及消火栓系统技术规范》GB50974-2014(2014版),该水池没有超过,不用分格。
消防水池的补水时间不宜超过,消防水池的进水管管径为,管内流速。
2.3.2消火栓箱
设置消火栓是为了确保在同一楼层的任何地方都有两支水枪。喷嘴选择唯一出口,水龙头垂直与墙壁设置的水龙头。
以上是毕业论文大纲或资料介绍,该课题完整毕业论文、开题报告、任务书、程序设计、图纸设计等资料请添加微信获取,微信号:bysjorg。
相关图片展示:









