微污染水源水处理工程设计毕业论文
2020-04-15 21:31:25
摘 要
本设计的主要任务是位于北温带南缘的某县城的供水厂初步设计。设计的主要内容包括:取水工程和净水厂设计。净水厂的设计是指净水厂的位置选择、水处理工艺流程的确定、处理构筑物的设计计算以及水厂的平面和高程布置。本设计的一期设计规模是20.0万m3/d,以河流水为水源。采用的工艺流程为:原水→取水泵站→生物接触氧化池→管式静态混合器→机械絮凝池→平流沉淀池→臭氧接触池→活性炭滤池→普通快滤池→清水池→二级泵房。选用聚合氯化铝为混凝剂,液氯为消毒剂。水厂出水水质要求达到《生活饮用水卫生标准》(GB 5749-2006)。
关键词:微污染水源水 生物接触氧化池 臭氧接触池 活性炭滤池
Design of water treatment engineering for micro-polluted water source
Abstract
The main task of this design is the preliminar design of a water supply plant located in the south edge of the north temperate zone. The main content of the design includes: the design of water intake engineering and water treatment plant. The design of water treatment plant refers to the location selection of water treatment plant, the determination of water treatment process, the design and calculation of treatment structures and the layout of water plant plane and elevation.The design scale of the first phase of the design is 200,000 m3/d, with river water as the source. The process flow is as follows: raw water → water intake pumping station → biological contact oxidation tank → tubular static mixer → mechanical flocculation tank → horizontal flow sedimentation tank → ozone contact tank → activated carbon filter → rapid filter → clean water tank → the second pumping station. Polyaluminum chloride was used as coagulant and liquid chlorine as disinfectant. The quality of water should meet Standards for Driving Water Quality (GB 5749-2006).
Key words: Micro-polluted water source; biological contact oxidation tank; ozone contact tank; activated carbon filter
目录
第一章 设计概况 1
1.1 自然状况 1
1.2 水资源现状 1
1.2.1 地下水源 1
1.2.2 地表水源 1
1.3 设计目标 1
1.3.1 水量目标 2
1.3.2 水质目标 2
1.3.3 水压目标 2
1.4 设计要求 2
第二章 工艺流程选择 2
2.1 净水处理工艺选择原则 2
2.2 净水处理工艺各单元的选择 3
2.2.1 生物预处理 3
2.2.2 混凝剂的投加混合 4
2.2.3 絮凝池 4
2.2.4 沉淀池 4
2.2.5 深度处理 5
2.2.6 过滤池 5
2.2.7 消毒 6
第三章 取水工程设计 6
3.1 取水构筑物 6
3.1.1 取水构筑物设计原则 6
3.1.2 取水构筑物的选择 7
3.2 取水泵站 7
3.2.1 设计概述 7
3.2.2 泵站设计流量及扬程的确定 8
3.2.3 选泵和电动机及机组基础设计 9
3.2.4 吸水管和压水管设计 11
3.2.5 取水泵站尺寸设计 11
3.2.6 吸水井尺寸设计 12
第四章 净水工程设计 12
4.1 悬浮填料生物接触氧化池 12
4.1.1 注意事项 12
4.1.2 主要参数 13
4.1.3 生物接触氧化池的尺寸设计 13
4.1.4 鼓风曝气设施 13
4.1.5 放空管 14
4.2 加药系统 15
4.2.1 溶解池、溶液池和计量泵设计 15
4.2.2 加药间与药库设计 17
4.2.3 混合设备设计 18
4.3 絮凝池 18
4.3.1 设计要点 18
4.3.2 单格有效容积计算 18
4.3.3 池子长度 18
4.3.4 搅拌器尺寸 19
4.3.5 搅拌器功率 19
4.3.6 电动机功率 20
4.3.7 核算平均速度梯度G和GT值 20
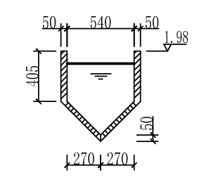
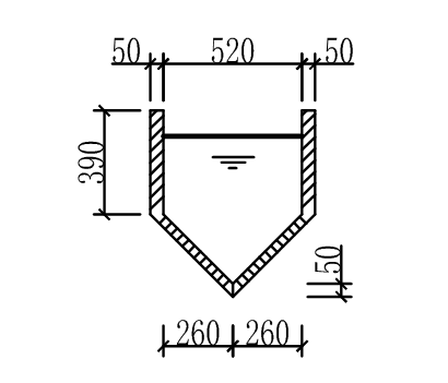
4.4 沉淀池 21
4.4.1 沉淀池长度 21
4.4.2 单格容积 21
4.4.3 单格宽度 22
4.4.4 沉淀池水力条件复核 22
4.4.5 集水槽 22
4.4.6 放空管 22
4.5 臭氧接触池 23
4.5.1 设计要点 23
4.5.2 池体尺寸计算 23
4.5.3 臭氧发生系统 24
4.5.4 液氧罐 24
4.5.5 尾气处理 24
4.5.6 放空管 24
4.6 活性炭滤池 25
4.6.1 设计参数 25
4.6.2 活性炭滤池设计 25
4.7 普通快滤池 29
4.7.1 滤池面积及平面尺寸 29
4.7.2 滤池高度 30
4.7.3 配水系统(每个滤池) 30
4.7.4 排水槽 32
4.7.5 滤池各种管渠计算 32
4.7.6 反冲洗泵房 33
4.8 加氯系统 35
4.8.1 加氯量 35
4.8.2 加氯设备 35
4.8.3 氯气吸收装置和通风设备 36
4.8.4 加氯间和氯库的布置 36
4.9 清水池 36
4.9.1 清水池有效容积 36
4.9.2 清水池尺寸 37
4.9.3 排水管 37
4.10 排泥水处理系统 37
4.10.1 干泥量 38
4.10.2 泥水平衡计算 38
4.10.3 排水池 39
4.10.4 排泥池 39
4.10.5 平衡池 39
4.10.6 浓缩池 39
4.10.7 预浓缩池 40
4.10.8 污泥调理和脱水 41
4.10.9 储泥罐 42
第五章 送水工程设计 42
5.1 二级泵站 42
5.1.1 设计参数 42
5.1.2 选泵和电动机 42
5.1.3 确定机组基础尺寸 43
5.1.4 吸水管和压水管设计 44
5.1.5 二级泵站尺寸设计 44
5.2 吸水井尺寸设计 45
第六章 水厂布置 45
6.1 水厂平面布置 45
6.1.1 平面布置主要内容 45
6.1.2 平面布置原则 45
6.2 水厂高程布置 46
6.2.1 高程水力计算 47
6.2.2 净水构筑物高程 51
6.2.3 废(泥)水处理构筑物高程 52
第七章 工程投资估算 53
参考文献 56
致谢 58
第一章 设计概况
1.1 自然状况
某县城位于北温带南缘,是暖温带向亚热带过渡地区,属暖湿性季风气候。气候资源较为丰富,光照充足,属高光照区。历年平均气温13.8℃,年际最大差值2.1℃。境内雨量充沛,历年来境内平均降水量949.9毫米,平均降水量最高的月份是7月,为240毫米,平均降水量最少的月份是12月,为15.1毫米。
全境地处季风区,年平均风速为3.3米/秒。春季以东北风-东南东风为主;夏季以东南风和南南东风为主;秋季以北东风、东北东风为主;冬季以北北东风-北东风为主。
以上是毕业论文大纲或资料介绍,该课题完整毕业论文、开题报告、任务书、程序设计、图纸设计等资料请添加微信获取,微信号:bysjorg。
相关图片展示:









