基于STM32的简易电阻测量仪设计毕业论文
2020-02-18 11:55:32
摘 要
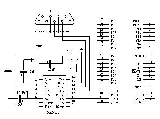
此次设计的测量仪主要由闭环恒压源电路、闭环测量电路、电机驱动电路,LCD显示电路四大部分构成,MCU为STM32系列中的STM32F103ZET6。设计中闭环恒压源电路包含数模转换器、恒压维持电路、电压跟随电路、模数转换器;闭环恒压源电路的主要作用是给芯片和模块分别提供恒压源。主体的闭环测量电路包括档位切换电路、电压跟随电路、虚拟触摸键盘、12位模数转换器;电机驱动电路由L298N电路为核心,加上步进电机、旋转式单圈电位器构成;液晶显示电路的主体是3.2寸的TFT–LCD。
此次设计的测量仪的基本原理如下:恒压源电路设定输出5V电压,经过档位切换电路、电压跟随电路后输出至单片机,单片机内部的ADC对信号进行处理后,通过程序运算得到被测电阻的阻值,最后经过单片机输出在液晶显示电路,显示电路显示电阻测量结果。
电机由单片机给电机驱动电路输入相应的指令来控制,通过电位器的旋转得到不同的阻值数据,测量得到的数据经过单片机内部程序计算处理后在LCD上显示出相应测量曲线。
该测量仪具备四个档位,100Ω档至1MΩ档,经仿真调试,最终100Ω档时平均误差为0.08%,1KΩ档时误差为0.05%,10KΩ档时误差为0.06%,1MΩ档时误差为0.08%,同时测量仪具备自动换挡功能并且能够筛选一定范围内的电阻。操作者能够通过键盘输入需求电阻阻值和允许误差范围,随后对电阻进行检测,LCD屏幕显示出被测电阻的阻值,且显示出该电阻是否符合设定的选择要求。
关键词:简易测量;恒压测量;档位切换;电阻筛选
Abstract
The measuring instrument is mainly composed of four parts: closed-loop constant voltage source circuit, closed-loop measuring circuit, motor driving circuit and LCD display circuit. The MCU is STM32F103ZET6 in STM32 series.In the design, the closed-loop constant voltage source circuit includes DAC, constant voltage circuit, voltage following circuit and ADC; the main closed-loop measurement circuit includes shift switching circuit, voltage following circuit, virtual touch keyboard, 12-bit ADC; the motor driving circuit is composed of L298N circuit, stepping motor and rotary single-loop potentiometer; the main body of LCD circuit is 3.2 inch TFT-LCD.
The basic principle of the measuring instrument is as follows: the constant voltage source circuit sets the output 5V voltage, which is output to the single chip computer through the shift switching circuit and the voltage following circuit. The signal is processed by the ADC inside the single chip computer, and the resistance value of the tested resistance is obtained by the program calculation. Finally, the resistance is output to the liquid crystal display circuit through the single chip computer, and the resistance measurement result is displayed by the display circuit.
Stepper motor is controlled by the MCU to input corresponding instructions to the driving circuit. Different resistance values are obtained by rotating potentiometer. The measured data are processed by the internal program of the MCU and displayed on the LCD screen.
The instrument has four gears, 100_gear to 1 M_gear. After simulation and debugging, the average error of 100_gear is 0.08%, the error of 1 K gear is 0.05%, the error of 10 K gear is 0.06%, and the error of 1 M gear is 0.08%.The operator can input the required resistance value and allowable error range through the keyboard, and then test the resistance. The screen shows the measured resistance value, and shows whether the resistance meets the set screening requirements.
Keywords: Simple measurement; Constant voltage measurement; Gear switching; Resistance selecting
目录
第1章 绪论 1
一、研究现状 1
二、设计的基本内容及目标 2
第2章 系统方案设计 3
2.1功能分析 3
2.2测量原理 3
2.3核心控制芯片 5
2.4档位切换模块 7
2.5 ADC采样电路 8
2.6显示模块 9
2.7键盘控制电路 9
第3章 系统设计 11
3.1系统总体思路 11
3.2系统硬件模块设计 12
3.2.1硬件介绍 12
3.2.1.1芯片介绍 12
3.2.2 电阻触摸屏原理 15
3.2.3 触摸屏控制芯片 17
3.3电源电路设计 17
3.4恒压源电路设计 19
3.5档位切换电路设计 20
3.6电压跟随电路设计 21
3.7电机驱动电路设计 22
3.8软件设计 23
第四章 系统仿真测试 24
参考文献 27
第1章 绪论
一、研究现状
当前,社会整体的电子工业技术大步发展,日新月异,电子元器件的生产供应与使用也在日益增长,而电子元器件是科学硬件的基础,在这个更高的基础上,我们理应有新的技术实现。在20世纪50年代前,仪器仪表的功能几乎是纯硬件实现的,大多都是指针式仪器,在出厂前由厂家调试好。随着科技的进步,人们对仪器仪表也有了更高更新的要求。从科学严谨的角度出发,精度是仪表的发展需求,从日常工作的角度出发,仪表的便携性轻量化也要重视。采用新的工作原理、新材料和新的电子器件,是仪表发展的主要方向,旧有的仪器仪表在长时间的应用中已经得到改善,进一步发展的难度较大,为仪器仪表的发展增添新的元素这是仪表发展的主要方向。
科学应用仪表仪器的自主设计研发已经受到各国重视,西方国家乃至日本都将“发展一流的科学仪器支撑一流的科研工作”作为国家重要战略,研发科学仪器是各国迫切的需求。军用技术在很多时候是超前技术的代名词,新世纪以来,很多相关的技术已经在向民用发展,逐步在民用市场中占据优势地位。随着计算机技术以及新材料的发展,科学仪器仪表也获得了很大的进步,已经远远超出了“光机电一体化”的概念,现今许多学科诸如自动化、材料学都在这一方面有了不少应用。
在我所学习的自动化专业中,有许多常用的设备,类似于变压器,变压器的主要功用是调节电机的电压升降,这一功能在电网的应用中至关重要,诸如发电、供电中变压器都是必不可少的设备之一,在变压器的使用以及维护中,绕组电阻测量是一个重要的手段。另外,电阻测量是很多仪表测量的基础,这就给电阻测量的简便性以及准确性带来了一定的要求。
微小乃至渺小电阻在电气设备中应用广泛,在自动化学科中广泛应用的断路器、继电器、电机等设备使用时常需要测量接触电阻,但是鉴于这些列举出来的电阻阻值微小,可以达到毫欧姆级,实际使用中很难测量精确,更别提温度对于微小电阻测量的干扰,在电阻微小的情况下,测量时间稍长就难以排除温度干扰。设备长时间的运行都会导致发热,这时测量得到的电阻阻值会偏大,这在实际应用中很容易造成较大误差,从而影响测量成果。故电阻测量的快速性,准确性一直都是电子测量中的重要课题。电阻测量仪自凯尔文电桥发现以来已经进入高速发展阶段,凯尔文电桥属于直流平衡双臂电桥,在测量较低电阻时常用。在电气工程中,测量金属的电导率、测量各种线圈导线的阻值都属于低电阻测量的范畴。在低电阻的测量中,接线电阻和接触电阻会对测量结果造成不小的误差,而凯尔文电桥就能够解决这些问题。实际应用中单纯电阻的测量选用也是常见的问题,由此可见,设计可靠、安全、便捷的电阻测量仪器具有极大的必要性。借助单片机实现电阻测量,不仅在设备体积上有所改进,还能获得许多的辅助功能如自动量程切换、自动记录数据以及测量结果简单分析,并且能够通过电脑接口实现数据传送。
二、设计的基本内容及目标
在本设计中我们希望通过单片机实现自动量程切换功能,在硬件上我们选择了继电器,设计响应的比较电路,在一定条件下自动接通继电器,实现量程切换。同时电阻筛选也是一项实际生活中十分实用的功能,在设计中可以加入键盘,按键可以用来设定需求的电阻范围,能够用来筛选电阻,若测得的电阻不在设定范围中,则给出信号并且报警,这一功能可以采用接入软键盘,蜂鸣器来实现,最后是显示屏,显示屏是人机交互的关键,若设计的电路有合适的显示屏并且能显示相关信息,在使用中能带来很大的便利。
第2章 系统方案设计
2.1功能分析
本设计基本功能为电阻测量,附加功能为液晶显示以及档位切换。
根据使用场合分析,由于设计要求测量仪为简易测量仪,设计时需要考虑电路的简洁性,在满足系统功能要求的前提下尽可能简化电路,以满足实物简易便携的条件,如此才能够适用在更多场合。
要求系统自动将测量得到的电阻进行档位适应调节,因此需要设计相应的档位自动切换电路。目前市场上的电阻测量仪器大多采用手动切换档位。系统的液晶显示需要达到一定的要求。
综上所述系统设计功能为:
- 测量电阻;
- 显示测量结果;
- 自动切换电阻档位;
- 硬件要求尽可能简化;
2.2测量原理
方案一 采用555定时器构成多谐震荡电路,在该电路中电阻的测量原理为通过对电路的脉冲进行计数,计算振荡电路的输出频率f,再计算出被测电阻阻值大小,这个过程中我们并不是直接测量电阻的阻值,而是经过转换将电阻阻值转换成程序易于处理的数字量频率信号,因此能够对计算过程进行一定的简化。电子元件的阻值经过转换后用程序处理运算,最后经过单片机处理交给屏幕显示。简单的多谐震荡电路由RC震荡电路和LM555多谐振荡器构成。将电阻参数转化为频率后,测量精度会得到一定的提升,并且相较于市场上已有的测量仪器,这样的仪表更容易实现智能化,这一方案对于设计要求各方面都能较好的实现。但是该电路只可以测量一定范围内的电阻,达不到题目要求,故放弃此方案。
方案二 用两个运放构建闭环负反馈来测量电阻:

图1 电阻测量的闭环负反馈方法原理框图
系统由被测电阻Rx,反馈电阻R
,运算放大器,模数转换器,数模转换器,单片机组成。被测电阻Rx的端电压V
数模转换器控制,能够由单片机进行调节,必要时可以在D/A转换器后加一个电压跟随器以扩大带负载能力。被测电阻可由下式求得:
(1)
式中 V
—D/A转换器(数控可调恒压源)的输出
V
—放大器的输出(A/D转换器的输入)
式(1)可以改写成
(2)
很显然,由于单片机的精度要求,我们要将上式中V
给予限制,等式右边的R
为定值电阻,所以在R
固定的情况下,等式右侧Vi与Rx的比值
必然被限制在某一范围内,基于V
的限制要求,V
必然是要与被测电阻同步变化的。为了保证Vi与Rx的比值在一定范围内,V
应跟随被测电阻Rx大小相应变化,此处被测电阻Rx是我们的目标测量值,不能用作计算,所以V
的确定就不能够通过式(2)来进行,最直观的想法就是使得V
从小到大逐步加1,直到使得V
到达测量范围为止,但是由于此方法引入了误差,故放弃。
方案三 此方案采用比例电压测量法,其简单原理电路见下图。
图2 电阻测量原理
电路中流过数字表的电流可以忽略不计(因为数字表头的输入阻抗近似于无限),因此我们可以将电路理想化,即假设该电路中仅有一条通路即电源通过两个电阻到地这一通路,这样的话,流过标准电阻
和被测电阻
的电流就是相等的。
所以A/D转换器的参考电压
和输入电压
如下关系:

即:

根据所用A/D转换器的特性可知,数字表显示的是
与
的比值,也即是
与
的比值。因此这称为比例读数特性。所以我们就能通过选取阻值不同的标准电阻
来得到不同的电阻测量挡,从而设定出需要的档位。
该电路中采用单片机控制继电器来实现量程的自动转换。
2.3核心控制芯片
此次设计的题目是简易电阻测量仪,基于题目要求以及目前所学内容,有以下几种芯片考虑使用:
[方案一:STC89C52]
STC89C52单片机贯彻我们自动化专业学习始终的一种单片机,它是STC公司生产的一种低功耗、高性能CMOS8位微控制器,是一种运用很广泛的8 Bits MCU,易于操作,价格便宜。相较于传统的51单片机,STC89C52具有更高的性能,同样是使用MCS-51内核,STC公司对STC89C52进行了不小的改进,在单片上增加了可编程Flash,使得STC89C52的使用更加灵活。
单片机总控制电路如下图3:
以上是毕业论文大纲或资料介绍,该课题完整毕业论文、开题报告、任务书、程序设计、图纸设计等资料请添加微信获取,微信号:bysjorg。
相关图片展示:









