基于PLC和模糊控制的恒压供水控制系统设计毕业论文
2020-04-15 21:21:10
摘 要
随着社会的进步和城市楼房的越来越高,而这些高楼也随着而来带来很多的困难。对于在用水高峰期的时候在楼层比较高的地方就会出现供水压力不足的情况,这个时候就需要出现恒压供水系统,但是传统的恒压供水系统无法很好的满足用户的需求,所以本系统打算使用模糊控制来更好的去满足用户的需求。
本次课题需要运用西门子S7-1200对模糊控制器来辅助设计,本课题将采用模糊控制器来控制水泵来达到恒压的目的。模糊控制器相比传统的PID更能满足供水系统中出现的一些问题。
关键词:S7-1200 模糊PID控制器 恒压供水
Design of constant pressure water supply system
based on PLC and fuzzy control
Abstract
With the progress of the society, the buildings in cities, which are getting higher and higher, bring a lot of difficulties on water supply. During the peak water consumption period, there will be insufficient pressure of supply water in the higher floors, and the constant pressure water supply system is needed at this time. But the traditional constant pressure water supply system can not meet the needs of users. So this system intends to use fuzzy control to meet the needs of users better. This project needs to use Siemens s7-1200 fuzzy controller to assist the design. This project will use fuzzy controller to control the water pump to achieve the goal of constant pressure. Compared with traditional PID, fuzzy controller can better deal with some problems in water supply system.
Keywords:S7-1200 PLC;Fuzzy PID controller;Constant pressure water supply
目录
摘要 I
Abstract II
第 1 章 绪论 1
1.1变频恒压供水系统研究的背景和意义 1
1.2恒压供水系统中变频调速技术的发展 2
1.3 恒压供水系统中 PLC 技术概述 3
1.3.1 PLC 简介 3
1.3.2 PLC 的主要特点 4
1.4 本文主要的研究内容 4
第 2 章 恒压供水系统总体方案 5
2.1 恒压供水系统要求 5
2.2 恒压供水系统的结构组成 5
2.3 恒压供水系统工作原理 6
2.3.1 恒压供水系统控制分析 6
2.3.2 恒压供水系统总体框图 7
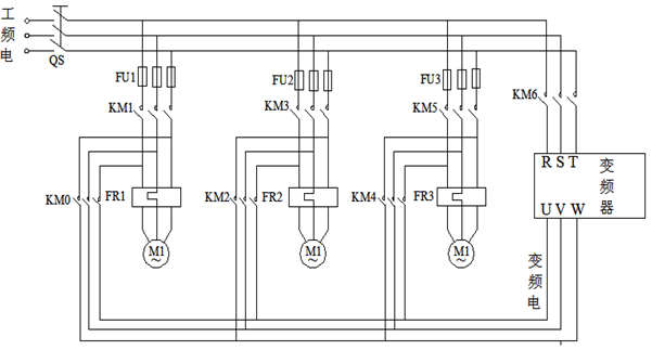
2.3.3主电路接线图 8
第 3 章 恒压供水系统的硬件选型 9
3.1 可编程控制器 9
3.1.1简介PLC 9
3.1.2 PLC的特点 9
3.1.3 PLC的工作过程 10
3.1.4 PLC的选型 10
3.2 变频器 11
3.2.1变频器的构成 11
3.2.2 变频器的选型 12
第 4 章 模糊 PID 控制器的研究 13
4.1 模糊控制简介 13
4.1.1 模糊控制系统理论的起源与发展 13
4.1.2 模糊控制系统的特点 13
4.2.2 隶属函数的确立方法及常用函数 14
4.3 模糊控制算法的PLC实现 15
4.3.1模糊控制系统结构 15
4.3.2查询表的建立 16
4.3.3关键步骤梯形图程序设计 16
第 5 章 恒压供水系统的 MATLAB 仿真 20
5.1 MATLAB 软件和 Simulink 概述 20
5.1.1 MATLAB 软件简介 20
5.1.2 Simulink 简介 20
5.2 恒压供水系统的仿真研究 21
5.2.1供水系统的特性分析 21
5.2.2供水系统的数学模型 21
第6章 MATLAB与PLC通讯 24
6.1 OPC技术 24
6.2 S7OPCserver软件 24
6.3 连接步骤 24
第7章 监控系统设计 27
7.1 MCGS组态软件 27
7.1.1 MCGS组态软件的整体结构 27
7.1.2 MCGS工程的五大部分 28
7.2 建立界面 28
7.2.1 建立窗口 28
7.2.2定义数据对象 29
7.3 编辑界面 30
7.3.1编辑画面 30
7.3.2 对象元件的选择 30
7.3.3变频恒压供水系统演示工程 31
第 8章 总结与展望 32
8.1 总结 32
8.2 自动化技术发展及展望 32
参考文献 34
致 谢 37
第 1 章 绪论
1.1变频恒压供水系统研究的背景和意义
随着中国经济不断飞速发展,各个地方对资源的需求量也越来越多。与此同时对资源的浪费也是非常的严重,为了符合国家的可持续发展战略,杜绝浪费资源的现象必须要拼尽全力。电力能源是当前国家发展的必要保证,也是广大人名群众过上美好生活的前提条件,但是随着人民生活水平的提升,各种电气设备不断出现和进入家庭,这对本就不足的电力能源是一个特别大的挑战。除了电力不足这个问题之外,水资源的缺少也给人们带来困扰,所以节约电能和水资源有重大的意义。和欧美国家相比,我国的自动化程度偏低,在高层建筑用水、消防用水等方面落后。
供水系统中水泵的耗电量占企业的总耗电量有很大的比重,比重占得特别大对产业结构的调整带来很大影响,所以对供水系统的改造很有必要。现在所用的供水系统存在着水资源利用不合理的现象,就是用水量大的时候水压偏低,用水量小的时候水压偏高,给生活和生产带来很多不利的影响。为了减少电力能源的浪费和提高对水资源的充分利用,对变频恒压供水的研究就很有必要。传统的供水系统有很多特点,也存在不同的缺点。恒速泵是为了保证供水量,大部分能源都是用在满负荷的工频运作,造成大量水资源的浪费,容易使电机损坏,并且电机的能耗会非常大,效率却不高。这种供水系统需要手动操作来控制水泵的数量,来改变控制供水的压力的大小,如果水压过大的时间过长的话,当用户用水量少的时候管网的会容易出现爆管和产生水锤的事故,现在已经被淘汰了。水塔供水的方式是通过水自身重量来进行供水的,利用水泵先将水抽到水塔里,然后通过高度来将它转换成水压来给用户供水,由于水塔自身条件限制,在用户用水高峰期的时候无法满足这么多用户的需求。最为主要的是水塔供水主要存在的缺点就是二次污染、对占地面积有需求、投入的资金也是特别多的,给城市的带来很大影响。气压罐供水的方式对高度没有要求、体积还小、容易移动和改造等优点,能减弱大部分供水方式的缺点,而且还有一定的自动控制的能力,不存在像水塔供水一样的二次污染的问题,使供水更安全。但是这种供水方式调节量非常小需要频繁启动电机,这样对电机的要求非常高,电机的维护很平凡而且费用也高,这种供水方式也存在压差大和效率低的缺点。
传统的供水方式存在的耗电量大、浪费水资源、稳定性不好等一系列问题,已经无法满足当前高速发展的工业自动化,而且这些不足无法让这些供水方式发展,也无法满足现在用户的需求,必将被新的技术所代替。所以利用更为优良的技术来设计能符合大多数状况的恒压供水方式是刻不容缓的,更好的利用率和更低的能源耗损是未来技术的重要条件。随着自动控制技术、智能控制技术和电力电子技术的快速发展,变频调速技术日趋成熟能满足大部分生产工艺的控制需求 ,交流变频调速成为了减少能源消耗、更好的利用电机、提升工作效率的方式之一。与改变电机的自身的电阻、定子、绕组极对数等调速方法比,变频调速就有转化率高、维护方便、容易激活等优点。变频调速技术使用的领域比较大,尤其是在恒压供水中对电能和水资源的节约效果非常不错。可以实现水泵电机的无差别的调速,因为变频调速具有很好的转化率,还减少了设备的消耗和吵闹的声音,同时还提高了供水的水质质量。变频恒压供水系统要求水泵的变频的快慢要和管网的水压的改变要保持一致,使用西门子s7-1200来实现远程的变速控制。
1.2恒压供水系统中变频调速技术的发展
变频调速技术从20 世纪 20年代到现在就已经受到了大部分所了解,有一点该技术遭受了某些因素的限制,所以限制其在该领域的提升进步,到了70年代与电相关的半导体快速发展起来,并且在很大范围在调速领域里面使用,这为变频器的出现打造出很有利的条件。到了90年代,又有了新的电力半导体的技术出现,变频调速技术的到了突飞猛进的提升。许多国外企业生产了不同级别的变频器,发展速度也非常快。变频调速技术有一个非常长得周期提升,随着计算机通信技术、自动控制理论、电力电子技术和电机控制技术等的不断发展[1].,变频调速技术也日趋成熟,各种功能在变频器上得到充分的体现,变频器现在主流的工作方式有两种方式,分别是交流到交流和交流到直流再到交流变频器。交流到交流变频器具有很大的经济优势,但是其较为复杂的算法限制了它的应用范围,其在轧机、风机和矿井提升机等场合具有一定的市场。
以上是毕业论文大纲或资料介绍,该课题完整毕业论文、开题报告、任务书、程序设计、图纸设计等资料请添加微信获取,微信号:bysjorg。
相关图片展示:









