超声波液位监控系统设计与实物仿真毕业论文
2020-04-15 20:29:47
摘 要
本文是在单片机的基础上利用超声波传感器进行液位控制。设计搭建硬件电路,并在软件上进行程序编译。进行实物仿真,实现对于液位的实时监控管理以及相应功能。
论文开篇介绍了工业生产在液位测量方面的发展和本文研究方向的切入。之后介绍了对于超声波测量的可行性以及超声波传感器的原理特性。再根据要求设计了硬件电路,以及相应程序编写实现控制功能。
本课题采用STM32系列单片机作为液位监控系统的处理芯片,通过超声波传感器实现水箱液位的检测,控制相应电机的转速大小以及正反转,从而模拟水位的升高或降低的速率,并实时显示液位高度,同时显示时间。系统具有报警提醒功能,当水箱水位超过或者低于设定值时,系统报警提示。通过按键或遥控器可以调节水位上下限和校准时间,若水位高于或低于限制水位,系统自动触发电机阀门动作,调节水位。
关键词 超声波 液位测量 单片机 电机控制
Design and Physical Simulation of Ultrasonic Liquid Level Monitoring System
Abstrct
In this paper, the liquid level is controlled by ultrasonic sensor on the basis of single chip computer. The hardware circuit is designed and built, and the program is compiled on the software. Real-time monitoring and management of liquid level and corresponding functions are realized by physical simulation.
At the beginning of this paper, the development of industrial production in liquid level measurement and the direction of this research are introduced. Then the feasibility of ultrasonic measurement and the principle characteristics of ultrasonic sensor are introduced. Then the hardware circuit is designed according to the requirements, and the corresponding program is written to realize the control function.
In this paper, STM32 series single-chip computer is used as the processing chip of the liquid level monitoring system. Through the ultrasonic sensor, the liquid level of the water tank can be detected, and the speed of the corresponding motor can be controlled, so as to simulate the rising or decreasing speed of the water level, and display the liquid level height and time in real time. The system has alarm function. When the water level of the water tank exceeds or falls below the set value, the system alarms. The upper and lower limit of water level and calibration time can be adjusted by keys or remote control. If the water level is higher or lower than the limited water level, the system automatically triggers the action of motor valve to regulate the water level.
Keywords:Ultrasonic. Level measurement. Micro controller unit. Motor Control
目 录
摘要 I
Abstrct II
第一章 绪论 1
1.1研究背景与意义 1
1.2目前国内外发展形式 1
1.3本文的研究目的和内容 2
第二章 超声波测距的原理与装置 4
2.1超声波的测距原理 4
2.2超声波换能器原理 5
2.3探头的选择与盲区问题 5
2.3.1探头的选择 5
2.3.2盲区问题 6
2.4本章小结 6
第三章 系统硬件设计 7
3.1液位控制装置系统结构 7
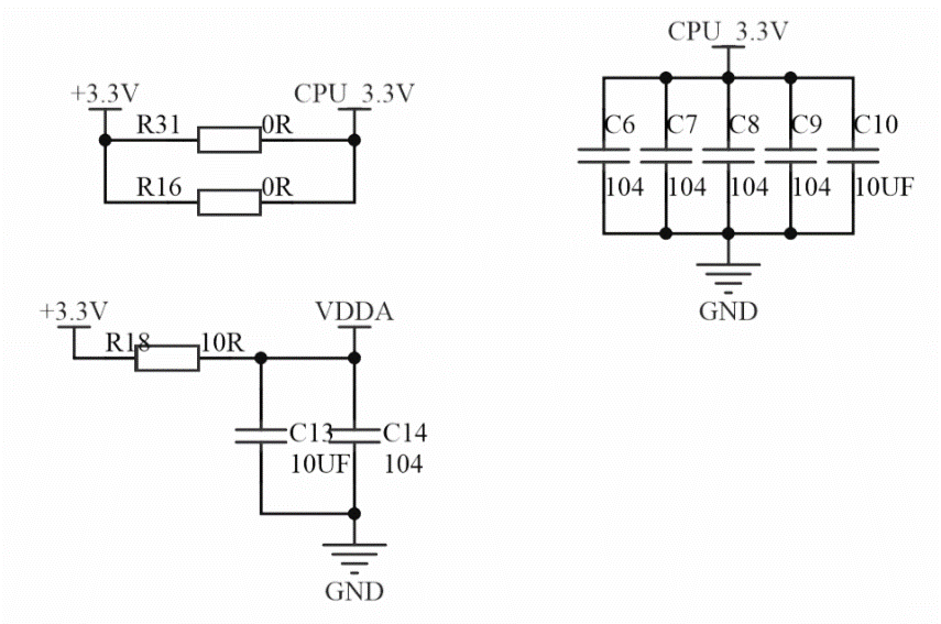
3.2主控芯片STM32F103及其电路 7
3.2.1芯片的引脚图 8
3.2.2上电复位电路 9
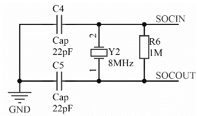
3.2.3时钟电路 9
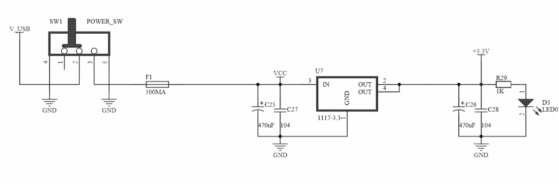
3.2.4电源电路 10
3.3超声波模块HC-SR04 10
3.4LCD液晶显示模块 12
3.5红外遥控模块 13
3.6电机与驱动模块 14
第四章 系统软件设计与调试 17
4.1嵌入式开发环境 17
4.2软件运转思路和流程图 17
4.2.1显示程序设计 18
4.2.2超声波程序设计 21
4.2.3PID与电机程序设计 22
4.3本章小结 24
第五章 控制结果与误差分析 25
5.1液位控制实物图 25
5.1.1时间调整测试 26
5.1.2液位上下限调整测试 28
5.1.3液位采集测试 29
5.1.4警报灯测试 30
5.1.5电机状态显示测试 31
5.2控制结果误差分析 32
5.3本章小结 33
第六章 收获和启发 34
6.1收获 34
6.2启发 34
参考文献 35
致谢 37
第一章 绪论
1.1研究背景与意义
自1978年后,我们国家的经济水平一直处于加速追赶的状态,其中在工业生产更是一跃成为世界前列。经济的发展需要对石油化工品的消耗。而储油的液位就是十分重要的参数。现在我们很多传统的油罐液位的计量还都按照国家技术监督局20世纪92年代早前实施的JJG1014-89罐内液体产品的相关技术规范,但是此规范方法早已落后,已经适应不了现代高精度计量单位产品的发展[1]。现在工业现场,液位的测量与控制无处不在。量程有的是几毫米,大量程的也有几十米的。测量精度也是要求越来越高。液位计的使用场合也是有要求的,对于腐蚀性强的液体环境使用超声波非接触测量就可以避免传感器本身遭受腐蚀造成测量失准的情况。所以对于不同的测量环境,采用不同的测量手段也是十分重要的。
所以研究出一款使用方便,测量精准,价格便宜的非接触测量液位控制产品是发展的必然结果。不仅在于工业生产方面,对于家庭生活也是有很大的使用价值。
1.2目前国内外发展形式
液位对于工业生产十分重要,对于液位的精确测量是早就有所探索的。但是随着对于液位的控制要求变高,能满足使用的智能产品却很少,还存在价格偏高的缺点。早期的国外液位仪表多采用机械原理,随着电子技术、测量技术的发展,发展了许多新的测量原理,液位计在结构上、功能上都有了很大的提高[2]。当今社会在液位控制方向倾注了极高的关注,科研经费所占比例增高,提供了许多高校学生良好的学习于研究环境。使得我国对于液位的测量不论是精度和范围还有控制的稳定性都在与国外慢慢缩小差距。加速了后面国家的工业发展。
以上是毕业论文大纲或资料介绍,该课题完整毕业论文、开题报告、任务书、程序设计、图纸设计等资料请添加微信获取,微信号:bysjorg。
相关图片展示:









