基于安卓手机的虚拟示波器设计毕业论文
2020-02-19 07:56:02
摘 要
当今社会,电子信息科学技术不断地向前发展,使得越来越多的普通人有了对电子进行设计的乐趣。而在这一乐趣实现的过程中,需要用到各种各样的仪器仪表,当然应用的最广泛的是万用表,在这其次的就是示波器了。然而对于一般的普通民众,那不一般的价格以及庞大的体积让很多人都望而生畏,因此放弃去使用它。这次的设计也正是因为这种现象,打算设计一种携带方便、随时可用的虚拟示波器。
本设计基于安卓智能手机、J-Link仿真器和蓝牙芯片,用java编制了安卓手机APP,制作成为示波器软件系统,设计了一款虚拟示波器。数据采集端用成都亿佰特电子科技有限公司出品的蓝牙芯片为主控芯片,通过蓝牙芯片把采集到的数据经过蓝牙通信模块的一系列转换传输功能,最终运送到手机APP当中。手机APP把接收到的数据经过加工和分析,并进行一系列的处理后,利用SurfaceView这一组件使得可以通过观察波形来反映出得到的数据,从而示波器的功能得以实现。
关键词:手机APP;示波器;蓝牙通信模块;J-Link仿真器
Abstract
In today's society, electronic information science and technology developing continuously, make more and more people have the pleasure of electronic design in this fun in the process of implementation, need to use all kinds of instruments and meters, multimeter is the most widely application, of course, the second is the oscilloscope for general ordinary people, however, the price of that unusual and huge volume a lot of people are terrified, so give up to use it also just because of this kind of phenomenon, the design plan to design a portable virtual oscilloscope is available at any time.
This design is based on android smart phone, j-link emulator and bluetooth chip, USES Java to compile android mobile phone APP, makes it into oscilloscope software system, and designs a virtual oscilloscope. The data acquisition terminal USES the bluetooth chip produced by chengdu yibaite electronic technology co., ltd. as the main control chip, through which the collected data are transferred to the mobile phone APP through a series of conversion and transmission functions of the bluetooth communication module. The mobile APP processes and analyzes the received data, and carries out a series of processing, and then USES the component of SurfaceView to reflect the obtained data by observing the waveform, so as to realize the function of oscilloscope.
Key Words: mobile APP; The oscilloscope. Bluetooth communication module; J - Link simulator
目 录
第1章 绪论 1
1.1设计的目的、背景及意义 1
1.2 国内外研究现状 2
1.3设计的主要内容 2
第2章 系统结构设计及相关技术简介 4
2.1示波器的系统结构 4
2.1.1示波器的系统结构框图 4
2.1.2示波器的系统结构说明 4
2.2 Android平台简介 5
2.3 蓝牙技术 6
第3章 设计数据采集模块 7
3.1 数据采集模块的结构框图 7
3.2 设计信号调理电路 7
3.2.1信号调理电路设计实现 7
3.3 蓝牙通讯系统设计 11
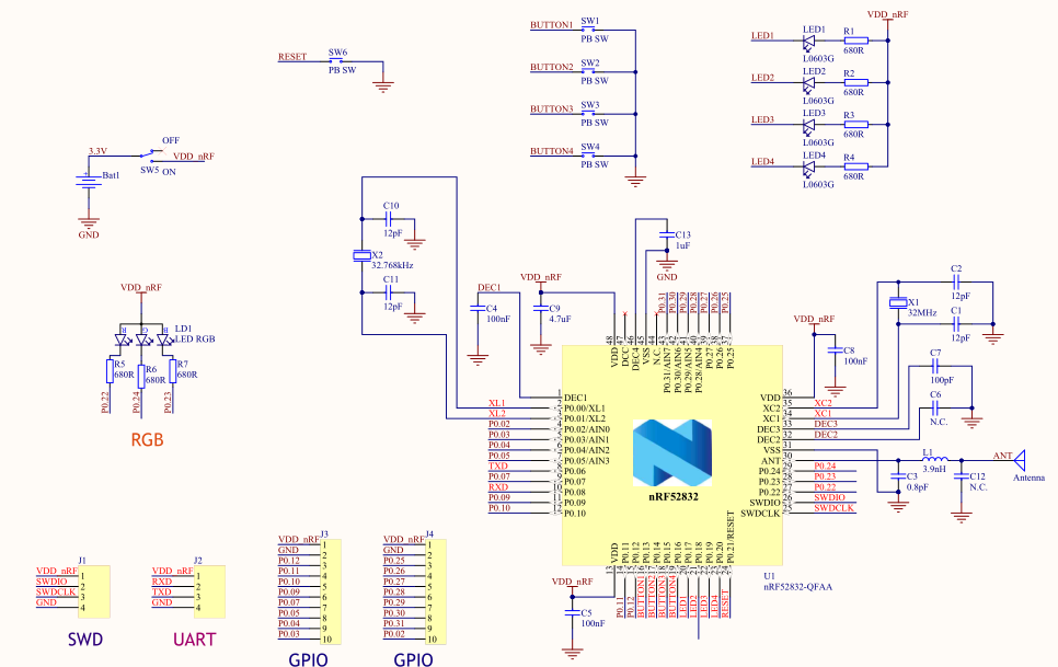
3.3.1 nRF52832简介 11
3.3.2 蓝牙芯片硬件电路 12
3.3.3 蓝牙通讯系统程序 12
3.4 J-Link仿真器 14
第4章 安卓手机示波器APP 15
4.1 Android Studio 介绍 15
4.2 APP的框架设计 15
4.3 控制文件 16
4.4 界面布局文件 16
4.5 Java程序 18
4.5.1 查找BLE设备和服务 21
4.5.2 绘制波形程序 22
第5章 虚拟示波器实现 24
5.1数据采集模块 24
5.1.1 蓝牙芯片 24
5.1.2 蓝牙通信模块 25
5.2 APP运行检验 26
5.2.1 APP运行环境 26
5.2.2 检验 26
5.3 分析和小结 28
第6章 总结与展望 29
6.1 总结 29
6.2 展望 29
参考文献 30
致谢 31
第1章 绪论
1.1设计的目的、背景及意义
伴随着科学技术的稳定快速的发展,测量仪器已经俨然变成了各种生产活动中的不可或缺的重要使用装置。示波器作为其中地位很高运用广泛的测量工具,在电子信息通信领域已经发展得非常成熟,目前我们经常使用的示波器,包括了模拟示波器还是数字式示波器,无论这两者哪一种示波器,都已经进步到了具备各种功能,而且性能十分优良。然而随着示波器的功能越来越强大,所带来的弊端也就越来越明显,那就是高昂的价格和庞大的体积。
随着教育的高度越来越高,广度也越来越广,年轻的一代人中已经广泛普及了电子设计以及其相关联的知识,这一举措使得越来越多的人喜欢上了电子设计。然而人们在利用相关知识进行设计的时候,必然要用到各式各样的仪器仪表,这时候往往示波器就会发挥它的功能。但是示波器那十分高的价格经常让这些普通人们难以承受,以至于放弃这一追求。并且各个行业中也开始运用到了这些电子技术,示波器也从始至终的贯穿于这些行业使用电子技术的全过程中。也正是因为这些原因,示波器的应用场合从实验室中发展到了各种室外工作现场甚至是人烟稀少的地方,然而那些传统的专业示波器的体积十分庞大,携带十分的不方便,因此很大程度上阻碍了示波器在这一环境中的使用。大多数的时间大家使用示波器的时候只是简单的利用它来进行波形的测试,很少会用到它的更高级的各种功能,所以那些功能强大的专业示波器在这种情况下使用时就变得十分浪费技术资源。所以设计一种价格低、方便携带、使用十分简单的示波器就变得更为重要。
基于以上的原因,许多公司开始设计研究一种价格低、方便携带、使用简单的示波器。1980年左右,虚拟仪器(Virtual Instrument)的概念由美国的NI (National Instruments)公司顺利提出,这一概念的提出使得测量仪器的发展进入了一个崭新的时代,它成功的在测量仪器的领域中运用了计算机技术,顺利的把计算机软件技术和测量技术这两者成功地运用到了一起。这一技术具体的实现方法就是将数据采集卡收集到的前端的数据传输到电脑上,通过运用Labview这一软件的编程语言将数据图像化,并且将其进行加工和处理,最后把结果通过波形的形式直观的展现出来。但是,这一功能的顺利实现也需要用电脑或者工作站来运行,这一举措虽然节约了成本,但是并没有解决方便携带的这一重要问题。
最近几年,智能手机已经变成了人们生活的一部分,几乎各个方面都已经离不开手机的使用,手机的强大无与伦比的功能和它的携带便捷让人们已经爱不释手,现在基本上人手一部智能手机。这其中的Andriod机凭借它的平台优势和界面的美观,迅速的席卷了智能手机市场,成为了智能手机中的佼佼者。假如我们可以设计一款手机APP,让它可以和前端的数据采集器相互联系,相互配合。利用这个APP让示波器的功能在手机上成功的实现,这样就能解决示波器运用的各种问题,并且使示波器可以更加广泛的被人们所熟知和利用。
这一次的设计就是为了实现以上这一目的,想要设计一种利用蓝牙通信模块和Android手机来实现的价格低、方便携带、使用十分简单的示波器。如果设计成功的话,人们只需要买一个数据采集器,把它结合手机就相当于买了一台价格昂贵的示波器。这种方法既解决了价格方面问题,又可以让它变得方便携带,这样的示波器必然可以为人们所接受和喜欢。
1.2 国内外研究现状
伴随着科学技术的稳定快速的发展,测量仪器已经俨然变成了各种生产活动中的不可或缺的重要使用装置。示波器作为其中地位很高运用广泛的测量工具,在电子信息通信领域已经发展得非常成熟。最早是由美国国家仪器(NI)公司提出了虚拟示波器这一概念,他们公司推出的Labview软件,到现在已经30多年了。这一软件编程语言使得结果以图形的形式展现,具有十分直观和方便实用的这一优势。而且经过了30多年的发展,它的功能已经十分的健全和完善,在虚拟仪器市场中时至今日仍然具有十分重要的席位。除了这家公司以外,HP(惠普)公司、Tektronix(泰克)公司和HEM Data 公司也都十分的有名,他们推出的虚拟仪器软件开发平台也有他们自己得天独厚的优势。
由于国内在这一方面的起步比较晚,所以一开始要虚心的向外国学习和了解,然后根据具体的实际运用把存在的问题不断改进和进步。现在国内的产品大部分都是运用了将数据采集的硬件和数据处理与波形显示的PC端软件通过USB口相结合的方式。
然而利用PC端来实现的虚拟示波器还没有解决方便携带的这一重要难题。如果可以把后续的对数据进行处理和显示利用智能手机来代替,那必然可以从根本上解决携带这一难题。现在的各种网络或者论坛上已经出现了很多对基于Android手机的虚拟示波器的讨论和想法,但是大体上的功能都十分简单,也没有很好地性能。随着手机的各种功能越来越多,性能越来越好,把Android手机与示波器完美的运用到一起,肯定会有很美好的未来发展。
1.3设计的主要内容
基于蓝牙通信模块和Android手机来设计一款虚拟示波器系统是这次设计的主要内容,为了顺利地完成这一次设计,将整体分成两个部分,一是基于蓝牙芯片的数据采集模块的软硬件设计,二是Android平台的软件设计。数据采集模块主要的目的是为了实现数据采集和发送,完成示波器的数据来源,主要内容是对硬件电路的设计和对蓝牙芯片程序设计;Android软件主要是把从前端接收到的数据进行分析和处理,然后通过波形把得到的结果顺利呈现在手机上。
(一)前端模块的设计内容为:
1、设计信号调理电路和保护电路,把得到的信号进行调节,使其控制在一个合适的范围,同时通过保护电路来保护芯片,防止电压过大。
2、蓝牙芯片与智能手机采用蓝牙5.0ble串口通信来实现无线通信,实现蓝牙通信模块和Android手机相互连接。
3、通过程序的编写实现蓝牙芯片的A/D转换,然后把得到的数据通过蓝牙通信发送到Android手机。
(二)Android 软件的设计内容为:
1、通过编写程序来实现蓝牙通信,实现各种所需要的功能。
2、对APP运行的界面进行一定程度的设计
3、编写显示波形的程序,把获取到的数据显示成波形,直观的呈现出来。
4、编写波形调整的程序,使在观察过程中可以对波形进行横向和纵向放大或者缩小。
第2章 系统结构设计及相关技术简介
2.1示波器的系统结构
2.1.1示波器的系统结构框图
这次毕设采用的虚拟示波器,主要由前端数据采集模块和Android手机APP相互连接来实现,数据采集模块和Android手机之间利用蓝牙通讯模块来实现无线通讯的这一功能。其结构原理框图如图2.1所示。

图2.1 示波器的系统结构框图
2.1.2示波器的系统结构说明
信号调理电路和蓝牙通信模块共同构成了数据采集模块。信号调理电路通过调理,将输入信号进行调节到一定的范围之内,这样可以使A/D转换器顺利实现功能。蓝牙芯片把采集到数据储存起来以后从蓝牙模块通过串口进行发送指令。Android手机的蓝牙通过蓝牙通讯成功的与蓝牙模块相匹配,从而获取到之前所收集到的数据。APP软件利用所编写的程序来读取数据,通过分析和加工,数据可以以波形的形式呈现给用户。人们可以通过APP的功能来对波形进行横向和纵向放大或者缩小。
示波器软件主要是由四个方面组成,即实现蓝牙功能的程序、对数据分析和处理的程序、显示波形的程序和人机交互的功能。实现蓝牙功能的程序可以实现发现周围的蓝牙设备并使两者成功配对,然后把两者之间的数据进行相互交换。对数据分析和处理的程序的功能是把从蓝牙接收到的数据进行处理和分析。显示波形的程序是通过程序的编写把得到的数据以波形的形式呈现出来。人机交互的功能是用来让人们可以对这个软件进行操作。这四个部分各自完成自己的功能,从而一起实现示波器的软件功能。
2.2 Android平台简介
Android是一款手机操作系统,它是基于Linux平台所实现的。它是由美国Google(谷歌)公司在2007年发布的。一家名叫“Android”的公司对Android进行了最初的开发和设计, Google在2005年顺利收购了“Android”公司,并且让“Android”公司的创始人Andy Rubin继续担任Android系统这方面的主要负责人。第一款Android手机在2008年成功问世,从那以后仅仅只用了三年,Android手机在2011年第一季度的全球的市场份额就达到52.5%。由于其开源和免费的优势,Android系统平台的市场占有率在接下来的几年一直不断地向上攀升。根据IDC发布的最新的报告显示,Android系统预计于2019年就可顺利把全球82.6%的移动市场份额据为己有。
Android系统软件一共有四层,从下到上依次是应用程序、应用程序框架、库和Android运行环境和操作系统层。图2.2是它的组件结构。
操作系统层是Android系统的最底层,它是通过利用Linux操作系统来实现功能,C/C 语言是它的主要编写语言。追本溯源,Android系统也就等同于Linux系统,不同的是Android系统把已有的机制进行了充分的利用,并且对其进行各种必要的展开。Linux的内核贯穿于Android的各种核心的服务之间,它的主要功能是为了实现把Android系统和硬件设备成功的相互连接起来。
中间层由两个部分所组成:系统运行库、Android运行环境。系统运行库的作用主要是在程序运行的时候给其提供库是,运行环境则是指的Android虚拟技术:Dalvik虚拟机。之所以称作Dalvik虚拟机,是相对于运行于桌面系统和服务器系统的那种虚拟机,它的优势在于只需要很少的内存空间并且对于CPU所具有的计算速度没有那么高的要求,所以对于移动终端来说,它是最好的选择。

图2.2 Android操作系统组件结构图
2.3 蓝牙技术
蓝牙( Bluetooth )指的是一种无线技术的标准,利用这种技术可以顺利的实现在短距离之间进行数据交换。爱立信公司于1994年创作并开发了蓝牙这一项技术,开发它的目的是想要将它作为一种替代方案。它可以和很多设备相匹配连接,从而顺利解决了数据不能同步的这一问题。
蓝牙5.0则是一种全新的标准,在2016年蓝牙技术联盟首次提出了蓝牙5.0这一标准。蓝牙5.0与wifi相互结合从而对室内位置进行辅助定位,传输的速度得到进一步提高,有效的增加了工作距离。
第3章 设计数据采集模块
3.1 数据采集模块的结构框图
数据采集模块的主要功能是为了对输入的信号经过一系列的处理之后通过A/D转换器把采集到的输入信号变换成数字量的形式,然后把采集到的数字量通过蓝牙通信模块与智能手机相连接,把这个数字量发送到Android手机进行操作。图3.1就是它大体的结构框图。

图3.1 数据采集模块结构框图
3.2 设计信号调理电路
3.2.1信号调理电路设计实现
在被测信号还没有确定的情况下,它是电压还是电流信号还犹未可知,并且被测信号也分大小和正负。如果信号变化的已经大到超过了A/D转换器所能承受的最大输入电压,那么所使用的芯片将会被烧毁;反之如果信号的变化过小,则会使所收集的数据没有精确度,从而导致所测与实际有很大的误差,最终则会导致波形的不完整,不符合实际。而且A/D转换器也有它自己的使用要求,它只能对正电压进行A/D转换,负电压则不行,所以我们必须保证输入的信号所产生的电压必须是正电压,这样才能使A/D转换功能顺利进行。所以因为这些种种的原因,我们则必须提前对被测量的信号进行处理,才能使整个过程可以顺利的进行,我们把这个提前处理的过程就叫做信号调理。信号调理这一步在整个采集过程中扮演着十分重要的角色,它严重的影响了我们所测信号的精度。只要把信号调理这一步仔细认真的处理和进行,那么数据采集这一过程则会得到极大的保障。
这次所设计的信号调理电路比较简单,主要是运用了运算放大器和电阻相互配合,来实现信号调理的功能。而这其中最重要的就是如何选择运算放大器,这一选择直接影响了信号调理的成败和性能,所以应该仔细挑选,相互比较,分析A/D转换器的要求和需求,只有这样才可以让A/D转换器采集到最好的最完美的信号,从而有利于设计的顺利进行。
经过反复比较,我最终决定选择了LM324运算放大器。
以上是毕业论文大纲或资料介绍,该课题完整毕业论文、开题报告、任务书、程序设计、图纸设计等资料请添加微信获取,微信号:bysjorg。
相关图片展示:









