催化裂化联合装置冷干机负荷控制系统设计与开发毕业论文
2020-07-11 17:58:16
摘 要
催化裂化干气回收乙烯技术可用于从催化裂化干气中提取乙烯资源,为乙烯装置提供原料。在催化裂化系统中包含冷干机设备,电加热器,半产品气压缩机等。虽然现在冷干机机组经过一系列的改造,故障率大大降低,但是冷干机控制冷却剂的负荷还存在以下问题:露点温度控制与设计值偏高,无法脱除更多的重质烷、水分[6]。本次设计的目的是在电气系统中增加冷干机中压缩机负荷控制系统,通过压缩机冷剂量的调节实现露点温度控制的目的。
本文将采用软硬件结合的方式来设计此次控制系统。在硬件方面,本文选择使用西门子PLC200进行设计;软件方面,利用AUTO CAD绘制本次的电气原理图、主电路图、柜面图等,以及使用MCGS绘制组态界面,实现上下位机的通讯。本次系统的算法主要是设计手自动切换的运行策略,由于系统的滞后环节比较大,所以我们使用露点温度—负荷电流为串级系统,在手动运行的时候,以电流的实时值作为衡量标准;在自动运行的时候,用实际露点温度与设定值进行比较来衡量。在确定算法之后,利用step7进行汇编语句,设计温度控制系统。最后,本文将采用MCGS与PLC通讯的方式,实现露点温度的实时监控。
增加冷干机中冷却剂的负荷系统后,提高了操作的可靠性,使冷干机的运行更加稳定可靠,确保了输出气体的品质。
关键词:冷干机 催化裂化 可编程控制器 露点温度
Design and development of load control system for FCC unit's cold dryer
Abstract
The technology of recovering ethylene from FCC dry gas can be used to extract ethylene resources from FCC dry gas and provide raw materials for ethylene plant. The FCC system consists of a cold drying machine, an electric heater, a semi product gas compressor and so on. Although there is a series of retrofit of the cold dryer, the failure rate is greatly reduced, but there are still the following problems: the dew point temperature control and the design value are high, and more heavy alkane and water [6] can not be removed. The purpose of this design is to increase the compressor load control system in the electric system, and to control the dew point temperature by adjusting the refrigerant quantity of the compressor.
This paper will use the combination of hardware and software to design the control system. In hardware, this article chooses to use SIEMENS PLC200 for design; in software, it uses AUTO CAD to draw the electrical schematic diagram, main circuit diagram, cabinet map and so on, and uses MCGS to draw configuration interface to realize the communication between the upper and lower computer. The algorithm of this system is mainly to design the operation strategy of automatic handover of the hand. Because of the large lag link of the system, we use dew point temperature load current as cascade system. In manual operation, the real time value of current is used as the measure standard. When the operation is automatic, the actual dew point temperature and setting are used. Value is compared to measure. After determining the algorithm, we use STEP7 to compile the statement and design the temperature control system. Finally, the real-time monitoring of dew point temperature will be realized by means of communication between MCGS and PLC.
After increasing the coolant load system in the cooling dryer, the reliability of the operation is improved, the operation of the cooling dryer is more stable and reliable, and the quality of the output gas is ensured.
Key words: cold drying machine; catalytic cracking; programmable controller; dew point temperature;
目录
摘要…………………………………………………………………………………I
ABSTRACT………………………………………………………………………II
第一章 绪论..............................................................................................1
1.1 课题背景.......................................................................................................1
1.2 课题研究的主要现状 1
1.3 本文研究内容 3
第二章 工艺过程简介及控制需求 5
2.1 过程简介 5
2.2 需求分析 6
第三章 控制系统设计 8
3.1 总体方案 8
3.1.1 系统架构 8
3.1.2 控制策略 8
3.1.3负荷控制算法 9
3.2 硬件总体设计 10
3.2.1 硬件选型 10
3.2.2 PLC的地址分配 12
3.2.3 PLC的接线形式 16
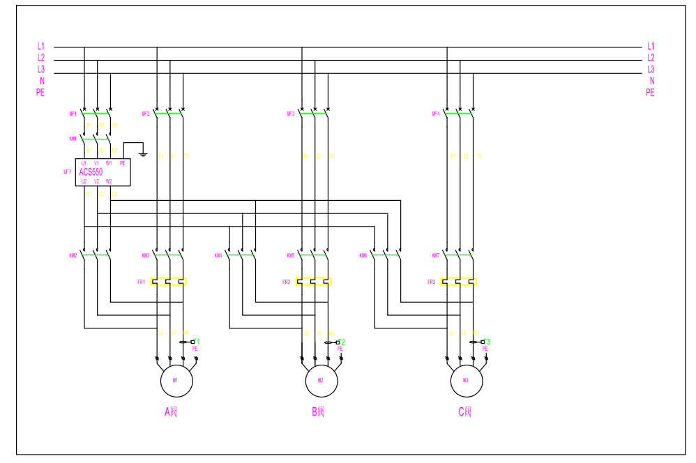
3.2.4 电气图(以A为例) 17
3.3 系统程序设计 19
3.3.1 系统的梯形图(以A阀为例) 19
3.4 本章小结 23
第四章 MCGS组态系统设计 24
4.1 MCGS组态软件 24
4.1.1 MCGS组态软件的主要特点 24
4.2 催化裂化工程及动画设计 24
4.2.1 新建工程 24
4.2.2 催化裂化系统动画演示画面 25
4.2.3 定义数据对象 26
4.2.4 动画链接 26
4.2.5 设备窗口设置 28
第五章 系统检测与调试 29
5.1 检测与调试 29
5.2 本章小结 35
结论 36
参考文献 37
致谢 40
第一章 绪论
1.1.课题背景
2016中国石油消费量为5.8亿吨, 进口比例超过 60%, 重油比重高。因此, 重油有效轻量是充分利用宝贵石油资源的关键。在催化裂化、焦化、加氢裂化和重油加氢等几种主要重油的过程中, 催化裂化工艺仍然十分重要[2]。
在催化裂化工艺中,它的干气来源主要是炼油厂副产品的干气,富含较高的乙烯,具有很好的利用价值。投入生产的催化裂化装置每年加工的质量一般在150 Mt左右[1],一般的工艺流程传唤率都在百分之四左右,干气的产量不小于等于6.0 ,催化生产的乙烯是大小型工厂的主要原料[3]。但对于小型化工厂,他们一般选择将干气作为燃料烧掉使用,造成了严重的资源浪费,如何利用这部分资源成为人们普遍关注的问题[4]。随着石油资源的不断减少,价格开始不断攀升,节约资源成为了刻不容缓的任务,若将合理利用干气生产出来的产物,能够提供巨大的经济效益[5]。
目前, 我国使用的总汽油中催化裂化生产出来的汽油主要占了70% 左右, 突出了催化裂化技术在我国占据着重要的地位。在全球市场中, 催化裂化也是汽油生产的一种设备, 在一些国家, 它是一种重要的柴油生产设备。此外, 催化裂化装置, 同时提供了大量的运输燃料混合组分, 也提供了世界总丙烯生产的32% 左右, 中国总丙烯生产的40% 以上也由催化裂化工艺提供。因此, 在全球范围内, 催化裂化工艺在工艺生产中仍然是最主要的核心技术[6]。
相关图片展示:









