恶意负载控制器及其管理系统设计毕业论文
2020-07-09 20:36:52
摘 要
近年来,学生宿舍安全用电问题一直是学校的一个安全隐患。市场上限制用电负荷容量大多数使用了限电器的方法进行处理,然而这种解决方式在实际应用中的许多不足也显露出来了,例如:对于一些大功率的电器能进行有效的控制但对于一些功率小但是属于违章电器的产品却不能进行有效的控制我们称之为恶性负载,如电烙铁、烫发器,还有最具安全隐患的的电热毯。
本毕设针对上述情况设计了一款对恶意负载实时检测并及时进行通断电操作,使用电流电压互感器去采样测量电路中的电压电流,并输入芯片CS5460A进行分析计算,并让单片机读出芯片数据通过液晶屏显示出来,当增加功率值或者功率因数超过我们的限定范围,则通过继电器实行断电操作,再设置一个恢复时间,自动送电,保证宿舍用电的正常工作。
关键词:单片机 CS5460A 检测 功率因数 恶意负载
Abstract
In recent years, the safe use of electricity in student dormitories has always been a potential safety hazard in schools. The market limits the use of electrical load capacity for most of the use of electrical appliances. However, many deficiencies in the practical application are revealed, for example, for effective control of some high-power electrical appliances, but for some small power but illegal products, they can not be carried out. Effective control, such as electric iron, perm, and the most dangerous electric blanket.
In this case, we designed a real time detection of the malicious load and the power off operation in time. Using the current voltage transformer to sample the voltage and current in the measurement circuit, and input the chip CS5460A to analyze and calculate, and let the chip computer read out the chip data through the LCD screen, when the power value is increased or the value is increased. The power factor exceeds the limits of our limits, then the relay operates the power off, and then sets a recovery time, automatic power supply, to ensure the normal work of the dormitory electricity.
Key words: single chip microcomputer;CS5460A;detection;power factor;malicious load
目录
摘要 I
Abstract II
第一章 绪论 1
1.1 选题的背景和意义 1
1.2课题研究内容 2
第二章 恶意负载控制方案的论证 4
2.1总体设计方案 4
2.1.1整机系统 4
2.1.2整机工作原理 5
2.1.3常用电器的各项参数 7
2.2系统方案的选择与比较 8
2.2.1 主控的选择 8
2.2.2显示模块的选择方案与论证 9
2.2.3电能计量集成电路芯片的选择 9
2.2.4电压、电流测量的选择 9
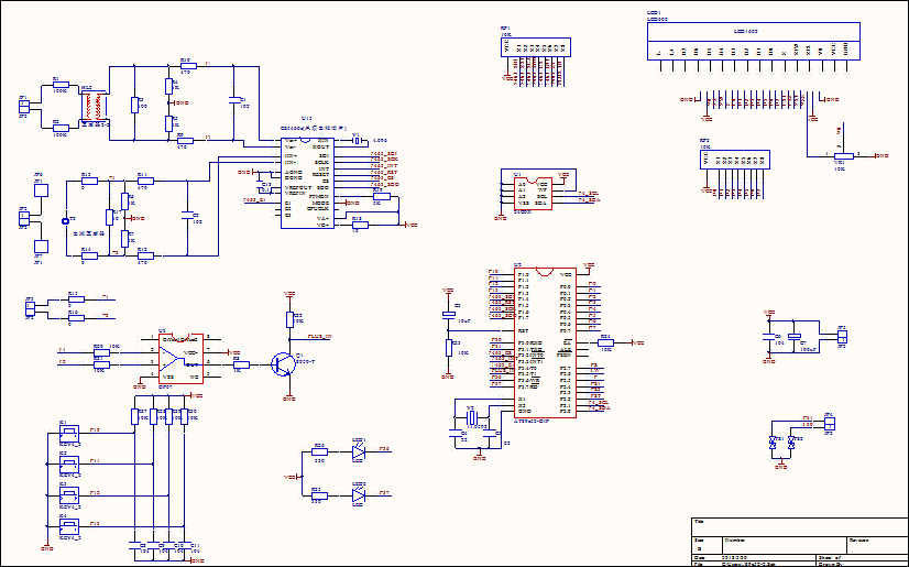
第三章 硬件电路设计 11
3.1单片机最小系统电路设计 11
3.2电能计量集成电路CS5460A 13
3.2.1 CS5460A操作原理 13
3.1.2 CS5460A校准 14
3.3 电压互感器 14
3.4 电流互感器 15
第四章 系统程序设计 16
4.1 开发软件介绍 16
4.2 单片机程序开发 17
4.2.1 主程序流程图 17
4.2.3液晶显示子程序流程图设计 18
4.2.2 CS546读取子程序 18
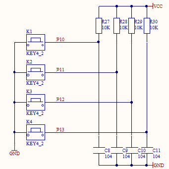
4.2.3按键子程序流程图设计 19
第五章 系统调试 21
5.1系统测试 21
5.1.1硬件电路检测 21
5.1.2MCU硬件检测 21
5.2 单片机软件调试 22
5.3 软硬件调试 23
5.4 调试结果 23
总结与展望 24
致谢 25
参考文献 26
附录源程序及bom表 27
第一章 绪论
1.1 选题的背景和意义
最近几年,伴随着科学技术发展人们不仅对电子产品的需求量激增,对家用电器的需求量也是只增不减;与此同时人们对生活理念也在不断变化,以前冬天冷夏天热,现在有了空调一年四季冬暖夏凉;以前烧水要几十分钟,现在有了热得快、电水壶,热水几分钟就好……但是这些恶意负载的家用电器在给我带来生活便利的同时,也给我们带来了巨大的安全隐患尤其是在学生宿舍。近年来,国内高校对于学生在宿舍使用恶意负载电器都是命令禁止的,主要原因有以下几点:
(一)学生宿舍人多、超负荷线路不能承受
学生宿舍人口密集,通常情况下宿舍的正常供电的最大电荷在1000w左右,这些只能满足电灯、饮水机、计算机等日常安全用电。如果学校的每一个人都需要家庭生活中的电器,在那么多电器同时运转的情况下就必须要在每栋宿舍安装高负载的电缆才能运转起来了。首先,从使用人数的情况出发,在学校宿舍的居住人数来说,如果都使用恶意负载的家用电器,就有极大可能因电线超负荷、电流瞬间增加而导致的电线发热、线路老化的速度变快,就很有可能发生火灾等安全事故,从而就无法保证宿舍生活中每个师生的人身安全;然后换个角度,从学校的宿舍实际供电设施来考虑,由于建校时间比较久了,在当初建校时对电路的布置来说理论上是不允许也是承载不了高负荷运转的,因为我们学校的学生寝室好很多,而且每个宿舍的人数在4-6人不等,设想一个情况,比如每一个宿舍在每天晚上的八点到十点使用一个“热得快”烧水,那么整个校区的宿舍用电量就会在不使用恶意负载电器的正常基础上瞬间增加数十万瓦,这时再把因电路使用时间长久而造成的电路老化问题考虑进去,就会大大的增加发生校园用电火灾的几率。所以,从以上两点考虑,学校是杜绝使用恶意负载电器的。
(二)学生宿舍人员数量大,对突发事故后果难以预料
相关图片展示:









