具有自适应功能的SOC估算研究毕业论文
2020-02-18 10:43:23
摘 要
动力电池是电动汽车上不可缺少的一个部分,而对于动力电池的SOC估算则是对动力电池评估的重要参数。本文通过使用计算数学软件Matlab对一额定容量2500mAh的18650型三元材料锂离子单体电池进行了建模仿真实验,在恒流放电工况和HPPC工况下分别进行了实验获取放电数据,并使用了扩展卡尔曼滤波法和自适应卡尔曼滤波法进行了SOC的估算。
本文从课题研究的背景以及意义入手,介绍了国内外电动汽车发展的趋势以及目前SOC估算方法的研究现状。在分析了锂离子电池的组成、结构、工作原理之后,介绍了实验平台以及实验对象,并通过实验数据绘制了锂离子电池的特性曲线。之后选择二阶RC等效电路模型进行了锂离子电池模型参数的辨识,并以端电压为参考值,验证了所建立的等效电路模型的精度。然后简要介绍了扩展卡尔曼滤波法的原理,并使用自适应卡尔曼滤波法对SOC进行估算,并分析了结果。
实验结果表明,通过对扩展卡尔曼滤波算法添加自适应方法来修正噪声矩阵的偏差,可以实现提高扩展卡尔曼滤波算法估算电池SOC时的精度,证明了自适应算法在SOC估算方法中的优越性。
关键词:动力电池;SOC估算;卡尔曼滤波;自适应
Abstract
The power battery is an indispensable part of the electric car, and the SOC estimation of the power battery is an important parameter for the evaluation of the power battery. In this paper, a modeling and simulation experiment was carried out on a 18650 ternary material lithium-ion single-cell battery with a rated capacity of 2500 mAh by using the computational mathematics software Matlab. The discharge data was obtained experimentally under constant current discharge and HPPC conditions. The SOC estimation is performed using the extended Kalman filter method and the adaptive Kalman filter method.
This paper starts with the background and significance of the research, and introduces the development trend of electric vehicles at home and abroad and the current research status of SOC estimation methods. After analyzing the composition, structure and working principle of the lithium ion battery, the experimental platform and experimental objects were introduced, and the characteristic curves of the lithium ion battery were drawn through experimental data. Then the second-order RC equivalent circuit model is selected to identify the parameters of the lithium-ion battery model, and the terminal voltage is used as the reference value to verify the accuracy of the established equivalent circuit model. Then the principle of extended Kalman filtering is introduced briefly, and the SOC is estimated by adaptive Kalman filtering, and the results are analyzed.
The experimental results show that by adding the adaptive method to the extended Kalman filter algorithm to correct the deviation of the noise matrix, the accuracy of the extended Kalman filter algorithm for estimating the SOC of the battery can be improved, and the superiority of the adaptive algorithm in the SOC estimation method is proved.
Key Words:Power battery;Estimation of SOC;Kalman filtering;Self-adaption
目 录
第1章 绪论 1
1.1 课题研究的背景及意义 1
1.2 国内外研究现状 2
1.2.1 电动汽车发展趋势及对动力电池要求 2
1.2.2 SOC估算方法研究现状 3
1.3 研究内容与研究方法 6
1.3.1 研究内容 6
1.3.2 研究方法 7
1.4 本章小结 7
第2章 锂离子电池工作特性与实验方案 8
2.1 锂离子电池 8
2.1.1 锂离子电池的组成和结构 8
2.1.2 锂离子电池的工作原理 9
2.2 实验对象及实验平台 9
2.3 锂离子电池的基本特性 10
2.3.1 开路电压特性 11
2.3.2 欧姆内阻特性 11
2.3.3 容量特性 12
2.4 本章小结 13
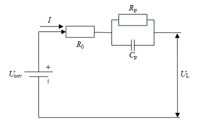
第3章 锂离子电池模型及参数辨识 14
3.1 锂离子电池等效电路模型 14
3.2 电池模型参数辨识 16
3.3 参数辨识结果验证 20
3.4 本章小结 22
第4章 基于自适应卡尔曼滤波的电池SOC估算 23
4.1 扩展卡尔曼滤波法 23
4.2 基于自适应卡尔曼滤波法的SOC估算 25
4.3 基于自适应卡尔曼滤波法的SOC估算结果分析 26
4.4 本章小结 27
第5章 结论 28
5.1 研究工作总结 28
5.2 研究展望 29
参考文献 30
致 谢 32
第1章 绪论
1.1 课题研究的背景及意义
如今,经济日益发展,同时也有一系列问题出现,比如能源短缺日益严重,环境污染日益严峻,其中气候变化和空气污染受到广泛关注,而这里面很重要的的原因是化石能源的燃烧。当前,人类过度开采化石能源,并对其形成依赖。对资源的过度开发,使得能源愈发稀缺。这些问题不仅在社会范围上引起了广泛的关注,也在汽车行业受到很大的关注,解决汽车化石能源燃烧排放污染的一个方法就是加深电动汽车的普及,电动汽车搭载动力电池,依赖于电能驱动,与使用传统能源的汽车相比,它具有清洁、环保的优势。动力电池与电动汽车的最大车速、行驶里程、经济性能等息息相关,所以,在改进电动汽车时,改进动力电池十分重要。
电池管理系统(Battery Management System,BMS),即依据测量到的电池参数对电池进行管理的系统,可以测量电池的电压、估算电池的荷电状态(State of Charge,SOC)、电池的健康状态(State of Health,SOH)、并且在电池参数异常时发出警告、保护电池、管控电路等。电池荷电状态是电池最重要的参数之一,一般用电池剩余电量与额定容量之比来表示。对于一个电池管理系统而言,估算电池SOC是一个必不可少的功能,估算电池的SOC,在提高电池安全可靠性、能量效率、整车能量管理等方面有重要意义。对电池管理系统而言,估算电池SOC十分重要,提高估算电池SOC的精度也就显得十分重要。目前,在估算电池的SOC方面,使用的比较多的方法大概有4种,分别是安时积分法、神经网络算法、开路电压法还有卡尔曼滤波算法的扩展算法。卡尔曼滤波算法是一个基于模型的闭环算法,对所建立的等效电路模型精度要求比较高。在电池的整个寿命期中,会一直伴随着充放电的进行,不可避免地,就会出现电池老化,电池老化的部分特征就是内阻增大,同时伴随着电池容量的减小,因此对于一个电池模型而言,当电池在使用时,其参数应该是在一直变化的,所以在使用传统的卡尔曼滤波方法估算电池的SOC时,误差会比较大。
本文旨在通过分析锂离子电池的组成、结构和充放电过程的基本原理,从而理解导致锂离子电池衰退的各种原因,然后以此为基础,建立电池的等效电路模型,进一步了解基于卡尔曼滤波估算SOC的原理和方法,并理解基础的自适应算法,然后将自适应算法添加进入使用卡尔曼滤波算法估算SOC的过程中,根据得到的结果,分析自适应方法对SOC 估算的影响,将自适应方法用于提高估计电池SOC过程中的精度,可用于电池管理系统,用于电池使用效率的延长、电池安全性能的提高。
1.2 国内外研究现状
1.2.1 电动汽车发展趋势及对动力电池要求
近年来,汽车行业蓬勃发展,随着汽车保有量一起增长的,还有日益严峻的尾气排放等污染问题,与此同时,由于传统汽车依赖于化石能源的燃烧,能源短缺问题也使得汽车行业发展速度减缓,为了减弱这些因素对汽车产业发展的不利影响,各国正在大力发展电动汽车,出台了相当多的政策倾斜、扶持。在环保压力、能源需求、产业调整等压力驱动下,电动汽车正迅猛增长。
传统的汽车能量来源于化石能源燃烧产生的热能,而电动汽车不同,电动汽车的驱动力来源于动力电池供给,将电能转化为机械能带动汽车运行,目前汽车行业正在努力实现动力清洁化,动力清洁化是在保护环境的大条件下的必然结果,也是技术发展的趋势。在这样的大环境下,发展电动汽车成为当前形势下的最优解,既是形势所迫,也是发展的需要。
若按照动力源来划分种类,一般将电动汽车划分为3类,即:动力来源为燃料电池的燃料电池动力汽车(FCEV,Fuel Cell Electric Vehicle)、只依赖于蓄电池供电产生驱动力的纯电动汽车(PEV,Pure Electric Vehicle)、动力来源包含两种或以上能源的混合动力汽车(HEV,Hybrid Electric Vehicle),混合电动汽车的动力来源比较多,诸如蓄电池、汽油发动机、柴油发动机都可以作为其动力来源[1]。近年,汽车行业以传统的混合动力汽车为基础,还发展出了1种外接充电式(Plug-In)的混合动力汽车(PHEV)。
根据相关统计机构的数据,2017年全球电动汽车销量为130万,销量较上一年相比增长了54%,在2013年到2017年5年间,电动汽车销量平均每年增长60%[2]。
电动汽车的发展方向有车身轻量化、价格调整还有充换电方式的转变,车身轻量化是整个汽车行业的发展趋势,对于提升续航里程有重要意义,价格调整是消费者的诉求,也是技术发展带来的福利,充放电方式的转变是推广电动汽车的重要手段,也是技术发展的一个结果[3]。
动力电池是电动汽车的关键技术之一,长期以来,电动汽车行业一直在探索和研究这方面的技术,主要又集中在两个方面:电池材料、系统控制。
20世纪末期,美国通用公司率先使用了以铅酸电池作为动力电池,紧接着研发出镍氢电池,镍氢电池因其无污染特性,广泛应用在混合电动汽车领域。当前,镍氢电池由于能量密度较低并且价格昂贵,面临着许多挑战。
动力电池另一个应用比较广泛的是耐高温的磷酸铁锂电池,它的安全性比较高,并且目前研发出的电池能量密度足以满足续航里程要求,主要应用于三个领域:公交、纯电动轿车和储能设备。
另外,还有主要应用于高档电动轿车上的三元锂电池。三元锂电池能量密度较高,在应用在电动汽车的动力电池上时,相应地就可以提高汽车的最大速度以及续航里程,但是正极材料分解温度较低,存在安全隐患,并且对电池管理系统要求较高。
近年来,电动汽车行业欣欣向荣,电动汽车电池蓬勃发展,在电动汽车电池技术以及研究方法不断进步的同时,锂离子电池凭借其相对安全、稳定的优势,被越来越多的电动汽车采用为动力电池。
电动汽车电池作为汽车能量储存装置,其使用寿命必须要满足基本的驾驶周期要求,不能太短,另外,还需要支持汽车行驶足够的里程,此外,加速性能也是必不可少的。
当前来看,电动汽车对动力电池的要求主要集中在“低成本”、“高容量”、“高安全”3个方面[4]。电动汽车发展面临的首要难题是电池的技术水平。阻碍电动汽车普及的主要原因仍然是电动汽车的续航里程,尽管相比于过去的电动汽车动力电池,当前的电动汽车动力电池的续航里程已有显著提升,但是,提升的幅度依然不够,所以电动汽车对动力电池的要求主要仍然是容量方面,同时,对于电动汽车而言,价格降低也是必要的,确保安全也是重中之重。
1.2.2 SOC估算方法研究现状
目前,对SOC估算的方法主要有以下几种:安时积分法、开路电压法、神经网络算法、卡尔曼滤波算法的拓展算法等[5]。各类算法的精度和计算量各不相同,SOC估算的精确度对实验室研究十分重要,而工程领域则侧重于平衡精确度和计算量。
(一)安时积分法
安时积分法也称电流积分法、库伦记数法。其公式(1-1)如下所示:
(1-1)
上式中,等式左侧为电池在t时刻的SOC值,则是初始状态下电池的荷电状态,是电池额定容量,是库伦效率,I是在t时刻电池电流。从等式可以看出,安时积分法的原理是初始状态下电池的SOC减去在这段时间内电池电荷的变化量,这种方法精度高,计算简单,但是受到测量电流时产生的误差影响较大,并且,如何准确的得到库伦效率也是一个问题[6]。
(二)神经网络算法
神经网络算法可以用于非线性系统,该算法在过程中不断地调整模型,降低误差从而提高模型的精度。该算法用于估算电池SOC时其工作原理如图1-1所示[7]。
图1-1 神经网络算法估算电池SOC原理
输入层输入电池的各项参数,隐含层是系统的激活参数,输出层则是输出电池的SOC。神经网络算法适用性广,但是需要大量的样本,使得计算量偏大。
(三)开路电压法
开路电压法的原理是:电池开路电压与电池的SOC之间存在一定的关系。在电池静置足够长时间后,端电压会达到开路电压,获取到足够多的数据之后,就可以通过开路电压与SOC的关系,并通过拟合得到电池SOC估计值。该方法计算量少,精确度高,但是需要静置电池足够长的时间,而这个时间是不确定的,不能用于连续的估算过程。
(四)卡尔曼滤波法
系统滤波算法闭环控制、实时性强,所以在当前电脑估算电池SOC时,应用最为广泛,而系统滤波算法中,使用最广泛的是卡尔曼滤波算法。卡尔曼滤波是20世纪60年代初,美国数学家R.E.卡尔曼等人提出的,解决了维纳滤波的缺点。但是,卡尔曼滤波算法是应用在线性系统中的算法,对于电池等非线性系统而言,不能直接应用卡尔曼滤波法时解决问题。为了将卡尔曼滤波法的适用对象扩展到非线性系统,许多改进之后的算法被提出。
目前主流的SOC估算方法主要是卡尔曼滤波法,本文研究的对象——自适应卡尔曼滤波法也是一种卡尔曼滤波算法,故本文国内外研究现状主要针对卡尔曼滤波算法。
自从20世纪60年代,Bucy、Sunahara等人以卡尔曼等人提出的卡尔曼滤波理论为基础,提出并研究了适用于非线性系统扩展卡尔曼滤波(Extended Kalman Filter,EKF),将适用于卡尔曼滤波算法的研究对象由线性系统拓展到非线性系统以来,卡尔曼滤波算法在电池SOC估算领域大放异彩,已成为一种不可缺少的SOC估算方法,近年来,许多学者对此进行研究并获得了不错的成果。
2011年徐定杰等人在研究自适应渐消卡尔曼滤波法时,提出了一种利用信息协方差计算渐消因子的方法,在使计算量减小的同时,保持了其抑制滤波器发散的有效性,解决了目前计算渐消因子不方便的问题[8]。
2012年,魏克新、陈峭岩基于电池的Thevinin模型,在使用卡尔曼滤波算法估算锂离子电池SOC的基础上,考虑到电池的老化信息,设计了多模型自适应卡尔曼滤波算法(multiple-model adaptive Kalman filter)用于估算电池SOC,提高了电池SOC估算精度的同时,还正确地估计出了电池地健康状态(SOH)[9]。
2014年,刘艳莉等人以二阶RC等效电路模型为基础,以精度更高、鲁棒性更强地有限差分方法替代了EKF算法中的非线性函数的偏导运算,采用有限差分扩展卡尔曼滤波法(Finite Difference Extended Kalman Filter,FDEKF)估算目标电池的SOC,提高了算法的精度、鲁棒性[10]。
2016年,顾亚雄、张友近根据改进的二阶RC模型,采用双无迹卡尔曼滤波算法估算锂离子电池,提高了电池模型的精确度、电池SOC的估算精度,同时也证明了双无迹卡尔曼滤波算法(dual extend Kalman filte,DEKF)的良好的鲁棒性,实验结果表明引入双无迹卡尔曼滤波算法可以解决安时积分法估算SOC时初值不准所引起的误差积累问题[11]。
2016年,于仲安、简俊鹏针对使用卡尔曼滤波算法估算SOC时的电流漂移噪声,以Thevinin模型作为锂离子电池的等效电路模型,在研究SOC估算的过程中,引入联合扩展卡尔曼滤波法(joint EFK),将电流漂移值作为状态变量,与SOC同步进行预测,结果表明联合扩展卡尔曼滤波法可以抑制电流噪声、提高SOC估算的精度[12]。
2016年,吴铁洲等人采用改进后的二阶RC等效电路模型,基于扩展卡尔曼滤波算法,引入迭代滤波理论,并采用LM方法优化迭代过程进行电池SOC的估算,仿真结果表明迭代扩展卡尔曼滤波算法(IEKF)较扩展卡尔曼滤波算法,在收敛性和精度上有了一定的提高[13]。
以上是毕业论文大纲或资料介绍,该课题完整毕业论文、开题报告、任务书、程序设计、图纸设计等资料请添加微信获取,微信号:bysjorg。
相关图片展示:









