在线识别电池参数的研究毕业论文
2020-02-18 10:43:16
摘 要
在如今倡导绿色低碳、节能环保的大环境下,节能减排成为了任何行业发展的重点,而在汽车行业,电动汽车由于其低排放、低噪音、经济实用等优点得到了群众广泛的支持,国家的大力扶持,因此得到了迅速的发展。而作为电动汽车核心部件的动力电池也随之成为了学者们研究的热点。对于动力电池,锂离子电池无疑是目前电动车用动力电池的领跑者,它的等效模型的选取与电池状态参数的辨识是其研究领域的重点。而电池的参数识别又包含了离线与在线两种方法。离线识别不仅是一个耗时的过程,而且会产生不够精确的结果。为实现动力电池状态的精确估计与参数的精确辨识,需要提高电池模型的精确性。对选定的电池模型进行在线参数辨识能够实时反映电池真实的工作状态,参数辨识的精确度也能得到提高。本文以三元锂离子电池为研究对象,分析了各种电路模型并建立了二阶RC等效电路模型,首先利用HPPC循环工况测试实验及MATLAB/cftool模块对电池参数进行了离线辨识,然后采用遗忘因子递推最小二乘法对等效电路模型进行了在线参数辨识,并在MATLAB/Simulink软件平台内搭建了仿真模型验证得到在线辨识结果,与离线辨识方法得出的结果进行比较,分析在线辨识的优缺点。研究结果表明,采用遗传因子递推最小二乘法得到的模型参数较离线辨识更为准确,且可以实时反应电池内部状态参数,是一种不错的在线辨识的方法,为实际的运用奠定了基础。
关键词:电动汽车,锂离子电池,二阶RC模型、参数辨识、遗忘因子递推最小二乘法。
Abstract
In today's environment of advocating green, low-carbon, energy-saving and environmental protection, energy-saving and emission reduction has become the focus of any industry development. In the automotive industry, electric vehicles have received wide support from the masses due to their low emission, low noise, economic and practical advantages. The country’s strong support has thus been rapidly developed. As a core component of electric vehicles, the power battery has become a hot spot for scholars. For power batteries, lithium-ion batteries are undoubtedly the leader in power batteries for electric vehicles. The selection of equivalent models and the identification of battery state parameters are the focus of their research. The parameter identification of the battery includes both offline and online methods. Offline identification is not only a time consuming process, but also produces inaccurate results. In order to achieve an accurate estimation of the state of the power battery, it is necessary to improve the accuracy of the battery model. Online parameter identification of the selected battery model can reflect the real working state of the battery in real time, and the accuracy of parameter identification can also be improved. This paper takes ternary lithium-ion battery as the research object, analyzes various circuit models and establishes the second-order RC equivalent circuit model. Firstly, the HPPC cycle test experiment and matlab/cftool module are used to identify the battery parameters offline, and then The online parameter identification of the equivalent circuit model was carried out by the forgetting factor recursive least squares method. The simulation results were built in the MATLAB/Simulink software platform to obtain the online identification results, which were compared with the results obtained by the offline identification method. The advantages and disadvantages of identification. The research results show that the model parameters obtained by genetic factor recursive least squares method are more accurate than offline identification, and can reflect the internal state parameters of the battery in real time. It is a good online identification method and lays a foundation for practical application.
Keyword: Electric vehicle, lithium ion battery, second-order RC model, parameter identification, forgetting factor recursive least squares method.
摘 要 I
Abstract II
第 1 章 绪论 3
1.1 研究背景及意义 3
1.2 国内外研究现状 3
1.2.1 动力电池的研究现状 3
1.2.2 动力电池等效电路模型的研究现状 5
1.3 本文研究内容 6
第 2 章 锂离子电池的工作原理及实验方案 7
2.1 锂离子电池结构及工作原理 7
2.2 锂离子电池基本特性 8
2.2.1 放电特性 8
2.2.2 充电特性 9
2.2.3 内阻特性 10
2.2.4 容量特性 11
2.3 实验方案选取 11
2.4 本章小结 13
第 3 章 锂离子电池等效电路模型 14
3.1 电池等效电路模型简介 14
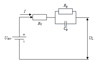
3.2 二阶RC等效电路模型的建立。 16
3.3 本章小结 17
第 4 章 参数的离线辨识 18
4.1 开路电压Uocv 18
4.2 欧姆内阻R0 19
4.3 二阶RC模型中Rp1、Cp1、Rp2、Cp2的辨识 20
4.4 电池模型验证及结果分析 24
4.5 本章小结 26
第 5 章 参数的在线辨识 28
5.1 锂离子电池参数在线辨识简介 28
5.2 常用在线辨识算法 28
5.2.1 递推最小二乘法 28
5.2.2 极大似然法 30
5.2.3 随机梯度算法 30
5.2.4 卡尔曼滤波法 31
5.2.5 遗忘因子递推最小二乘法 32
5.2.6 算法比较与选取 33
5.3 等效电路数学模型的推导过程 33
5.4 遗忘因子递推最小二乘法辨识步骤及结果分析 35
5.4.1 遗忘因子递推最小二乘法辨识步骤 35
5.4.2 遗忘因子递推最小二乘法结果分析 36
5.5 遗忘因子递推最小二乘法辨识步骤及结果分析 41
5.6 本章小结 42
第 6 章 研究总结与展望 43
6.1 研究总结 43
6.2 研究展望 44
参考文献 45
致谢 47
绪论
研究背景及意义
在经济日益发展的今天,环境问题成为了社会关注的热点,环境问题越来越严重,其中最主要的问题是气候变化和空气污染。而空气的污染,最重要的原因是煤炭、汽油、柴油等资源的不完全燃烧。而这些能源都不属于可再生资源,所以资源短缺也成为了问题所在。在资源短缺的大背景下,研究者们一直致力于开发新的清洁能源,比如水能,风能、太阳能和潮汐能等。而对于汽车行业来说,随着燃油机汽车的逐渐弱化,电动汽车利用自身的清洁环保、低排放、低噪音的优势,从而得到大众的推广和运用,也受到了越来越多研究者们的青睐。而电动汽车最主要的部件是电池,电池是电动汽车的灵魂。电动汽车性能的好坏很大程度上取决于电池本身的性质。同时电池接入电池网络进行充放电也会对电网带来诸多影响。动力电池作为纯电动及混合动力电动汽车的主要能量来源,其安全性、比能量、使用寿命以及比功率等基本性能直接决定了整车的使用性能。
而目前,电动汽车发展存在的诸多问题包括续航里程短、成本较高、使用寿命较短、充电难、性能比传统汽车差等,实质上就是来自于电动汽车的动力电池系统在性能、安全性、使用寿命等方面上的局限性[1]。而决定这些局限性的根本原因就是电池性能和电池管理系统两方面。电池参数的辨识作为建立电池管理系统的核心前提之一就变得非常具有研究的意义。
电动汽车上应用较多的主要是锂离子电池,相比于其他种类的电池,锂离子电池具备功率密度高、比能量高、循环性能好等优势,由于这些优势锂离子电池电动汽车呈现良好的续航里程。基于现在发展的趋势,十分有必要建立一个精确、直观的锂离子电池模型来进行系统的设计和仿真。考虑到电动汽车实车路面多变复杂的运行工况,电池内部的参数与状态需要实时的更新,因此,利用建立的电池模型,进行电池参数的在线识别就十分具有研究的价值。
国内外研究现状
动力电池的研究现状
动力电池作为电动汽车的核心,很大程度上决定了电动汽车的性能好坏。当前,电动汽车具有续航里程短、加速能力不足等缺点,而这些缺点的源头来自于动力电池无法满足电动汽车实际行驶需要。所以,开发出高性能的动力电池就成为了当前电动汽车发展的集中课题。
动力电池的种类很多,目前市面上较常使用的包括:铅酸蓄电池、镍镉蓄电池、镍氢电池、锂离子电池等。
铅酸蓄电池:是一种酸性电池,电极主要由铅及其氧化物制成,电解液是硫酸溶液的一种蓄电池,是较早得到应用的一种蓄电池。铅酸蓄电池密封性好,使用寿命长,可靠性高。但它的电池质量较重,比能量低,在相同的规格下,铅酸蓄电池的体积重量相较于其他种类电池要大许多,而且电池本身不环保,电池中的主要材料为铅,如若处理不当,会对环境产生比较严重的污染。
镍镉蓄电池:是一种碱性蓄电池,正极材料为氢氧化亚镍和石墨粉的混合物,负极材料为海绵网筛状镉粉和氧化镉粉,电解液通常为氢氧化钠或氢氧化钾溶液。其优点是:可快速充电,循环使用寿命较长,是铅酸蓄电池的两倍多,可达到2000多次。但价格为铅酸蓄电池的4~5倍,成本较高,使用不当时还会产生“记忆效应”,即每次充电都必须先放电,再充电。且镉金属对环境有污染。
镍氢电池:由氢离子和金属镍合成,电量储备比镍镉电池多30%,且比镍镉电池更轻,使用寿命也更长,对环境无污染,但价格较昂贵,且性能比锂离子电池差。
锂离子电池:是一种二次电池,它的工作主要是依靠锂离子在正极和负极之间移动来实现。锂离子电池由于其电压高、比能量大、循环寿命长、安全性能好、快速充电、绿色环保等优势,成为了现阶段研究学者们研究的重点,是当下最热门的动力电池[2]。
铅酸蓄电池 | 镍镉蓄电池 | 镍氢蓄电池 | 锂离子电池 | |
循环寿命(次) | 400-600 | 600-1200 | 600-1200 | 800-1200 |
工作温度(℃) | -40—70 | -20—60 | -30—65 | 0—45 |
环保性 | 有污染 | 有污染 | 无污染 | 无污染 |
比能量(Wh/Kg) | 30—45 | 40—60 | 60—80 | 90—130 |
体积能量密度(Wh/L) | 80 | 120 | 160 | 300 |
表 1.1 不同电池性能参数
由表一可看出,无论是工作温度范围、循环寿命、环保性、比能量等性能,锂离子电池都优越于其他电池,所以锂离子电池的性能研发是目前电动汽车发展的核心目标。
锂离子电池具有比能量高、循环次数多、无记忆效应、自放电少、绿色环保、适用温度范围宽、性价比高、无记忆效应等优点,是目前性能最好的电池,是最受市面欢迎的电池,也是科学研究最热门的电池。由于锂离子电池的诸多优点,因此本文研究的电池对象是锂离子电池。
针对本文研究的锂离子电池,不同种类锂离子电池参数对比如下表:
性能参数 | 钴酸锂(LCO) | 锰酸锂(LMO) | 磷酸铁锂(LFP) | 镍钴锰酸锂(NMC) |
电压/V | 3.60 | 3.80 | 3.30 | 3.70 |
充电限制/V | 4.20 | 4.20 | 3.60 | 4.20 |
循环次数 | 500-1000 | 500-1000 | 1000-2000 | 1000-2000 |
比能量/ (Wh·kg-1) | 150-190 | 100-135 | 90-120 | 140-180 |
过载限制 | 持续10C | 持续10C/瞬时40C | 瞬时35C | 持续10C |
安全性 | 一般 | 较好 | 很好 | 较好 |
热失控/℃ | 150 | 250 | 270 | 210 |
表 1.2 不同类型的锂离子电池特性
动力电池等效电路模型的研究现状
电池模型在电池研究中发挥着十分重要的作用。电池性能的好坏需要在模型中仿真得出,电池参数实时的变化情况也可以从模型中仿真得出。设计人员可以通过建立电池仿真模型来研究各种控制环境对产品的影响,从而缩短研发时间并节约成本。通过建立电池模型,还可以研究不同充放电条件以及不同温度环境下的电池基本性能,可以衡量电池的不一致性以及健康状况。但是电池模型的应用领域各不相同,每个领域都有适合自己领域的电池模型。
动力电池系统模型分类可分为电化学模型、机理模型和电气模型[3]。
电化学模型主要能够实现电池系统设计、充放电性能分析、电池内阻(极化)分析等任务。但是这类模型结构较为复杂,不适用于电池电路参数设计。
机理模型,也称为数学模型。通过数学理论公式或反应机理来建立电池模型,其优点是模型类各参数都具有很明确的物理意义,但是由于该模型公式复杂,难以简化,并且有较大误差,因此不能用于电路设计仿真关键特性的分析中。
以上是毕业论文大纲或资料介绍,该课题完整毕业论文、开题报告、任务书、程序设计、图纸设计等资料请添加微信获取,微信号:bysjorg。
相关图片展示:









