船舶并网光伏电力系统短路故障建模仿真分析毕业论文
2020-04-12 16:49:10
摘 要
随着太阳能船舶的逐渐发展,接入船舶电网的太阳能光伏系统总功率占船舶电站总功率的比例逐步提高,其应用模式也逐渐由离网型辅助电源向并网型主电源发展。作为一种基于电力电子变化技术的零惯性逆变电源,光伏并网逆变电源在与常规柴油同步发电机组并联运行,将对船舶电网的短路故障特性、继电整定保护及配置产生显著的影响作用。
目前,对于光伏电站和船舶电站这两种发电系统,国内外专家学者已对其进行深入的建模研究。但对于船舶太阳能并网光伏系统这种综合的电力系统,尚无详细的建模研究。为此本文采用电力系统仿真分析计算软件ETAP建立船舶并网光伏电力系统仿真计算模型,在相同的电力系统拓扑构架下,采用IEC909标准计算方法,分析电网中不同接入太阳能光伏系统容量、不同节点、发生不同类型短路(三相短路3-Phase、单相接地短路L-G、两相短路L-L、两相接地短路L-L-G等)故障时的短路电流变化规律性,探讨其中的薄弱环节,为提高逆变电源在船舶电力系统中并网运行的可靠性提供基础理论数据。
研究结果表明:
(1)在发电机组功率能维持系统运行的情况下,随着光伏发电系统容量的增加,系统短路电流水平并没有大范围的变化,尽管在光伏发电系统容量达到3000kW的虚拟工况下,系统短路电流变化水平仍在11.2%,说明大容量光伏发电系统接入船舶电网极具可能性。
(2)在不同节点发生短路故障时,光伏接入与未接入工况下,短路电流及节点电压偏差百分数均在1%以内,满足系统要求。
(3)在L-G、L-L和L-L-G三种类型短路故障中,光伏接入与未接入对短路电流水平和母线电压水平的影响都在10%以内,满足GB/T-12325-2008《供电电压偏差》。
关键词:光伏并网;短路计算;仿真;ETAP
Abstract
With the gradual development of solar ships, the proportion of the total power of the solar PV system connected to the ship's power grid to the total power of the ship's power station has gradually increased, and its application model has gradually evolved from the off-grid auxiliary power supply to the grid-connected main power supply. As a zero-inertia inversion power supply based on the power electronics change technology, the photovoltaic grid-connected inverter power supply operates in parallel with a conventional diesel synchronous generator set and will have a significant impact on the short-circuit fault characteristics, relay protection and configuration of the ship network.
At present, both domestic and foreign experts and scholars have conducted in-depth modeling research on photovoltaic power plants and ship power stations. However, for the integrated power system of marine solar grid-connected photovoltaic system, there is no detailed modeling research. For this purpose, the ETAP software for power system simulation is used to establish a shipboard grid-connected photovoltaic power system simulation calculation model. Under the same power system topological framework, the IEC909 standard calculation method is used to analyze the capacity of different connected solar PV systems in the power grid and different nodes. The short-circuit current variation regularity when faults of different types (three-phase short circuit 3-phase short circuit, single-phase ground short circuit LG, two-phase short circuit LL, two-phase ground short circuit LLG, etc.) occurs, and the weak links are explored to improve the inverse The reliability of the variable power supply in the grid power system provides basic theoretical data.
Research indicates:
(1) Under the condition that the power of the generator set can maintain the system operation, with the increase of the capacity of the photovoltaic power generation system, the short-circuit current level of the system does not have a wide range of changes, although under the virtual operating conditions where the photovoltaic power generation system capacity reaches 3000kw, the system The level of short-circuit current change is still at 11.2%, indicating that large-capacity PV systems are highly likely to be connected to the ship's power grid.
(2) When short-circuit faults occur at different nodes, the short-circuit current and node voltage deviation percentages are within 1% under the PV access and non-connected conditions, which meet the system requirements.
(3) In the three types of short-circuit faults LG, LL and LLG, the influence of the PV access and non-connection on the short-circuit current level and the bus voltage level is within 10%, which meets the requirement of GB/T-12325-2008 "supply voltage deviation".
Keywords: photovoltaic grid-connected; short-circuit calculation; simulation; ETAP
目 录
摘要 I
Abstract II
目 录 IV
第1章 绪论 1
1.1研究的背景及意义 1
1.2国内外太阳能船舶发展现状和发展趋势 1
1.3国内外继电保护及短路计算研究现状 2
1.4论文研究内容 4
1.4.1不同接入太阳能光伏系统容量对短路电流的影响分析 4
1.4.2不同节点发生短路故障对短路电流的影响分析 4
1.4.3不同类型短路故障对短路电流的影响分析 4
第2章 船舶光伏并网电力系统仿真建模 5
2.1 船舶电力系统概述 5
2.1.1 船舶电力系统特点 5
2.2船舶电力系统仿真 6
2.2.1同步发电机模型 6
2.2.2交流线模型 7
2.2.3感应电动机模型 8
2.3太阳能光伏发电系统概述 8
2.3.1太阳能光伏发电系统组成 8
2.3.2太阳能光伏发电系统分类 9
2.3.3 光伏电池的等效电路 9
第3章 ETAP短路电流计算方法 11
3.1计算理论综述 11
3.2计算方法 12
3.2.1 初始对称短路电流计算() 12
3.2.2 短路电流峰值计算() 12
3.2.3 稳态短路电流计算 13
3.2.4 同步电机的次暂态电抗(Xd”) 13
3.2.5电压因数c的选择 14
3.2.6 环网和非环网网络选择 14
3.3 IEC短路网孔的确定 14
3.3.1网孔非网孔简介 15
3.3.2IEC 短路网孔确定方法 15
第4章 船舶光伏并网电力系统建模仿真与计算 17
4.1模型搭建 17
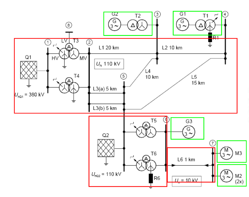
4.1.1单线图 17
以上是毕业论文大纲或资料介绍,该课题完整毕业论文、开题报告、任务书、程序设计、图纸设计等资料请添加微信获取,微信号:bysjorg。
相关图片展示:









