船舶新能源并网逆变器及无功补偿控制研究毕业论文
2020-04-10 16:56:20
摘 要
随着造船业的发展和能源枯竭、环境污染日益严峻,与船舶传统柴油机发电相比,新能源发电在节能减排方面的优势和效益越来越显著,国内外开始探求开发新能源发电作为辅助发电方式。新能源发电是由逆变器接入船舶电网,其能改变电流性质,将直流电逆变为三相交流电。目前,新能源并网逆变器朝着高效化、智能化方向发展。其中船舶需要控制并网逆变器来补偿无功功率,提高电网用电效率。
因为船舶中的无功功率会降低电网的功率因数,还会引起一系列电网的波动和畸变,所以为解决这些无功引起的问题,要对电网无功实行补偿。研究无功电流的测量方式,这是补偿的重要一步,学习逆变器控制方式,最终完成由船舶的并网逆变器输出无功的目的。
在研究电流的检测方式时,学习多种方式,都是在瞬时无功功率理论的基础上演变出的方法。根据要求比对并分析每种方式的优缺点,后决定采用ip-iq的检测方式。在研究并网控制时,首先就必须要建立模型,在逆变器模型的基础上,分析其控制方法。采用电容和并网电流组成的双闭环,这种方式对电流有着比较好的调试效果。在MATLAB/simulink软件搭建以上控制的仿真模型,并实现每个模块的功能,并验证其准确性。
关键词:船舶并网逆变器;无功电流检测;并网控制;无功补偿
Abstract
With the development of the shipbuilding industry and the depletion of energy and environmental pollution, the advantages and benefits of use new energy to generate in protect energy and decrease emission are more notable.Domestic and overseas began to explore the development of new energy power generation as an auxiliary power generation method. At present, new energy grid-connected inverters are developing in the direction of high efficiency and intelligence. Ships need to control grid-tied inverters to compensate for reactive power and improve the power efficiency of the grid.
Because the reactive power in the ship will reduce the power factor of the power grid, it will also cause a series of fluctuations and distortions of the power grid. Therefore, in order to solve the problems caused by these reactive powers, it is necessary to compensate for the reactive power of the power grid. The current detect method of none of the active power was studied. This is the first step of compensation. The inverter control method was studied, and the purpose of outputting reactive power from the grid-connected inverter of the ship was finally completed.
When studying current detection methods, various methods were learned. These methods evolved based on the instantaneous reactive power theory. After comparing and analyzing the advantages and disadvantages of each method according to requirements, it was decided to use ip-iq reactive current detection. When studying grid-connected control, it is necessary to first establish a model and analyze its control method based on the inverter model. A double closed loop composed of a capacitor and a grid-connected current is used. This method has a better debugging effect on the current. After these controls are determined, the above control simulation model is built in MATLAB/simulink software, and the function of each module is realized, and the accuracy is verified. Finally, the simulation of reactive power compensation is done.
Key Words:Ship grid-connected inverter; reactive current measurement; grid-connected circuit control ; reactive power compensation
目 录
第1章 绪论 1
1.1 课题研究背景及意义 1
1.1.1 船舶发电的方式和特点 1
1.1.2 无功功率的产生和危害 1
1.1.3无功补偿方法 2
1.1.4课题研究意义 2
1.2 并网系统国内外研究现状 3
1.2.1逆变器及其控制技术 3
1.2.2滤波器和谐波抑制技术 4
1.2.3无功补偿 4
1.3本文研究内容 5
第2章 并网逆变器和滤波器的设计和分析 6
2.1 并网逆变器原理分析 6
2.1.1并网逆变器的分类 6
2.1.2 并网逆变器的拓扑结构 6
2.2滤波器的工作原理 9
2.2.1 滤波器的类型和特点 9
2.2.2滤波器的参数设计 11
2.3基于LCL型滤波的并网逆变器数学模型 13
2.4本章小结 15
第3章并网逆变器无功补偿方法分析 16
3.1 SVPWM调制方式 16
3.1.1 SVPWM技术及其特点 16
3.1.2 逆变器输出电压空间矢量的分布 16
3.2并网逆变器无功补偿原理 17
3.3并网状态分析 18
3.4 本章小结 20
第4章 瞬时无功功率理论与无功电流检测 21
4.1 αβ坐标系下的瞬时无功功率理论 21
4.2 瞬时无功电流检测 23
4.2.1 p、q检测法 23
4.2.2 ip-iq检测法 24
4.3 本章小结 25
第5章 并网逆变器控制和无功补偿 26
5.1并网电流控制策略 26
5.1.1 dq坐标系下的解耦控制 26
5.1.2电流双闭环控制 27
5.2 并网系统设计 28
5.3无功功率控制系统仿真 29
5.4 本章小结 36
第6章 结论与展望 37
6.1本文结论 37
6.2 展望 37
参考文献 38
致谢 40
第1章 绪论
1.1 课题研究背景及意义
1.1.1 船舶发电的方式和特点
船舶传统发电是由柴油机进行发电,供给船舶的正常使用,其缺点是:存在很大风险、消耗很大、占地面积大、噪声大等,这都不利于船舶人员的工作,但也有其优点,供能充足,提供的电能稳定等。
新能源的发电具有无污染和可持续使用等优点,随着科学技术的进步,以风能、太阳能、核能、生物质能和潮汐能等为代表的新能源在节能减排方面所具有的优势和产生的效益越来越大,其在船舶交通运输行业的应用和推广已呈潮涌之势[1]。
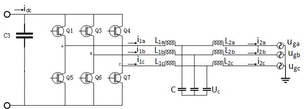
其中新能源发出的电能要接入船舶电网,并网系统由前级直流电源、并网逆变器、滤波器、船舶三相交流电网组成,并且逆变器是将新能源发出的电能整合到电网的核心元件。
1.1.2 无功功率的产生和危害
随着电力电子设备的更新,船舶用电设备日趋增多,特别是非线性负载的大量使用对电网质量产生不利影响。船舶上用电负载大多是带有感性的,由于其本身在电路中的性质,负载电流会对发电机产生去磁的效果。换句话说,电流和负载的变动都会引起电压变化并产生无功功率,从而引发船舶电网电压波动。而且船舶电网可能由于大功率负载的运行和断开,产生的有功功率和无功功率也在时刻变化,所以船舶无功功率是时刻变化的。
根据无功功率的定义,负载不消耗能量,但能量在负载和电网之间来回传输。无功对电网的危害有这么几点:
- 当无功功率存在于电网中时,会引发电网电压值偏离额定值,负载的效率就会下降。相差过大时,工作环境恶化,甚至导致设备的损坏,如温升提高、缩短电机寿命等不利影响。若造成船舶电网电压过低时,会触发船舶电力系统保护元件,为避免造成更大的损失,可能会使发电机解列,那么工作设备的状态就更得不到保证,甚至造成全船失电等严重事故;
- 在电网输出不变的情况下,无功功率越大,输电线路和电网消耗越多,从而降低了输电效率;
3)船舶电网中的无功功率对电网稳定和电能质量影响恶劣,无功功率的产生通常伴随大量谐波,而且现如今电气元件飞速发展,所以为追求更好的精度和控制,船舶电气元件更新较快,整流器、调功装置、变流器和斩波器等这些船舶电气设备在使用过程,都会产生谐波污染电网,甚至谐波与电网很大可能引起谐振,后果更为严重。
如果电网的无功功率在某方面得到补偿,那么就会提高电网的质量,负载的工作条件变得更好,线路中的无用损耗得到大幅降低,提高了线路的电能输送量和输出率,船舶电网系统变得非常稳定,也有利于提高设备的寿命。
综上所述,无功功率的产生是无法避免的,而且其对船舶电网和船舶负载危害很大,只有通过补偿电网所需的无功功率来减轻其不良影响,因此对于电网来说,无功功率补偿非常重要。
1.1.3无功补偿方法
一般来说,补偿船舶上的电子元件和负载产生的谐波或者无功,可以采用两种方式
1)针对产生无功功率的源头来说,改进产生无功和谐波的源装置,如果可能通过一些改造使其不产生无功,那么就可以使用此方式,但是船舶负载非常复杂,每个部分都很重要,很难通过改造的方式使其不产生无功;
2)通过在产生无功装置的外部再增加补偿装置的方式来抑制谐波和无功,不管产不产生无功,属于在结果上补偿。无功补偿装置从并联电容器、调相机、静止无功补偿器(SVC),发展到静止无功发生器(SVG),静止同步补偿器[2]。表1.1介绍无功补偿装置的特点。
3)对于无功功率补偿,除了使用上述方法外,还可以在一些装置基础上不增加元件,向电网中输送无功功率,这样利用了现有装置,避免增加装置带来新的问题,节约了成本和资源。
1.1.4课题研究意义
新能源发电在不断发展,并且与船舶发电的结合越来越多,而提高电网的电能质量重要程度不断上升,船舶新能源和电网电能质量逐步引起国内外人员的重视,其中船舶新能源并网技术和无功补偿技术成为国内外的研究重点,并网逆变器和无功补偿是其中的难点和关键。
为了将新能源产生的能量整合到电网中,其发出的直流电要逆变为交流电,此环节是逆变器完成的。而要使逆变器输出最优化,研究逆变器的结构、模型和控制技术等变得尤为重要。
船舶负载和电力设备在运行中会发出大量的无功功率、谐波电流和电压,导致电网电压波动,产生的无功功率更会恶化设备运行条件,所以无功补偿是维持船舶电网系统稳定运行所必须的,对电网和负载的稳定都非常重要。对于这些待解决的问题,传统的无功补偿装置难得到较好的补偿和控制效果。为了提高船舶电网功率因数,在船舶的特殊环境下利用逆变器来提供无功功率是比较合理的方法。
表1.1 无功补偿装置及其特点
补偿装置名称 补偿装置名称 补偿装置特点 | 含义 | 优点 | 缺点 |
并联电容器 | 用电容元件与产生无功的元件并联,主要用于提供系统中感性负载发出的无功。 | 价格廉价、容易装配、便于调节等。 | 容量有限、对并联元件电压变化敏感、引发谐振等。 |
调相机 | 相当于空载的同步电机,调节励磁电流,根据电力系统的需要,自动地增加无功输出或吸收无功功率。 | 准确跟踪系统变化、容性和感性均可提供、寿命长等。 | 产生的励磁大,元件消耗大、不能较好的散热等。 |
静止无功补偿器(SVC) | 无旋转零件,运行时固定,是把电抗器和电容器结合运用,得到系统需要的无功。 | 双向连续、高效率、快速的动态响应等。 | 它本身会产生谐波,污染电力系统。要有滤波设备。 |
静止无功发生器(SVG) | 是一种静止型电气设备,调整桥式电路交流侧输出电压参数,可以从系统吸收或者发出容性和感性无功。 | 补偿时间快、极大提高功率因数、补偿准确、使用寿命长等。 | 本身产生谐波,污染电力系统。 |
综上所述,对于船舶电网的无功功率的补偿问题,如果可以研究一种响应迅速,控制简单、补偿准确的并网逆变器具有很高的价值和意义。
1.2 并网系统国内外研究现状
在新能源并网、并网逆变器、无功功率等方向,国内外研究人员做了不同程度的研究。本文是对并网逆变器控制策略、滤波器和无功功率补偿等进行研究,来提高电网电能质量和补充所需无功。所以主要在这几个方面进行分析。
1.2.1逆变器及其控制技术
逆变器及其控制技术最主要的控制目的是对其中输出的电流进行调控,并且可分为两种不同的调试方式:直接和间接控制。其中两种控制比较好的是直接电流控制,因为其控制系统中没有中间变量,直接来对电流进行跟踪,其原理也比较简单,适合实际应用,而且还能够有着不错的控制精度。间接控制中间变量是幅角相位,通过这个中间变量来控制其输出电流,所以并不需要采集电流变量,但是也有缺点:受系统的参数影响非常大。
电流的直接控制包含线性控制,如比例积分控制、预测电流控制等,还有非线性控制,如神经网络控制、滞环控制、模糊控制等,且脉宽调制控制等直接电流控制能够获得优良的响应性能[3]。
其中文献[3]选择的是外环用电压来控制,内环用电流来控制,分别控制直流端电压的稳定和逆变器输出电流,但本文假设的是直流端电源充足且稳定,所以电压外环的结构对本文并没有帮助;文献[4]中的逆变器是其设计的新型逆变器,并且使用了自适应电流控制,此种方式的优点是并没有用到低通滤波器,所以可以适当提高速度和精度来对逆变器进行控制。而且此类型逆变器还能够实现无功补偿的等功能,是一种比较好的设计方式,但缺点是并没有分析逆变器系统组件中的滤波电路;文献[5]分析了两个方向的内容,一是电流控制,还有并网控制,从这两个不同的方面分析逆变器的控制,并且还提出了一种控制方式:网压前馈,但并没有考虑控制参数优化的问题。综上所述,本文选择的是结构简单、控制精度较好的比例积分控制来控制并网电流。
1.2.2滤波器和谐波抑制技术
由于船舶电力电子设备和负载产生的大量谐波,必须在并网系统中加入滤波器来滤波。滤波器会承担提高入网电流质量的重任,把电网中的较高的频率的电流滤除,并且滤除与电网频率不一样的较低频率的电流,最后把高质量的电流汇入船舶电网。实现上述过程,必须要控制好滤波器的各种参数和适合的环境,只有这样才能够发挥其作用。
其中文献[6]提出采用遗传算法,一种寻优算法,借鉴生物的遗传变异机制,将变量编译为染色体,利用编码技术,建立最优解目标函数,求出最优解,对船舶电网网侧 LCL 滤波器参数进行了优化设计,实现了滤波器的优化和抑制逆变器谐波,但并未提及逆变器控制技术;文献[7]中的滤波器参数和谐振峰的抑制通过努力消除了,其所用的是基于数字控制的电容电压前馈方式,系统将是一阶系统,因此逆变器不会产生谐振峰;文献[8]提出了采取检测较为容易的逆变器侧电感电流的方式,但是也存在限制,就是要使用相应的滤波器,只有这样才能抑制滤波器的谐振。所以,综上所述,本文为了能更好的抑制由滤波器产生的谐振峰的现象,选取了控制效果不错的电容电压反馈,这种方式对系统来说也比较易于测量。
1.2.3无功补偿
根据前文所述的无功补偿方法,国内外对此进行了不同的研究。
在上面的第二种方法中,文献[2]主要分析静态无功发生器。这种方式对无功补偿具有一定局限性。其针对基于IGBT三相桥式SVG的结构,对系统中SVG的控制方式进行分析。缺点是属于增添无功补偿装置来提供无功,会引进新的谐波问题;文献[9]研究的新型电源浪涌补偿器来进行无功补偿,也是属于加无功补偿装置来提供无功功率。
在文献[10]中通过在理论上的对并网逆变器无功的补偿,得到了需要的结论,也验证了实际中的逆变器有功和无功电流的作用,但是所用到的方式对于船舶来说并不是很好,所以没有在船舶上运用;同样在文献[11]实现了对并网逆变器有功和无功功率的补偿,还可同时并网发电和补偿无功功率,但只是对光伏系统进行研究,具有特殊性。这两篇文献属于在逆变器基础上补偿无功功率,并未增加新装置,避免了引入新问题并节约了成本。所以,本文也是采取此方式并加入匹配的逆变器控制方式。
综上所述,在逆变器控制技术方面,国内外研究人员根据不同的工作环境提出了多种控制策略,而且每种策略都有其适用环境,由于船舶电网波动较大的工作环境,本文选择的是结构简单、控制精度较好的比例积分控制来控制并网电流;在滤波器谐波抑制方面,国内外研究人员提出多种算法和控制来对滤波器进行参数优化和谐波抑制,因为在船舶新能源并网逆变器系统中采用 LCL滤波器具有最好的滤波效果,既能在低频时期起到与单L滤波相同的作用,又能在高频时期更好的滤除高频谐波,所以本文利用LCL滤波器结构,引入电容电流反馈的方式来抑制滤波器谐振的出现;在无功补偿方面,国内外对于上述三种无功补偿方法都做了不同程度的研究,由于本文是要补偿船舶电网的无功功率,针对船舶三相电网和新能源并网逆变器,本文选择利用逆变器对电网进行无功补偿,在不增加装置的基础上实现无功补偿的目的。
1.3本文研究内容
本文借鉴国内外研究,不增加电力元件,研究在船舶新能源并网逆变器的基础上对船舶电网进行无功补偿,具体进行以下研究工作:
- 了解现代船舶电力系统和船舶电站的基本概念、部件和工作过程;
- 钻研了新能源的并网体系的工作原理,首要的是是分析核心部件逆变器,这其中的元器件包括滤波电路,学习其工作原理和模式,并用Simulink仿真适用于船舶并网系统的逆变器模型;
- 研究SVPWM(空间矢量脉宽调制)调制方式,分析其工作原理,在Matlab/Simulink中组合仿真模型;
4)学习了瞬时无功功率理论,包括在此基础上的无功电流检测方式,这是实现本文无功补偿目标的基础理论,并且还要深入分析逆变器无功输出的原理,懂得其过程中的问题。选择逆变器的控制方式,并在Matlab/Simulink中形成无功电流检测模块。
以上是毕业论文大纲或资料介绍,该课题完整毕业论文、开题报告、任务书、程序设计、图纸设计等资料请添加微信获取,微信号:bysjorg。
相关图片展示:









