基于labview船用电控注油器综合性能测试系统开发毕业论文
2020-03-26 14:47:34
摘 要
电控注油器性能检测试验是电控注油器技术研究和生产的必要环节。随着电控注油器技术的发展,对其检测技术的要求也越来越高。本文利用一种新型仪器——虚拟仪器,以 MAN-Bamp;W公司推出的 ALPHA型电控气缸油注油器为研究对象, 研究了电控注油器性能测试的基本原理和试验装置,以及电控注油器性能各个参数检测的测量方法。
虚拟仪器是一种能够深入挖掘计算机资源,通过软件实现硬件,并由用户设计的具有虚拟操作面板的计算机仪器系统。本文利用NI公司开发的软件 LabVIEW构建了电控注油器性能测试系统的方案。
本文主要分为三部分。首先,在第一部分中,结合虚拟仪器自身的定义、结构、优势,详细地介绍了 LabVIEW 开发环境的特点及其测试系统的构建方案;第二部分对电控注油器性能测试进行了需求分析,并在PC-DAQ数据采集的基础上,构建了系统的总体结构,对传感器、数据采集卡进行了选型;第三部分以 LabVIEW 作为开发平台,进行电控注油器性能测试系统的软件设计,成功的完成软件开发。
系统最主要的目标是实现数据的采集。本系统采用 PC-DAQ 方式的虚拟仪器结构。软件采用模块化的设计方案,将软件分为数据采集、数据处理、监测报警、数据的显示、储存、查询等模块,各模块采用层次结构进行编程,实现数据的采集、计算、处理、存储和显示等功能。最终,软件功能基本都已实现,并且具有人机交互界面简洁友好、成本低廉等优点。
关键词:大型二冲程柴油机;电控注油器;虚拟仪器;LabVIEW;数据采集
Abstract
The performance test of electronic control lubricator is a necessary step in the research and production of electronic control lubricator. With the development of electronically controlled oil injector technology, the requirements for its detection technology are also getting higher and higher. In this paper, a new type of instrument, virtual instrument, is used to study the basic principle and test device of the performance testing of the electronic control injector, and the measurement method of the performance of the electronic control injector. The ALPHA type oil injector is used by MAN-Bamp;W company as the research object.
Virtual instrument is a kind of computer system which has the function of making full use of computer resources and designed by the user and has a virtual operation panel. This paper presents a scheme of constructing the performance test system of electronic controlled lubricator by using NI software LabVIEW.
This article is divided into three parts. The first part introduces the concept, characteristics and composition of the virtual instrument, introduces the characteristics of the LabVIEW development environment and the construction scheme of the test system in detail. The second part analyses the basic principle of the performance testing of the electronic control injector, and builds the overall structure of the system on the basis of the virtual instrument technology, and then according to the system. The system design requires the design of the system hardware and the selection of the sensor and data acquisition card. The third part, using LabVIEW as the development platform, concretely embodies the software design of the performance testing system of the electronic control injector.
The system adopts the virtual instrument structure of PC-DAQ. The main function of the system is data acquisition, the system adopts modular design, the system is divided into data acquisition, data processing, monitoring and alarm, data display, storage, query and other modules, each module is programmed with hierarchical structure, and the functions of data acquisition, calculation, processing, storage and display are realized. The whole system has the advantages of friendly interface, convenient operation and low cost.
keywords:Large two stroke diesel engine;electronic fuel injector;virtual instrument;LabVIEW;data acquisition
目录
摘要 3
第一章绪论 8
1.1研究背景及意义 8
1.2国内外研究现状 9
1.2.1国内外电控注油系统研究现状 9
1.2.2 国内外电控注油器测试系统研究现状 10
1.3 虚拟仪器,Labview 10
1.3.1 虚拟仪器vi 10
1.3.2 LabVIEW 语言简介 11
1.4 ALPHA电控注油器简介 12
1.4.1 ALPHA注油器系统的组成 12
1.4.2ALPHA注油器工作原理 14
1.5本论文的主要研究内容 14
第二章电控注油器综合性能测试系统的设计 16
2.1需求分析 16
2.1.1电控注油器综合性能需求分析 16
2.1.2电控注油器综合性能测试软件功能需求分析 18
2.2系统方案设计 19
2.2.1虚拟仪器的硬件 20
2.2.2虚拟仪器系统的软件 20
第三章数据采集单元的开发 22
3.1 数据采集原理 22
3.3.1 数据采集的过程 22
3.3.2 数据采集模块的性能指标 22
3.3 各个参数的测试原理与硬件选型 23
3.3.1 温度的测量 24
3.3.2 压力的测量 24
3.3.3 油量的测量 25
3.3.4 主机自由端角度的测量 25
3.3.5 电磁阀驱动电流的测量 26
3.3.6 电磁阀动作频率的测量 26
3.4 数据采集卡 27
3.5 计算机 27
3.6 DAQ卡的驱动 27
第四章 测试系统的软件开发 29
4.1软件开发 29
4.1.1开发原则 29
4.1.2软件的开发流程 29
4.2.3系统的总体结构 30
4.2.4系统主界面 31
4.3数据采集 31
4.3.1数据采集卡的参数设置 32
4.3.2建立数据采集任务 32
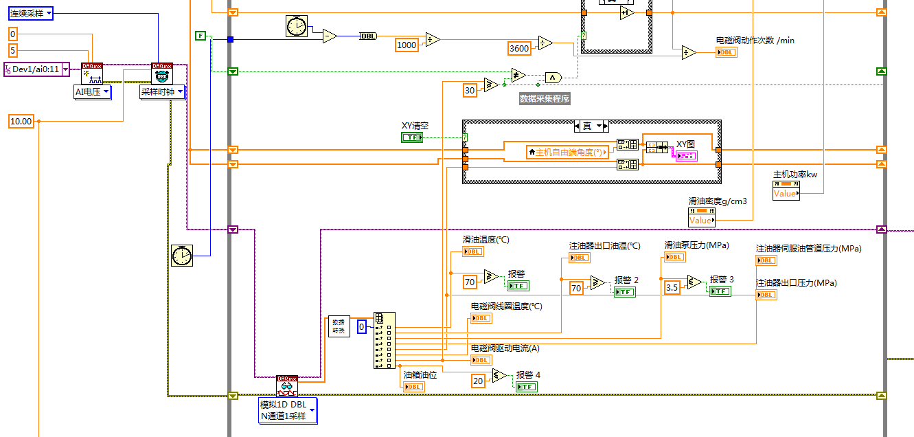
4.3.3监测报警 33
4.4数据处理,显示,计算 34
4.5实验数据的储存与查询 35
4.6软件功能的验证 36
第五章总结与展望 38
5.1全文总结 38
5.2本文不足与展望 38
参考文献 39
致 谢 40
第一章绪论
1.1研究背景及意义
在船用大型二冲程低速柴油机中,柴油机气缸的润滑是一个相当重要的工作,气缸润滑系统是一个独立而复杂的润滑系统。当代柴油机呈现出工作强度越来越高、燃油品质却越发粗糙的发展趋势,这对气缸润滑的数据要求有了更高的技术水平。首要的原因是气缸滑油处于恶劣的工作环境——高温。通常气缸套上部表面温度为180-220℃,缸套下部表面的温度为90-120℃,活塞环槽表面温度根据测量点位置和活塞顶的不同在100-200℃之间变化[4]。这样的高温会导致滑油黏度降低,加速滑油的氧化变质,破坏气缸壁上部分的油膜。此外,船用大型二冲程低速柴油机使用的劣质燃油也会给气缸润滑带来很多阻碍。这是因为硫分高、灰分高、残炭值高和沥青值高的燃油会对气缸壁造成低温腐蚀、加剧固体颗粒磨损、结碳增多,最终引起活塞环胶着和气口堵塞等故障。因此,二冲程柴油机汽缸注油最为重要的作用为:(1)在活塞与缸套之间形成完整的油膜,并保证有效润滑。(2)通过汽缸油自身的碱值,中和燃烧室中的硫酸。(3)抑制燃烧室结炭,溶解并携带固体颗粒进入扫气箱,清洁气缸。
传统的船用大型低速二冲程柴油机气缸润滑都是通过轴系驱动机械注油器注油的[4]。传统气缸油注油系统的注油压力低,气缸油注入缸套后是沿着缸套上的布油槽流动,再通过活塞环运动进行布油[7]。这导致汽缸油在缸套内分布不均,润滑效果一般。此外,通常情况下大部分气缸油都是在活塞环上行越过注油孔时被注入气缸,因此一部分汽缸油就被活塞环直接刮入扫气箱,滑油利用率大打折扣。随之,极易导致缸套润滑恶劣,扫气箱排污通道堵塞,汽缸油碱值升高等问题。毋庸置疑,这给航运公司的运营管理带来了高昂的成本,也给柴油机的升级换代中带来了巨大压力和动力。
针对这些情况,各生成厂家相继推出了不同的新型气缸注油系统。其中比较成熟的有丹麦汉斯延森气缸注油系统公司(Hans Jensen Lubricators)推出的旋流喷雾式(SIP)气缸油润滑系统和MAN-Bamp;W公司推出的ALPHA电控气缸油注油系统以及Wartsila电控气缸油注油系统[7]。与传统气缸注油系统相比,SIP系统是将油喷布在缸壁上;ALPHA系统是将油喷布在活塞环上,二者都取消传统的注油器机械传动机构,设立高压供油单元和控制单元,注油压力从原来的2-3Bar提高到25-30Bar(2.5-3.0Mpa),气缸油耗油率降到6-7g/Kwh。其中MAN-Bamp;W公司推出的ALPHA电控气缸油注油系统最显著的优点是大幅度的降低汽缸油消耗量,尤其是大功率柴油机,并且具有可靠的软件支持,系统工作配套、稳定,性能优越。由于其显著的优点,掀起了业内的研究浪潮。
在国内,科学技术水平相对发达国家还比较落后,尤其是在电子控制气缸油系统方面。一方面,是由于缺乏相关技术引进、开发与投入,更没有开发出完全成熟的电控注油系统。另一方面,缺少配套的测试系统,如船用电控气缸注油器综合性能测试系统,这更加制约着我国实现电控注油系统的完全国产化。
该船用电控气缸注油器测试系统的开发,旨在设计试验台架,并基LabVIEW平台,开发出能够对电控注油器的各项参数进行实时监测、分析、报警的软件,将对电控注油器一致性、稳定性、可靠性的评估起重要的参考作用。其在柴油机气缸注油电子控制系统方面的研究也有一定的价值。
1.2国内外研究现状
1.2.1国内外电控注油系统研究现状
早在电控气缸油注油出现以前,就有传统机械式气缸油注油的方法,但是该方法技术老旧、弊病较多。传统机械式气缸注油器的注油量与主机转速成正比,使得低负荷工况下注油率偏高,HansJensen(HJ)SIP型注油器克服了这一不足,可实现气缸油注油率的控制,但单孔切线方向的喷雾易导致缸壁偏磨[6]。但是,传统机械式气缸润注油器和HansJensen(HJ)SIP型注油器,这两种注油器从结构和原理上还存在注油压力低和定时不准的缺陷。相比之下,MAN公司新推出的一款电控气缸注油润滑系统——ALPHA ACC控气缸注油润滑系统,通过科学的控制策略克服了这一缺陷。 ALPHA ACC电控气缸注油润滑系统能够根据主机运行工况及燃油、汽缸油品质,对注油参数进行合理计算并进行调节,改善了缸套润滑效果,并大幅降低了气缸油消耗,但是技术对国内封锁,价格昂贵。
国内部分高校、研究院对船用柴油机气缸注油电控技术进行了相关的研究。其中武汉理工大学曾研发出了一种具有自主知识产权的船用二冲程柴油机气缸注油电子控制系统[4]。此外,武汉理工大学和武汉赛林德船舶科技有限公司联合研制生产了新型SMT电控气缸注油润滑系统,该系统具有高压柱有、注油定时精准的优点,同时实现了注油量智能精确调节,提高了气缸油的利用效率,大大改善缸套和活塞环的磨损状况,能够降低航运企业的运营成本,并减少污染物排放。此外,还有较为创新的是陈智君、吴丹雯针老师对大型二冲程柴油机气缸注油系统而研发的电控注油系统[4]。其系统在多艘实际船舶安装应用,都取得了良好的效果,但是所用进步电机控制注油率效果没有电磁阀控制那么精准。
1.2.2 国内外电控注油器测试系统研究现状
国外厂商在开发电控注油系统时,就早已对注油器的综合性能进行了深入的研究。而我国对注油器的检测起步较晚,多数是采用的国外某注油器的具体参数,且偏向于仿真计算方面。但是近年来随着航运业的发展及国家、社会的重视,许多高校、企业和研究所也投入了大量的精力对注油器的各项性能展开研究,并且取得了成果。
哈尔滨工程大学的宁一高,石勇,张波等人,为研究ALPHA注油器的注油性能,运用AMESim软件对ALPHA注油器系统进行了模拟计算,模拟了其注油过程,分析了一些主要参数[11]。通过建立仿真模型,模拟ALPHA注油器系统的工作过程,并利用仿真结果进一步进行优化设计,具有一定的参考价值。此外,武汉理工大学的胡国梁,肖金赫,接浩南,贺玉海,边钢在大型低速柴油机气缸润滑系统的试验台架上进行电子测控系统的设计与搭建[9]。该测试系统针对自主研发的注油器,首先实现了利用电磁阀对注油器的控制,并对各个实验数据进行采集、分析,并以此来检验注油器的性能,尤其是注油量、注油压力、延迟时间等方面做进一步分析优化,以期其注油器能够满足实际工作的需求。
1.3 虚拟仪器,LabVIEW
1.3.1 虚拟仪器vi
传统仪器长期以来是工业测控领域中的主流。通常由操作面板、显示界面、信号输入和输出通道等部分构成,具有数据的采集、分析处理等功能。作为一个成品,它被设计来实现一些特定的测试和测量功能,如人们常用的示波器。所以它通常是在工厂出来之前固定下来的。一旦用户确定了需求和功能,定型之后就很难对其进行调整。这给系统升级和生成带来了不小的麻烦,同时也增加了大量的成本。随着科技的不断发展和创新,传统仪器由于自身的局限性已经不再能满足用户日益多样化和多功能的需求。在需求的推动下,这一次,虚拟仪器诞生了。美国国家仪器公司(NI)首次引入了虚拟仪器(Virtual Instruments)的概念,并提出了其著名的口号:The Software is the Instrument(软件就是仪器)[13]。这一口号打破了传统仪器由厂家定义而用户无法改变的模式,它首次被应用于测试测量领域,成效显著,发展迅速,逐步成为业内的标准[16]。
虚拟仪器本质上是一种计算机软件技术,但是它融合了传统仪器完成测量任务的所需的硬件。它能够在实际利用硬件进行数据测量、采集的过程中,利用计算机软件技术拓展传统仪器的功能,是一种利用软件实现硬件的技术。
虚拟仪器技术是软件与硬件的高度融合,它不仅针对不同的测试条件和环境开发了一套形式各异测量的硬件,还配备了相应的驱动程序,充分发掘计算机强大的功能,利用丰富的外设资源支持各种串口、USB 和 GPIB 的接口仪器[16]。除此之外,软件作为虚拟仪器技术的心脏,不仅拥有传统仪器所能够完成数据的采集、处理、分析的功能,还能根据用户的不同需求拓展各类功能,比如网络通信、FPGA 开发等,并且软件的修改、完善异常方便,极大的满足了用户的个性化需求。当然,虚拟仪器技术作为一种全新的技术,它能够快速发展的原因也在于它在提供一种方便快捷、条理清晰、形式生动的编程方式,大大减轻了用户的编程负担,因此它也成为了当代工程师们最受欢迎的软件开发平台。
综上所述,虚拟仪器具有更好的开放性、灵活性和可操作性,可以支持更多的测量设备,并可以通过虚拟仪器完成不同专业领域的系统构建。它不仅易于扩展和调整系统的功能,而且能够保证不会丢失硬件和软件的资源,实现了真正意义上的按需配置个性化系统。
近年来,虚拟仪器在人们的生产和生活中得到了广泛的应用,在车辆交通、检测维修、能源动力、国防建设等方面都取得了突出的表现。虚拟仪器技术虽然诞生的时间比较短,但是在各大高校,研究机构中被率先使用起来,取得了一个良好的开端。之后,虚拟仪器技术的应用范围也在不断扩大,功能越来越丰富,各种的范例源源不断,尤其是在数据监测,远程控制,故障诊断等方面。
1.3.2 LabVIEW 语言简介
正如前文所述,虚拟仪器是软件与硬件的高度融合。这就意味着它最重要的组成部分便是它用于集成的的软硬件平台,也就是所谓的软件开发环境。一个软件开发平台普及度和受欢迎程度往往取决于多方因素。在虚拟仪器技术领域,NI 公司的 LabVIEW 软件开发平台由于其丰富的功能、快捷的编程模式这两个突出优点,成为了应用最广泛、普及度最高、案例最丰富,涉及行业领域最多的软件开发环境。
LabVIEW(Laboratory Virtual Instrument Engineering Workbench,实验室虚拟仪器集成环境),是美国NI公司推出的一种基于G语言(Graphics Language,图形化编程语言)的虚拟仪器软件开发环境。LabVIEW一大创新之处在于它糅合工程师们和科学家经常接触的术语、概念和图形,开发了一种图形化的编程语言—G 语言,因此在它的诞生之初就取得了广泛好评。G语言摈弃了传统文本式的代码编写过程,也摒弃了传统编程语言的晦涩难懂,取而代之的是以各种生动的图形化框图和关系清晰的连线,便能够实现各种功能,包括数据处理、通信,控制与仿真等功能[13]。用G语言编写的VI程序结构清晰、操作简便、易于理解和修改,这就是为什么G语言收到各种用户喜爱的原因。
以上是毕业论文大纲或资料介绍,该课题完整毕业论文、开题报告、任务书、程序设计、图纸设计等资料请添加微信获取,微信号:bysjorg。
相关图片展示:









