船舶直流电网技术研究现状及发展前景毕业论文
2020-03-23 09:30:49
摘 要
本文的主要研究的内容是在通过介绍船舶电网的发展历史,对船舶直流电网在历史的时间轴上能够有一个纵向的客观认识,通过对比船舶交流电网与船舶直流电网的优势,从船舶直流电网的发展前景上面来横向的概述船舶直流电网为什么会在现在这么受到科学家们的青睐。在当今世界的大背景下,船舶电力推进系统相比于传统的船舶机械动力推进系统而言,具有十分明显的优势。通过介绍及分析类似西门子和ABB等公司的先进设备和技术理念,了解船舶直流电网在现阶段的研究现状,以及在现阶段船舶直流电网在试验和实际的运行中所出现的类似于直流断路器的选型,以及船舶直流电网系统的智能保护装置等问题,并通过翻阅相关的资料,尽可能的给出相对合理的解决方案。并对船舶直流电网在未来的发展前景进行合理的预测。
关键词:船舶直流电网;船舶交流电网;直流断路器;智能保护装置;
Abstract
The main research content of this paper is that by introducing the development history of shipbuilding power grids, it is possible to have a longitudinal and objective understanding of the ship's DC power grid on the historical timeline. By comparing the advantages of the ship AC power grid and the ship's DC power grid, the ship's DC power grid The development prospects above have outlined a horizontal overview of why the ship's DC grid is now so favored by scientists. Under the background of the world today, the marine electric propulsion system has obvious advantages compared to the traditional marine mechanical propulsion system. Through the introduction and analysis of advanced equipment and technical concepts like Siemens and ABB, the current status of research on the ship's DC power grid at present is discussed. At the present stage, similar to DC circuit breakers appearing in the experiment and actual operation of the ship's DC power grid. The selection of the type, as well as the intelligent protection device of the ship's DC grid system, and through reading relevant information, as far as possible to give a relatively reasonable solution. It also makes reasonable predictions for the future development prospects of the ship's DC grid.
Keywords: shipboard DC grid; ship AC grid; DC circuit breaker; intelligent protection device;
目录
第一章 绪论 1
1.1电力系统 1
1.2船舶电力系统 2
第二章 船舶电网的发展 4
2.1船舶电网发展的前身 4
2.2船舶交流电网 4
2.3直流组网技术 6
2.3.1常见的船舶直流电网结构 6
2.3.2直流电网架构 7
2.4 直流电网相对于交流电网的优势 7
2.5船舶综合电力系统 9
2.6本章小结 9
第三章 国内外发展现状 10
3.1目前国内外发展现状 10
3.2外国公司的直流电网系统简介 11
3.2.1西门子公司 11
3.2.2 ABB公司 13
3.3本章小结 14
第四章 船舶直流电站的类型及适用领域 15
本章小结 17
第五章 直流组网技术的难点 18
5.1中压直流电力系统还需要进一步研究的关键技术 18
5.1.1中压直流逆变器模块 18
5.1.2中压直流断路器 18
5.2船舶直流电网的固态断路器选择 19
5.3发电机组柴油机变速运行 21
5.4逆变器布局考虑 23
5.5舰船综合电力系统智能保护方法 24
5.5本章小结 24
第六章 船舶直流电网未来发展的展望 26
第七章 结语 27
参考文献 28
致谢 29
第一章 绪论
船舶上的电力系统应用,最早可以追溯到十九世纪八十年代的SS哥伦比亚号的直流船舶电力系统,在哥伦比亚号使用灯泡进行照明,这是根据记载的第一次商业用电。然而,随着感应电动机、变压器和柴油机在十九世纪末到二十世纪初的出现,以及船舶交流电力系统的逐步完善,船舶交流电力系统便渐渐的取代了此前体积重量大的直流电力系统。但是随着新的变换技术的出现,例如电力电子、电池储能、直流电力系统等,使得在过去由于体积重量问题而被交流电力系统所替换掉的直流电力系统又重新的出现在人们的面前。再由于2008年世界性的金融危机发生时后,船舶商业遭受到了巨大的冲击,随着各国对于船舶排放法规的日益完善,监管部门的大力行动,使得船舶航运业不得不向着清洁、无污染的方向发展,在与多能源相衔接转换的方面,船舶直流电网也展现出了相比于船舶交流电网的优势,全电船的概念也慢慢的被各大公司的科研团队所青睐,相信在不久之后,全电船的概念也会被广大世人所熟知。
本文主要所探讨的是船舶直流电网的研究现状,在接下来的第二章里会介绍船舶电网的发展,目前船舶直流电网是如何进行工作的以及其相对于船舶交流电网的优点;在第三章会通过介绍国内外船舶直流电网的研究现状,结合像西门子和ABB这类的公司的研究成果,细致的介绍有关船舶直流电网的信息;在第四章会介绍新型船舶直流电网所适用的的领域以及在实船上和公司内研究出的船舶直流电网的单线图;在第五章会鉴于目前世界上对于船舶直流电网的研究进展,分析船舶直流电网在未来的发展中将会遇到的技术瓶颈,并针对其中例如直流断路器等方面进行合理的分析,并通过查阅相关文献,找出较为恰当的解决方法;在第六章会结合船舶直流电网的研究现状,对其未来的发展前景进行合理的预估。
1.1电力系统
通常人们所提到的电力系统指的是通过发电、转换、传输和利用这四个阶段所形成的一个发电消费系统。而电力系统的功能主要是将存在于自然界里的一次能源通过例如发电机组、锅炉、汽轮机和发电厂辅助生产系统等发电厂来转换成为电能供各个用电负载所使用。
1.2船舶电力系统
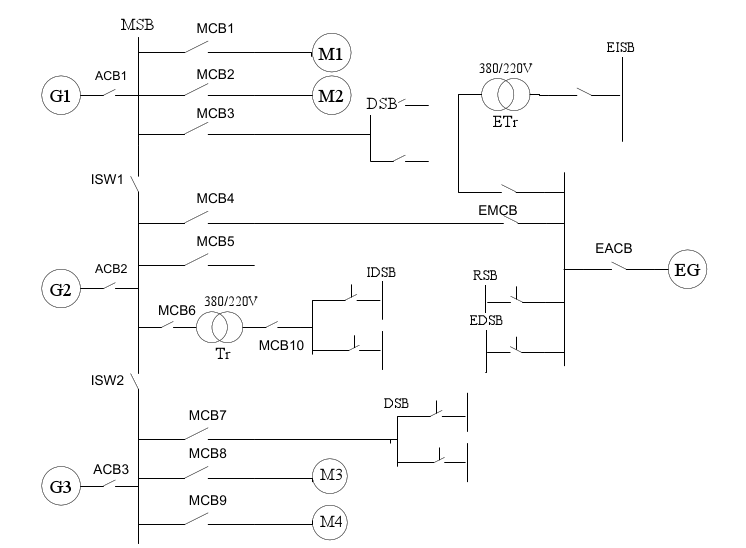
在船舶上,没有像发电厂那样庞大的发电机械,所以一般由电源、配电装置、电网和负荷这四大部分来组成一个船舶的电力系统。图1.1即为常用的船舶电力系统的原理示意图。

G-主发电机;EG-应急发电机;ESB-应急配电板; EACB-应急发电机主开关;ACB-发电机主开关;MSB-主配电板; MCB-配电开关;M-电动机;DSB-分配电板;RSB-无线电分配电板;M-电动机;EMCB-应急配电开关;ISW-隔离开关;ISB-照明配电板;EISB-应急照明配电板;ETr-应急照明变压器;IDSB-照明分配板;EDSB-应急分配电板;Tr-照明变压器
图1.1 船舶电力系统原理示意图
其中主要设备有:
配电装置:配电装置主要是分为主配电板、分配电板(动力、照明)、应急配电板、弱电配电板、蓄电池充放电板以及岸电箱等。配电装置所起到的作用有配电、监控、测量、保护、转换和控制电力和负荷等。
电源:电源是将由柴油机等所产生的机械能、化学能和其他能源转换成电能再供给其他用电负载所使用的装置。通常而言,船上常用的动力装置分为柴油发电机以及蓄电池。
船舶载荷:船舶载荷一般可以细分为机舱机械、甲板机械、导航设备、船舶照明和生活电器等电气设备。船舶载荷所指的即为全船上的各个用电设施,船舶载荷是利用电能或者将电能转化为其他形式的能量的装置。
船舶电力网:船舶电力网指的是整个船舶线缆的总称。电网是联系发电机、分配电板、主(应急)配电板以及负载的中间环节,也可以说是向负载输送电力的媒介。
第二章 船舶电网的发展
2.1船舶电网发展的前身
在十九世纪三十年代末,德国第一次记录了将电力应用于船舶;在十九世纪七十年代的火炮发射系统,是根据记载第一个成功应用在船舶上的电力系统;在十九世纪八十年代初,随着白炽灯的发展,人们将白炽灯安装在客货船哥伦比亚号上,不久之后,电动马达被应用在通风和枪炮系统中;十九世纪八十年代中期,根据记载第一艘成功的电动船是由德国西门子公司建造的Elektra号客轮,该艘客轮的载客量为三十人。十九世纪九十年代中期,布鲁克林号装配了一套八十伏的直流电力系统,用于操作绞盘、甲板机械和枪架。此时由于交流电机还没有完善,因此大多数安装的舰载电力系统都为直流电。
2.2船舶交流电网
到了上个世纪六十年代,船用内燃机逐渐取代蒸汽机作为动力系统。在同一时期,船舶电力系统中的直流系统逐渐被交流系统所取代,这是由于交流电系统能够提供相对于直流系统而言更多的电力。再经过多年的不断发展,除了主机和发电柴油机之外,其他大部分的船舶辅机都实现了由电力驱动,这也就意味着船舶电气化时代的正式到来。
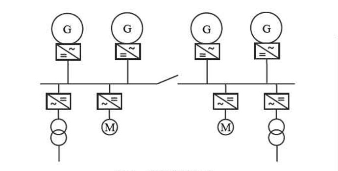
船舶电力系统中常见的船舶交流电网结构如图2.1所示,

图2.1船舶交流电网图
在上图2.1中,电网负载接收的功率一般由发电机产生,所产生的功率由变压器或逆变器处理。与一般地面网络系统相比,船用交流网络系统与通用陆地网络系统的区别在于交流电源输入不是固定电网,而是通过配电柜连接多个柴油机组而形成的弱电网。由于交流联网的要求是每台发电机的频率必须一致,船舶电站的频率和幅度是固定值[2]。
不同的发电机组由并网开关控制。只有当配电盘上各个交流发电机组交流电压的频率,幅值和相位相等时,才可以闭合并网开关,实现发电机组的运行。电网连接。
为了实现螺旋桨的调速功能,通过AC-DC交流变频器(整流逆变器)将船舶电站的恒定频率转换为可调频率,实现驱动螺旋桨。在实际应用中,还需要在变频器的输入侧增加一个变压器以实现电气隔离。
然而,随着技术的不断进步和人类发展需求的不断变化,目前广泛使用的低压交流电源系统出现了以下问题:
1)随着船舶系统容量的不断增加,系统的短路电流随着故障时间的增加而逐渐增加。这种情况对传统断路器和保护装置的分断能力要求越来越高。难度也在增加。
2)在国际上,2至25,000千瓦通常被定义为低压(380伏)发电机容量的上限。在低压下25 MW以上的发电机的设计和制造不仅在技术上困难,而且在经济上不合理。现代大型船舶的能力已经超过10兆瓦(国家在20世纪90年代初使用的电力推进船的数量已经达到几十兆瓦)。目前,国内低压发电机单相容量不超过1.5兆瓦。 (特种船除外)如果要实现大容量的船舶,在船上安装七台以上的发电机显然是不合理的。
3)随着船舶电力系统容量的增加,低压系统的机组数量也在增加,船舶电网结构也越来越复杂。有效保护和控制大容量,复杂结构和多个单元等系统也是非常困难的。
4)随着低压系统容量的不断增加,发电机的额定电流会变大,这会增加电缆的发热量,线路的损耗也会增加。由于船舶设备安装空间的限制,不仅需要数十根电缆的大额定电流并联才能使电缆进出线路成为一个非常困难的问题,而且还需要安装和日常维护的发电机。维护带来了不便。
可以看出,传统的低压交易所已经不能满足人们日益增长的贸易需求。如何提高供电系统的电压水平已成为电站向大容量发展时必须考虑的问题[3]。
2.3直流组网技术
2.3.1常见的船舶直流电网结构
与以前使用直流发电机直接为整个船舶供电的方式不同,今天的船舶直流电源系统通常采用带整流器的交流发电机的形式。 如图2.2所示,交流发电机产生的功率将由整流器整流为直流电。 如果每个消费设备都需要电力,它将直接使用直流电或通过使用逆变器从直流电网吸收电力,以将直流电转换为交流电。

图2.2船舶直流电网图
2.3.2直流电网架构
在机载直流电网中,电力被馈送到一个或者两个直流母线中,然后分配给消费者。交流配电网由转换器供电,转换器能够提供无谐波含量的高功率这可能会影响敏感的电子电路。为了确保最大的可靠性,每个主要的交流电消耗设备都由自己的转换器供电。机载直流电网的所有可能的配置可以分为如图2.3所示的两种主要方案:集中式和全分布式系统。在集中式多驱动系统中,所有变流器都位于同一空间中,而分布式变流器中的每个变流器都位于发电机或其所服务的电负载附近。在这种情况下,每台发电机都配有一个直接安装在发电机上的整流器,或者放置在一个独立的机柜旁边[4]。

图2.3机载直流电网架构
a集中式
b分布式概念
2.4 直流电网相对于交流电网的优势
船舶直流电力系统相较于船舶交流电力系统来说,在提高船舶的使用效率、节约能源、节省船舶空间、系统的操控等方面具有不小的优势。
1. 船舶使用的效率提高到20%。这主要是因为使用船舶直流电网能够有效地降低船舶的油耗,节省安装设备所需的空间和设备本身的小型化使得船舶能够节约出更多的空间来进行装载货物,船舶空间的利用率上升为船东带来更高的利益。
2. 由于发电机原动机的转速与电力系统频率的解耦使其能够以最佳速度运行,因此可以降低油耗。该功能对于负载变化很大的船舶特别有用。随着电气设备体积上的缩减,船舶上实现了更多的货仓空间以及更多放置功能容器的位置。电气设备的占用空间要求及重量节省约百分之三十将成为现实。这些显着的节省主要来自配电盘的尺寸和额定值的减小,小型高速发电机的使用以及大型低频推进器变压器的消除。表1中量化了具有直流功率分配和动态定位(DP)能力的示例平台供应容器(PSV)中的电气设备重量减轻。选择这种类型的容器的原因是因为他哟充分利用直流配电能力的潜质。值得注意的是,具体数字将根据船型和应用而有所不同。
表2.1示例的电气设备重量比较(PSV)
设备 | 数量 | 额定值 | 重量(交流电网),千克 | 重量(直流电网),千克 |
发电机 | 4 | 2500 kVA | 38 000 | 39 000 |
交流主配电盘 | 1 | 690 VAC | 4450 | 0 |
主直流配电 | 1 | 1000 VDC | 0 | 2400 |
交流配电 | 1 | 450 V/230 V | 14 490 | 16 530 |
推进传动 | 2 | 3500 kVA | 31 980 | 13 680 |
推进器驱动 | 3 | 1200 kVA | 26 600 | 13 750 |
总计 | 115 520 | 85 360 |
表2.2即为让人们更加直观的认识船舶传统机械传动与普通电力推进和直流电力推进的效率对比表
表 2.2 动力系统相关设备的效率(额定工况下)
推进模式 | 传统机械传动 普通电力推进 | 直流电力推进 | |
柴油机效率范围 | 25%~45% | 25%~45% | 25%~45% |
传动机构效率范围 | 96%~98.5% | 无 | 无 |
变压器及配电盘效率 | 无 | 97%~98% | 无 |
齿轮箱效率范围 | 96%~98% | 96%~98% | 96%~98% |
发电机效率范围 | 无 | 96%~98.5% | 96%~98.5% |
变频器效率范围 | 无 | 97%~98.5% | 97%~98.5% |
电动机效率范围 | 无 | 96%~98.5% | 96%~98.5% |
根据表 2.2可以得出以下结论:
1直流电力推进在效率方面优于普通电力推进,主要原因是消除了变压器和配电盘,其在额定条件下的损耗约为3%;
以上是毕业论文大纲或资料介绍,该课题完整毕业论文、开题报告、任务书、程序设计、图纸设计等资料请添加微信获取,微信号:bysjorg。
相关图片展示:







