传动齿轮箱振动状态监测仪软件开发毕业论文
2020-03-20 23:45:56
摘 要
齿轮箱作为动力传动设备的关键零部件之一,具有效率高、精度高、承载力强等优点。但是受到工作环境和自身结构特点的影响,使得齿轮箱的零部件极其容易发生故障损坏,影响设备的正常工作的使用甚至给人们带来不必要的巨大经济损失。为了及时发现并排除故障,需要对齿轮箱中的零部件进行及时的状态监测和故障诊断。
通过对齿轮箱振动机理和常见故障类型以及不同故障模式下的特征频率的深入学习与分析,本文设计了基于LabVIEW的齿轮箱状态监测系统。该系统由硬件和软件两部分组成。硬件部分主要包括试验台架,传感器, 信号调理装置,数据采集卡和计算机。软件部分采用模块化设计,主要模块有数据采集模块,时域分析模块,频域分析模块,阶次分析模块。其中的数据分析模块是以各种不同的信号处理方法为基础的。
在硬件的选型方面,本文基于准确性、实用性和经济性原则,选取Bamp;K4535-B-001压电式加速度传感器来测量加速度;选取四通道的NI9234数据采集卡进行数据采集。同时通过查阅各种资料,找出传感器合适的安装位置进行安装与调试。从而使干扰信号从源头上尽可能的减弱,减轻了后期信号处理的工作量。
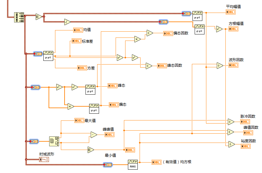
针对时域分析模块,主要侧重于信号分析中常用到的峰值、均值、方差、有效值等有量纲特征参数以及峰值指标、脉冲指标、裕度指标、峭度指标等无量纲特征参数的提取,同时结合时域信号波形达到监测的目的。而对于频域分析模块,本文选用了较为简单常用的幅值谱分析方法;通过变换后的幅值谱对齿轮箱状态进行实时监测。在阶次分析中,本文又引入了一个转速传感器,从而将齿轮箱的振动情况与时间历程和转速进行关联,更方便的揭示了振动机理,增加了早期故障诊断的可靠性。
最后,利用实验平台对齿轮箱振动监测系统的稳定性和故障诊断的可靠性进行了测试,并完成对软件的优化与调试工作。
关键词:齿轮箱;状态监测;故障诊断;虚拟仪器;LabVIEW;
Abstract
As one of the key components of the power transmission equipment, the gearbox has the advantages of high efficiency, high precision, and strong bearing capacity. However, due to the influence of the working environment and its own structural characteristics, parts of the gear box are extremely prone to failure and damage, affecting the normal operation of the equipment and even causing huge economic losses to people. In order to detect and eliminate faults in a timely manner, it is necessary to perform timely condition monitoring and fault diagnosis on components in the gear box.
Through the in-depth study and analysis of gearbox vibration mechanism and common fault types and characteristic frequencies in different fault modes, this paper designs a condition monitoring system based on LabVIEW. The system consists of two parts: hardware and software. The hardware part mainly includes test benches, sensors, signal conditioning devices, data acquisition cards and computers. The software part adopts modular design. The main modules include data acquisition module, time domain analysis module, frequency domain analysis module and order analysis module. The data analysis module is based on various signal processing methods.
In terms of hardware selection, this paper selects BK4535-B-001 piezoelectric accelerometer to measure acceleration based on the principle of accuracy, practicability and economy. Four-channel NI9234 data acquisition card is selected for data acquisition. At the same time, by consulting various data, find out the proper installation location of the sensor for installation and commissioning. So that the interference signal from the source as much as possible to reduce the post-signal processing workload.
For the time domain analysis module, it mainly focuses on the dimensionless characteristic parameters such as peak value, mean value, variance, and effective value commonly used in signal analysis, and the extraction of dimensionless feature parameters such as peak index, pulse index, margin index, and kurtosis index. At the same time, it combines the time domain signal waveforms to achieve the purpose of monitoring. For the frequency domain analysis module, this paper chooses a simple and commonly used amplitude spectrum analysis method; through the transformed amplitude spectrum, the status of the gearbox is monitored in real time. In the order analysis, this article also introduces a rotational speed virtual engine, which correlates the vibration condition of the gearbox with the time history and the rotational speed, which more conveniently reveals the vibration mechanism and increases the reliability of early fault diagnosis.
Finally, using the experimental platform to test the stability of the gearbox vibration monitoring system and the reliability of fault diagnosis, and to complete the software optimization and debugging work.
Key Words:Gearbox; Condition Monitoring; Fault Diagnosis; Virtual Instrument; LabVIEW;
目 录
第一章 绪论 1
1.1 目的及意义 1
1.2 国内外研究现状 1
1.3 主要研究内容 4
第二章 齿轮箱振动机理及常见故障类型分析 6
2.1 齿轮箱振动的产生及传递机理 6
2.2齿轮箱常见故障类型分析 8
第三章 信号处理与分析 10
3.1 时域分析法 10
3.1.1有量纲特征参数 10
3.1.2 无量纲参数 11
3.2频域分析法 12
3.2.1幅值谱分析 12
3.2.2功率谱分析 12
3.3阶次分析法 13
第四章 硬件的选型及安装 15
4.1 试验台架 15
4.2 传感器 18
4.2.1 传感器选型 18
4.2.2 传感器安装位置选择 19
4.3数据采集卡 20
第五章 齿轮箱状态监测系统软件设计 15
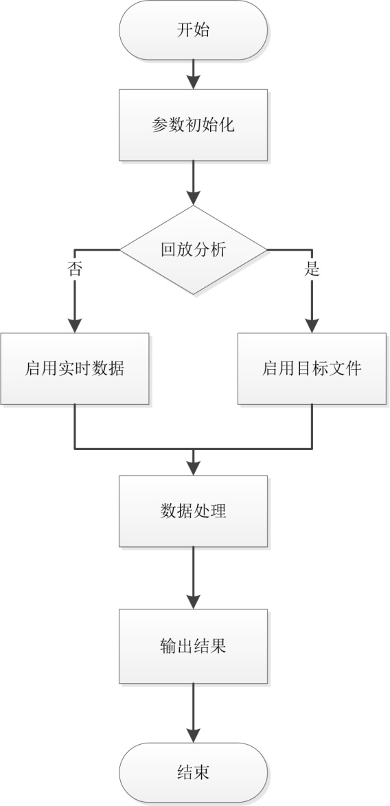
5.1 数据采集模块 22
5.2 时域分析模块 26
5.3 频域分析模块 30
5.4 阶次分析模块 31
5.5 前面板 34
第六章 总结与展望 35
6.1 总结 35
6.2 展望 35
参考文献 37
致 谢 39
第一章 绪论
1.1 目的及意义
齿轮箱作为动力传动设备的关键零部件之一,具有效率高、精度高、承载力强等优点。同时受到工作环境和自身结构特点的影响,使得齿轮箱的零部件极其容易发生故障损坏,影响设备的正常工作的使用给人们带来不必要的巨大经济损失。对齿轮箱进行状态监测和故障诊断可以及时、有效地发现故障并及时进行维修,将齿轮箱故障带来的损失降到最低。传统的硬件仪器进行齿轮箱状态监测与故障诊断时,需要支付高昂的购置费用,并且仪器设置的信号处理分析方法较为单一、缺乏灵活性。因此开发出功能强大、系统完善、造价低廉的齿轮箱状态监测与故障诊断系统是非常必要的。
对于齿轮箱故障诊断而言,其最根本任务就是通过对齿轮箱的观测信号进行分析、处理,以识别齿轮箱的状态,在一定程度上也可以说齿轮箱故障诊断就是齿轮箱的状态识别。概括来讲,对齿轮箱的诊断,一是早期诊断,防患于未然;二是故障分析,采取措施。 就是指在齿轮箱产生故障以前,能够对可能产生故障的部位和部件进行预测,找出可能产生故障的原因,进而保证齿轮箱能够在安全稳定的工况下运行。在故障发生时,能够迅速分析故障产生原因,判断故障发生部位,及时展开维修。针对故障监测与诊断系统的关键技术的设计和研究,不仅有利于普遍提高我国故障诊断技术水平,而且保证机械在运行过程中的稳定性,具有重大意义。
1.2 国内外研究现状
齿轮箱故障诊断系统由硬件与软件两部分组成,因此齿轮箱故障诊断系统的研究现状也就跟硬件和软件这两部分的发展现状和前景息息相关。
首先在硬件方面传感器的类型越来越丰富,精度越来越高,而未来,传感器将逐渐朝着智能化,集成化,微型化,网络化,多样化的方向发展。同样的在全球范围内,多功能数据采集设备的使用,为用户带来了多样化选择,成为了数据采集技术的一个重要发展趋势。多功能数据采集设备指的是数据采集硬件,它能在单个设备上提供模拟输入、模拟输出、数字输入、数字输出和定时I/O等功能。[12]而数据采集的目的是为了测量如光、温度、压力或声音这样的物理现象,基于PC的数据采集结合了硬件,软件和计算机来进行自动化测量、分析测量数据。[5]多功能数据采集设备结合了模拟前端,灵活的定时和触发ASlC以及总线接口ASlC,从而改善和优化了最新的现有商业化数字技术。利用这些数据采集设备再结合信号调理产品,可以创建确保精度的数据采集系统[1]。
而在软件方面,故障诊断技术的核心还是信号的分析与处理方法,因为来越丰富的振动信号分析方法出现,能够更加有效的处理齿轮箱产生的非平稳信号,推进了齿轮状态监测和故障分析系统起到了改进和发展。针对频谱分析在齿轮故障诊断中的精度不够高的问题,出现了采样离散频谱校正技术来达到提高分析精度的目的;针对用传统的分析方法对齿轮故障振动信号的调制信号频谱分析可能齿轮箱故障诊断的研究方向主要包括:信号处理和分析方法的研究、故障诊断方法的研究、齿轮箱状态监测仪器的研究以及人工智能应用的研究等[1]。
信号分析、处理方法的研究主要是指从信号的处理和分析方法的改进和优化方面,实现对齿轮箱故障更为精确的诊断。现代信号处理的方法有:信号的时域分析、频谱分析 FFT 算法、倒频谱分析、短时傅里叶变换(STFT)、魏格纳分布、盲源信号分离以及小波分析等 ,在国内,杨洁明、熊诗波 在齿轮早期故障特征提取中运用小波包分析方法。[7]G.Meltzer 应用极坐标的小波幅值映射(Polar Wavelet amplitude Map,PWM)方法对齿轮进行故障诊断。McCulloch 和 Pitts 通过对生物学中神经元基本生理特征的总结提出了神经元数学模型─MP 模型。Bocaniala CD 等 采用 PSO 算法代替遗传算法对故障诊断过程进行进一步研究。Wigner 提出了 Wigner-Ville 分布用于量子力学的研究,1948 年 Ville 将其用在信号分析领域[3] 。信号分离是由法国的 Herlult 和Jutten 最早开始研究的[3]。
为了更好的分析齿轮传动啮合振动信号的特征,提高齿轮故障信号分析的信噪比,获得故障诊断更高的准确性,因此产生混频现象,出现了希尔伯特变换解调分析方法;针对传统复调制细化谱分析的细化程度不够问题,提出了复解析带通滤波器的复调制细化谱分析方法;[2]针对传统傅立叶变换无法得到振动信号的局部信息问题,出现了具有良好时频局部化和多尺度分析的小波变换;为了能够分析齿轮振动信号的特殊频段,出现了小波包分解,其分解能力比小波包更加精细[4]。当齿轮箱处于非平稳转速情况下运行时,G.Meltzer 等利用极坐标的小波幅值映射(Polar Wavelet amplitude Map,PWM)分析方法对齿轮进行故障诊断,把齿轮啮合振动信号旋转一周分幅值进行分割,使其与齿轮的齿数保持相同的分量,在极坐标中表示出来,该方法可以对损坏的齿轮进行精度的定位[3]。J.Rafiee 等研究了母小波函数针对齿轮和轴承自动故障诊断的应用,主要讨论了对于不同的振动信号可以选择不同的母函数小波,以获取更好的效果[3]。
信号处理的最核心工作就是从机械故障振动信号中提取信号特征,可以通过智能故障诊断法使得提取的信号特征与机械设备的故障类型形成一一对应关系,然后利用智能自动识别,得出机械设备的故障模式,这个过程称为模式识别。常用的齿轮箱智能故障诊断方法有人工神经网络(ANN)、专家系统(Expert System)、模糊逻辑(Fuzzy Logic)、支持向量机(SVM)、支持向量数据描述(SVDD)和 HMM 等等。Paya B.A 等利用小波变换对振动信号进行特征提取,然后将其提取的特征输入神经网络进行故障特征识别,能有效诊断机械设备所发生的故障;杨永萍等采用小波包分解齿轮啮合振动信号并提取齿轮故障特征向量,经过前向传播 BP 神经网络建立齿轮故障模式分类器,对齿轮的故障模式进行了有效的识别[8];Abad M.R.A 等 号为研究对象,采用 5 层小波分解提取特征向量,提取的声音特征向量训练 ANN,以 90%的成功率有效的识别了齿轮的三种模式;RafieeJ. 波包分解齿轮啮合振动信号的方法提取特征向量,选择多层传感器为分类器,对齿轮箱的故障做出了有效的诊断[14];支持向量机的优点是在训练过程中收敛速度快,在小样本的情况下也能取得比较好的训练效果,识别精度高。Samanta B. 因算法对信号特征进行选择性优化,然后分别用SVM和ANN对齿轮做故障诊断,研究对比分析表明两者在分类准确率上基本相同,但是 SVM 在训练过程中的收敛速度比 ANN 要快[3]。
利用这些先进的信号采集硬件和信号处理方法,很多国家已经研制出了机械设备状态监测与故障诊断系统的工作仪器,例如:美国的 Rockwell Automation Entek 公司推出的机器故障诊断技术系统和美国 Westing House 公司研制的 TurbinAID 汽轮机智能诊断检测系统;丹麦 Bamp;K 公司组织研究的 Bamp;K3450-CONPASS 故障诊断与状态监测系统以及日本 Mitsubishi 公司的 NHMS 设备故障诊断与状态监测系统 等[6]。而国内在齿轮箱状态监测仪方面也取得了较多的成果,如:哈尔滨工业大学的 MMD-2 系统、ETHYLENE系统与 MMD-3 系统,以及西安交通大学的 RNDS 系统和 Rb-20 系统 等[4]。国外开发的齿轮箱状态监测和故障诊断系统不但在可靠性方面比国内的好,而且在其分析功能和价格方面都由于国内的系统。齿轮箱的在线监测和故障分析都是一个长期而复杂的研究,有很多非常成熟的齿轮故障诊断方法,且每一种方法都有自己的优点,但也有不足之处,如果用单一的方法对齿轮故障诊断可能取得的效果并不是很好,而且也不一定准确,因此可以根据不同的研究对象,选择多种方法综合对齿轮故障诊断,这样可以极大的提高齿轮故障诊断系统的性能和准确性[4]。
总之,经过多年的发展,目前已经形成了多种故障诊断技术体系,如油液分析,噪声监测,振动监测,无损探伤等。其中油液分析主要是利用油液中金属磨屑的含量来判断齿轮箱中部件的磨损情况,但是由于润滑油中金属磨屑很难提取,对诊断的结果会有影响,所以还没有成熟的理论体系[2]。噪声监测技术主要利用声强计声压计,声级计等对齿轮噪声进行监测,从而监测齿轮箱故障的发生,但是由于存在外部环境噪声干扰,很难提取噪声特征信号,因此噪声监测常常结合振动监测一起使用[2]。无损探伤主要通过红外测温,超声波检测,涡流检测,渗透检测,磁粉检测等技术手段检查零部件表面以及内部的损伤情况,但是由于灵敏度,技术水平等限制,存在一定的局限性。因此就现阶段而言振动信号监测这一经典方法仍是使用最多的齿轮箱状态监测方法,当然它的发展也最为完善,振动监测相比于其他方法主要优点如下:其一是大多数故障可以通过振动信号监测出来;其二振动监测不需要停机和拆解,可以在齿轮箱工作状态下进行;其三现阶段振动信号检测已经有了成熟的理论体系[3]。
1.3 主要研究内容
本课题选取动力设备中极其重要却又故障频发的齿轮箱为研究对象,利用时域分析、频域分析、阶次分析等信号分析方法以及LabVIEW平台对齿轮箱常见故障信号进行分析和故障诊断,具体研究内容如下:
(1)阐述了齿轮箱故障诊断系统的研究背景以及研究意义,介绍了国内外齿轮箱故障诊断技术和振动信号分析方法的研究现状。
以上是毕业论文大纲或资料介绍,该课题完整毕业论文、开题报告、任务书、程序设计、图纸设计等资料请添加微信获取,微信号:bysjorg。
相关图片展示:









