多缸柴油机瞬时转速故障诊断仪开发毕业论文
2020-03-20 23:45:52
摘 要
作为船舶、车辆、固定发电等许多领域的动力核心,柴油机的性能直接影响到整个设备的运行状态。在柴油发动机的常见故障,上面的失败的系统的性能,柴油机各缸工作的均匀性是至关重要的在柴油机故障诊断的性能,以满足智能,柴油机故障诊断的要求迅速并开始发送一个工作可以监测柴油机汽缸统一的诊断系统是非常必要的。在瞬时转速信号中包含丰富的柴油发动机工作状态信息,方便的实时信号采集和低价格,不同的气缸可以通过多缸机瞬时速度波动与故障诊断特征参数的对比,失效准则良好的可移植性。
基于上述优势,基于大型柴油机为研究对象,在瞬时速度分析的理论基础上,结合传感器技术、信号处理和故障诊断技术和软件让头发技术,产生一个瞬态速度信号采集板,由单片机和PC数据传输通信模块,采样信号写入卡中存储在同一时间,然后在系统环境的基础上,根据机器系统软件的诊断,编程语言让用户在网上判断柴油机缸体的工作原理。诊断系统由两部分组成:硬件和软件。硬件芯片为核心的一部分,主要包括信号处理模块、电源模块、通信模块和存储模块,它的功能是实现原始电压信号采集、处理、传输和存储过程中,软件是电脑软件系统开发,其主要功能是通过人机交互接口的控制下一台机器信号采集和存储,提取瞬时速度和瞬时速度的转换、波形显示和故障特征参数,如最终判断一致性的提取各缸柴油发动机功率和定位故障缸,诊断结果将显示在上位机主界面中,在同一时间完成采样信号并保存诊断结果,备案。摘要由于不均匀的实时诊断,柴油机缸体压力异常情况诊断系统,当工作不均匀时,将会是红灯,并定位故障缸。随机实验结果表明,诊断结果是准确的,具有一定的实用价值。
关键词:故障诊断;瞬时转速;信号采集;硬件软件
Abstract
As the power core in many fields such as ship, vehicle and fixed power generation, the performance of diesel engine directly influences the operation state of the whole equipment. On the common faults of diesel engine, the failure of the performance of the system, the uniformity of each cylinder diesel engine work is of vital importance in the performance of the diesel engine fault diagnosis, in order to meet the intelligence, the requirement of the diesel engine fault diagnosis quickly and began to send a work can be used to detect the diagnosis of diesel engine cylinder and unified system is very necessary. In the transient speed signal contains abundant diesel engine work status information, and convenient real-time signal acquisition and low price, different cylinder by multi-cylinder machine instantaneous velocity fluctuations compared with characteristic parameters of fault diagnosis, failure criterion of good portability.
Based on the above advantages, based on the large wooden type diesel engine as the research object, based on the instantaneous velocity analysis theory, combined with the sensor technology, signal processing and fault diagnosis technology and software for hair, produce a transient speed signal acquisition boards, by single-chip microcomputer and PC communication module, data transmission during the sampling signal writing card stored in the same time, and then on the basis of the system environment, according to the diagnosis of machine system software, programming language allows users to judge the working principle of diesel engine cylinder body on the Internet. The diagnostic system consists of two parts: hardware and software. Hardware chip as the core part, mainly including signal processing module, power module, communication module and storage module, its function is to achieve the original voltage signal acquisition, processing, transmission and storage process, the software is computer software system development, its main function is through the human-computer interaction interface under the control of a machine signal acquisition and storage, extract the instantaneous velocity and instantaneous velocity transformation, waveform display and fault feature parameters, such as the extraction of the final judgment consistency each cylinder diesel engine power and locate the fault cylinder, the diagnosis result will be displayed in the upper main interface, at the same time to complete the sampling signal and save the diagnosis results, for the record.Due to the inhomogeneous real-time diagnosis, the diesel engine cylinder body pressure anomaly diagnosis system, when the work is not uniform, will be red light, and locate the fault cylinder.The result of random experiment shows that the diagnosis result is accurate and has certain practical value.
Keywords: fault diagnosis;instantaneous speed;signal acquisition;hardware software
目 录
摘 要 3
Abstract 4
第一章 绪论 7
1.1课题的背景及研究意义 7
1.1.1课题的背景 7
1.1.2课题的研究意义 7
1.2国内外研究现状和发展趋势 8
1.3本课题的主要研究内容 9
第二章 瞬时转速分析法理论 9
2.1瞬时转速信号的测量 10
2.1.1高频时钟计数法 10
2.1.2软件计数法 11
2.2瞬时转速信号的采集过程 12
2.2.1磁电法测量瞬时转速的原理 12
2.2.2瞬时转速信号的提取 13
2.3瞬时转速信号的预处理 13
2.3.1数字滤波 13
2.3.2整周期平均 15
2.4影响瞬时转速测量精度的因素 16
2.4.1齿轮分度的影响 17
2.4.2燃烧循环波动的影响 17
2.4.3采样频率的影响 17
2.4.4外界环境的影响 17
第三章 故障诊断仪硬件的选型 17
3.1传感器的选型 18
3.2数据采集卡的选型 19
3.3柴油机瞬时转速程序设计 19
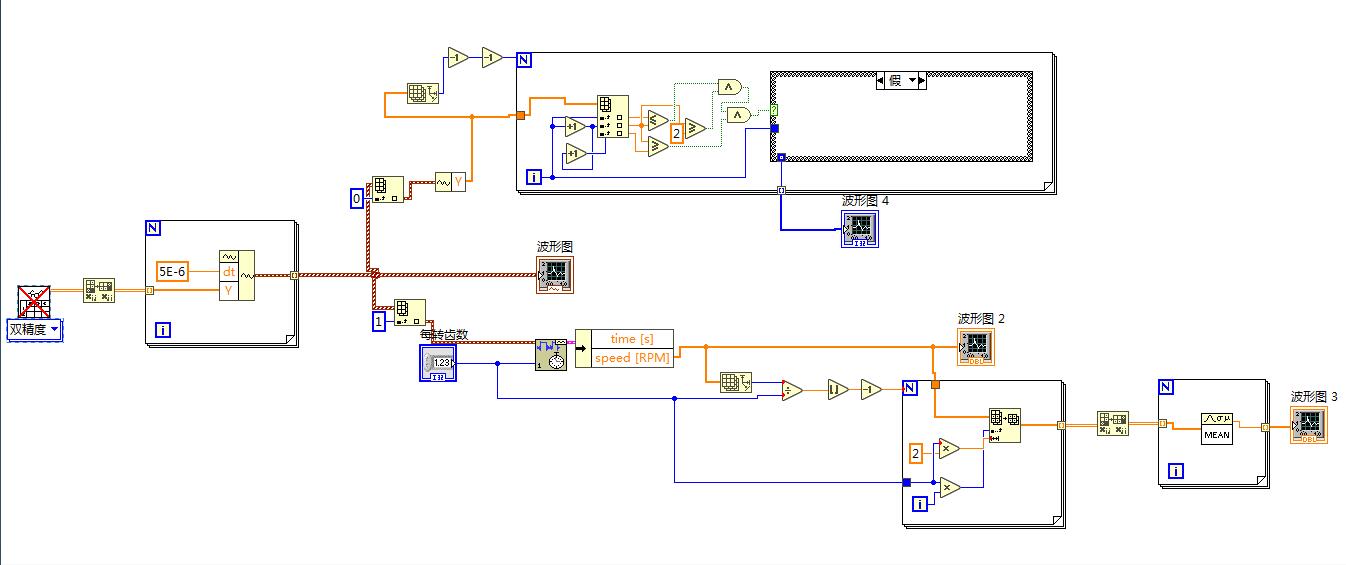
3.4基于程序进行数据分析得出数据 20
3.5根据实验数据labview所得波形图 20
3.5.1正常工况 20
3.5.2高压油管轻微漏油 21
第四章 结论 23
参考文献 23
致 谢 26
第一章 绪论
1.1课题的背景及研究意义
1.1.1课题的背景
作为一个往复式发动机,柴油发动机已经成为许多大型机器的核心,如轮船、机车和发电机。摘要随着现代科学技术的快速发展,柴油机正朝着高速、规模化、自动化的方向发展,提高了工作性能,提高了工作效率,降低了生产成本和能耗。但另一个问题是,柴油发动机本身的恶劣工作条件,一旦零部件故障,往往导致设备瘫痪,不仅会带来巨大的经济损失,还可能危及人身安全。由于上述原因,对柴油机的工作状态进行监控,并对故障进行诊断,具有重要的实用价值。在新的世纪里,电子技术的进步,不断提高信号处理的快速发展,传感器技术,各种各样的融合技术,发展出了一套信号采集和信号处理的同时,然后自动判断错误,定位,和及时的报警监控和故障诊断系统,是国内外学者研究的焦点。摘要柴油机故障诊断技术是柴油机发展的重要组成部分,在国内外具有十分重要的意义。这方面的应用研究消耗了大量的人力和物力。从最初的维护到日常维护,再到基于视觉维护的现代故障诊断技术,柴油机故障诊断技术已经经历了重大的发展和变化。这方面的应用研究消耗了大量的人力和物力。从最初的维修到常规维修,再到基于视觉维护的现代故障诊断技术,柴油机故障诊断技术经历了重大的发展和变化。在早期阶段,只有在机器故障后才进行维修,这掩盖了主要的安全隐患和财产损失危机。然而,定期的维护会导致盲目的维护和失修,所以在这两方面都存在一些问题。以及维修技术的进步,维护已经成为主流的方法,即根据机器的运行状态实时诊断和维修,这样可以充分发挥各个部分的作用,减少不必要的拆卸,大大提高安全可靠性和经济性的机器。由于维护是机器设备运行状况的关键,设备可以实时监控和判断状态,这就要求开始以设备维护为基础,发送特殊的采购设备和诊断设备。
1.1.2课题的研究意义
柴油机故障主要包括性能和机械故障,前者占总柴油故障系统的90%,而后者占10%。摘要研究柴油机故障过程中柴油机的均匀性,具有重要的意义。柴油机故障诊断技术涉及信号采集和信号处理等许多课题。柴油机故障诊断技术的研究不仅可以帮助我们及时发现故障,防止事故的发生,也可以带来巨大的经济效益和社会效益,主要表现为,首先,它可以帮助检测设备维修人员,然后找出问题的根源,并有计划地,有针对性的实施维护,即“维护。这样,我们不仅要明确,而且要充分利用零部件,延长维修周期,提高设备的效率,获得最佳的经济效益和社会效益。其次,它可以确保工作的安全性和可靠性,以避免或减少重大事故造成的人身和财产损失。这对于船舶和发电站等人类单位来说尤其重要,因为一旦发生事故,人们就会被摧毁。第三是机械设备故障诊断技术的变化。摘要视觉维护是一种动态的维护模式,是一种理想的模式,也是维护系统改革的目标。维修,基于故障诊断技术是非常成熟和完善的,能够在设备条件下完成设备不排除工作状态监测和故障趋势预测,并起草监测和预测结果的修复方案。因此,故障诊断技术的发展决定了维护的效果。此外,柴油机故障诊断技术的另一个重要原因是柴油机的结构特点和工作原理本身限制了旋转机械状态监测和故障诊断的更成熟的测试方法和分析手段的应用,使柴油机故障诊断技术不是很好应用在实际生产中,有必要寻求更好的柴油机状况监测和故障诊断技术。
1.2国内外研究现状和发展趋势
柴油机故障诊断技术是一门综合性学科,它是由工程的实际需要形成的,自20世纪60年代以来发展迅速。该方法主要包括振动分析、性能分析、油分析和瞬时速度分析,包括:1970年代柴油机故障诊断方法的瞬态速度信号,已得到广泛应用,因为它具有许多优点。摘要瞬时速度信号包含了大量关于柴油机运行状态的信息,便于测量。摘要在柴油机故障诊断中,故障诊断是一种理想的信号源。国内外许多学者对这种方法进行了研究,并将瞬时速度法研究分为两类:波形分析和扭转组。波形分析是对瞬时速度波动信号的直接分析。摘要从波形中提取了故障灵敏度的几个特征参数,并通过比较特征参数进行故障诊断。
其特征参数包括瞬时角速度、瞬时角速度和相对参数。当一个N缸柴油机工作时,瞬时速度波形有明显的波动。当柴油发动机正常工作时,每一波的振幅与它们之间的间隔是相同的。它是瞬时速度分析的关键,找出可以定量描述旋转速度不均匀度的参数。在1983年,Sood和其他一些人,首先提出了一种基于微处理器的在线故障诊断装置,即傅立叶级数和自相关函数,在发生故障的情况下,两种低速柴油机具有良好的诊断效果。在此基础上,两年后,提出了三种改进的方法,结合模式识别方法,基于统计关联计算和相似性估计,实现了故障圆筒的位置。RezekaHenie从瞬态速度波动图,根据柴油机气缸的速度峰值和低谷值,Henie提取三个无量纲故障诊断的特征参数,如彩虹六号四冲程柴油机测试大量的工作研究对象,波形参数的提取和比较他们的诊断结果,同时,摘要讨论了瞬时转速分析方法的瞬时转速测量精度。摘要扭矩估计法是柴油机的一种线性或非线性动态模型,根据气体压力转矩信号的瞬时速度反演,确定了火灾失效和故障程度。SJ等人建立了一个四自由度的弹性模型,并根据瞬时速度波动值分别计算了瞬时总扭矩、瞬时气体压力扭矩和各种彩虹气体压力。实验结果表明,该方法在低速和高速上是有效的。一项类似的研究还包括一种由SK金属制造的10自由度模型。以及由Limetal建造的单自由度模型,包括曲轴和凸轮轴。
尽管这一领域的研究始于20世纪80年代末,但通过快速发展取得了许多成就。山东工业大学黄Yiliang和ESM勇人开发速度测量仪,该仪器可以准确地测量转速瞬时速度和周期和儿媳火故障,诊断来确定各缸供油提前角的工作和统一设计、等都有重要意义。浙江大学的陈长春设计了一种速度谱分析系统,通过测量发动机的瞬时转速来诊断柴油机故障。王宇海和其他内燃机设计产品的瞬态速度波动分析系统,实现瞬时速度测量,利用频谱分析方法判断内燃机的工作状态,然后通过互相关分析故障缸的位置,在1998年和速度波动谱距离指数应用于故障诊断的华中科技大学和石原(音译刘提出利用瞬时转速信号的汽车发动机失火故障在线监测和均匀性的各种方法,通过建立更使发动机的非线性动力学模型,摘要揭示了瞬态转速、转矩和气缸气力,本文介绍了燃气压力的关系,介绍了利用神经网络方法瞬时速度故障诊断的方法,提高了诊断结果的可靠性。摘要孙云岭海军工程大学是柴油机故障诊断仪嵌入式工业计算机的核心,在柴油机故障诊断的开发和实施中,柴油发动机的不均匀性、气密性等。
江苏理工大学高宗英开发了一套内燃机瞬时速度的测试系统,实现了内燃机稳定状态下瞬时速度和过渡过程的变化。大连海事大学李教授Keshun裴- ting太阳和其他人通过动力学分析柴油机曲轴飞轮系统,基于动力学模型的建立和转矩脉动速度波动信号检测异常燃烧柴油发动机,故障诊断方法的测试表明,瞬时速度,每个汽缸的特征参数的比较可以用来确定对方,没有原始数据的积累,以及良好的可移植性的失败标准。武汉理工大学开发了船用柴油机的振动监测和故障诊断仪,实现了阀门泄漏和弓磨损的故障诊断。波形分析是小而常见的。最大的优点是它独立于内燃机的结构参数,能够实现在线监测和实时诊断。然而,由于提取的故障特征参数的敏感性不一致,在高速柴油机运行或多虹故障的情况下,很难保证诊断结果的准确性。当柴油机低速运行时,扭矩估计方法可以获得更好的诊断结果,但与柴油机的结构参数、计算量大、通用性差等因素有很强的相关性。然而,它们的优势是主要的。随着电子技术、信号处理技术和计算机技术的快速发展,瞬时速度分析方法将逐步完善和成熟。瞬时速度分析方法主要用于诊断每个缸体的故障。
各缸均匀性是针对许多缸在机械加工方面,它可以反映柴油机研究性能的各种故障,如石油、油菜籽陶气的异常,这些都是重要的参考研究柴油机性能故障。该方法可用于直接定位故障缸,然后判断和查找常见部件。有很多种方法可以判断柴油机缸体的工作原理是否一致,如气虹的排气温度、每条彩虹的工作压力和振动噪声。与瞬时速度相比,排气温度对后期的影响更大,排气温度差异的原因更加复杂,无法准确反映每个彩虹的工作条件。对各种社会组织的工作压力的测量需要在每个气虹上安装压力传感器。成本高,工地散方便噪音法要恢复压力。因此,这些方法存在诸多不便和缺陷。瞬息万变的时候,速度过快,每个人都有可能会被诊断为速度,接受障碍诊断,并可以诊断在线诊断,并接受柴油发动机故障,研究出问题的方向之一。
1.3本课题的主要研究内容
柴油机故障诊断技术是一个全面的技术结合了多学科的理论,有一个广泛的理论基础,系统的实现方法和不同的模糊边界和广泛的工程应用,密切相关的高科技开发和快速发展特点,基于瞬时转速的在线故障诊断方法是当前研究的热点之一柴油机故障诊断。
以上是毕业论文大纲或资料介绍,该课题完整毕业论文、开题报告、任务书、程序设计、图纸设计等资料请添加微信获取,微信号:bysjorg。
相关图片展示:









