船舶余热海水淡化系统关键零部件建模与仿真分析毕业论文
2020-03-14 12:16:10
摘 要
随着世界各国海洋活动的日益增多,海上油气开采,远洋科考,远洋运输,海上维权等都愈加频繁,淡水作为海上平台工作和船舶航行不可或缺的资源,其补给方式尤为重要。因此,利用船舶废气余热制淡技术得到了广泛应用,这就提高了对海水淡化装置性能的要求。故而,进行海水淡化装置的性能研究具有一定的理论意义及工程实用价值。
本文重点围绕海水淡化装置的关键部件展开研究,其主要内容如下:
1、查阅大量国内外相关文献对海水淡化的方法进行理论研究,通过分析对比,提出利用船舶烟气余热的海水淡化装置。
2、根据工质的流动、物性参数等建立了海水淡化装置蒸发器、冷凝器的数学模型,为搭建及运算程序仿真模型奠定基础;
3、根据所建立的数学模型,基于Matlab/Simulink平台搭建了海水淡化装置仿真模型,并进行了仿真试验,进而分析了相关参数对系统性能的影响。
关键词:海水淡化;蒸馏式;烟气余热;仿真建模;
Abstract
With the increasing number of marine activities in countries around the world,such as offshore oil and gas exploration, ocean-going scientific research, ocean shipping, and maritime rights protection have become more frequent. Freshwater is an indispensable resource for offshore platform working and vessel navigation, and the more important is production mode. So, the technology of product freshwater from seawater by marine exhaust gas has been widely, that has increased the performance requirements of seawater desalination devices. Therefore, the performance of the seawater desalination device has certain theoretical significance and practical engineering value.
This study focuses on the development of key components of seawater desalination devices. Its main contents are as follows:
1. The author look up a large number of paper about desalination frome omestic ,and study the theoretical on seawater desalination methods. Through analysis and comparison in study, author proposed a seawater desalination device with the residual heat of ship flue gas.
2. The writer maked the mathematical model of the evaporator and condenser of the seawater desalination according to the flow and physical parameters of the working fluid.that lay the foundation of the establishment and calculation of the program simulation model;
3. Based on the mathematical modelestablished ,the author built a seawater desalination unit simulation model by the Matlab/Simulink platform, and executive a simulation experiment. The influence of relevant parameters on the system performance was analyzed.
Key words:Desalination; Distillation; Waste Heat of Ship; Simulation Modeling;
目 录
第1章绪论 1
1.1海水淡化的研究背景及课题意义 1
1.2船用海水淡化装置的工作特性 3
1.3船用海水淡化装置的发展及现状 4
1.3.1 国外海水淡化装置发展及现状 4
1.3.2 国内海水淡化装置发展现状 5
1.4 船用海水淡化技术分类及原理 6
1.4.1船用蒸馏法海水淡化技术 7
1.4.2反渗透式海水淡化装置 11
1.4.3闪蒸式海水淡化装置 12
1.4.4 压汽式蒸馏海水淡化装置 12
1.4.5电渗析海水淡化系统 14
1.5 本文研究的主要内容 14
第2章船舶单效余热海水淡化系统数学模型 16
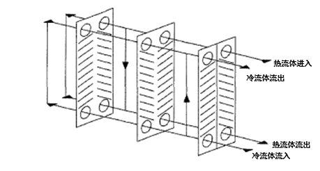
2.1船舶余热板式蒸馏法海水淡化装置工作原理 16
2.1.1 船舶烟气余热的能量 16
2.1.2 单效顺流板式蒸馏法海水淡化装置工作原理 16
2.2船舶余热真空单效海水淡化装置数学模型 17
2.2.1余热蒸汽发生系统数学模型 17
2.2.2蒸发器数学模型 19
2.2.3冷凝器数学模型 21
第3章 船舶余热海水淡化系统仿真模型 23
3.1仿真工具 23
3.2 蒸发器SIMULINK模型 23
3.2.1 蒸发器建模方法 23
3.2.2 SIMULINK模型 24
3.3 冷凝器SIMULINK模型 25
3.3.1冷凝器建模方法 25
3.3.2 SIMULINK模型 26
第4章 船舶余热海水淡化系统的性能分析 27
4.1烟气的质量流量对产水量的影响 27
4.2烟气的质量流量对浓盐水质量流量的影响 29
4.4烟气质量流量对所需冷凝海水的影响 30
第5章 结论与展望 32
5.1结论 32
5.2展望 32
参考文献 33
致 谢 35
第1章 绪论
1.1海水淡化的研究背景及课题意义
地球是一个水的星球。联合国资料显示,地球表面78%被水覆盖,地球的总储水量可达1.45亿立方千米,在总储量上看非常丰厚。然而,其中仅2.5%左右为淡水。在这本就贫瘠的淡水总量的前题下,还有多达九成的淡水被冰封在南极和北极,如此算来人类在地球上所能使用的淡水量还不到地球总储水量0.00075,地球淡水资源分和淡水资源分布图如图1.1所示[1]。更加令人担忧的是因为遭到过分开采和化学污染,可用的淡水资源正在以惊人的速度衰减。淡水资源的缺少正逐渐演变为世界性问题,到目前为止,有几十个国家、约15亿人正面对淡水资源缺少的难题。如果未来不有效解决这一问题,必定会像能源一样导致国际矛盾与人民恐慌。
图1.1 地球水资源与淡水资源分布图
中国是全球缺水最严重的地区之一,虽然中国淡水资源总储蓄量很大约为2.8万立方千米,高居世界第六位,但多达14亿人口导致人均淡水资源占有量仅为2.34立方千米,且水资源地区分布不均匀,才是世界人均的四分之一,美国的五分之一,前苏联的七分之一[2]。现在我国有几百个城市缺水,其中超过一百个城市甚至达到严重缺水,有些地域居然不得不推行定时定量供水,淡水资源的严峻缺乏,已经演变为阻碍沿海地区良好持续发展的一大难题。据有关部门统计资料显示,仅在2000年因城市缺水问题就造成了高达几千亿元的损失。处理好中国淡水资源短缺问题,不但能提高人民生活水平,促进经济持续健康发展,而且对全面建设小康社会具有重要意义。
当今,在具体解决地区缺水问题上多采用异地调水如南水北调、水的多级利用、修建大型蓄水工程等传统方法,这些方在一定水平上缓和了淡水过度紧张状况,但它会消耗大量的人力物力财力,且其效果受地区季节气候的影响波动很大,更严重的是会改变原水源周围的生态环境,以上方法只是对本就匮乏的淡水资源进行从新分配,并未从问题的关键增加资源总量上着重处理[3]。因而,须要探求新的途径来从根本的淡水总量匮乏的层面上解决问题。
在世界范围来讲,从图1.1可明显看到,海水占据地球97.5%的总水量,可谓穷无尽。在我国范围来讲,更是具有丰富的海洋资源,海岸线的总长近3.3万千米,所以利用海岸带优势,向大海索取淡水,通过海水淡化技术从海水中源源不断的获取淡水。海水淡化出水稳定、对环境负作用小,且不受气候和季节的影响,,在技术上可行、条件下经济,能够成为一条非常有效且极具发展前景的增加淡水供应的可靠途径,这样就可以从根本上解决大多数地区的缺水性难题。
航运方面,海洋的面积占地球总面积的78%,随着全球化发展,世界贸易量不断增长,航运业在国际贸易运输中占有极其重要的地位。当前世界贸易总运输量的三分之二以上,我国九成的进出口运输总量都是通过海洋船舶运输来完成的[4]。海洋运输业一直在世界发展史上占据重要地位,航运业是推进人类社会发展的重要产业。船舶在航行中,尤其是远洋船舶,每天都需要消耗大量淡水,一是作为船舶正常运行的补给水,二是满足船员日常饮用和生活用水。如果全部都依靠岸上一次性储运,不仅降低船舶运营的经济性,还给航行增加了不确定因素,会影响船舶的安全性。因而海水淡化装置(造水机)成为当代大多数船舶必不可少部件[5]。由于海水不能直接作为船舶正常运行的补给水,所以每条远洋船舶必须配备与之相应的海水淡化装置,这样即可以保证船舶上锅炉和缸套冷却水的补给供应,满足船员生活用水,同时也缩小淡水舱的体积,减少自由液面,从而提高船舶航行的安全性、经济性及续航性。
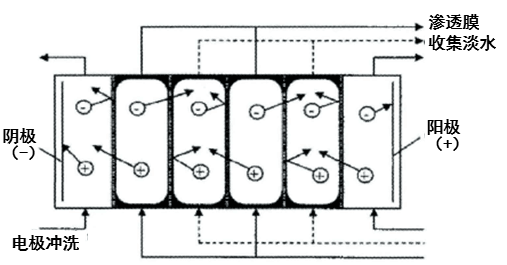
海水淡化技术在最近几十年里得到了快速发展,已经形成工艺相对完善的多种不同的技术方法,目前应用比较广泛的方法为多级闪蒸(Mult-stage flash distillation,MSF)、多效蒸发(Multi-effrct evaporatin,MEE)、反渗透(Reverse Osmosis,RO)、压汽蒸溜(Vapor compression distillation,VC)、电渗析(Electro-dialysis ,ED)等,在未来的不断深入研究,海水淡化一定会成为解决淡水资源短缺的主要力量[1]。这些技术的问世对于彻底解决全球淡水资源匮乏问题提供了可能。
1.2船用海水淡化装置的工作特性
船舶运行中每时每刻都在消耗大量的淡水,以维持船员和动力设备的需求。而远洋船舶为了提高运行效率增加运载量,依赖岸上供水并一次性携带无法满足实际实况,船用海水淡化装置(造水机)应运而生。
海水淡化装置直接利用舷外海水通过相应手段抽取其中的淡水。海水是一种复杂的混合液体,其中含量最多的是盐分,也含有少量不容物和微生物。海水中的盐分种类繁多,总计约有八十多种,各种盐类含量不尽相同,其中有11种含量超过1mg/L。海水的具体含盐量盐分种类与多种因素有关,大致包括地质构成、该地区降雨量、天气、日照、温度等因素有关,虽然不同海域的海水中具体的盐类成分含量略微有差别,但是所有海水中主要盐类和含量比例大致一样。海水平均盐分含量约为35g/L,此时主要盐类的含量如表3.1所示。
表3.1 海水主要盐类的含量
盐类 | NaCl | MgCl2 | MgSO4 | CaSO4 | K2CO3 | MgBr2 | CaCO3 | 总计 |
含量(g/L) | 27.2 | 3.8 | 1.7 | 1.2 | 0.9 | 0.1 | 0.1 | 35 |
所占比例% | 77.7 | 10.9 | 4.8 | 3.4 | 2.6 | 0.3 | 0.3 | 100 |
海水淡化装置将舷外海水排出盐分得到淡水时会发生极少量的盐分继续溶解在淡水中,一般公认淡水的定义为含盐量:﹤1000mg/L的水。船舶运行中所需要的淡水主要用在主机的冷却水补给、发电柴油机的冷却水补给、空气压缩机冷却水补给、辅助锅炉补给水、船员日常生活用水,以及清洗甲板和货仓。因不同用处而对淡水水质要求也不相同,冲洗甲板用水要求仅是清洁淡水;洗涤用水通常要求Cl-浓度:﹤200 mg/L、硬度:﹤7mEq /L;对于饮用水的要求是不含对人体健康有害的杂质、无污染物,水中的微生物如细菌、病毒的含量和种类符合标准,并且外观清澈无异味,含盐量:﹤500—1000mg/L、Cl-浓度:﹤250—500mg/L,PH:6.5—8.5,而造水机所产生提取出来的淡水中不含对人体健康必要的矿物质,也不能有效杀灭病毒和细菌等对人体有害的微生物,所以要想作为船员饮用水应该在生活用水系统中增加矿化器与杀菌处理装置;锅炉补给水的要求是在船舶需求淡水中最高的,故一般都按锅炉补给水标准作为对海水淡化装置产水水质标准,其含盐量应小于10mg/L(NaCl)[6]。
生活用水对船舶的淡水需求量为每人每天0.15-0.25m;动力系统用水量可根据主机功率计算,柴油机船每天需要0.2-0.3L/kW,汽轮机船每天每0.5-1.4L/kW;补充锅炉的供水量可根据蒸发量的1-5%计算,中高压锅炉按蒸发量的1-3%计算[7]。
船舶海水淡化装置应满足的要求有:
(1)日产水量要满足船舶的日耗水量;
(2)要利用船舶烟气或冷却水余热,节能增效;
(3)较高的可靠性和可维性;
(4)所产淡水质量要满足船舶锅炉用水的要求,盐分含量小于10mg/L。
1.3船用海水淡化装置的发展及现状
1.3.1 国外海水淡化装置发展及现状
早至16世纪,当人类进入伟大的航海时代,当时使用大型帆船远离海洋旅行,就已经应用蒸馏器来补充每日淡水。当时的方法是把一个结构简易的蒸馏装置设置在厨房的炉子上,利用火焰辐射的热量使海水汽化,然后利用倾斜低温物体来使蒸汽放热冷凝产生淡水。受限于当时技术水平其成本高,效率低下。随着科技和工艺的不断发展,船舶整体性能得到不断提高和改进,吨位不断变大船舶逐渐大型化,现代船舶对续航能力提出更高要求,对用来作为船舶动力设备和辅助机械的冷却水补给水的品质和需求量也随之提高,古典老式单一的蒸馏器无法满足船舶航行要求,取而代之的是一整套完备的海水淡化系统。上世纪五十年代前,单效和多效浸管式蒸馏式是海水淡化技术的主流方法。美国在1941年研发出压气蒸馏式造水机,并安装在潜艇上试用,成功创造了潜艇续航性的里程碑。1948年后闪发式蒸馏海水淡化装置在美国被安装在私人营运船舶上[8]。但该技术耗能高、易结垢、产水成本高、水质稳定相差,并未得到大范围推广。1958年世界上第一台采用电渗析原理工作的造水机在于苏联安装。后来随着岸用反渗透(RO)海水淡化技术成熟和推广,船用反渗透(RO)造水机也随之出现[9]。20世纪60年代,反渗透(RO)造水机最早安装在动力系统为内燃机和燃气轮机的舰船上。从1948年一直到1990年,国外船舶建造时选择的仍然多采用蒸馏式海水淡化装置为其提供淡水,即便在现在虽然其他几种海水淡化技术基本成熟市场份额有所增多,但蒸馏法仍然是船用海水淡化装置中的主体,且换热器多为板式装置,在世界上比较著名的生产商有英国APV公司、日本曰阪制造所、瑞典ALFA-LAVAL公司、德国GEA公司等。容量基本小于50吨/天;一般的大型远洋运输船舶其要求日产水量在数百吨左右通常采用多级闪蒸式的方法,著名的生产商有日本Sasakura公司和德国Serckcomo公司等。另一种应用比较广泛的船用海水淡化的方法是反渗透(RO),它产生于1960年代自从在1973年国际海水淡化大会上杜邦公司宣布开发出B10型海水淡化中空纤维膜后,世界各国都认识到反渗透(RO)竞争投入发展强度的重要意义[10],使反渗透海水淡化技术得到了快速发展,美国VillageMarine,Matrix,韩国KROSYS等生产商。虽然反渗透近几十年得到了快速发展,但其关键性的膜技术还需要更加深入的去研究发展,所以其市场份额少于蒸馏式。
1.3.2 国内海水淡化装置发展现状
上世纪六十年代,我国才开始在海水淡化这个方面投入研究。以电渗析海水淡化技术为起点研究,然后于1965年也着手于反渗透方面技术的研究,蒸馏法则相对较晚一些,在1975年才开始进行。虽然我国海水淡化技术起步很晚,但经过50年的刻苦钻研不断奋斗,海水淡化的技术和工艺已经取得了非常大的进步 [11]。尤其是进入21世纪以来国家对提高能源利用效率,做海洋强国等越来越重视,使得船舶相关技术在我国迅猛发展,组建了一些专门的海水淡化技术研究机构,如中704研究所、711研究所、哈尔滨工程大学、海军工程大学等。曾经位于南京的绿洲机械厂从国外的Atlas公司引进的一种型管壳式蒸馏法造水机在远洋船舶中得到广泛应用[12],但其很快暴露出管壳式换热器海水淡化装置的缺点,如产水效率不理想,蒸发器中换热管壁易结垢影响换热效率,运行周期短需要经常进行化学清洗,导致其维护管理麻烦。后来板式造水机出现,因其传热效果好,结构紧凑,重量尺寸小,检修方便,产水水质好等优点,渐渐地取缔了传统的管壳式换热器,目前我国许多科研单位正在展开对板式蒸馏海水淡化设备的相关研究。反渗透(RO)海水淡化技术现在已形成规模化、模块化,易于组装等优点,与国外的造水机市场状况有很大不同,国内新建的船舶基本都按装备反渗透(OR)海水淡化装置,反渗透(OR)造水机在国内比较著名的生产商有:青岛中亚环保公司和康耐特机械设备有限公司等,然而其主要核心技术却被外国掌控,如反渗透膜、能量回收装置技术等[13]。
国家对海洋战略的重视和支持下涌现了大批致力于海水淡化技术的优秀科研团队。解利晰、赵飞、王俊红、满曰南[14-17]等全面深刻总结了海水淡化技术的产生与发展,概括了当前国内外现状以及当前研究重要进展,并对未来研发的趋势做出科学的预测,对每种技术在理论及数据方面进行了细致入微的对比分析,提出蒸馏法的未来发展方向是新能源的应用、能耗的降低及经济性的提高;膜法海水淡化技术的首要钻研目标依旧是膜的研究和完善相应的配套设备。陈金增[13]详细分析了各类船用造水机的运行特点;并构造了蒸汽压缩式海水淡化装置的仿真模型,对喷射器性能进行了变动工况下的动态分析并总结变化规律。为了提高海水淡化系统的能源利用效率,国内的科研单位也进行了利用烟气余为热源进行热海水淡化方面的研究。赵恕[18]提出一种利用动力装置排气温度高、热容大的特点设计的蒸馏式烟气余造水机,进行了结构设计,产水量可满足日常需求。蔡庆安[19]对烟气余热进行了热力分析,模拟构造了一台低压闪蒸式烟气余造水机,其具有成本低廉、节省空间,且足够饮用水的供应。自1969年海水淡化会战后,全国性开始加大力度投入各式海水淡化技术的研究中,成果非凡。许攀[20]等利用热力学计算构造了可以将太阳能与烟气余热能共同运用的海水淡化装置。
以上是毕业论文大纲或资料介绍,该课题完整毕业论文、开题报告、任务书、程序设计、图纸设计等资料请添加微信获取,微信号:bysjorg。
相关图片展示:









