船舶维修计划生成与变更模型分析毕业论文
2020-02-19 09:07:58
摘 要
目前世界航海业的发展不容乐观,在整个大形势下,我国很多船厂相继倒闭,如果能设计开发出一套实用、廉价、符合国人使用习惯的机务管理系统,为船东节省成本,则会促进我国船舶事业发展,增加其在世界舞台上的竞争力。本文以设计船舶机务管理系统为目的,在CWBT的基础上,首先分析船舶维修计划生成的机制,然后分析船舶维修计划如何根据设备状态而变更维修时间,并设计出一个包含计划生成与变更的流程图。最后根据所设计系统的需求和原则,将系统分为几个模块,并结合实例进行说明。
本文主要做了如下工作:
- 建立船舶维修计划生成的模型。在熟练掌握CWBT的基础上,分析出维修计划生成的机制,运用UML建模语言对维修计划执行及预警进行了描述。
- 建立船舶维修计划变更的模型。先对设备状态监测方法进行说明,并使用设备劣化度的概念,提出基于设备状态的维修周期预测模型,在此过程中使用了回归线性法,最后结合实例进行说明。
- 基于所建立的模型开展相应的系统分析。对所设计系统的需求及原则进行分析,并将整个系统的构成分为十个模块,对每个模块包含的内容进行说明,最后以气缸盖为例,说明工作卡的生成及变更。
关键词:维修计划 生成与变更 系统模块
Abstract
At present, the shipping industry continues to be in a downturn. In order to enhance the international competitiveness of China's shipping industry and popularize the information management of ship management, it is more and more practical to design and develop a ship maintenance management system that conforms to the management mode of China's shipping enterprises. Based on the ship maintenance management system, this paper first studies the mechanism of ship maintenance plan generation based on CWBT, then analyzes how the ship maintenance plan changes the maintenance time according to the equipment status, and designs a more mature ship maintenance flow the B/S architecture is selected to analyze the requirements and principles of the designed system. The design system is described in sections and examples are given. It is hoped that the talents in the computer profession can design a specific and complete ship maintenance management system on this basis to make a contribution to China's shipping industry.
This paper mainly does the following work:
- Establish a model generated by the ship maintenance plan. Based on the proficiency of CWBT, the mechanism of maintenance plan generation is analyzed, and the data on the ship equipment is classified and explained. The UML modeling language is used to describe the implementation and early warning of personnel-based maintenance plans.
- Establish a model for the change of the ship maintenance plan. Firstly, the equipment condition monitoring method is described, and the maintenance period prediction model based on the equipment status is proposed by using the concept of equipment degradation degree. In this process, the regression linear method is used, and an example is given.
- Carry out corresponding system analysis based on the established model. The B/S architecture system is selected to analyze the system design requirements and principles, and the whole system is divided into ten module functions to explain its contents. Finally, the cylinder head is taken as an example to illustrate the generation and change of the work card.
Keywords: maintenance plan generation and change system module
目 录
第1章 绪论 1
1.1目的及意义 1
1.2国内外的研究现状分析 1
1.3研究内容和方法 2
1.3.1研究内容 2
1.3.2研究方法 3
第2章 船舶维修计划生成模型的建立 5
2.1维修计划的业务流程 5
2.2维修计划初始化 6
2.2.1船舶机务数据的类型 6
2.2.2船舶机务各数据与设备关系 7
2.2.3船舶初始数据的导入 8
2.2.4设备卡首排要求 9
2.3维修计划的执行 11
2.3.1UML统一建模语言 11
2.3.1基于人员的维修计划执行流程 12
2.3.3基于人员的维修计划执行流程工作预警流程 12
2.4本章小结 13
第3章 船舶维修计划变更模型的建立 14
3.1设备状态监测技术 14
3.2设备状态预测方法 15
3.3基于设备劣化度的维修周期预测模型 16
3.4实例分析 17
3.5本章小结 18
第四章 基于所建模型的相应系统分析 19
4.1系统的需求分析 19
4.2系统设计原则 19
4.3系统的设计 20
4.3.1系统的构成 20
4.3.2系统各模块功能分析 20
4.4举例分析 22
4.5本章小结 24
第5章 总结与展望 25
5.1总结 25
5.2展望 25
参考文献 26
致谢 27
第1章 绪论
1.1目的及意义
航运行业作为全球经济贸易开展的主要手段,在世界经济发展中扮演着至关重要的角色,长期以来都是驱动世界经济发展和国际交流的重要基础产业,其重要性显而易见。中国是国际上主要的贸易出口国,在全球经济中起着愈来愈大的作用,同时也面临着各种各样的困难,而作为其基础的航运业更是面对着更艰巨的困难[1]。在目前全球航运整体持续萎靡的大环境下,如果想让中国在国际航运中继续保持核心竞争力,就得在特定的宏观调节手段下,集中力量发展航运事业,增强我国航运业在世界航运业的整体竞争力,使得目前技术水平落后、管理体制僵化、信息化程度低的大局面不再出现。除去某些大型企业能够实现信息化网络的覆盖和信息化管理,大部分的中小型航运单位的机务系统管理和公司运行,依然靠人工完成各种日常事务,日常的维修保养任务仍依照以往的表格手工填写,专人看管的工作模式。这些弊端都严重降低了我国船队的运输效率,增加额外成本,并且导致很多不安全的因素,使得船舶上的设备得不到及时可行的维修保养,甚至会造成船舶因故障而停航,这些因素都会严重缩短船舶的航行寿命周期[2]。更为严重的是如果通不过越来越严格的港口国检查,将会直接降低中国航运公司的经济效益和信誉。这些原因让我国航运企业不得不加快普及船舶在运营中的信息化,完善船舶维修计划的生成与变更的机制,最好可以研发出更好的模型,以此来提升企业实现机务管理信息化和数字化的进程,增加企业员工的工作效率和积极性,提高公司的经济效益,同时方便海事局、船级社等政府检验部门工作的顺利开展。因此,针对船舶机务管理系统进行维修计划生成与变更的研究是非常有重要的[3]。
1.2国内外的研究现状分析
当前国内外对于船舶机务管理系统的开发主要集中在维修方式决策、维修时机预测、备品备件采购及物料存贮等方面。西方国家的航运业起步较早,其信息化程度相比我国要高,他们的企业管理运行模式也比较成熟和先进,机务信息化管理系统在绝大部分船队上广泛运用,其软件具有更高的安全性和可靠性。但是,因为国内外管理思想和营运方式的不同使得直接借用西方国家的船舶管理软件存在较大障碍。与此同时,我国的航运业在长期几十年的发展中取得了明显进步,积累了我国所独有的管理经验,并且逐步形成了自己的理论体系,也就是现行的CWBT和PMS,该体系当前被广泛运用到船舶检验和维修计划上面。但是我国航运企业的信息化程度还是普遍偏低,已经开发的船舶管理信息系统还很难运用到所有的船舶的机务管理上,导致现在大部分船舶的日常维修保养工作是靠传统的手工报表记录完成,严重影响了船队的运营效率。一般而言,船舶信息化系统是建立在特定的管理模式上的,由于航运行业的变化和企业内部模式的变更,因此其系统也要不断研发升级来适应当前的管理模式。特别是在目前航运业不景气、持续低迷的大背景下,为了能使我国的航运企业能够赶上西方国家、体现出我国航运企业船舶机务管理系统的中国社会主义特色,研发出与我国航运企业管理模式相契合的机务信息系统已是当务之急。
武汉理工大学的由恒源在收集大量资料与数据的基础上,同时还分析了当前大部分机务管理系统的现状和共性,建立了体系标准化业务流程和标准化功能。对维修计划采用领域建模的方式进行了研究,并且通过工作预警等业务用例进行了验证。还给出了基于设备检测状态的预测,通过设备劣化度的改变进行合理预测,从而改变周期[1]。
武汉理工大学的王亮主要以船舶上的数据为研究对象,建立通用的船务数据标准模型,并分析数据流向,用矩阵对模型进行验证,最后还对数据的录入进行说明 [4]。
大连海事大学的杜汉启结合现行的CWBT体系,给出了船舶机务管理系统所包含的功能模块,并进行了分析。然后提出了数据库设计的几种方式,其中详细的介绍了数据库驱动技术对数据库的操作,并且以一个例子完成了数据库的设计,完整的描述了系统开发的整个过程[5]。
目前国际最优秀的机务管理系统是AMOS。该系统是由荷兰的Spec Tec公司历经多年开发完成,被广泛运用到西方国家的大型船队里面,使其船舶设备能够的合理的维修保养。经过近几十年的不断完善与更新,该系统不仅是最先进、最高效的船舶管理方式,更是现代航运业应用最新技术的象征。在世界同类系统产品市场中,AMOS船舶用户数量(包括工程船等海洋设备)已经超过8000个,企业用户也已达到1200家之多,可谓该行业的龙头企业。在我国市场上,己有10多家用户正在使用AMOS管理系统。该系统在兼顾船舶维修保养的同时也具有仓储、采购、预算功能,其强大的功能充分体现了现代船舶管理科学化的特点,运行也很流畅,查询快速快。然而费用过高也是该软件的弊端,中国许多中小型船东承受不了高昂的软件使用费用,所以研发出一种符合中国特色的廉价软件就显得非常有必要了[6]。
1.3研究内容和方法
1.3.1研究内容
(1)建立船舶维修计划生成的模型
在建立船舶维修计划生成模型时,首先按照CWBT的规定将船舶设备系统分类,编码定义。接着对设备进行初始化,需要把设备的详细信息数据(运行参数,生产日期等)导入船舶机务系统中并分级,为方便导入需借助SQL数据库。然后为船舶每个设备编制相对应设备卡。最后通过UML统一建模语言描述维修计划执行,以及维修计划预警功能。
(2)建立船舶维修计划变更的模型
作为船舶机务管理系统维修计划的重要功能点,维修计划变更能够起到对维修保养计划进行完善的效果,从而节省开支,减轻工作人员负担,使维修计划更加先进。影响维修计划变更的因素主要有状态监测、运输任务和维修保障(如备品备件)等。这些因素会影响已经计划好的维修周期和维修内容,也会影响后续维修计划,往往需要通过人工手段来对计划进行调整。借助合理的建模方法,通过检测设备状态并计算出其劣化度来预测出设备的维修时间,最后与原定的维修时间相比较,结合经验以及所学的专业知识来对维修计划进行适当变更,使之更利于设备的运行。
(3)基于所建的模型开展相应系统的设计
分析出所设计系统的需求和设计的基本原则,并将其作为系统设计的基础。对所设计的系统内容进行分块,对每个模块的基本功能能够清楚的描述,以此方便计算机方面的专业人士设计出具体的系统。
1.3.2研究方法
其技术方案如图2.1:

图1.1 研究的技术路线图
通过对当今船舶行业的分析来说明研究维修计划生成与变更的必要性。维修计划生成包含工作卡的建立,数据的初始化导入,以及维修计划的执行流程。维修计划的变更包含设备状态的检测,从而得到运行参数,根据劣化度的定义计算出其劣化的改变,运用回归线性方法建模预测其所需维修时间。基于建立的模型开展相应系统分析包括系统架构的选择,以及所设计的系统应该包含的模块功能,最后通过一个具体事例进行说明。
第2章 船舶维修计划生成模型的建立
本章首先对维修计划的整个流程进行了说明,对于船舶包含的数据进行分类,分为静态和动态数据,数据与设备的关系也进行了说明,还有初始化过程中应注意的问题。并运用UML建模语言对维修计划的执行及预警功能进行说明。
2.1维修计划的业务流程
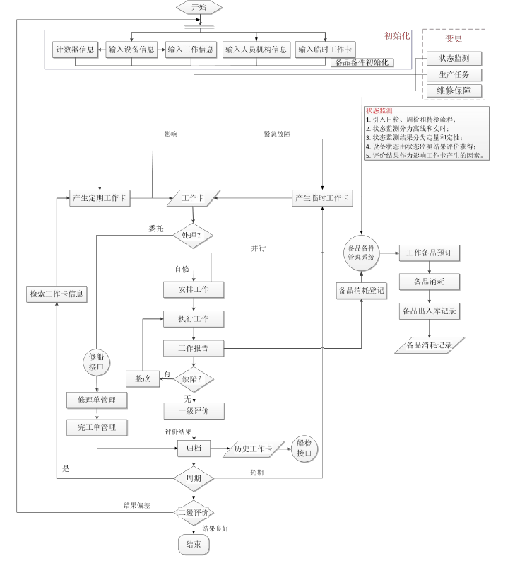
整个维修计划是建立在流程图的基础上的,通过船、岸两端的信息管理系统来完成业务流程的运作,不管是船上管理人员还是岸上的管理人员,都必须根据系统的设定标准和提示来进行操作,整个过程流程图见图2.1:
图2.1 维修计划流程图
对流程图中的部分文字进行说明:
变更:由于船舶设备状态参数的变化、运输任务的变更及备件的变化会对以生产的维修计划产生影响,改变维修周期和维修内容;对于设备临时产生的故障,则会由工作人员生成临时工作卡。
处理:分为自修和委托修理。自修是工作人员根据自身的维修条件和环境对设备进行维修,一般情况下是一些简单轻松的维修工作;委托修理是公司及部门根据维修的需要将设备让给第三方进行修理,一般情况下是一些比较复杂重要的维修工作。
厂修:对于有些故障必须通过委托修理才能,就会进入修船管理流程;如果没必要进行厂修,那么实行自修。
一级评价:在完成一个工作卡后,对整个周期过程中的设备状况、工作卡执行人员的完成质量进行评价,结果保留用于二级评价。
二级评价:当大周期内的任务都完成,需要维修计划进行评价,这会对后面的计划的实施及变更有影响。
周期:工作卡的安排依照原定维修计划重复循环安排,假如工作卡中有的任务逾期未完成,那么就会产生与之相一致的临时工作卡。
2.2维修计划初始化
机务管理系统初始化由岸上和船上工作人员共同完成。初始化过程按照船舶信息、设备卡信息、工作卡信息、计数器信息顺序依次输入。
人员信息初始化:对设备维修保养过程中涉及到的所有人员信息进行录入,其中人员信息一般包括:职务、职称等。人员详细信息包含:姓名、出生年月、职务、职称、船上部门、毕业院校、学历、家庭住址、联系方式、备注等。
机构信息初始化:对设备维修保养流程中提及到的所有部门和机构信息进行初始化,机构信息一般有:机构名称、机构简介、所属机构等。
2.2.1船舶机务数据的类型
根据船舶数据是否发生变化可以分为两类:静态数据和动态数据。
静态数据(机务对象):首先以机务对象为出发点,船舶设备是船舶机务管理的主要管理对象的,其次是所有设备运行过程中所需要涉及到的一些物料和备件,再加上执行船舶维修过程中的完成维修工作的工作人员等。船舶设备是指除去船舶备件以外的所有船上的可变动但不具有消费性质的物品。船舶设备类型繁多,根据它们在生产流程中的功能、地位及和机务管理系统的匹配性,能分成30个主系统,所需的维修部件总共 300多个。机务系统里,除去以上提到的主要机务对象外,还包含设备在正常运行过程中需要的物料,例如:水、燃油、润滑油及液压油等;在对这些设备进行维护保养的过程中还要使用到各式各样的备件和工具等;在整个的维修过程中包含一个不可或缺的对象:人员。并且人员还能够依照其所属组织、职位等属性的不同进行分类。综上所述,船舶机务管理中所包含的管理对象一般情况下分为人员、设备、物料和备件及其他对象等。
动态数据(维修任务):中国的维修制度借鉴了前苏联的部分经验,在此基础上联系当时国内行业的实际情况,最终形成了具有中国特色的管理模式,管理理念是根据既定计划完成一系列设备预防性维修工作,来杜绝意外故障或突发事故。它希望通过采取预防措施来降低和避免设备由于异常运转导而发生的劣化损坏,从而保证设备构造、功能的完整,使设备运行安全高效,增加设备运转寿命,最终提高设备使用效益。计划预修制的目的防止和减缓设备劣化,而磨损是机械设备的劣化的主要表现形式。目前的计划预修制包括三种类型:标准修理制度是在管理经验基础上而生成的计划维修制度;检查后修理制度是依照设备检测获得设备运行状态而制定的计划维修制度;定期修理制度是在分析设备磨损变化规律的条件下,根据设备的磨损时间而写成的维修制度。和维修制度相比,具体的维修内容是一个更加详细、更加复杂的难题,由于设备的种类繁多,各自特点不同,对于不同的特殊设备,必须制定对应的维修制度。
2.2.2船舶机务各数据与设备关系


