大型客船柴油机-超级电容动力选型研究毕业论文
2020-02-19 09:06:14
摘 要
随着国际航运业航运总量的不断增长,随之带来了水污染、空气污染和噪音污染等环境问题,因此而带来的能耗问题也值得让人关注。发展船舶动力新能源技术是解决此类问题的根本途径。本篇论文一690客位客轮动力系统设计为背景,开展了对柴电混合动力系统发展历程的探究、柴油机和超级电容特性的论述和动力系统的选型设计,主要内容包括:
本文主要研究了柴电混合动力船舶的发展历程,列出了混合动力系统动力源的匹配方式和它们各自的优缺点,最后选择了串联式这种匹配方式;根据给定的客船参数,进行了相应的计算,最后完成动力部件的选型。
本文研究结果表明:在混合动力电动船舶的动力系统设计过程中,对动力部件的选型有利于减少整艘船船舶的成本,更加具有节能减排的特性。
本文的特色:采用了柴油机与超级电容的搭配方式,充分利用了超级电容的特性,在混合动力技术领域提供了一种更加实用和高效性的配合方式。
关键词:船舶 混合动力 选型
Abstract
With the continuous growth of the total amount of shipping in the international shipping industry, it has brought about environmental problems such as water pollution, air pollution and noise pollution, so the energy consumption problem is also worthy of attention. The development of new energy technologies for ship dynamics is the fundamental way to solve such problems. In this paper, 1690 guest passenger ship power system design as the background, carried out a probe into the development of diesel hybrid power system, the characteristics of diesel engine and super capacitor and the design of power system selection, the main contents include
This paper mainly studies the development course of diesel electric hybrid ship, lists the matching modes of power source of hybrid power system and their respective advantages and disadvantages, and finally selects the matching method of series type, according to the given passenger ship parameters, carries on the corresponding calculation, finally completes the selection of power components.
The results of this paper show that in the process of power system design of hybrid electric ship, the selection of power components is beneficial to reduce the cost of the whole ship ship, and has the characteristics of energy saving and emission reduction.
Features of this paper: using the combination of diesel engine and super capacitor, making full use of the characteristics of super capacitor, in the field of hybrid power technology to provide a more practical and efficient way of matching.
Key words: vessel; hybrid system; selection
目录
第1章 绪论 1
1.1 研究目的和意义 1
1.2 混合动力电动船舶选型研究现状 1
1.2.1 柴电混合动力船舶的发展历程 1
1.2.2 国际研究现状 2
1.2.3 国内研究现状 3
1.3 柴油机-超级电容在船舶上应用的关键性技术 5
1.3.1 柴油机的特性 5
1.3.2 超级电容的特性 5
1.3.3 在船舶应用的关键技术 6
1.4 本文主要工作 7
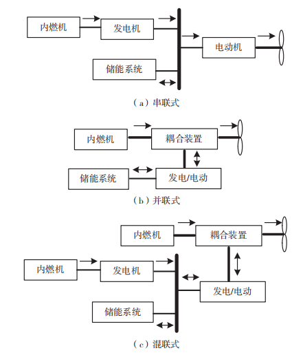
第2章 混合动力船舶动力源的配合形式 8
2.1 混合动力电动船舶主要技术指标 8
2.2 混合动力电动船舶动力系统驱动形式的选择 8
2.2.1 驱动形式的分类 8
2.2.2 混合动力电动船舶驱动形式的选择 9
第3章 混合动力推进系统的动力选型 11
3.1 性能要求 11
3.2 串联式混合动力电动船舶的参数匹配 11
3.2.1电动机的选配 11
3.3.2 超级电容的选配 14
3.2.3 整流器与变换器选型 15
3.3 本章小结 19
第四章 总结与展望 20
4.1 论文总结 20
4.2 研究展望 20
参考文献 22
致谢 24
第1章 绪论
1.1 研究目的和意义
随着全世界的环境日益恶化,不可再生能源的不断减少,船舶领域逐渐朝着低排放的领域发展。在新型船舶的开发中,纯电力推进船舶虽然倍受重视且电池技术近些年来也有较大进展,让其与传统的柴油机推进方式比较来说,使用电力推进的方式能够具有更好的可操纵性能、安全性性能和噪音较低的特性[1-2]。然而受到电池本身的动态特性和能量密度的限制,与柴油机推进系统相比,大多数的纯电动船舶电力推进系统不能达到较高速度和自控性[3]。另外纯电动船舶的价格一直也是比较高昂。所以纯电动船舶的市场化依旧是困难重重[4]。
近年来,混合动力电动船舶发展迅速,混合动力电动船舶被大家广泛的认为是传统的柴油机推进船舶与纯电力推进船舶之间的过渡产物。在整个领域范围内这种船舶俨然已经成为大家争相开发的目标,混合动力电动船舶在保护环境和节能减排两个方面的的特点得到了行业内的广泛认可认可。
混合动力电动船舶的研究领域中动力系统选型的过程具有很重要意义,三种船舶(混合动力电动船舶、纯电动船舶和传统柴油机推进的船舶)最大的不同之处就是是它们各自的动力系统,船舶的动力系统是船舶开发工作的最难的部分,同时他也是最核心的部分。不同种类的的混合动力电动船舶区别的方法就是他们的动力系统的结构与类型;混合动力系统部件的数量、种类以及系统的控制策略都是由混合动力系统的结构来决定的;动力系统结构各异导致了不同的混合动力电动船舶使用条件和使用要求不相同;开发过程面临的问题的难度也不尽相同。可以说,混合动力系统部件选型决定了混合动力电动船舶研究开发的重点和方向,直接影响了产业开发的进度和水平,是混合动力电动船舶研究和设计建造中重要的和关键的一步。研究时必须在调研较为充分、仔细分析了存在的问题和权衡了优劣之上,然后对混合动力系统动力部件的选择综合考量。
本文所涉及的混合动力电动船舶柴油机-超级电容动力选型研究就是通过协调柴油机与超级电容一同工作,使得混合动力电动船舶的安全性和经济性得以改善。
1.2 混合动力电动船舶选型研究现状
1.2.1 柴电混合动力船舶的发展历程
最早的船用柴电混合动力系统是在20世纪70年代出现的轴带发电机的基础上发展而来[5], 目前航行于渤海海峡和近海的滚装客船大多属于这种类型[6],该系统存在的最大的缺点就是电机自身不可以调速,需要借助外界(齿轮箱和可调桨等机械装置)进行速度变化,当负载转速与额定转速差异较大时,机械变速装置的容量将受到限制,故其应用范围也受到制约[7]。
20世纪90年代后期,随着大功率全控型器件及模块的出现,数字信号处理器的广泛应用和脉宽调制技术的迅速提高,使混合动力系统也有了很大进步,产生了基于变频轴带的混合动力系统,该系统中的轴带电机不再被限制在相对恒速状态,而是采用变频器调节将恒频恒压的交流电压转化成变频变压信号用于调节轴带电机转速,使轴带电机可以在变速状态下运转。装有定距桨的船舶,航速通常使用螺旋桨转速调节,无法使用基于常规轴带的混合动力系统,但采用基于变频轴带的混合动力系统则可以通过轴带电机的转速控制来实现与主机联合推进的形式,从而实现经济环保的运行模式[8],同时对于配定距桨的轴带发电工况,由于变频装置可实现变速恒频的控制功能,轴带电机也可工作在变速状态,从而系统也适用于定距桨轴系。该混合动力系统的适用性广、能有效降低燃油滑油成本、减少维护成本等。
近年来,随着电池技术的发展飞快和节约能源的需求,混合动力船舶也产生了多种形式,使用带有储能单位的混合动力船舶应运而生。该混合系统使用共直流母排及一机双桨的模式,当船舶正常航行时,主机推进螺旋桨工作,使主机工作在最佳工况点附近;当船舶转弯时,左推进停止、右推进提高速度,用于左推进的能量通过轴带系统回到直流母排,再通过直流母排将能量提供给右推进的系统用来补充右推进加速所需的能量;当船舶停止时,船舶的左右两侧推进能量回到直流母排,储能系统将发电产生冗余的能量存储起来;当船舶外界负载突变时,储能系统能够在最短的时间内提供或吸收推进能量,有效的预防负载扰动对船舶动力的影响[9];当船舶低工况航行时,先关闭主机,使用电机推进,这样做可有效的节约能源,提高了主机的运行工作效率[10]。
1.2.2 国际研究现状
(1)混合动力游艇
随着节能减排的理念逐渐被人们所重视,而率先引领船舶混合动力领域的是游艇行业。混合的形式不仅仅包括热力机械和电器装置的配合,还加入了其他形式的能量(比如太阳能、风能等其他能量)。表1.1中所示是近些来出现的一些混合动力船舶。
表1.1 混合动力游艇汇总
代号  | 混合类型  | 备注  | 
BMW z60 Green Jet DSE Magellano Razor  | 风、柴油 风、氢 太阳能、电、柴油 电、柴油 燃料电池、气体燃料引擎  | 纯风力最高航速23节 长57米 / 纯电力航速8节 /  | 
(2) Solar Sailor 号风能/太阳能混合动力船
在澳大利亚Solar Sailor公司从上世纪末就开始了船用混合动力技术的研发,这家公司利用了柴油机和电动机协同合作。本世纪初期,该公司设计并委托建造的混合动力游艇Solar Sailor 号(采用风能/太阳能)(如下图)面世。
图1.1 Solar Sailor号混合动力船
这艘船顶部的太阳能发电系统能够探测风向和太阳的角度,自动调整自身的角度,最大限度地使混合动力游艇利用风能和太阳能。在该公司的未来规划当中,将会在未来设计的混合动力电动船舶将引入氢燃料电池,并且在柴油机上使用清洁燃料,让该公司的产品更加具有影响力。
1.2.3 国内研究现状
我国在混合动力电动船舶方面起步国外一些国家晚一些,船舶成品成功航行的例子并不多。2010上海世博会上亮相的混合动力船—“尚德国盛”号游船(如图1.2所示),这艘船舶是我国第一艘混合动力船舶,它采用了太阳能和柴油机组配合推进,该船长度31.85米,宽度9.8米,高度7米,吃水大 约为2.3米,全速大约15km,节能减排效率达 30%以上。

图1.2 “尚德国盛”号
“尚德国盛”号的混合动力结构如下图,太阳能板产生转化电能的同时,柴油机组同时发电,两动力源配合着共同驱动主电动机,它的动力源的配合形式属于串联式结构。
     
 图1.3 “尚德国盛“号动力系统简图
该船的动力系统配置参数如下:
(1)推进电机组:Kohler 150EFOZD 2组 ,额定功率为150kW,一台Kohler 125EFOZD 发电机组,提供电能给辅机及其他用电
(2)推进电动机:Siemens 1FT6163-8WD76 2组,额定功率为 104kW
(3)储能电池组:(3.2V180Ah × 112只 × 2组)储能129kWh;大小 192*293*304=17.101824(L)(4 个电池连接); 总体积:约为 957.7L,分别把它们放在三个电池架上,绕后放在电池舱里面。
(4)太阳能发电系统
该船在控制过程当中会依据不同的条件选择不一样的模式。每个工作模式如下:
(1) 纯柴油机推进模式:该种模式完全依靠于柴油机发电,带动电动机,从而驱动负载
(2) 纯电力推进模式:当电池充电在80%的容量以上时,可手动切换到纯电力推进你模式;电池电量低于20%时,转换为柴油机模式。
(3) 混合驱动推进模式:将航速作为变量可控,当船舶处于0~4kn时采用纯电动模式,4kn或以上时采用柴油机与电池混合推进模式。
1.3 柴油机-超级电容在船舶上应用的关键性技术
1.3.1 柴油机的特性
图1.4为某台内燃机的万有特性曲线。从图中的一些数据可以展现内燃机的的是,其高效率工作区间比较窄,受限于额定转速,在其附近区域有较好的经济性,范围较小。而在船舶处于正常运行中,柴油机如果经常在低负荷区域运转的话,加速、减速或者恶劣海况时,油耗就会进一步的升高,整体的运行效率就会显得很低。万有特性曲线是内燃机最具代表性的曲线,我们在研究过程当中经常用它来代替研究柴油机的各种复杂工况。

图1.4 内燃机万有特性曲线
1.3.2 超级电容的特性
超级电容,又叫做双电层电容器。超级电容是一种电化学的物理部件,这是他和普通电容区别最大的地方所在,但是超级电容内部不进行化学反应,超级电容的储能特别厉害,可以达到普通单体电容达不到的达到法拉级的电容量。超级电容具备着普通电容和电池无法比拟的[11],它具有以下优点:
(1)超级电容具有超大的电量。甚至可以达到拉法级,超级电容的容量范围在0.1~6000F之间,这要比同体积的电解电容器容量大上千倍,是普通电容所远远不能及的;
(2)超级电容能够在极短时间内释放超级大的电流,可以达到几百甚至几千安培,功率密度是普通电池的近百倍,且稳定性较好,不易损坏;
(3)超级电容的充电速度快,其充电速度速度可以达到普通电池的充电速度的几十倍,只需要几分钟,就可以充满一辆汽车需要的电量;
(4)超级电容的充放电效率较高,寿命长。超级电容在充放电过程当中不会对电极材料产生影响,材料的使用寿命不受到循环次数的影响,超级电容的充电次数可以达到上十万次,是普通电池充电次数的上百倍,这也就是超级电容最大的优点所在;
(5)超级电容能够在极限环境下的环境中使用,而传统电池低温下的表现会大大不如正常情况下,反应速率会大大下降;
(6)不需要维护,本身对环境不会造成污染。超级电容的材料对周围的人和环境都不会有负面影响,是健康的能源,下表为超级电容与酸碱蓄电池和普通电容的比较[12];
表1.2 铅酸电池、超级电容和普通电容性能比较
性能  | 铅酸电池  | 超级电容  | 普通电容  | 
充电时间  | 1~5h  | 0.3~30s  | 0.001s以下  | 
放电时间  | 0.3~3h  | 0.3~30s  | 0.001以下  | 
比能量  | 40  | 1~10  | 小于0.1  | 
比功率  | 约100  | 小于10000  | 小于10000  | 
充电/放电效率  | 0.70~0.85  | 0.85~0.98  | 大于0.95  | 
循环寿命  | 500~1000  | 大于500000  | 大于500000  | 
1.3.3 在船舶应用的关键技术
(1)为了迎合混合动力电动船舶自身电网的要求,也为了满足其他的限制,超级电容和超级电容配合形式就是一个非常重要的问题,当前的一些研究只是从两个方面开展,一个是不同的运营模式下的容量优化配置问题,另外就是不同策略下的容量优化的配置问题,围绕着这两个问题进行的研究和探讨。
以上是毕业论文大纲或资料介绍,该课题完整毕业论文、开题报告、任务书、程序设计、图纸设计等资料请添加微信获取,微信号:bysjorg。
相关图片展示:








        
            
